sov1178 Опубліковано: 15 січня 2013 Поділитись Опубліковано: 15 січня 2013 особенно, если вы не решаете не соблюдать НТД Хотите НТД - пожалуйста: п. 4.15 Для сантехкабин, ванных и душевых рекомендуется устанавливать УЗО с номинальным дифференциальным отключающим током до 10 мА, если на них выделена отдельная линия, в остальных случаях, например при использовании одной линии для сантехкабины, кухни и коридора, следует использовать УЗО с номинальным дифференциальным током до 30 мА. P.S. В Эпике куча бойлеров с обычными вилками - куда, как Вы думаете их будут включать? Посилання на коментар Поділитися на інших сайтах More sharing options...
PA3 Опубліковано: 15 січня 2013 Поділитись Опубліковано: 15 січня 2013 (змінено) Дифы на все линии розеток пока не ставлю...., а то схема выйдет под 100 тысВводной ВА - $35 УЗМ - $200 УЗО вводное(S) - $170 Узел котла - $85 Кросс-модуль 4х17 - $40 Реверсный рубильник на 40А - $100 ============================== Итого - 29 модулей + 4(рубильник) По деньгам - $630 У вас 22 однофазных группы. Если их все посадить на отдельные дифы, вы потратите ещё $1100(там и на гребенки будет) и 44 модуля (реально - 19 ДА + 3 ВА) 1100+630= $1730 Остаётся зазор на рюшечки почти в сорок тысяч рублей. Что вы туда ещё впихнули ? ABBшный шкаф на 96 мод. стоит меньше 9 тысяч ================================ если замечания еще есть пож-ста! - на участке залило патрон - сдох свет во всем доме - из-за насоса - может обесточиться автоматика котла и холодильник Хотите НТД - пожалуйста:обратите внимание на то, что п. 4.15 данного СП относится к его разделу - "4. ИСКУССТВЕННОЕ ОСВЕЩЕНИЕ". Вы же цитировали кусок из рекомендуемого приложения А - А.4.15 , который никак не отменяет обязательный п. 14.40 документа P.S. В Эпике куча бойлеров с обычными вилками - куда, как Вы думаете их будут включать?покажите, где в НТД разрешено размещать розетки в зонах 1 и 2 ванных-душевых etc И тогда я с вами соглашусь Змінено 15 січня 2013 користувачем PA3 Посилання на коментар Поділитися на інших сайтах More sharing options...
Energon Опубліковано: 15 січня 2013 Поділитись Опубліковано: 15 січня 2013 - на участке залило патрон - сдох свет во всем доме сами придумали? холодильник можно сделать неотключаемую линию, и если куда то уезжаете все в доме погасить. а холодильник пущай работает Посилання на коментар Поділитися на інших сайтах More sharing options...
PA3 Опубліковано: 15 січня 2013 Поділитись Опубліковано: 15 січня 2013 сами придумали?освещение всех жилых помещений(комнат), ванных, кухни - сидит под тем же УЗО, что и наружное. Так что случится при утечке в цепи последнего ? можно сделать неотключаемую линию, и если куда то уезжаете все в доме погасить. а холодильник пущай работаетнарисуйте, пожалуйста Посилання на коментар Поділитися на інших сайтах More sharing options...
sov1178 Опубліковано: 15 січня 2013 Поділитись Опубліковано: 15 січня 2013 Вы же цитировали кусок из рекомендуемого приложения А - А.4.15 , который никак не отменяет обязательный п. 14.40 документа Вы издеваетесь? В одном документе написано: 14.40 В ванных комнатах квартир, в умывальных, душевых, ванных комнатах и преддушевых общежитий и гостиниц допускается установка штепсельных розеток в зоне 3 по ГОСТ Р 50571.11, присоединенных к сети через разделяющий трансформатор или защищенных УЗО на ток до 30 мА. ................... А.4.15 Для сантехкабин, ванных и душевых рекомендуется устанавливать УЗО с номинальным дифференциальным отключающим током до 10 мА, если на них выделена отдельная линия, в остальных случаях, например при использовании одной линии для сантехкабины, кухни и коридора, следует использовать УЗО с номинальным дифференциальным током до 30 мА. Каким образом установка УЗО на 10мА противоречит п.14.40? Подсказываю ключевое слово в п14.40 "до 30мА". Посилання на коментар Поділитися на інших сайтах More sharing options...
PA3 Опубліковано: 15 січня 2013 Поділитись Опубліковано: 15 січня 2013 Каким образом установка УЗО на 10мА противоречит п.14.40?слово "противоречит" я не писал, читайте внимательнее. Я писал, повторяю:кусок из рекомендуемого приложения А - А.4.15 , который никак не отменяет обязательный п. 14.40 документа А это значит, что дифзащита на 10мА - это хорошо. Но розетку ставить - только в зоне 3. А там достаточно и обычной 30-ки. В МПО Электромонтаж, например, дифф. автомат DX 07879 стоит 4297.49 руб, а его 30мА аналог DX 07886 стоит 2246.54 ИМХО, схема .... очень дорогая (в плане стоимости компонентов).так, кажется ? Посилання на коментар Поділитися на інших сайтах More sharing options...
Energon Опубліковано: 15 січня 2013 Поділитись Опубліковано: 15 січня 2013 освещение всех жилых помещений(комнат), ванных, кухни - сидит под тем же УЗО, что и наружное. в самом деле? вы схемы читать умеете? или просто так тут тролите? Посилання на коментар Поділитися на інших сайтах More sharing options...
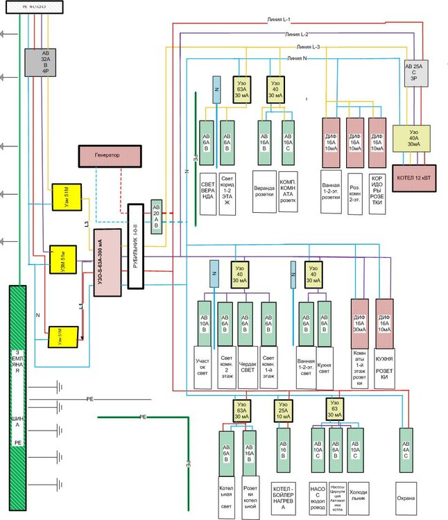
PA3 Опубліковано: 15 січня 2013 Поділитись Опубліковано: 15 січня 2013 в самом деле? вы схемы читать умеете? я их и писать умею. Обратите внимание на заключенный в эллипс фрагмент. Освещение участка = наружное, нет ? Я не буду объяснять значение слова "эллипс" Посилання на коментар Поділитися на інших сайтах More sharing options...
sov1178 Опубліковано: 15 січня 2013 Поділитись Опубліковано: 15 січня 2013 В МПО Электромонтаж, например, дифф. автомат DX 07879 стоит 4297.49 руб, а его 30мА аналог DX 07886 стоит 2246.54 так, кажется ? УЗО 16А/10мА тип А и автомат 16А Hager можно купить за 360грн. - Вы же предлагаете поставить DX 07886 которое типа АС и с током 30мА (т.е. с точки зрения защиты хуже по всем параметрам), да еще и почти в два раза дороже предложенного мной варианта - вот, что я имел ввиду, когда говорил дорого... Посилання на коментар Поділитися на інших сайтах More sharing options...
PA3 Опубліковано: 15 січня 2013 Поділитись Опубліковано: 15 січня 2013 Вы же предлагаете поставить DX 07886 которое типа АС и с током 30мАя не предлагаю поставить, а лишь предлагаю оценить разницу в цене УЗО 16А/10мА тип Ав Хагер-шопе стоит $85 Тридцатка типа А - $58 (там же) DS941 С16/0,03 можно купить за $42 (И так - восэм раз падрйад !) И в любом случае требование НТД выполняются в достаточном объёме Посилання на коментар Поділитися на інших сайтах More sharing options...
А.Р.Бородач Опубліковано: 16 січня 2013 Поділитись Опубліковано: 16 січня 2013 Вводной ВА - $35 УЗМ - $200 УЗО вводное(S) - $170 Узел котла - $85 Кросс-модуль 4х17 - $40 Реверсный рубильник на 40А - $100 Это где-ж такие цены?! Hager CC216J 330 грн. Hager SF419G 4x полюсный 40а - 320 грн. Hager CP440J УЗО типа А 100мА селективное - 640 грн. И это розничные цены, а у оф. представителей на форуме можно купить с хорошей скидкой. Посилання на коментар Поділитися на інших сайтах More sharing options...
Energon Опубліковано: 16 січня 2013 Поділитись Опубліковано: 16 січня 2013 освещение всех жилых помещений(комнат), ванных, кухни так бы и написали, линия групового УЗО фазы такой, а то непонятно выразились. Да лучше на уличное поставить свое УЗО, велика вероятность даже ложного срабатывания. Посилання на коментар Поділитися на інших сайтах More sharing options...
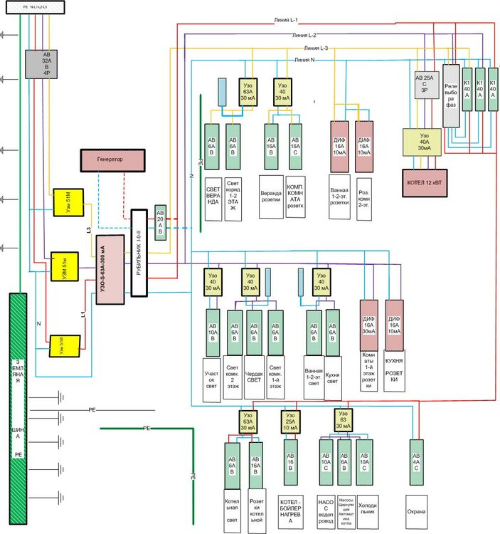
хищник Опубліковано: 16 січня 2013 Автор Поділитись Опубліковано: 16 січня 2013 Так что друзья, вы думаете нужно сменить узо на освещение участка( на какой номинал?)-или вывести его на отдельное узо? Или диф поставить на него-какого номинала. Вот так еще добавил узо и подключил генератор Посилання на коментар Поділитися на інших сайтах More sharing options...
Energon Опубліковано: 16 січня 2013 Поділитись Опубліковано: 16 січня 2013 а контакторов что то не видно? так выше написал же что УЗО поставить на уличное освещение свое, 30мА подойдет. Посилання на коментар Поділитися на інших сайтах More sharing options...
хищник Опубліковано: 16 січня 2013 Автор Поділитись Опубліковано: 16 січня 2013 (змінено) а контакторов что то не видно? так выше написал же что УЗО поставить на уличное освещение свое, 30мА подойдет. Ну вот готово УЗО отдельно на участок прицепил -спасибо Еще уж совсем нескромный вопрос На сколько модулей мне нужен щит в дом-к этой схеме (ну может еще будут не глобальные изменения) ? Так как я вообще не электрик, то мне даже прикинуть сложно. Ориентируюсь на 80 модулей примерно Змінено 16 січня 2013 користувачем хищник Посилання на коментар Поділитися на інших сайтах More sharing options...
PA3 Опубліковано: 16 січня 2013 Поділитись Опубліковано: 16 січня 2013 так бы и написали, линия групового УЗО фазы такой, а то непонятно выразились.как бы помягче сказать... ========================= Это где-ж такие цены?!К тому же я в Подмосковье к тому же, АВВ Hager SF419G 4x полюсный 40а - 320 грн. а доступно - это (ОТ40FC3 от АВВ реально купить за $80) ... и картинко Посилання на коментар Поділитися на інших сайтах More sharing options...
Energon Опубліковано: 16 січня 2013 Поділитись Опубліковано: 16 січня 2013 Так как я вообще не электрик, то мне даже прикинуть сложно. позвали б електрика, или заказали щит. в подмосковье есть же люди щит собирают, отправлять почтой. Посилання на коментар Поділитися на інших сайтах More sharing options...
PA3 Опубліковано: 16 січня 2013 Поділитись Опубліковано: 16 січня 2013 (змінено) На сколько модулей мне нужен щит в дом-к этой схемея УЖЕ насчитал более 70 модулей - по крайнему варианту, без учета выбора фаз) Так что - 96 модулей, и не факт, что запас места будет Так как я вообще не электрикзови электрика, плати денег - дом, что ли чужой ? Или : "Бабла немеряно, х... ним ! " ? ========================= или заказали щит +50...70% от стоимости комплектующих. В т.ч. и щита ========================= 2. Освещение лучше защитить УЗОчто-то я совсем затупил Даже и в деревянном доме УЗО не обязательно - при наличии на вводе УЗО с дифтоком до 300мА При выборе мер защиты от косвенного прикосновения в электроустановках, получающих питание от ВЛ и ВЛИ до 1 кВ, необходимо руководствоваться следующим: Поскольку для объектов, получающих питание от воздушных линий напряжением до 1 кВ, у большинства потребителей невозможно выполнение требований по автоматическому отключению из-за низких кратностей токов короткого замыкания, установка устройства защитного отключения (УЗО) с дифференциальным током срабатывания IΔn до 300 мА на вводе является обязательной. Примечание. Установка УЗО с дифференциальным током срабатывания IΔn до 300 мА на вводе является обязательной и с точки зрения обеспечения пожарной безопасности. Так что - УЗО S на 100мА - и, начинаем удешевлять схему щита ;) Но скрытая проводка - все равно в металлических трубах... Змінено 16 січня 2013 користувачем PA3 Посилання на коментар Поділитися на інших сайтах More sharing options...
хищник Опубліковано: 16 січня 2013 Автор Поділитись Опубліковано: 16 січня 2013 я УЖЕ насчитал более 70 модулей - по крайнему варианту, без учета выбора фаз) Так что - 96 модулей, и не факт, что запас места будет зови электрика, плати денег - дом, что ли чужой ? Или : "Бабла немеряно, х... ним ! " ? ========================= +50...70% от стоимости комплектующих. В т.ч. и щита ========================= .. Да вот завтра еду закупаться к Хагерами И селективными узо и мелкими узошками и автоматами. Рубильник буду брать АВВ- 1500-1700РУБ у нас. Хагеры рубильники в районе 3-х тыщ. Денег как говорится в обрез-потому пытаюсь разобраться сам. Платить электрикам каких я видел по нашей деревне, а также есть еще и электрики в электросетях-ляпилы еще те. Соседу на моей же линии-дом через 200 метров от меня собирал щит учета и ставил трубостойку + кинул провод по земле к дому(когда придет весна сами закопаете-так сказал) САМ ЭЛЕКТРИК ОТ ЭЛЕКТРОСЕТЕЙ!. Открыли щиток, там провода соплями висят подключены к счетчику-и за это сосед заплатил------------------ -------------------барабанная дробь!!!!!!!!! 30 тысяч рублей-1 тыщу баксов. Вот так электрики зарабатывают. Потому разбираюсь сам пока есть возможность. Ну и на помощь форумчан надеюсь конечно. Дом вот построил хотя и не строитель в одиночку. Тоже только благодаря книжкам-форумам. Посилання на коментар Поділитися на інших сайтах More sharing options...
PA3 Опубліковано: 16 січня 2013 Поділитись Опубліковано: 16 січня 2013 Да вот завтра еду закупаться к Хагерамиэто вам сюда Рубильник буду брать АВВ- 1500-1700РУБ у нас.это где такие цены ? 400 гривен, или около того за реверсную ОТ-шку? Добавлено через 35 секунд Ну Вы прям как в той пословице: "И швец и жнец и на дуде игрец". "А ещё мы выгуливаем собак" Посилання на коментар Поділитися на інших сайтах More sharing options...
Energon Опубліковано: 16 січня 2013 Поділитись Опубліковано: 16 січня 2013 +50...70% от стоимости комплектующих. В т.ч. и щита да ну, космические цены прям))) Посилання на коментар Поділитися на інших сайтах More sharing options...
PA3 Опубліковано: 16 січня 2013 Поділитись Опубліковано: 16 січня 2013 да ну, космические цены прямэто, "по-божески" считается. Зарплаты выше, расходы на аренду площадей выше - так что ценник прёт, шо наски***еный. А ведь можно ТС-а попросить отправить на обсчёт схемку в пару каких-нибудь сборочных контор на два-три варианта комплектующих, а потом сроки и ценник тут тиснуть. Не думаю, что за рекламу посчитают. Не так ли ? Посилання на коментар Поділитися на інших сайтах More sharing options...
хищник Опубліковано: 16 січня 2013 Автор Поділитись Опубліковано: 16 січня 2013 это вам сюда это где такие цены ? 400 гривен, или около того за реверсную ОТ-шку? " Нет мне не сюда точно --тут мне 32 тыщи насчитали:D и по моему это не диллеры-тут селективное узо 9 тыс ХАГЕР-мне прислали рассчет есть где тоже самое за 25---- тут ХАГЕР селективное узо 6.700р. на Нахимовском д.24 вроде в Москве ! А АВВ диллер В РАЙОНЕ 40 тыс с лишним зарядил! Посилання на коментар Поділитися на інших сайтах More sharing options...
PA3 Опубліковано: 16 січня 2013 Поділитись Опубліковано: 16 січня 2013 и по моему это не диллеры это представительство Хагера в России. Для них штука баксов не цифра есть где тоже самое за 25адрес точно не М. Арнаутская ? Соберете, покажите, что получится Добавлено через 4 минуты ХАГЕР селективное узо 6.700р упал со стула Посилання на коментар Поділитися на інших сайтах More sharing options...
хищник Опубліковано: 17 січня 2013 Автор Поділитись Опубліковано: 17 січня 2013 (змінено) это представительство Хагера в России. Для них штука баксов не цифра адрес точно не М. Арнаутская ? Соберете, покажите, что получится Добавлено через 4 минуты упал со стула А чего упал-то?! Эти представители Хагера мне 9-тыс зарядили за это селективное узо! Нашел у нормальных представителей за 6.700р Ну конечно не без помощи форумчан соберу конечно! А то я щит сегодня купил и узо-шки и пару дифов автоматов приобрел-начну собирать скоро. посчитал я примерно диф стоит 2.900 рублей моего номинала Грубо говоря мне нужно 15 штук ----- 43 тыщи рублей Кроме них мне еще нужны будут автоматы котла бойлера т.е грубо с прикидкой + ящик --это получится тыщ 60- и то если я сам буду пару недель собирать Я просто не в курсе--это нормальная цена для щита в дом? И тут теперь вопросик возник--подскажите пож-ста! Надо ли мне к моей схеме ставить медные шины N и РЕ--ЧТО БЫ сразу завести кабель от щита учета 5-ти жильный? Предвосхищая вопрос поясню----Выходной автомат 3P меняю на днях на селективное узо 4Р 63А/300мА от него в дом 4-е ЖИЛЫ + 1 ЖИЛА РЕ Думаю кстати жилу N откуда взять с выхода счетчика или с медной шинки? Змінено 17 січня 2013 користувачем хищник Посилання на коментар Поділитися на інших сайтах More sharing options...
Рекомендовані повідомлення
Створіть акаунт або увійдіть у нього для коментування
Ви маєте бути користувачем, щоб залишити коментар
Створити акаунт
Зареєструйтеся для отримання акаунта. Це просто!
Зареєструвати акаунтУвійти
Вже зареєстровані? Увійдіть тут.
Увійти зараз