Сергей 31 Опубліковано: 13 вересня 2020 Поділитись Опубліковано: 13 вересня 2020 Раньше такое было? Посилання на коментар Поділитися на інших сайтах More sharing options...
shneider_vova Опубліковано: 13 вересня 2020 Поділитись Опубліковано: 13 вересня 2020 Раньше такое было? насос установлен 2 месяца назад, так было сразу. у меня ощущение такое: 1) открывается кран, начинает идти вода, сначала расходуется гироаккумулятор, потом давление падает 2) включается насос 3) насос повышает давление в системе до нужного, заполняет гидроаккумулятор 4) срабатывает обратный клапан (давление ведь в системе больше того, что снаружи), который виден на видео, перекрывая тем самым подачу воды на насос 5) насос останавливается 6) клапан открывается 7) повторяется пункт 2, и так по кругу. не уверен, что все именно так, поскольку в насосе должен быть свой обратный клапан, и тогда наличие ил отсутствие моего обратного клапана не должно влиять, но у меня логических других версий нет. Посилання на коментар Поділитися на інших сайтах More sharing options...
Vikctor Опубліковано: 13 вересня 2020 Поділитись Опубліковано: 13 вересня 2020 Пытался представить каким образом захлопывается шток ОК. Не смог.... Давление поднимается за насосом, а не в трубе за ОК и перед насосом. Ты про какой гидроаккумулятор пишешь? Тот что в насосе? Там объём меньше литра. Если ты о РБ бойлера, то он вряд ли таким образом участвует в работе ХВС. Мой аналогичный насос работает точно так же. Возможно пример так себе, потому что через 2 года такой работы первый насос умер. . Но похоже подобный умер ещё у тысяч пользователей и грюндыос объявил отзывную кампанию для всех обратившихся Это можно вылечить установкой гидроаккумулятор. Чем больший объём, тем реже будет "стучать" насос. 1 Посилання на коментар Поділитися на інших сайтах More sharing options...
Сергей 31 Опубліковано: 13 вересня 2020 Поділитись Опубліковано: 13 вересня 2020 не уверен, что все именно так, поскольку в насосе должен быть свой обратный клапан, и тогда наличие ил отсутствие моего обратного клапана не должно влиять, но у меня логических других версий нет. Ошибка в системы обычно последнее что рассматривается. Чаще всего это отсутствие давления в ГА, или его не правильно накачали. Посилання на коментар Поділитися на інших сайтах More sharing options...
shneider_vova Опубліковано: 13 вересня 2020 Поділитись Опубліковано: 13 вересня 2020 Я говорю о РБ бойлера. Догадался только что провести следственный эксперимент - отключение гидроаккумулятора (краном) убирает выключения (удары) насоса, обратное подключение гидроаккумулятора - возвращаются удары. возможности попробовать отключить обратный клапан на вводе, как ты понимаешь, особо нет - там все паяно, ради эксперимента с непонятным результатом - не хочется. разве что снять всю ветку и непосредственно питание насоса взять от места входа в дом. Добавлено через 1 минуту Чаще всего это отсутствие давления в ГА, или его не правильно накачали. конкретно сейчас проверить давление нечем. но ГА однозначно в рабочем состоянии, месяца 3-4 назад в нем было 3.5 атмосферы (рабочее давление настроено на 3). я пробовал на насосе выставлять давление ниже/выше - это не помогает Посилання на коментар Поділитися на інших сайтах More sharing options...
Сергей 31 Опубліковано: 13 вересня 2020 Поділитись Опубліковано: 13 вересня 2020 месяца 3-4 назад в нем было 3.5 атмосферы (рабочее давление настроено на 3). я пробовал на насосе выставлять давление ниже/выше - это не помогает Судя по видео давление на манометре в диапазоне 1,5-2 бара. значит в баке должно быть 1,4 бара. Посилання на коментар Поділитися на інших сайтах More sharing options...
shneider_vova Опубліковано: 13 вересня 2020 Поділитись Опубліковано: 13 вересня 2020 Судя по видео давление на манометре в диапазоне 1,5-2 бара. значит в баке должно быть 1,4 бара. манометры на входе, после них обратный клапан, потом ГА. разве можно по показанию этих манометров судить о давлении в ГА? Посилання на коментар Поділитися на інших сайтах More sharing options...
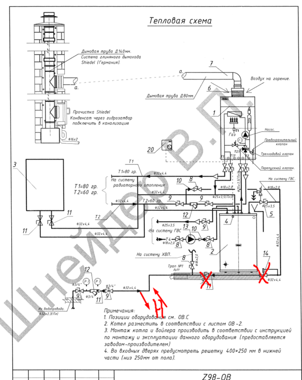
Сергей 31 Опубліковано: 13 вересня 2020 Поділитись Опубліковано: 13 вересня 2020 манометры на входе, после них обратный клапан, потом ГА. разве можно по показанию этих манометров судить о давлении в ГА? Нарисуйте схему, с буковками непонятно. Посилання на коментар Поділитися на інших сайтах More sharing options...
shneider_vova Опубліковано: 13 вересня 2020 Поділитись Опубліковано: 13 вересня 2020 Нарисуйте схему, с буковками непонятно. вот схема из проекта. Не уверен, что мы ее на 100% повторили, но вроде так. на входе сетчатый фильтр 12, после него в действительности есть фильтр ВВ с манометрами, которые мы и видим на видео. ГА подключен на входе холодной воды в бойлер (номер 5) если будет непонятно, попробую детальнее расписать Посилання на коментар Поділитися на інших сайтах More sharing options...
Сергей 31 Опубліковано: 13 вересня 2020 Поділитись Опубліковано: 13 вересня 2020 Эта схема ничего не дает. Она только маленькой своей частью показывает воду. На видео фильтр ВВ20, Вы пишите о повысительный насосе, ГА. Ничего этого на схеме нет. Посилання на коментар Поділитися на інших сайтах More sharing options...
shneider_vova Опубліковано: 13 вересня 2020 Поділитись Опубліковано: 13 вересня 2020 Эта схема ничего не дает. Она только маленькой своей частью показывает воду. На видео фильтр ВВ20, Вы пишите о повысительный насосе, ГА. Ничего этого на схеме нет. все верно. я нарисовал, где включен насос. и написал, где установлен ГА. максимум, что я могу еще сделать - это фото. Собственно, я не прошу пока лечения "по телефону". Меня интересует опыт установки данного насоса другими пользователями/мастерами. Если моя ситуация повторяется в той или иной степени у всех (как минимум у одного потребителя подтверждено), то я просто смирюсь. Если же так не должно быть, то тогда будет этап 2 = поиск решения Посилання на коментар Поділитися на інших сайтах More sharing options...
Vikctor Опубліковано: 13 вересня 2020 Поділитись Опубліковано: 13 вересня 2020 Я говорю о РБ бойлера. Догадался только что провести следственный эксперимент - отключение гидроаккумулятора (краном) убирает выключения (удары) насоса, обратное подключение гидроаккумулятора - возвращаются удары. возможности попробовать отключить обратный клапан на вводе, как ты понимаешь, особо нет - там все паяно, ради эксперимента с непонятным результатом - не хочется. разве что снять всю ветку и непосредственно питание насоса взять от места входа в дом... При включении крана как быстро у тебя включается насос? У меня практически мгновенно. Т.е. можно включить тонюсенькую струйку, чтобы намочить зубную щётку и тут же выключить. Это максимум при котором насос не запустится. Сейчас повторить твой эксперимент не могу - давления нет. Поздно вечером появится. Проверю и вышлю видео. Свой РБ я даже не подкачивал никогда... Но всё равно попробую отрезать его шаровым для чистоты эксперимента. Мой РБ на линии находится на примерно таком же расстоянии от бойлера как и у тебя. Насос физически не может закрыть ОК, установленный раньше него по линии. Он не повышает давление в магистралях до себя, а наоборот создаёт разрежение. Единственное существенное отличие твоей системы ХВС от моей - наличие у тебя редуктора. Насколько я понимаю на указанные тобой типа пугающие звуки он (редуктор) влияния не оказывает. ... Если же так не должно быть, то тогда будет этап 2 = поиск решения В принципе в инструкции данного насоса не указано, что он не нуждается в ГА. Просто обвязки с ГА мне физически не комфортны - давление в смесителе зависит от заполненности данного девайса. А вот указанный насос со встроенным частотным регулированием поддерживает заданное давление. Мне так приятнее с пользовательской точки зрения. Я посчитал просто - гарантия у насоса 5 лет. Стоимость владения им в пределах гарантии порядка 60 ойро/год. Если придётся менять его раз в пять лет, то меня такой расклад вполне устраивает и не заставит смотреть в сторону ГА. Есть другое решение, которое реализовано теперь у меня - накопительная ёмкость. Но она во-первых занимает реально дохрена места в топочной, а во-вторых с обвязкой обошлась примерно как насос... Но вынужден констатировать - насос запитанный из ёмкости работает без вот тех посторонних шумов и гидроударов. 1 Посилання на коментар Поділитися на інших сайтах More sharing options...
shneider_vova Опубліковано: 14 вересня 2020 Поділитись Опубліковано: 14 вересня 2020 Проверил, в ГА давление в груше - 2.8 атм Посилання на коментар Поділитися на інших сайтах More sharing options...
DraVVa Опубліковано: 14 вересня 2020 Поділитись Опубліковано: 14 вересня 2020 Проверил, в ГА давление в груше - 2.8 атмводу зливали ? Посилання на коментар Поділитися на інших сайтах More sharing options...
shneider_vova Опубліковано: 14 вересня 2020 Поділитись Опубліковано: 14 вересня 2020 воду зливали ? с перекрытым вводным краном выливается 2.5 литра (бак 20 литровый), вводное давление текущее - 2 атм Посилання на коментар Поділитися на інших сайтах More sharing options...
DraVVa Опубліковано: 14 вересня 2020 Поділитись Опубліковано: 14 вересня 2020 с перекрытым вводным краном выливается 2.5 литра (бак 20 литровый), вводное давление текущее - 2 атм я мав на увазі перед заміром тиску в ГА Посилання на коментар Поділитися на інших сайтах More sharing options...
shneider_vova Опубліковано: 14 вересня 2020 Поділитись Опубліковано: 14 вересня 2020 я мав на увазі перед заміром тиску в ГА слил. 1.8 атм. 1 Посилання на коментар Поділитися на інших сайтах More sharing options...
Dendnepr Опубліковано: 15 вересня 2020 Поділитись Опубліковано: 15 вересня 2020 Возможно проблеиа в отсутствии накопительной ёмкости перед станцией. 1 Посилання на коментар Поділитися на інших сайтах More sharing options...
shun Опубліковано: 17 вересня 2020 Поділитись Опубліковано: 17 вересня 2020 Все привет, подскажите качественные магистральные фильтры 10", чтобы не развалились. Исходные данные: 5 этаж, 9 этажей всего, давление 1,5-2 бар. Раньше покупал на другую квартиру в 2017 году B912-BK12-PR-BN (blue)) Raifil синий 1/2", нормальный ли он был тогда или нет не знаю, по некоторым данным сейчас продают какие-то подделки под этого производителя. Стоит ли рассматривать их из нержавейки, например Raifil HMS-10B rolfis.com.ua/shop/filtry-dlya-vody/magistralnye-filtry/magistralnyy-filtr-raifil-hms-10b.html или www.ebay.com/itm/Stainless-Steel-Water-Filter-Housing-for-10-L-Cartridges-Hydro-Genics-3-4-NPT/192479927957?_trkparms=aid%3D111001%26algo%3DREC.SEED%26ao%3D1%26asc%3D20160908105057%26meid%3D2a04f72beffb4f62ad7be7c1ccf5626c%26pid%3D100675%26rk%3D1%26rkt%3D15%26mehot%3Dnone%26sd%3D192479927957%26itm%3D192479927957%26pmt%3D1%26noa%3D1%26pg%3D2380057&_trksid=p2380057.c100675.m4236&_trkparms=pageci%3Abc6c2010-f8d0-11ea-bf02-fa45bb14f523%7Cparentrq%3A9b9d1a9a1740aa4734de9f69fffcff8d%7Ciid%3A1 bt.rozetka.com.ua/ua/ustm_wf_hot_ss_10_1_2/p43452624/ Посилання на коментар Поділитися на інших сайтах More sharing options...
Romatr Опубліковано: 21 вересня 2020 Поділитись Опубліковано: 21 вересня 2020 Товарищи, а ну подскажите такой момент, сантехник навязывает монтаж глубинного насос на глубину 57м на полипропилене без армировки, я же считаю зачем делать спайку 4м труб(это дополнительно 14 муфт) , если можно кинуть полиэтиленовые трубы хорошего качества одним куском. Аргументация якобы, что полиэтилен может лопнуть от давления в 5 Атмосфер, которое будет выдавать насос... А как потом в случае чего доставать 57метров полипропилена со скважины? Что скажите? Посилання на коментар Поділитися на інших сайтах More sharing options...
teonit Опубліковано: 21 вересня 2020 Поділитись Опубліковано: 21 вересня 2020 сантехник навязывает монтаж глубинного насос на глубину 57м на полипропилене без армировки, я же считаю зачем делать спайку 4м труб(это дополнительно 14 муфт) , если можно кинуть полиэтиленовые трубы хорошего качества одним куском. Аргументация якобы, что полиэтилен может лопнуть от давления в 5 Атмосфер, которое будет выдавать насос... А если что-то случится с насосом, как вы его планируете доставать на такой "штанге"? У меня насос висит на 35м, подключен ПЭ трубой + подвешен на трос из нержавейки. Если переживаете за давление - купите трубу Unidelta, она до 10атм. Но дорого. Хотя есть и у Планета Пластик на 10атм Посилання на коментар Поділитися на інших сайтах More sharing options...
standov Опубліковано: 21 вересня 2020 Поділитись Опубліковано: 21 вересня 2020 сантехник может пока не поздно ну его, сантеника 1 Посилання на коментар Поділитися на інших сайтах More sharing options...
Romatr Опубліковано: 21 вересня 2020 Поділитись Опубліковано: 21 вересня 2020 сли переживаете за давление - купите трубу Unidelta, она до 10атм. Но дорого. Хотя есть и у Планета Пластик на 10атм Вот и я такого же мнения. Посилання на коментар Поділитися на інших сайтах More sharing options...
Prof.Moriarti Опубліковано: 23 вересня 2020 Поділитись Опубліковано: 23 вересня 2020 Вот и я такого же мнения. У обратно-предохранительного клапана для бойлера Gorenje при нажатии на рычажок сброса вода брызжет из сливного отверстия и из-под этого рычажка. Бойлер стоял сухим четыре года. Клапану капець или это норма? Посилання на коментар Поділитися на інших сайтах More sharing options...
DimaF Опубліковано: 24 вересня 2020 Поділитись Опубліковано: 24 вересня 2020 Вопрос знающими, подскажите плиз. В последнее время, включаю воду, течет тонкая струйка, через 3-4 секунды начинает маслать насос, и струя уже бьет, как из пожарного шланга, забрызгивая все вокруг. Раньше такого не было, момент включения насоса практически не замечал, ГА стоит на 100 литров, а может и больше. Еще во время полива, насос перегревается (наверное) и приходится либо долго, до получас ждать, либо нырять в приямок, чтобы включить повторный пуск. В прошлом году такого не было, дебета вроде хватает. Посилання на коментар Поділитися на інших сайтах More sharing options...
Рекомендовані повідомлення
Створіть акаунт або увійдіть у нього для коментування
Ви маєте бути користувачем, щоб залишити коментар
Створити акаунт
Зареєструйтеся для отримання акаунта. Це просто!
Зареєструвати акаунтУвійти
Вже зареєстровані? Увійдіть тут.
Увійти зараз