Игорь&Ира Опубліковано: 25 листопада 2013 Поділитись Опубліковано: 25 листопада 2013 Щире ДЯКУЮ, автору за звіт по будівництву!!! За 3-ри дні, в 3-ри підходи осилив. Все до дрібниць, чітко, доступно, як в шкільних підручниках з ілюстраціями та порядком виконання. Дякую!!! Це Ви ще не бачили теми Igor_M. 4 Посилання на коментар Поділитися на інших сайтах More sharing options...
Melden Опубліковано: 25 листопада 2013 Поділитись Опубліковано: 25 листопада 2013 Це Ви ще не бачили теми Igor_M. Осилюю тему: "Дом Гашиков"... Автор молодчага!!! -Не так страшен чёрт как его рисуют. Це я про будівництво! Міркував варто чи ні, розпочинати!? Тепер знаю точно, що ВАРТО!!! І чим швидше ти краще. Посилання на коментар Поділитися на інших сайтах More sharing options...
Атомщик Опубліковано: 2 грудня 2013 Поділитись Опубліковано: 2 грудня 2013 Добрый день, подскажите контакты грунта на подсыпку в Белогородке. Спасибо Посилання на коментар Поділитися на інших сайтах More sharing options...
11.11 Опубліковано: 12 грудня 2013 Поділитись Опубліковано: 12 грудня 2013 Ок. Спасибо за попытку растолковать. Или это высшие материи для меня, или вы просто не знаете меня и моего подхода ко всему, что я делаю. Но в любом случае спасибо. Спасибо ВАМ, за труд, все так доступно написано,в фото оформлено. подход ВАШ- замечателен, ВЫ МОЛОДЕЦ, Вашим девочкам повезло .Потолок: балки могут немного давить, уровневый - пылесборник ( у меня такой как но фото,фу) а зоны можно разделить светом, трансформаторы лампочки на 12вт, и экономки, а светлый пол- вроде как увеличивает пространство, и гязепыль видно меньше, хотя верю, ваши девочки такого конечно не допустят:D, еще раз, СПАСИБО:Bravo: 2 Посилання на коментар Поділитися на інших сайтах More sharing options...
Prinyk Опубліковано: 13 грудня 2013 Поділитись Опубліковано: 13 грудня 2013 Для первоочередных работ сделал форму для подрозетников с "правильным" расстоянием 71 мм между соседними отверстиями - очень удобно было использовать и очень быстро шли работы - прикручиваешь шурупом к стене и сверлишь. Все ровненько без косяков. Сделали работу за один день. Использовал такой инструмент. Добрый день, хотел уточнить, вы я так понимаю сверлили коронкой 65мм? как вы крепили подрозетники, если крепили? был на днях у знакомых, они только поставили подрозетники, электрики сверлили 65мм, но когда вставили розетки то хорошо дернуть и все вытягивается брали немного раздалбывали и садили на алебастр так может лучше сразу сверлить коронкой 75мм? Посилання на коментар Поділитися на інших сайтах More sharing options...
alexob Опубліковано: 14 грудня 2013 Автор Поділитись Опубліковано: 14 грудня 2013 Добрый день, хотел уточнить, вы я так понимаю сверлили коронкой 65мм? как вы крепили подрозетники, если крепили? был на днях у знакомых, они только поставили подрозетники, электрики сверлили 65мм, но когда вставили розетки то хорошо дернуть и все вытягивается брали немного раздалбывали и садили на алебастр так может лучше сразу сверлить коронкой 75мм? Нужно будет посмотреть диаметр коронки, но скажу что подрозетники входят с притирочкой и плотненько сидят, хотя вытянуть можно, но нужно потянуть После установки самой начинки, она разожмет подрозетник, я и не думаю что они вытаскиваться будут. Хлотя можно и на алебастр посадить. Посилання на коментар Поділитися на інших сайтах More sharing options...
sergo77 Опубліковано: 17 грудня 2013 Поділитись Опубліковано: 17 грудня 2013 Спасибо за повествование. И удачи в осуществлении всех планов. Честно скажу что как дошел в чтении до электрики очень испугался что тема может прерваться, но слава богу пронесло... Продолжайте в том-же духе!!! Посилання на коментар Поділитися на інших сайтах More sharing options...
11.11 Опубліковано: 17 грудня 2013 Поділитись Опубліковано: 17 грудня 2013 Верно, ванная будет только в детском санузле. Мы так сделали специально. Я лично реально в ванной купался уже не помню когда все под душем. Супруга чаще конечно. Но если нада будет в ванной, то можно и у детей комнату "позычить" :D ну у нас кухня в виде полуострова, так вот чтобы не пустовала обратная сторона этого полуострова, то вот решение - поставить пару стульев и обыграть столешню в виде барной стойки. А почему вы говорите будет мешать друг другу? примеряли-перемеряли, имитировали - вроде все будет нормально и комфортно Вот здесь на плане можно приблизительно прикинуть размеры (как минимум между стойкой и столом 80 см) Здравствуйте, ну как идут дела, не пропадайте пожалуйста, расскажите, а то каждый вечер смотру и пока ничего. Посилання на коментар Поділитися на інших сайтах More sharing options...
Александр_546 Опубліковано: 20 грудня 2013 Поділитись Опубліковано: 20 грудня 2013 Жду с нетерпением продолжения Вашей темы... Сколько Вам стоила металлочерепица и комплектующие на крышу? Посилання на коментар Поділитися на інших сайтах More sharing options...
Zeland Опубліковано: 20 грудня 2013 Поділитись Опубліковано: 20 грудня 2013 Жду с нетерпением продолжения Вашей темы... И я заглядываю и ничего нет(( Посилання на коментар Поділитися на інших сайтах More sharing options...
Катерина Ш Опубліковано: 23 грудня 2013 Поділитись Опубліковано: 23 грудня 2013 И я заглядываю и ничего нет(( И я заглядываю... и жду продолжения Посилання на коментар Поділитися на інших сайтах More sharing options...
alexob Опубліковано: 31 грудня 2013 Автор Поділитись Опубліковано: 31 грудня 2013 Всем привет. Всех с НАСТУПАЮЩИМ Новым Годом. Очень рад что тема вызывает интерес и надеюсь будет чем-то полезна . В последнее время я ничего не писал, было много дел как и по работе, так и по отдыху. Ездил в Карпаты кататься на сноуборде с друзьями и т.п., так сказать сделал для себя небольшой перерывчик Тему не останавливаю и стройку тоже обязательно продолжаю. 10 Посилання на коментар Поділитися на інших сайтах More sharing options...
alexob Опубліковано: 31 грудня 2013 Автор Поділитись Опубліковано: 31 грудня 2013 Всех с НОВЫМ ГОДОМ, ДРУЗЬЯ !!! Желаю Вам всем счастья в Новом году!!! Всем кто строится - переезда в НОВЫЙ ДОМ !!! Всех кто планирует строиться - терпения, силы духа перед таким событием и .... все равно ПЕРЕЕХАТЬ в НОВОМ ГОДУ ! С НОВЫМ ГОДОМ !!! 17 Посилання на коментар Поділитися на інших сайтах More sharing options...
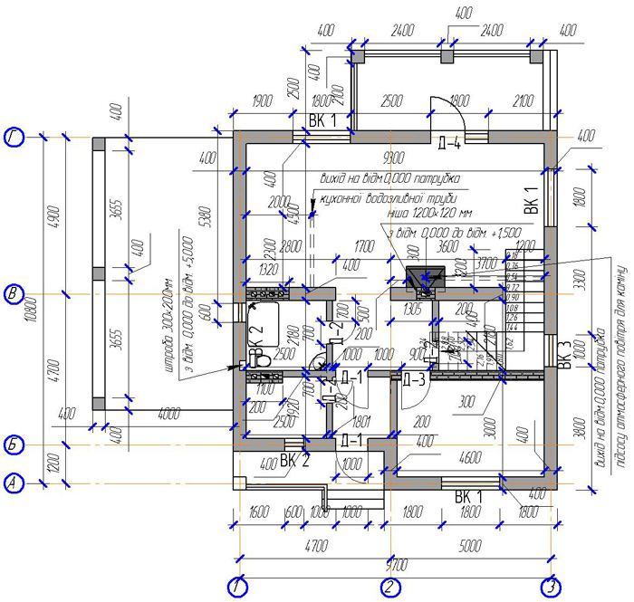
Александр_546 Опубліковано: 8 січня 2014 Поділитись Опубліковано: 8 січня 2014 С Рождеством Вас!!! Выложите, если не сложно план этажей с размерами комнат (ширина и длина) 1 Посилання на коментар Поділитися на інших сайтах More sharing options...
alexob Опубліковано: 9 січня 2014 Автор Поділитись Опубліковано: 9 січня 2014 Выложите, если не сложно план этажей с размерами комнат (ширина и длина) пожалуйста 1-й этаж 2-й этаж 2 Посилання на коментар Поділитися на інших сайтах More sharing options...
11.11 Опубліковано: 9 січня 2014 Поділитись Опубліковано: 9 січня 2014 Всем привет. Всех с НАСТУПАЮЩИМ Новым Годом. Очень рад что тема вызывает интерес и надеюсь будет чем-то полезна . В последнее время я ничего не писал, было много дел как и по работе, так и по отдыху. Ездил в Карпаты кататься на сноуборде с друзьями и т.п., так сказать сделал для себя небольшой перерывчик Тему не останавливаю и стройку тоже обязательно продолжаю. спасибо! и Вас с Новым Годом и исполнения желаний! Посилання на коментар Поділитися на інших сайтах More sharing options...
Популярне повідомлення alexob Опубліковано: 9 лютого 2014 Автор Популярне повідомлення Поділитись Опубліковано: 9 лютого 2014 (змінено) Периодически в личку приходят сообщения с просьбой указать затраты на дом. Прекрасно понимаю, т.к. сам когда-то задавался тем же вопросом, да я и обещал, что дам эту статистику в теме. Приведу пока что информацию именно на "коробку" в моем понимании: фундамент, стены, перестенки, перекрытие, утепленная крыша, окна, двери. Другие работы, которые уже были сделаны - не относятся к коробке, и информацию по ним, я приведу позже, когда эти этапы будут завершены. Старался экономить, деньгами сильно не разбрасывался, получилось то, что получилось. Итак затраты поэтапно: Теперь затраты по основным материалам: Ну и еще несколько цифр, для общего понимания. Количество поездок на стройку: 175 (ездил практически каждый день, начиная с мая 2013 года) Затраты на бензин: 8453 грн. Затраты на инструменты: 12233 грн. - во время стройки пополнил свою, пока что виртуальную, мастерскую множеством различных инструментов. Затраты на доставку материалов: 8970 грн. Общая площадь дома: 165 м2 Жилая площадь дома: 86 м2 Площадь кровли: 252 м2 Стоимость м2 "коробки" (по курсу что строил 8,1): $307 за м2 Надеюсь эта информация будет полезной. Змінено 9 лютого 2014 користувачем alexob 65 Посилання на коментар Поділитися на інших сайтах More sharing options...
mitchik Опубліковано: 9 лютого 2014 Поділитись Опубліковано: 9 лютого 2014 Спасибо за детализацию! Когда глянул на диаграмму затрат по коробке и увидел "Другие затраты" в 35% с содроганием вспомнил крик одного своего заказчика (писал ему прогу учета наподобие 1С) в давние времена: "Детализируй всё! Я не хочу видеть в статье расходов слово "Прочее" никогда! У меня туда больше всего денег списывается и я никогда потом концов найти не могу!" Прав был курилка.... Посилання на коментар Поділитися на інших сайтах More sharing options...
alexob Опубліковано: 9 лютого 2014 Автор Поділитись Опубліковано: 9 лютого 2014 Когда глянул на диаграмму затрат по коробке и увидел "Другие затраты" в 35% с содроганием вспомнил крик одного своего заказчика (писал ему прогу учета наподобие 1С) в давние времена: "Детализируй всё! Я не хочу видеть в статье расходов слово "Прочее" никогда! У меня туда больше всего денег списывается и я никогда потом концов найти не могу!" Могу все есть, вплоть до гвоздей, перчаток, и т.п. Просто там реально очень большой список, мелких покупок, мелких работ, мелких материалов и т.п. Но все вместе - это 35% - во круть ! Посилання на коментар Поділитися на інших сайтах More sharing options...
Prinyk Опубліковано: 9 лютого 2014 Поділитись Опубліковано: 9 лютого 2014 Могу все есть, вплоть до гвоздей, перчаток, и т.п. Просто там реально очень большой список, мелких покупок, мелких работ, мелких материалов и т.п. Но все вместе - это 35% - во круть ! Это круть и это кайф строить дом, затраты то пустяк, зато потом буууууууууууууудет, пусть кто не говорит что проще квартира, но кому проще, а кому там жить то не охота :D. Чем alexob сейчас занимаетесь, стройка ждет весны, или...? Посилання на коментар Поділитися на інших сайтах More sharing options...
alexob Опубліковано: 9 лютого 2014 Автор Поділитись Опубліковано: 9 лютого 2014 Чем alexob сейчас занимаетесь, стройка ждет весны, или...? Собираюсь с силами и морально и физически и финансово и как только "плюс" на улице, начну со штукатурки. Но а на самом деле я все это время прорабатывал проект канализации, отопления, котельной, делал закупки разные. Вот к примеру на днях купил котел, бойлер, блок управления и т.п. от Vaillant - пакетное предложение. Я подымал тему по отоплению моего дома "Дом 170 м2. Одноконтурный или двухконтурный котел?". Сергей_84 помог с покупкой, за что ему респект и большое спасибо Пакет состоит из: 1. Конденсационный котел Vaillant ecoTEC plus VU OE 246 /3-5 H 2. Бойлер VIH R 150/5 (150 литровый) 3. СalorMATIC 470 (автоматический регулятор отопления для котлов с шиной ebus) 4. Датчик водонагревателя 5. Группа безопасности на давление до 10бар для водонагревателей до 200л. 6. Комплект для горизонтального прохода через стену 60/100 РР (конд.) 2 Посилання на коментар Поділитися на інших сайтах More sharing options...
vodinoy Опубліковано: 9 лютого 2014 Поділитись Опубліковано: 9 лютого 2014 А по очистке ничего пока не планируете? Посилання на коментар Поділитися на інших сайтах More sharing options...
Сергей_84 Опубліковано: 9 лютого 2014 Поділитись Опубліковано: 9 лютого 2014 . Вот к примеру на днях купил котел, бойлер, блок управления и т.п. от Vaillant - пакетное предложение. Вы не представляете какой вы везунчик, в этот день НБУ преподнес всей стране сюрприз и отпустил официальный курс в свободное плавание, этот пакет подорожал на 1500 грн. Так что поздравляю с удачной покупкой и главное вовремя... 1 Посилання на коментар Поділитися на інших сайтах More sharing options...
alexob Опубліковано: 9 лютого 2014 Автор Поділитись Опубліковано: 9 лютого 2014 Вы не представляете какой вы везунчик, в этот день НБУ преподнес всей стране сюрприз и отпустил официальный курс в свободное плавание Да это точно как сейчас помню бакс по НБУ на 8,7 а евро на 11,75. Посилання на коментар Поділитися на інших сайтах More sharing options...
Сергей_84 Опубліковано: 9 лютого 2014 Поділитись Опубліковано: 9 лютого 2014 Да это точно как сейчас помню бакс по НБУ на 8,7 а евро на 11,75. Для тех, кто не понял в чем прикол. У вайланта курс не рыночный а НБУ+2,2%. И когда рыночный убежал на 12,3, то Вайлантовский держался 11,1.... а потом сразу на 12... Судя по всему больше таких подарков не будет. В обычное время курс Вайланта был больше рыночного.. 1 Посилання на коментар Поділитися на інших сайтах More sharing options...
Рекомендовані повідомлення
Створіть акаунт або увійдіть у нього для коментування
Ви маєте бути користувачем, щоб залишити коментар
Створити акаунт
Зареєструйтеся для отримання акаунта. Це просто!
Зареєструвати акаунтУвійти
Вже зареєстровані? Увійдіть тут.
Увійти зараз