IEC 60364 Опубліковано: 1 грудня 2013 Поділитись Опубліковано: 1 грудня 2013 что же выбрать? АВВ самые дорогие. Из остальных выбирайте по цвету надписей на корпусе или под щиток - сначала выбираете дизайн щитка, затем автоматику, каковая по своим габаритным размерам (они разные) может устанавливаться в этот щиток. Естественно покупайте у официальных дилеров, не на рынке (да и магазины под сомнением) Посилання на коментар Поділитися на інших сайтах More sharing options...
Darkdwarf Опубліковано: 2 грудня 2013 Поділитись Опубліковано: 2 грудня 2013 Собираю щиток на Хагере. потискав их продукцию - остался очень доволен. Особенно порадовал щиток серии Вольта))))) на него можно даже зеркальную дверь повесить, задекорировав его таким образом)))) могу в личку сбросить контакты отвественного менеджера - все мои дурацкие забаганки были выполнены в оговоренный срок и по приятным ценам))))) 3 Посилання на коментар Поділитися на інших сайтах More sharing options...
Hopira Опубліковано: 2 грудня 2013 Автор Поділитись Опубліковано: 2 грудня 2013 Можно ли в одном полюсе автомата зажимать две жилы разных кабелей с разным сечением, например 6 мм2 и 2.5 мм2? Посмотрела как сделано у меня в щитке на столбе, там это реализованно, но там провод многожильный и одного сечения. Добавлено через 1 минуту Собираю щиток на Хагере. потискав их продукцию - остался очень доволен. Особенно порадовал щиток серии Вольта))))) на него можно даже зеркальную дверь повесить, задекорировав его таким образом)))) У меня тоже щитки этой серии 2х36 и 1х48. Наверное у вас как и у меня больше опыта нет никакого потому и нравится, хотя шарманьшик не в восторге от них. 1 Посилання на коментар Поділитися на інших сайтах More sharing options...
Energon Опубліковано: 2 грудня 2013 Поділитись Опубліковано: 2 грудня 2013 Можно ли в одном полюсе автомата зажимать две жилы разных кабелей с разным сечением, например 6 мм2 и 2.5 мм2? НЕТ.фигня получается, можно зажимать только одинаковые сечения. 1 Посилання на коментар Поділитися на інших сайтах More sharing options...
Darkdwarf Опубліковано: 2 грудня 2013 Поділитись Опубліковано: 2 грудня 2013 а зачем Вам на один полюс автомата два разных провода? Запитывайте серию автоматов через клемник. У хагера есть и фазные клемы, в первый АВ провод от клмника - а остальные - через шину вилочную 1 Посилання на коментар Поділитися на інших сайтах More sharing options...
Hopira Опубліковано: 2 грудня 2013 Автор Поділитись Опубліковано: 2 грудня 2013 а зачем Вам на один полюс автомата два разных провода? Запитывайте серию автоматов через клемник. У хагера есть и фазные клемы, в первый АВ провод от клмника - а остальные - через шину вилочную А покажите картинку или ссылку на этот клемник , пожалуйста! Посилання на коментар Поділитися на інших сайтах More sharing options...
sov1178 Опубліковано: 2 грудня 2013 Поділитись Опубліковано: 2 грудня 2013 А покажите картинку или ссылку на этот клемник , пожалуйста! Я ж Вам уже показывал здесь: www.stroimdom.com.ua/forum/showpost.php?p=2582355&postcount=38 1 Посилання на коментар Поділитися на інших сайтах More sharing options...
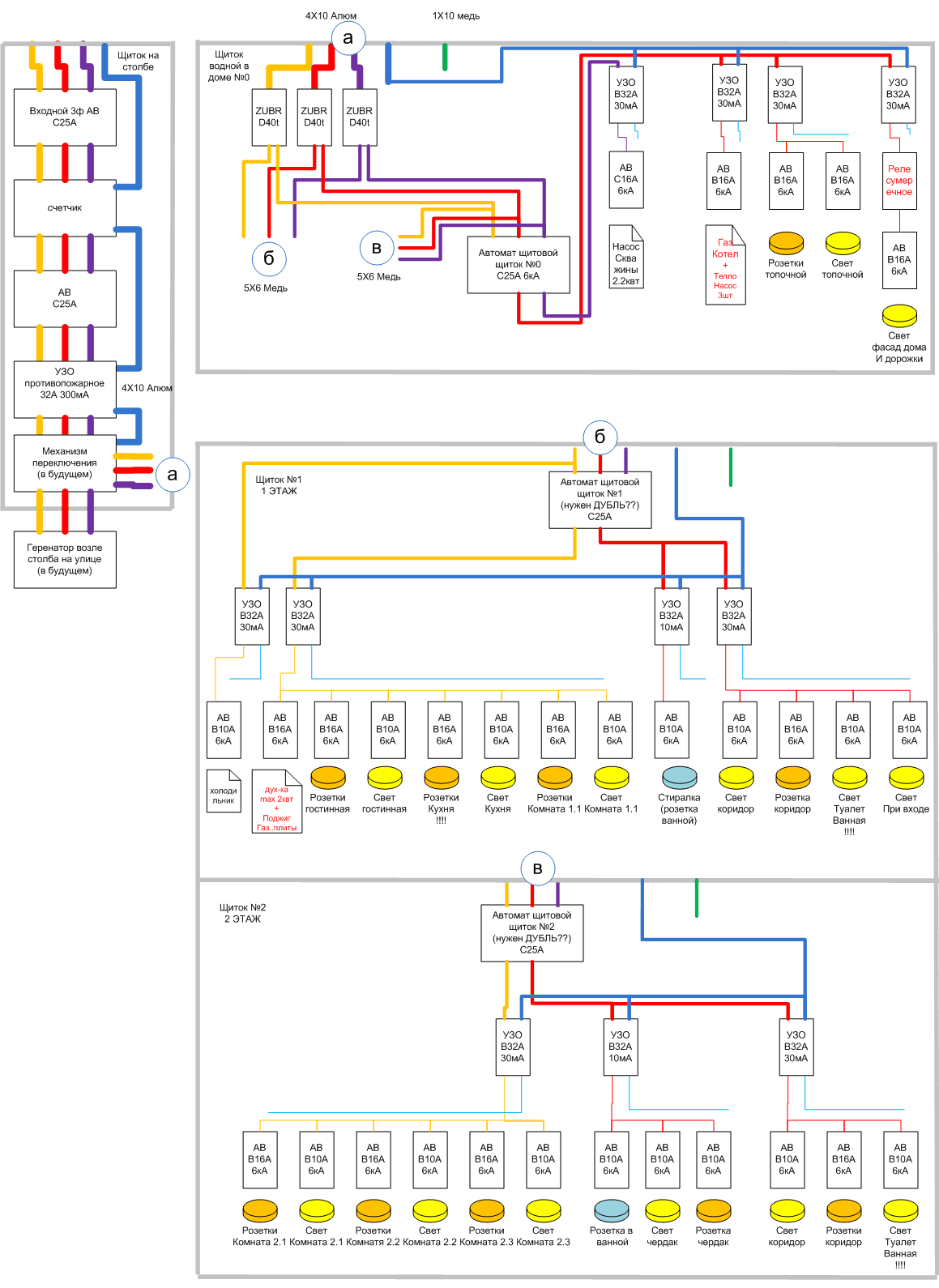
Hopira Опубліковано: 2 грудня 2013 Автор Поділитись Опубліковано: 2 грудня 2013 (змінено) Ну не могу я избавиться от мысли как все сделать грамотно и без лишних избыточных связей и модулей. Вашему вниманию новая схема, без дублирующих автоматов в щитке номер 0. Кстати, решила заменить диф.автоматы на УЗО + Автомат (место в щитке позволяет). Помоему так надежней и найти проблему будет легче. И еще возник очередной вопрос по поводу проводов и полюса автоматов\дифов и тд. Можно ли в один полюс прикручивать 2, 3 и тд, проводов одного сечения? На сколько я понимаю, можно, на ширину самого полюса. Т.е. основное требование это обеспечить плотное зажимание всех проводов в полюсе? Есть ли какие-то нормы регламентирующие подобное решение? Змінено 2 грудня 2013 користувачем Hopira Посилання на коментар Поділитися на інших сайтах More sharing options...
Hopira Опубліковано: 2 грудня 2013 Автор Поділитись Опубліковано: 2 грудня 2013 Хочу перед зубрами поставить 3ф автомат, но тогда получается в щитке на улице он лишний. Поправьте, если я не права. Еще одна причина почему решили избавиться от дублирующих автоматов - это то, что при отключении одного на любом из этажей, отключится, по логике, и тот что в щитке номер 0, так как они одного номинала, и по идее в щитке который на улице. Кстати, может в щитке номер1 и в щитке номер2 поставить 16А 3ф автоматы? Профессионалы, важно не запутаться дальше. Или я все усложняю там, где не надо? Добавлено через 3 минуты Я ж Вам уже показывал здесь: www.stroimdom.com.ua/forum/showpost.php?p=2582355&postcount=38 У нас вот такие Добавлено через 11 минут Еще одна причина почему решила избавиться от дублирующих автоматов - это то что при отключении одного на любом из этажей, отключится, по логике, и тот что в щитке номер 0, так как они одного номинала, и по идее в щитке который на улице. Кстати, может в щитке номер1 и в щитке номер2 поставить 16А 3ф автоматы? Наверное это тоже не правильно. Так как при выбивании любого "конечного" автомата 16А, под нагрузкой, будет сразу выбивать 3х фазный. Блин. Где выход?) Добавлено через 12 минут И еще возник очередной вопрос по поводу проводов и полюса автоматов\дифов и тд. Можно ли в один полюс прикручивать 2, 3 и тд, проводов одного сечения? На сколько я понимаю, можно, на ширину самого полюса. Т.е. основное требование это обеспечить плотное зажимание всех проводов в полюсе? Есть ли какие-то нормы регламентирующие подобное решение? Объясню почему возник такой вопрос. Все дело в эстетике. Вот мне надо кабель от щитка 0 провести в щиток 1 и щиток 2. Если в полюс можно засовывать только по 2 провода, тогда получается та схема что выше, один провод идет в 3ф автомат щитка 0, второй в автомат щитка 1 (на 1 этаже). А в щиток 2, на втором этаже провод идет уже от автомата шитка 0. В идеале, и истетично, что бы все три, шли от зубра. Тогда схема была бы прозрачней. Но не уверена что нет ограничений. По логике, повторюсь, все в норме, а на практике может быть совсем по другому. Посилання на коментар Поділитися на інших сайтах More sharing options...
Igor_M Опубліковано: 2 грудня 2013 Поділитись Опубліковано: 2 грудня 2013 Поправьте, если я не права. Профессионалы, важно не запутаться дальше. Или я все усложняю там, где не надо? Наверное это тоже не правильно. Блин. Где выход?) Все дело в эстетике. Но не уверена что нет ограничений. По логике, повторюсь, все в норме, а на практике может быть совсем по другому. Вы уверены, что точно САМИ будете собирать щитки? Что это за кабель у вас на вводе 5х6 медь? И куда пропала "фиолетовая" фаза в щитках 1 и 2? Или у вас от этой фазы ТОЛЬКО насос будет запитан? И как-то вы смело ставите-убираете компоненты в щитке на столбе? Он у вас что - не опломбирован? Вы уверены, что РЭС туда разрешит и с подключением генератора втиснуться? Посилання на коментар Поділитися на інших сайтах More sharing options...
Hopira Опубліковано: 2 грудня 2013 Автор Поділитись Опубліковано: 2 грудня 2013 Вы уверены, что точно САМИ будете собирать щитки? Да! Что это за кабель у вас на вводе 5х6 медь? 4х16 Аллюминий И куда пропала "фиолетовая" фаза в щитках 1 и 2? Или у вас от этой фазы ТОЛЬКО насос будет запитан? Пока считаю так логичней всего. И как-то вы смело ставите-убираете компоненты в щитке на столбе? Он у вас что - не опломбирован? Вы уверены, что РЭС туда разрешит и с подключением генератора втиснуться? Опломбированны только воодной автомат и счетчик! Не вижу причин почему туда нельзя лезнь не трогая описанное выше! Посилання на коментар Поділитися на інших сайтах More sharing options...
Hopira Опубліковано: 3 грудня 2013 Автор Поділитись Опубліковано: 3 грудня 2013 Все мои вопросы без ответов. :Bravo::Bravo: Хелп!!!:rolleyes::rolleyes::rolleyes: Посилання на коментар Поділитися на інших сайтах More sharing options...
Igor_M Опубліковано: 3 грудня 2013 Поділитись Опубліковано: 3 грудня 2013 Все мои вопросы без ответов. :Bravo::Bravo: Хелп!!!:rolleyes::rolleyes::rolleyes: Я бы с удовольствием помог, но право не знаю чем... ...да и смогу ли... Наверное оптимальным было бы задавать по 3-4 вопроса... ...и двигаться дальше ТОЛЬКО после полного их прояснения... 1 Посилання на коментар Поділитися на інших сайтах More sharing options...
Energon Опубліковано: 3 грудня 2013 Поділитись Опубліковано: 3 грудня 2013 Щиток уличный. Вводной автомат-счетчик-УЗО - больше ничего, чем там меньше всего тем лучше сохраняются нервы при общении с работниками РЕС:D Щит вводной в доме нулевой Зубр(3 штуки), перекидной трехфазный рубильник, сюда же вывод от генератора, тут же 3штуки автомата 3ф от них идут линии внутри щит 0, и к щитам б и в Щит б - на входе ставим РУБИЛЬНИК, можно поставить индикатор трехфазный, и дальше пошла разводка внутри щита. 1. свет и стиралка в ванной ставим под одно узо(типа будет влажное помещение) 2. маловато розеток на кухню, можно вынести их под одно узо и одно узо на жилые помещения. Можно весь свет поставить под одно УЗО и написать свет там жилых помещений. Щит в 1. так же рубильник, по желанию индикаторы.Так же ванную комнату свет и розетки под одно узо 10мА, и также свет чердака и розетка выносим под отдельное узо 10мА, ставим розетки под жилые помещения под одно УЗО и с светом также поступаем под отдельное узо. по правилам свет можно вынести из под УЗО, там оно не обязательное. Но в ванне лучше таки перестраховаться)) Ну думаю на подсветку дома, правильно было б выделить свой маленький щиточек - что бы там влезла автоматика, таймера и прочее. Иногда там ставят розетки для питания всяких там електрокосилок и прочих инструментов. Глянул бегло просто на схемку, ну вроде как вам должно хватить. у вас же вводной автомат 25А и меняться он не будет на больший ампераж, тому в кабеле 5*6 потребность отпадает, вполне можно обойтись 5*4 1 Посилання на коментар Поділитися на інших сайтах More sharing options...
Hopira Опубліковано: 3 грудня 2013 Автор Поділитись Опубліковано: 3 грудня 2013 (змінено) От дома у меня выведено 3х 3x2.5. Один из них идет для света на улице, два других резервные. Но мы с мужем, по-моему, очень ошиблись и этого не будет хватать для генератора. Поэтому единственное место, где можно подключить генератор в будущем это щиток, ну или повесить щиток под щиток . Но я очень сомневаюсь что кому-то из РЭСа нужен мой щиток. Змінено 3 грудня 2013 користувачем Hopira Посилання на коментар Поділитися на інших сайтах More sharing options...
Energon Опубліковано: 3 грудня 2013 Поділитись Опубліковано: 3 грудня 2013 помоему, очень ошиблись и этого не будет хватать вы не обижайтесь конечно, но вот поэтому вам и тяжело очень что то предложить по схемам. Щиток это такая штука которая проектируется первым делом, если есть конечно же четкий план и понимания что вам нужно. а так вы заганяете в жесткие рамки, вам что то предлагают а вы отвечаете что так не получиться потому что уже все прокинуто)) да и сами вы от того путаетесь в ответах и понимании происходящего. Посилання на коментар Поділитися на інших сайтах More sharing options...
Hopira Опубліковано: 3 грудня 2013 Автор Поділитись Опубліковано: 3 грудня 2013 (змінено) Вводной автомат-счетчик-УЗО - больше ничего, чем там меньше всего тем лучше сохраняются нервы при общении с работниками РЕС Ок. Если так можно я только за. Хотя они сделали все хорошо, от вводного автомата и счетчика, еще 2 трехфазных автомата стоят параллельно + 1 автомат (фаза) на розетку. Которая там же стоит. Я думаю это лишнее, поэтому действительно оставлю только запломбированный трехфазный автомат + счетчик + противопожарное узо. Возможно в будущем доставлю автомат для ворот. Зубр(3 штуки), перекидной трехфазный рубильник, сюда же вывод от генератора, тут же 3 штуки автомата 3ф от них идут линии внутри щит 0, и к щитам б и в Я надеялась что от этих дублей можно было избавится, до сих пор не понимаю их назначения, мне кажется схема хоть становится немного понятней, но в тоже время немного избыточной. Тогда еще раз спрошу здесь - если выбивает 3ф автомат в щитке №1 на 1 этаже, по идее выбьет этот же автомат и в щитке №0 - а это дополнительные неудобства по включению. Или я ошибаюсь? Щит б - на входе ставим РУБИЛЬНИК, можно поставить индикатор трехфазный, и дальше пошла разводка внутри щита. рубильник это автомат? Тогда что это за рубильник?) перекидной трехфазный рубильник, индикатор трехфазный это он? те к нему подводится 3фазы и земля и все? 1. свет и стиралка в ванной ставим под одно узо(типа будет влажное помещение) Мысль ясна, может проще узо на 30мА заменить на 10мА (то что отвечает за свет в ванной, коридоре, и розетку в коридоре?) 2. маловато розеток на кухню, можно вынести их под одно узо и одно узо на жилые помещения. Можно весь свет поставить под одно УЗО и написать свет там жилых помещений. У меня кол-во розеток на схеме не отображено... Задумалась... Я не хочу что бы в отдельном помещении было две фазы (розетки и свет)! Вроде бы не рекомендуют, но в случае пропадании одной, в коридоре первая фаза, свет будет, а в комнатах нет и наоборот. Змінено 3 грудня 2013 користувачем Hopira Посилання на коментар Поділитися на інших сайтах More sharing options...
Energon Опубліковано: 3 грудня 2013 Поділитись Опубліковано: 3 грудня 2013 рублильник это автомат? нет это рубильник))SBN332вот он у Хагера - он нужен, для того чтобы колупаться в щитках и не бегать отключать в щит 1 те к нему подводится 3фазы и земля и все? ага а это дополнительные неудобства по включению ну вам же там выше ответили, что добиться селективности в доме, квартире будет тяжело, у вас будет как бы сказать многоступенчатость(подстраховка) 1 Посилання на коментар Поділитися на інших сайтах More sharing options...
Hopira Опубліковано: 3 грудня 2013 Автор Поділитись Опубліковано: 3 грудня 2013 (змінено) Energon, Вы уж простите мое занудство и непонимание Просто для меня это все мегасложно, но разобраться надо!;) Добавлено через 6 минут SBN332 наверное все же SVN332. А разве автомат не может выполнить эту функцию? Или здесь напор на то, что каждая фаза отдельно может вырубаться? Тогда не проще ли 3 однофазных автомата? Блин. Чем больше я понимаю, тем больше я понимаю, что ничего не понимаю!!! Зато теперь я понимаю, что работа электрика это творческая работа. Жду не дождусь когда начнем собирать щиток. Змінено 3 грудня 2013 користувачем Hopira Посилання на коментар Поділитися на інших сайтах More sharing options...
Igor_M Опубліковано: 3 грудня 2013 Поділитись Опубліковано: 3 грудня 2013 нет это рубильник))SBN332вот он у Хагера - он нужен, для того чтобы колупаться в щитках и не бегать отключать в щит 1 Может тогда уж лучше SB425 (hager-shop.com.ua/c80_94-Rubilniki_I-0/p1425042153-Viklyuchatel_nagruzki_I-0_400V-25A_4-polyusniy_2m_SB425)? Чтоб разом и "ноль" отрубать... мало ли что... И почему вы предлагаете рубильник на 32А а не на 25? Посилання на коментар Поділитися на інших сайтах More sharing options...
Energon Опубліковано: 4 грудня 2013 Поділитись Опубліковано: 4 грудня 2013 Чтоб разом и "ноль" отрубать. можно рубильник на 32А а не на 25? так там же одна цена, взял з запасом. контактные ножи мощнее. Посилання на коментар Поділитися на інших сайтах More sharing options...
Hopira Опубліковано: 4 грудня 2013 Автор Поділитись Опубліковано: 4 грудня 2013 Но все же интересно, чем автомат хуже рубильника? Посилання на коментар Поділитися на інших сайтах More sharing options...
Basilco Опубліковано: 4 грудня 2013 Поділитись Опубліковано: 4 грудня 2013 Цитата: Сообщение от Igor_M И куда пропала "фиолетовая" фаза в щитках 1 и 2? Или у вас от этой фазы ТОЛЬКО насос будет запитан? Пока считаю так логичней всего. Основной задачей проектирования домашнего щитка является равномерное распределение нагрузки по фазам. В идеале, электроустановка Вашего дома должна работать как сосредоточенная трехфазная нагрузка Посилання на коментар Поділитися на інших сайтах More sharing options...
IEC 60364 Опубліковано: 4 грудня 2013 Поділитись Опубліковано: 4 грудня 2013 Основной задачей проектирования домашнего щитка является равномерное распределение нагрузки по фазам. В идеале, электроустановка Вашего дома должна работать как сосредоточенная трехфазная нагрузка Это, мягко говоря, набор слов, не имеющий отношения к защите и коммутации. Посилання на коментар Поділитися на інших сайтах More sharing options...
Basilco Опубліковано: 4 грудня 2013 Поділитись Опубліковано: 4 грудня 2013 Прямого отношения не имеет, но, считаю, что сначала нужно грамотно распределить нагрузку по потребителям а потом думать об их защите и коммутации. Посилання на коментар Поділитися на інших сайтах More sharing options...
Рекомендовані повідомлення
Створіть акаунт або увійдіть у нього для коментування
Ви маєте бути користувачем, щоб залишити коментар
Створити акаунт
Зареєструйтеся для отримання акаунта. Це просто!
Зареєструвати акаунтУвійти
Вже зареєстровані? Увійдіть тут.
Увійти зараз