Перейти до публікації
Пошук в
  • Додатково...
Шукати результати, які містять...
Шукати результати в...

режим отопления "ночной тариф" с погодозависимостью по прогнозу погоды

fim

Рекомендовані повідомлення

вот такая формализация пока в эл.таблице

сделал скрипт

выводом промежуточных и конечных результатов выглядит так

 

day = 2017-04-12
avg_sinoptik = 7.625
n = 102, L = 50.45, delta(δ) = 8.294, A = 1147.789, k = 0.176, восход 5.322, закат 18.678, д-ть 13.356 

groug = 0, as_wall = 0, angle_wall = 90, S_windows = 1.26
h = -6, h_s = 6, IC = 16.263, IC_sinoptik = 16.263, IC_s_w = 8.197, IBC = 0, IDC = 11.366, IRC = 4.897
h = -5, h_s = 6, IC = 51.516, IC_sinoptik = 51.516, IC_s_w = 25.964, IBC = 0, IDC = 29.118, IRC = 22.398
h = -4, h_s = 9, IC = 76.298, IC_sinoptik = 76.298, IC_s_w = 38.454, IBC = 0, IDC = 36.601, IRC = 39.697
h = -3, h_s = 9, IC = 94.97, IC_sinoptik = 94.97, IC_s_w = 47.865, IBC = 0, IDC = 40.32, IRC = 54.65
h = -2, h_s = 9, IC = 108.45, IC_sinoptik = 108.45, IC_s_w = 54.659, IBC = 0, IDC = 42.31, IRC = 66.14
h = -1, h_s = 12, IC = 116.678, IC_sinoptik = 105.01, IC_s_w = 52.925, IBC = 0, IDC = 43.313, IRC = 73.365
h = 0, h_s = 12, IC = 119.451, IC_sinoptik = 107.506, IC_s_w = 54.183, IBC = 0, IDC = 43.621, IRC = 75.83
h = 1, h_s = 12, IC = 116.678, IC_sinoptik = 105.01, IC_s_w = 52.925, IBC = 0, IDC = 43.313, IRC = 73.365
h = 2, h_s = 15, IC = 108.45, IC_sinoptik = 75.915, IC_s_w = 38.261, IBC = 0, IDC = 42.31, IRC = 66.14
h = 3, h_s = 15, IC = 94.97, IC_sinoptik = 66.479, IC_s_w = 33.505, IBC = 0, IDC = 40.32, IRC = 54.65
h = 4, h_s = 15, IC = 76.298, IC_sinoptik = 53.409, IC_s_w = 26.918, IBC = 0, IDC = 36.601, IRC = 39.697
h = 5, h_s = 18, IC = 51.516, IC_sinoptik = 41.213, IC_s_w = 20.771, IBC = 0, IDC = 29.118, IRC = 22.398
h = 6, h_s = 18, IC = 16.263, IC_sinoptik = 13.01, IC_s_w = 6.557, IBC = 0, IDC = 11.366, IRC = 4.897
summ_IC = 1047.801, summ_IC_sinoptik = 915.049, summ_IC_s_w = 461.184

groug = 1, as_wall = 0, angle_wall = 30, S_windows = 0.43
h = -6, h_s = 6, IC = 33.753, IC_sinoptik = 33.753, IC_s_w = 5.806, IBC = 11.888, IDC = 21.209, IRC = 0.656
h = -5, h_s = 6, IC = 168.966, IC_sinoptik = 168.966, IC_s_w = 29.062, IBC = 111.631, IDC = 54.334, IRC = 3.001
h = -4, h_s = 9, IC = 244.011, IC_sinoptik = 244.011, IC_s_w = 41.97, IBC = 170.395, IDC = 68.298, IRC = 5.318
h = -3, h_s = 9, IC = 298.718, IC_sinoptik = 298.718, IC_s_w = 51.379, IBC = 216.158, IDC = 75.238, IRC = 7.322
h = -2, h_s = 9, IC = 337.549, IC_sinoptik = 337.549, IC_s_w = 58.058, IBC = 249.736, IDC = 78.952, IRC = 8.861
h = -1, h_s = 12, IC = 361.051, IC_sinoptik = 324.946, IC_s_w = 55.891, IBC = 270.398, IDC = 80.824, IRC = 9.829
h = 0, h_s = 12, IC = 368.94, IC_sinoptik = 332.046, IC_s_w = 57.112, IBC = 277.383, IDC = 81.398, IRC = 10.159
h = 1, h_s = 12, IC = 361.051, IC_sinoptik = 324.946, IC_s_w = 55.891, IBC = 270.398, IDC = 80.824, IRC = 9.829
h = 2, h_s = 15, IC = 337.549, IC_sinoptik = 236.284, IC_s_w = 40.641, IBC = 249.736, IDC = 78.952, IRC = 8.861
h = 3, h_s = 15, IC = 298.718, IC_sinoptik = 209.103, IC_s_w = 35.966, IBC = 216.158, IDC = 75.238, IRC = 7.322
h = 4, h_s = 15, IC = 244.011, IC_sinoptik = 170.808, IC_s_w = 29.379, IBC = 170.395, IDC = 68.298, IRC = 5.318
h = 5, h_s = 18, IC = 168.966, IC_sinoptik = 135.173, IC_s_w = 23.25, IBC = 111.631, IDC = 54.334, IRC = 3.001
h = 6, h_s = 18, IC = 33.753, IC_sinoptik = 27.002, IC_s_w = 4.644, IBC = 11.888, IDC = 21.209, IRC = 0.656
summ_IC = 3257.036, summ_IC_sinoptik = 2843.305, summ_IC_s_w = 489.049

groug = 2, as_wall = 90, angle_wall = 90, S_windows = 2.66
h = -6, h_s = 6, IC = 16.263, IC_sinoptik = 16.263, IC_s_w = 17.304, IBC = 0, IDC = 11.366, IRC = 4.897
h = -5, h_s = 6, IC = 51.516, IC_sinoptik = 51.516, IC_s_w = 54.813, IBC = 0, IDC = 29.118, IRC = 22.398
h = -4, h_s = 9, IC = 76.298, IC_sinoptik = 76.298, IC_s_w = 81.181, IBC = 0, IDC = 36.601, IRC = 39.697
h = -3, h_s = 9, IC = 94.97, IC_sinoptik = 94.97, IC_s_w = 101.048, IBC = 0, IDC = 40.32, IRC = 54.65
h = -2, h_s = 9, IC = 108.45, IC_sinoptik = 108.45, IC_s_w = 115.391, IBC = 0, IDC = 42.31, IRC = 66.14
h = -1, h_s = 12, IC = 116.678, IC_sinoptik = 105.01, IC_s_w = 111.731, IBC = 0, IDC = 43.313, IRC = 73.365
h = 0, h_s = 12, IC = 119.451, IC_sinoptik = 107.506, IC_s_w = 114.386, IBC = 0, IDC = 43.621, IRC = 75.83
h = 1, h_s = 12, IC = 346.88, IC_sinoptik = 312.192, IC_s_w = 332.172, IBC = 230.202, IDC = 43.313, IRC = 73.365
h = 2, h_s = 15, IC = 542.868, IC_sinoptik = 380.008, IC_s_w = 404.329, IBC = 434.418, IDC = 42.31, IRC = 66.14
h = 3, h_s = 15, IC = 680.429, IC_sinoptik = 476.3, IC_s_w = 506.783, IBC = 585.459, IDC = 40.32, IRC = 54.65
h = 4, h_s = 15, IC = 727.199, IC_sinoptik = 509.039, IC_s_w = 541.617, IBC = 650.901, IDC = 36.601, IRC = 39.697
h = 5, h_s = 18, IC = 629.067, IC_sinoptik = 503.254, IC_s_w = 535.462, IBC = 577.551, IDC = 29.118, IRC = 22.398
h = 6, h_s = 18, IC = 249.663, IC_sinoptik = 199.73, IC_s_w = 212.513, IBC = 233.4, IDC = 11.366, IRC = 4.897
summ_IC = 3759.732, summ_IC_sinoptik = 2940.536, summ_IC_s_w = 3128.73

groug = 3, as_wall = 180, angle_wall = 90, S_windows = 0.95
h = -6, h_s = 6, IC = 37.928, IC_sinoptik = 37.928, IC_s_w = 14.413, IBC = 21.665, IDC = 11.366, IRC = 4.897
h = -5, h_s = 6, IC = 115.341, IC_sinoptik = 115.341, IC_s_w = 43.83, IBC = 63.825, IDC = 29.118, IRC = 22.398
h = -4, h_s = 9, IC = 296.298, IC_sinoptik = 296.298, IC_s_w = 112.593, IBC = 220, IDC = 36.601, IRC = 39.697
h = -3, h_s = 9, IC = 469.545, IC_sinoptik = 469.545, IC_s_w = 178.427, IBC = 374.575, IDC = 40.32, IRC = 54.65
h = -2, h_s = 9, IC = 607.98, IC_sinoptik = 607.98, IC_s_w = 231.032, IBC = 499.53, IDC = 42.31, IRC = 66.14
h = -1, h_s = 12, IC = 696.563, IC_sinoptik = 626.907, IC_s_w = 238.225, IBC = 579.885, IDC = 43.313, IRC = 73.365
h = 0, h_s = 12, IC = 726.991, IC_sinoptik = 654.292, IC_s_w = 248.631, IBC = 607.54, IDC = 43.621, IRC = 75.83
h = 1, h_s = 12, IC = 696.563, IC_sinoptik = 626.907, IC_s_w = 238.225, IBC = 579.885, IDC = 43.313, IRC = 73.365
h = 2, h_s = 15, IC = 607.98, IC_sinoptik = 425.586, IC_s_w = 161.723, IBC = 499.53, IDC = 42.31, IRC = 66.14
h = 3, h_s = 15, IC = 469.545, IC_sinoptik = 328.682, IC_s_w = 124.899, IBC = 374.575, IDC = 40.32, IRC = 54.65
h = 4, h_s = 15, IC = 296.298, IC_sinoptik = 207.409, IC_s_w = 78.815, IBC = 220, IDC = 36.601, IRC = 39.697
h = 5, h_s = 18, IC = 115.341, IC_sinoptik = 92.273, IC_s_w = 35.064, IBC = 63.825, IDC = 29.118, IRC = 22.398
h = 6, h_s = 18, IC = 37.928, IC_sinoptik = 30.342, IC_s_w = 11.53, IBC = 21.665, IDC = 11.366, IRC = 4.897
summ_IC = 5174.301, summ_IC_sinoptik = 4519.49, summ_IC_s_w = 1717.407

groug = 4, as_wall = 180, angle_wall = 30, S_windows = 0.43
h = -6, h_s = 6, IC = 55.418, IC_sinoptik = 55.418, IC_s_w = 9.532, IBC = 33.553, IDC = 21.209, IRC = 0.656
h = -5, h_s = 6, IC = 232.79, IC_sinoptik = 232.79, IC_s_w = 40.04, IBC = 175.455, IDC = 54.334, IRC = 3.001
h = -4, h_s = 9, IC = 464.011, IC_sinoptik = 464.011, IC_s_w = 79.81, IBC = 390.395, IDC = 68.298, IRC = 5.318
h = -3, h_s = 9, IC = 673.293, IC_sinoptik = 673.293, IC_s_w = 115.806, IBC = 590.733, IDC = 75.238, IRC = 7.322
h = -2, h_s = 9, IC = 837.08, IC_sinoptik = 837.08, IC_s_w = 143.978, IBC = 749.267, IDC = 78.952, IRC = 8.861
h = -1, h_s = 12, IC = 940.936, IC_sinoptik = 846.842, IC_s_w = 145.657, IBC = 850.283, IDC = 80.824, IRC = 9.829
h = 0, h_s = 12, IC = 976.48, IC_sinoptik = 878.832, IC_s_w = 151.159, IBC = 884.923, IDC = 81.398, IRC = 10.159
h = 1, h_s = 12, IC = 940.936, IC_sinoptik = 846.842, IC_s_w = 145.657, IBC = 850.283, IDC = 80.824, IRC = 9.829
h = 2, h_s = 15, IC = 837.08, IC_sinoptik = 585.956, IC_s_w = 100.784, IBC = 749.267, IDC = 78.952, IRC = 8.861
h = 3, h_s = 15, IC = 673.293, IC_sinoptik = 471.305, IC_s_w = 81.064, IBC = 590.733, IDC = 75.238, IRC = 7.322
h = 4, h_s = 15, IC = 464.011, IC_sinoptik = 324.808, IC_s_w = 55.867, IBC = 390.395, IDC = 68.298, IRC = 5.318
h = 5, h_s = 18, IC = 232.79, IC_sinoptik = 186.232, IC_s_w = 32.032, IBC = 175.455, IDC = 54.334, IRC = 3.001
h = 6, h_s = 18, IC = 55.418, IC_sinoptik = 44.334, IC_s_w = 7.625, IBC = 33.553, IDC = 21.209, IRC = 0.656
summ_IC = 7383.536, summ_IC_sinoptik = 6447.743, summ_IC_s_w = 1109.011

groug = 5, as_wall = 270, angle_wall = 90, S_windows = 7.2
h = -6, h_s = 6, IC = 249.663, IC_sinoptik = 249.663, IC_s_w = 719.029, IBC = 233.4, IDC = 11.366, IRC = 4.897
h = -5, h_s = 6, IC = 629.067, IC_sinoptik = 629.067, IC_s_w = 1811.713, IBC = 577.551, IDC = 29.118, IRC = 22.398
h = -4, h_s = 9, IC = 727.199, IC_sinoptik = 727.199, IC_s_w = 2094.333, IBC = 650.901, IDC = 36.601, IRC = 39.697
h = -3, h_s = 9, IC = 680.429, IC_sinoptik = 680.429, IC_s_w = 1959.636, IBC = 585.459, IDC = 40.32, IRC = 54.65
h = -2, h_s = 9, IC = 542.868, IC_sinoptik = 542.868, IC_s_w = 1563.46, IBC = 434.418, IDC = 42.31, IRC = 66.14
h = -1, h_s = 12, IC = 346.88, IC_sinoptik = 312.192, IC_s_w = 899.113, IBC = 230.202, IDC = 43.313, IRC = 73.365
h = 0, h_s = 12, IC = 119.451, IC_sinoptik = 107.506, IC_s_w = 309.617, IBC = 0, IDC = 43.621, IRC = 75.83
h = 1, h_s = 12, IC = 116.678, IC_sinoptik = 105.01, IC_s_w = 302.429, IBC = 0, IDC = 43.313, IRC = 73.365
h = 2, h_s = 15, IC = 108.45, IC_sinoptik = 75.915, IC_s_w = 218.635, IBC = 0, IDC = 42.31, IRC = 66.14
h = 3, h_s = 15, IC = 94.97, IC_sinoptik = 66.479, IC_s_w = 191.46, IBC = 0, IDC = 40.32, IRC = 54.65
h = 4, h_s = 15, IC = 76.298, IC_sinoptik = 53.409, IC_s_w = 153.818, IBC = 0, IDC = 36.601, IRC = 39.697
h = 5, h_s = 18, IC = 51.516, IC_sinoptik = 41.213, IC_s_w = 118.693, IBC = 0, IDC = 29.118, IRC = 22.398
h = 6, h_s = 18, IC = 16.263, IC_sinoptik = 13.01, IC_s_w = 37.469, IBC = 0, IDC = 11.366, IRC = 4.897
summ_IC = 3759.732, summ_IC_sinoptik = 3603.96, summ_IC_s_w = 10379.405

IC_summ = 17284.786, dt = 3.7810469375

т.е завтра относительно ясный день получу 17кВт инсоляции, что обеспечит tin (температуры в доме) на 3.78С выше среднесуточной tout (температуры на улице)... проверимЖ-)

  • Лайк 2
Посилання на коментар
Поділитися на інших сайтах

т.е завтра (2017-04-12) относительно ясный день получу 17кВт инсоляции, что обеспечит tin (температуры в доме) на 3.78С выше среднесуточной tout (температуры на улице)... проверимЖ-)

1. 3.78С - не правильная цифра, т.к. перепутан восток и запад, с точки зрения математики на 1м2 разницы нет, но если учесть разную площадь остекления и наложение облачности (прогноза) во времени то получится 3.47С

2. короче ошибка исправлена и по дням выглядит так

2017-04-12

 

 

day = 2017-04-12
avg_sinoptik = 7.625
n = 102, L = 50.45, delta(δ) = 8.294, A = 1147.789, k = 0.176, восход 5.322, закат 18.678, д-ть 13.356 

*** groug = 0, azimuth_wall = 0, angle_wall = 90, S_windows = 1.26 ***
6 _|_ h = -6 _|_ h_s = 6 _|_ IC = 16.263 _|_ k_sinoptik = 1_|_ IC_sinoptik = 16.263 _|_ IC_s_w = 8.197 _|_ IBC = 0 _|_ IDC = 11.366 _|_ IRC = 4.897
7 _|_ h = -5 _|_ h_s = 6 _|_ IC = 51.516 _|_ k_sinoptik = 1_|_ IC_sinoptik = 51.516 _|_ IC_s_w = 25.964 _|_ IBC = 0 _|_ IDC = 29.118 _|_ IRC = 22.398
8 _|_ h = -4 _|_ h_s = 9 _|_ IC = 76.298 _|_ k_sinoptik = 1_|_ IC_sinoptik = 76.298 _|_ IC_s_w = 38.454 _|_ IBC = 0 _|_ IDC = 36.601 _|_ IRC = 39.697
9 _|_ h = -3 _|_ h_s = 9 _|_ IC = 94.97 _|_ k_sinoptik = 1_|_ IC_sinoptik = 94.97 _|_ IC_s_w = 47.865 _|_ IBC = 0 _|_ IDC = 40.32 _|_ IRC = 54.65
10 _|_ h = -2 _|_ h_s = 9 _|_ IC = 108.45 _|_ k_sinoptik = 1_|_ IC_sinoptik = 108.45 _|_ IC_s_w = 54.659 _|_ IBC = 0 _|_ IDC = 42.31 _|_ IRC = 66.14
11 _|_ h = -1 _|_ h_s = 12 _|_ IC = 116.678 _|_ k_sinoptik = 0.9_|_ IC_sinoptik = 105.01 _|_ IC_s_w = 52.925 _|_ IBC = 0 _|_ IDC = 43.313 _|_ IRC = 73.365
12 _|_ h = 0 _|_ h_s = 12 _|_ IC = 119.451 _|_ k_sinoptik = 0.9_|_ IC_sinoptik = 107.506 _|_ IC_s_w = 54.183 _|_ IBC = 0 _|_ IDC = 43.621 _|_ IRC = 75.83
13 _|_ h = 1 _|_ h_s = 12 _|_ IC = 116.678 _|_ k_sinoptik = 0.9_|_ IC_sinoptik = 105.01 _|_ IC_s_w = 52.925 _|_ IBC = 0 _|_ IDC = 43.313 _|_ IRC = 73.365
14 _|_ h = 2 _|_ h_s = 15 _|_ IC = 108.45 _|_ k_sinoptik = 0.7_|_ IC_sinoptik = 75.915 _|_ IC_s_w = 38.261 _|_ IBC = 0 _|_ IDC = 42.31 _|_ IRC = 66.14
15 _|_ h = 3 _|_ h_s = 15 _|_ IC = 94.97 _|_ k_sinoptik = 0.7_|_ IC_sinoptik = 66.479 _|_ IC_s_w = 33.505 _|_ IBC = 0 _|_ IDC = 40.32 _|_ IRC = 54.65
16 _|_ h = 4 _|_ h_s = 15 _|_ IC = 76.298 _|_ k_sinoptik = 0.7_|_ IC_sinoptik = 53.409 _|_ IC_s_w = 26.918 _|_ IBC = 0 _|_ IDC = 36.601 _|_ IRC = 39.697
17 _|_ h = 5 _|_ h_s = 18 _|_ IC = 51.516 _|_ k_sinoptik = 0.7_|_ IC_sinoptik = 36.061 _|_ IC_s_w = 18.175 _|_ IBC = 0 _|_ IDC = 29.118 _|_ IRC = 22.398
18 _|_ h = 6 _|_ h_s = 18 _|_ IC = 16.263 _|_ k_sinoptik = 0.7_|_ IC_sinoptik = 11.384 _|_ IC_s_w = 5.738 _|_ IBC = 0 _|_ IDC = 11.366 _|_ IRC = 4.897
summ_IC = 1047.801, summ_IC_sinoptik = 908.271, summ_IC_s_w = 457.769

*** groug = 1, azimuth_wall = 0, angle_wall = 30, S_windows = 0.43 ***
6 _|_ h = -6 _|_ h_s = 6 _|_ IC = 33.753 _|_ k_sinoptik = 1_|_ IC_sinoptik = 33.753 _|_ IC_s_w = 5.806 _|_ IBC = 11.888 _|_ IDC = 21.209 _|_ IRC = 0.656
7 _|_ h = -5 _|_ h_s = 6 _|_ IC = 168.966 _|_ k_sinoptik = 1_|_ IC_sinoptik = 168.966 _|_ IC_s_w = 29.062 _|_ IBC = 111.631 _|_ IDC = 54.334 _|_ IRC = 3.001
8 _|_ h = -4 _|_ h_s = 9 _|_ IC = 244.011 _|_ k_sinoptik = 1_|_ IC_sinoptik = 244.011 _|_ IC_s_w = 41.97 _|_ IBC = 170.395 _|_ IDC = 68.298 _|_ IRC = 5.318
9 _|_ h = -3 _|_ h_s = 9 _|_ IC = 298.718 _|_ k_sinoptik = 1_|_ IC_sinoptik = 298.718 _|_ IC_s_w = 51.379 _|_ IBC = 216.158 _|_ IDC = 75.238 _|_ IRC = 7.322
10 _|_ h = -2 _|_ h_s = 9 _|_ IC = 337.549 _|_ k_sinoptik = 1_|_ IC_sinoptik = 337.549 _|_ IC_s_w = 58.058 _|_ IBC = 249.736 _|_ IDC = 78.952 _|_ IRC = 8.861
11 _|_ h = -1 _|_ h_s = 12 _|_ IC = 361.051 _|_ k_sinoptik = 0.9_|_ IC_sinoptik = 324.946 _|_ IC_s_w = 55.891 _|_ IBC = 270.398 _|_ IDC = 80.824 _|_ IRC = 9.829
12 _|_ h = 0 _|_ h_s = 12 _|_ IC = 368.94 _|_ k_sinoptik = 0.9_|_ IC_sinoptik = 332.046 _|_ IC_s_w = 57.112 _|_ IBC = 277.383 _|_ IDC = 81.398 _|_ IRC = 10.159
13 _|_ h = 1 _|_ h_s = 12 _|_ IC = 361.051 _|_ k_sinoptik = 0.9_|_ IC_sinoptik = 324.946 _|_ IC_s_w = 55.891 _|_ IBC = 270.398 _|_ IDC = 80.824 _|_ IRC = 9.829
14 _|_ h = 2 _|_ h_s = 15 _|_ IC = 337.549 _|_ k_sinoptik = 0.7_|_ IC_sinoptik = 236.284 _|_ IC_s_w = 40.641 _|_ IBC = 249.736 _|_ IDC = 78.952 _|_ IRC = 8.861
15 _|_ h = 3 _|_ h_s = 15 _|_ IC = 298.718 _|_ k_sinoptik = 0.7_|_ IC_sinoptik = 209.103 _|_ IC_s_w = 35.966 _|_ IBC = 216.158 _|_ IDC = 75.238 _|_ IRC = 7.322
16 _|_ h = 4 _|_ h_s = 15 _|_ IC = 244.011 _|_ k_sinoptik = 0.7_|_ IC_sinoptik = 170.808 _|_ IC_s_w = 29.379 _|_ IBC = 170.395 _|_ IDC = 68.298 _|_ IRC = 5.318
17 _|_ h = 5 _|_ h_s = 18 _|_ IC = 168.966 _|_ k_sinoptik = 0.7_|_ IC_sinoptik = 118.276 _|_ IC_s_w = 20.343 _|_ IBC = 111.631 _|_ IDC = 54.334 _|_ IRC = 3.001
18 _|_ h = 6 _|_ h_s = 18 _|_ IC = 33.753 _|_ k_sinoptik = 0.7_|_ IC_sinoptik = 23.627 _|_ IC_s_w = 4.064 _|_ IBC = 11.888 _|_ IDC = 21.209 _|_ IRC = 0.656
summ_IC = 3257.036, summ_IC_sinoptik = 2823.033, summ_IC_s_w = 485.562

*** groug = 2, azimuth_wall = 90, angle_wall = 90, S_windows = 2.66 ***
6 _|_ h = -6 _|_ h_s = 6 _|_ IC = 249.663 _|_ k_sinoptik = 1_|_ IC_sinoptik = 249.663 _|_ IC_s_w = 265.641 _|_ IBC = 233.4 _|_ IDC = 11.366 _|_ IRC = 4.897
7 _|_ h = -5 _|_ h_s = 6 _|_ IC = 629.067 _|_ k_sinoptik = 1_|_ IC_sinoptik = 629.067 _|_ IC_s_w = 669.327 _|_ IBC = 577.551 _|_ IDC = 29.118 _|_ IRC = 22.398
8 _|_ h = -4 _|_ h_s = 9 _|_ IC = 727.199 _|_ k_sinoptik = 1_|_ IC_sinoptik = 727.199 _|_ IC_s_w = 773.74 _|_ IBC = 650.901 _|_ IDC = 36.601 _|_ IRC = 39.697
9 _|_ h = -3 _|_ h_s = 9 _|_ IC = 680.429 _|_ k_sinoptik = 1_|_ IC_sinoptik = 680.429 _|_ IC_s_w = 723.976 _|_ IBC = 585.459 _|_ IDC = 40.32 _|_ IRC = 54.65
10 _|_ h = -2 _|_ h_s = 9 _|_ IC = 542.868 _|_ k_sinoptik = 1_|_ IC_sinoptik = 542.868 _|_ IC_s_w = 577.612 _|_ IBC = 434.418 _|_ IDC = 42.31 _|_ IRC = 66.14
11 _|_ h = -1 _|_ h_s = 12 _|_ IC = 346.88 _|_ k_sinoptik = 0.9_|_ IC_sinoptik = 312.192 _|_ IC_s_w = 332.172 _|_ IBC = 230.202 _|_ IDC = 43.313 _|_ IRC = 73.365
12 _|_ h = 0 _|_ h_s = 12 _|_ IC = 119.451 _|_ k_sinoptik = 0.9_|_ IC_sinoptik = 107.506 _|_ IC_s_w = 114.386 _|_ IBC = 0 _|_ IDC = 43.621 _|_ IRC = 75.83
13 _|_ h = 1 _|_ h_s = 12 _|_ IC = 116.678 _|_ k_sinoptik = 0.9_|_ IC_sinoptik = 105.01 _|_ IC_s_w = 111.731 _|_ IBC = 0 _|_ IDC = 43.313 _|_ IRC = 73.365
14 _|_ h = 2 _|_ h_s = 15 _|_ IC = 108.45 _|_ k_sinoptik = 0.7_|_ IC_sinoptik = 75.915 _|_ IC_s_w = 80.774 _|_ IBC = 0 _|_ IDC = 42.31 _|_ IRC = 66.14
15 _|_ h = 3 _|_ h_s = 15 _|_ IC = 94.97 _|_ k_sinoptik = 0.7_|_ IC_sinoptik = 66.479 _|_ IC_s_w = 70.734 _|_ IBC = 0 _|_ IDC = 40.32 _|_ IRC = 54.65
16 _|_ h = 4 _|_ h_s = 15 _|_ IC = 76.298 _|_ k_sinoptik = 0.7_|_ IC_sinoptik = 53.409 _|_ IC_s_w = 56.827 _|_ IBC = 0 _|_ IDC = 36.601 _|_ IRC = 39.697
17 _|_ h = 5 _|_ h_s = 18 _|_ IC = 51.516 _|_ k_sinoptik = 0.7_|_ IC_sinoptik = 36.061 _|_ IC_s_w = 38.369 _|_ IBC = 0 _|_ IDC = 29.118 _|_ IRC = 22.398
18 _|_ h = 6 _|_ h_s = 18 _|_ IC = 16.263 _|_ k_sinoptik = 0.7_|_ IC_sinoptik = 11.384 _|_ IC_s_w = 12.113 _|_ IBC = 0 _|_ IDC = 11.366 _|_ IRC = 4.897
summ_IC = 3759.732, summ_IC_sinoptik = 3597.182, summ_IC_s_w = 3827.402

*** groug = 3, azimuth_wall = 180, angle_wall = 90, S_windows = 0.95 ***
6 _|_ h = -6 _|_ h_s = 6 _|_ IC = 37.928 _|_ k_sinoptik = 1_|_ IC_sinoptik = 37.928 _|_ IC_s_w = 14.413 _|_ IBC = 21.665 _|_ IDC = 11.366 _|_ IRC = 4.897
7 _|_ h = -5 _|_ h_s = 6 _|_ IC = 115.341 _|_ k_sinoptik = 1_|_ IC_sinoptik = 115.341 _|_ IC_s_w = 43.83 _|_ IBC = 63.825 _|_ IDC = 29.118 _|_ IRC = 22.398
8 _|_ h = -4 _|_ h_s = 9 _|_ IC = 296.298 _|_ k_sinoptik = 1_|_ IC_sinoptik = 296.298 _|_ IC_s_w = 112.593 _|_ IBC = 220 _|_ IDC = 36.601 _|_ IRC = 39.697
9 _|_ h = -3 _|_ h_s = 9 _|_ IC = 469.545 _|_ k_sinoptik = 1_|_ IC_sinoptik = 469.545 _|_ IC_s_w = 178.427 _|_ IBC = 374.575 _|_ IDC = 40.32 _|_ IRC = 54.65
10 _|_ h = -2 _|_ h_s = 9 _|_ IC = 607.98 _|_ k_sinoptik = 1_|_ IC_sinoptik = 607.98 _|_ IC_s_w = 231.032 _|_ IBC = 499.53 _|_ IDC = 42.31 _|_ IRC = 66.14
11 _|_ h = -1 _|_ h_s = 12 _|_ IC = 696.563 _|_ k_sinoptik = 0.9_|_ IC_sinoptik = 626.907 _|_ IC_s_w = 238.225 _|_ IBC = 579.885 _|_ IDC = 43.313 _|_ IRC = 73.365
12 _|_ h = 0 _|_ h_s = 12 _|_ IC = 726.991 _|_ k_sinoptik = 0.9_|_ IC_sinoptik = 654.292 _|_ IC_s_w = 248.631 _|_ IBC = 607.54 _|_ IDC = 43.621 _|_ IRC = 75.83
13 _|_ h = 1 _|_ h_s = 12 _|_ IC = 696.563 _|_ k_sinoptik = 0.9_|_ IC_sinoptik = 626.907 _|_ IC_s_w = 238.225 _|_ IBC = 579.885 _|_ IDC = 43.313 _|_ IRC = 73.365
14 _|_ h = 2 _|_ h_s = 15 _|_ IC = 607.98 _|_ k_sinoptik = 0.7_|_ IC_sinoptik = 425.586 _|_ IC_s_w = 161.723 _|_ IBC = 499.53 _|_ IDC = 42.31 _|_ IRC = 66.14
15 _|_ h = 3 _|_ h_s = 15 _|_ IC = 469.545 _|_ k_sinoptik = 0.7_|_ IC_sinoptik = 328.682 _|_ IC_s_w = 124.899 _|_ IBC = 374.575 _|_ IDC = 40.32 _|_ IRC = 54.65
16 _|_ h = 4 _|_ h_s = 15 _|_ IC = 296.298 _|_ k_sinoptik = 0.7_|_ IC_sinoptik = 207.409 _|_ IC_s_w = 78.815 _|_ IBC = 220 _|_ IDC = 36.601 _|_ IRC = 39.697
17 _|_ h = 5 _|_ h_s = 18 _|_ IC = 115.341 _|_ k_sinoptik = 0.7_|_ IC_sinoptik = 80.739 _|_ IC_s_w = 30.681 _|_ IBC = 63.825 _|_ IDC = 29.118 _|_ IRC = 22.398
18 _|_ h = 6 _|_ h_s = 18 _|_ IC = 37.928 _|_ k_sinoptik = 0.7_|_ IC_sinoptik = 26.55 _|_ IC_s_w = 10.089 _|_ IBC = 21.665 _|_ IDC = 11.366 _|_ IRC = 4.897
summ_IC = 5174.301, summ_IC_sinoptik = 4504.164, summ_IC_s_w = 1711.583

*** groug = 4, azimuth_wall = 180, angle_wall = 30, S_windows = 0.43 ***
6 _|_ h = -6 _|_ h_s = 6 _|_ IC = 55.418 _|_ k_sinoptik = 1_|_ IC_sinoptik = 55.418 _|_ IC_s_w = 9.532 _|_ IBC = 33.553 _|_ IDC = 21.209 _|_ IRC = 0.656
7 _|_ h = -5 _|_ h_s = 6 _|_ IC = 232.79 _|_ k_sinoptik = 1_|_ IC_sinoptik = 232.79 _|_ IC_s_w = 40.04 _|_ IBC = 175.455 _|_ IDC = 54.334 _|_ IRC = 3.001
8 _|_ h = -4 _|_ h_s = 9 _|_ IC = 464.011 _|_ k_sinoptik = 1_|_ IC_sinoptik = 464.011 _|_ IC_s_w = 79.81 _|_ IBC = 390.395 _|_ IDC = 68.298 _|_ IRC = 5.318
9 _|_ h = -3 _|_ h_s = 9 _|_ IC = 673.293 _|_ k_sinoptik = 1_|_ IC_sinoptik = 673.293 _|_ IC_s_w = 115.806 _|_ IBC = 590.733 _|_ IDC = 75.238 _|_ IRC = 7.322
10 _|_ h = -2 _|_ h_s = 9 _|_ IC = 837.08 _|_ k_sinoptik = 1_|_ IC_sinoptik = 837.08 _|_ IC_s_w = 143.978 _|_ IBC = 749.267 _|_ IDC = 78.952 _|_ IRC = 8.861
11 _|_ h = -1 _|_ h_s = 12 _|_ IC = 940.936 _|_ k_sinoptik = 0.9_|_ IC_sinoptik = 846.842 _|_ IC_s_w = 145.657 _|_ IBC = 850.283 _|_ IDC = 80.824 _|_ IRC = 9.829
12 _|_ h = 0 _|_ h_s = 12 _|_ IC = 976.48 _|_ k_sinoptik = 0.9_|_ IC_sinoptik = 878.832 _|_ IC_s_w = 151.159 _|_ IBC = 884.923 _|_ IDC = 81.398 _|_ IRC = 10.159
13 _|_ h = 1 _|_ h_s = 12 _|_ IC = 940.936 _|_ k_sinoptik = 0.9_|_ IC_sinoptik = 846.842 _|_ IC_s_w = 145.657 _|_ IBC = 850.283 _|_ IDC = 80.824 _|_ IRC = 9.829
14 _|_ h = 2 _|_ h_s = 15 _|_ IC = 837.08 _|_ k_sinoptik = 0.7_|_ IC_sinoptik = 585.956 _|_ IC_s_w = 100.784 _|_ IBC = 749.267 _|_ IDC = 78.952 _|_ IRC = 8.861
15 _|_ h = 3 _|_ h_s = 15 _|_ IC = 673.293 _|_ k_sinoptik = 0.7_|_ IC_sinoptik = 471.305 _|_ IC_s_w = 81.064 _|_ IBC = 590.733 _|_ IDC = 75.238 _|_ IRC = 7.322
16 _|_ h = 4 _|_ h_s = 15 _|_ IC = 464.011 _|_ k_sinoptik = 0.7_|_ IC_sinoptik = 324.808 _|_ IC_s_w = 55.867 _|_ IBC = 390.395 _|_ IDC = 68.298 _|_ IRC = 5.318
17 _|_ h = 5 _|_ h_s = 18 _|_ IC = 232.79 _|_ k_sinoptik = 0.7_|_ IC_sinoptik = 162.953 _|_ IC_s_w = 28.028 _|_ IBC = 175.455 _|_ IDC = 54.334 _|_ IRC = 3.001
18 _|_ h = 6 _|_ h_s = 18 _|_ IC = 55.418 _|_ k_sinoptik = 0.7_|_ IC_sinoptik = 38.793 _|_ IC_s_w = 6.672 _|_ IBC = 33.553 _|_ IDC = 21.209 _|_ IRC = 0.656
summ_IC = 7383.536, summ_IC_sinoptik = 6418.923, summ_IC_s_w = 1104.054

*** groug = 5, azimuth_wall = 270, angle_wall = 90, S_windows = 7.2 ***
6 _|_ h = -6 _|_ h_s = 6 _|_ IC = 16.263 _|_ k_sinoptik = 1_|_ IC_sinoptik = 16.263 _|_ IC_s_w = 46.837 _|_ IBC = 0 _|_ IDC = 11.366 _|_ IRC = 4.897
7 _|_ h = -5 _|_ h_s = 6 _|_ IC = 51.516 _|_ k_sinoptik = 1_|_ IC_sinoptik = 51.516 _|_ IC_s_w = 148.366 _|_ IBC = 0 _|_ IDC = 29.118 _|_ IRC = 22.398
8 _|_ h = -4 _|_ h_s = 9 _|_ IC = 76.298 _|_ k_sinoptik = 1_|_ IC_sinoptik = 76.298 _|_ IC_s_w = 219.738 _|_ IBC = 0 _|_ IDC = 36.601 _|_ IRC = 39.697
9 _|_ h = -3 _|_ h_s = 9 _|_ IC = 94.97 _|_ k_sinoptik = 1_|_ IC_sinoptik = 94.97 _|_ IC_s_w = 273.514 _|_ IBC = 0 _|_ IDC = 40.32 _|_ IRC = 54.65
10 _|_ h = -2 _|_ h_s = 9 _|_ IC = 108.45 _|_ k_sinoptik = 1_|_ IC_sinoptik = 108.45 _|_ IC_s_w = 312.336 _|_ IBC = 0 _|_ IDC = 42.31 _|_ IRC = 66.14
11 _|_ h = -1 _|_ h_s = 12 _|_ IC = 116.678 _|_ k_sinoptik = 0.9_|_ IC_sinoptik = 105.01 _|_ IC_s_w = 302.429 _|_ IBC = 0 _|_ IDC = 43.313 _|_ IRC = 73.365
12 _|_ h = 0 _|_ h_s = 12 _|_ IC = 119.451 _|_ k_sinoptik = 0.9_|_ IC_sinoptik = 107.506 _|_ IC_s_w = 309.617 _|_ IBC = 0 _|_ IDC = 43.621 _|_ IRC = 75.83
13 _|_ h = 1 _|_ h_s = 12 _|_ IC = 346.88 _|_ k_sinoptik = 0.9_|_ IC_sinoptik = 312.192 _|_ IC_s_w = 899.113 _|_ IBC = 230.202 _|_ IDC = 43.313 _|_ IRC = 73.365
14 _|_ h = 2 _|_ h_s = 15 _|_ IC = 542.868 _|_ k_sinoptik = 0.7_|_ IC_sinoptik = 380.008 _|_ IC_s_w = 1094.423 _|_ IBC = 434.418 _|_ IDC = 42.31 _|_ IRC = 66.14
15 _|_ h = 3 _|_ h_s = 15 _|_ IC = 680.429 _|_ k_sinoptik = 0.7_|_ IC_sinoptik = 476.3 _|_ IC_s_w = 1371.744 _|_ IBC = 585.459 _|_ IDC = 40.32 _|_ IRC = 54.65
16 _|_ h = 4 _|_ h_s = 15 _|_ IC = 727.199 _|_ k_sinoptik = 0.7_|_ IC_sinoptik = 509.039 _|_ IC_s_w = 1466.032 _|_ IBC = 650.901 _|_ IDC = 36.601 _|_ IRC = 39.697
17 _|_ h = 5 _|_ h_s = 18 _|_ IC = 629.067 _|_ k_sinoptik = 0.7_|_ IC_sinoptik = 440.347 _|_ IC_s_w = 1268.199 _|_ IBC = 577.551 _|_ IDC = 29.118 _|_ IRC = 22.398
18 _|_ h = 6 _|_ h_s = 18 _|_ IC = 249.663 _|_ k_sinoptik = 0.7_|_ IC_sinoptik = 174.764 _|_ IC_s_w = 503.32 _|_ IBC = 233.4 _|_ IDC = 11.366 _|_ IRC = 4.897
summ_IC = 3759.732, summ_IC_sinoptik = 2852.663, summ_IC_s_w = 8215.668

IC_summ = 15802.038, dt = 3.4566958125
Скрипт выполнялся 0.3077 сек.

 

 

3.недельное наблюдение позволило сделать такую таблицу

 

attachment.php?attachmentid=562042&d=1492523835

 

когда дом не требует отопления, можно относительно легко проверить/посчитать, но когда дом отапливается...

тем не менее, имхо выводы

  • инсоляцию нужно/нужно учитывать учитывать
  • расчет по алгоритму - лучше чем средние значения калькулятора
  • алгоритму расчета инсоляции можно использовать в дальнейшем в алгоритме распределения аккумуляционного тепла по комнатам во времени
  • функция расчета инсоляции займет свое место в общем расчете энергетического суточного баланса (калькуляции часов отопления/охлаждения)

4. если по табл. будут вопросы отвечу, а так... в общем считал миграцию теплоемкости тп, стен, учитывал остаток тепла в тп, выработку тепловой энергии гтн, расчет на основании Тулица и Тулица(сглаженная по постоянной времени 10 часов)

 

зы собрал первый тестовый комплексный датчик со2 (mh-z19 c проверкой контрольной суммы! uart), rh, tC (am2302) на esp8266(12)

 

attachment.php?attachmentid=562044&d=1492524752

 

 

 

т.к. с ардуиновскими штучками до этого не сталкивался, то без бубна не обошлось)))... но потом как всегда, когда понимаешь - легко

скрипт на малинке будет читать json или парсить c сервера(ов)/датчика(ов) данные по расписанию crontab и писать в базу

Ж-) и да, не представляю как я без этого датчика (со2) жил раньше, многие моменты стали иметь другое осмысление

 

upd sorry, в показаниях датчиков перепутаны показания RH and HeatIndex, т.е исправлено и выглядит так

 

attachment.php?attachmentid=562076&d=1492536427

insol_6.png.2e83ec1c826364734ad7aaca556a10da.png

rh_t_c02.png.09db5c80e752fd21e82e7b2ff81af7aa.png

rh_t_c02_ok.png.1e3ffad458d8bb33834f7534f193f31f.png

Змінено користувачем fim
  • Лайк 3
Посилання на коментар
Поділитися на інших сайтах

собрал первый тестовый комплексный датчик со2

решил, а пусть у датчика будет монитор... 0,96 дюйма:)

прикрутил вывод прогноза погоды, прошивку по воздуху, вывод отдельно json и человеческий вид, осталось главное - ... корпусЖ-)

 

 

attachment.php?attachmentid=562481&d=1492713207

 

 

месяцок потестирую и буду собирать, если все будет норм, остальные штук 7-10:)

we.thumb.png.68c3e80dd983651ffe2bfef223960ae7.png

  • Лайк 2
Посилання на коментар
Поділитися на інших сайтах

решил, а пусть у датчика будет монитор...

Хорошо получилось :good:

 

Я когда-то, когда еще только планировал систему управления, тоже думал в каждой комнате поставить "блочек" управления с дисплеем. Но потом решил, что это не слишком нужно в реальной эксплуатации.

 

Сейчас неспешно раздумываю нужен ли какой-либо дисплей блоку управления пеллетником?..

  • Лайк 1
Посилання на коментар
Поділитися на інших сайтах

Хорошо получилось :good:

я всего лишь подогнал болванку под свои задачи

 

что касается mh-z19 (датчика со2), то имхо обязательно к прочтению

т.е. ответ по uart датчика содержит не только показания со2, но и:

TT - температура (ТТ-43)

SS - статус, где при 64 - адекватные значения, все остальные (4, 8, 32) - промежуточные состояния пересчета, автокалибровки, етс

Uh/Ul - двухбайтная U отражающая похоже среднее поглощение ИК СО2 (имхо в тех же ррм, т.е. миллионных долях)

автокалибровку похоже можно отключать, перевести датчик в режим modbus, есть команды мануальной калибровки, етс

т.е. датчик интересен для гика:)

я буду использовать в дальнейшем датчик для автоматизации вентиляции минимальная кратность объема или/и котроль со2 на мах уровне 1000ррм

так вот, ооочень важен показатель статуса SS, который собственно говорить об адекватности показаний на момент опроса/замера

 

пример, квартира нормальной герметичности без нормальной системы вентиляции, утром после сна в спальне 18м2 со2 на уровне 1700ррм :o

проветривание сквозняком (открытие на проветривание окон в разных комнатах) в течении 20 мин и...

 

attachment.php?attachmentid=563111&d=1493113245

 

через полчаса после закрытия окна со2 на уровне 700ррм

что еще нужно/можно заметить

проветривание открытием отдельного окна в отдельной комнате не дает таких результатов как сквозняк, т.к. со2 довольно тяжелый и "оседает" в низу, значение сквозняка тяжело переоценить для здоровья человека:),а со2 нужно только удалять... сквозняком

только сейчас до меня доходит важность подавать воздух в "чистые" помещения, забирать в грязных (при нормальной вентиляции бэз сквозняков)

важная деталь - щель под дверью комнаты, т.к. она внизу, то способствует имхо эффективному удалению со2

 

зы добавил еще discomfort index, имхо тоже полезный индекс; инсоляция вошла в тело скрипта расчета теплового баланса

зыы сорри за непрофильные посты про вентиляции, их еще будет немного, дальше будет пассивное охлаждение поверхностями (полом) + фанкойл:beer:

1388627863_2_1.png.80dcb48b6828429043970014464d969f.png

  • Лайк 4
Посилання на коментар
Поділитися на інших сайтах

TT - температура (ТТ-43)

эт при vcc 3v, при 5v все таки корреляция идет ТТ-40

 

все не мог нормально проследить динамику данных, т.к. в квартире нечего выделить под всегда работающий сервер...

 

для теста сгодится thingspeak, esp отправляет туда данные

временно, на время непродолжительного недельного теста, выкладываю онлайн данные (обновление 1раз в 10мин, общий интервал последние/текущие сутки) по комнате где стоит датчик

AM2302

  • t - temperature
  • rh - humidity
  • hi - Heat Index
  • di - Discomfort Index

MH-Z19

  • co2 -co2
  • SS - "статус"
  • TT - temperature
  • IR - предположительно среднее поглощение ик со2

 

2017-04-29 мах показания со2 2625ррм (08:00) пусть,старт 1098ррм (01:00)

для комнаты объемом 18м2 за вычетом мебели 38740литров

1098ррм - 42,54л со2

2625ррм - 101,69л со2

разница/прирост 59,16л со2 за 7 часов или 8,45л/час для 2х человек или 4,23л/час на человека в режиме сна, что имхо в вполне адекватно для комнаты с небольшой инфильтрацией и небольшим ветром на улице*

про ветер. при сильном ветре увеличивается инфильтрация и способствует снижению со2

 

еще раз убеждаюсь, что только принудительная контролируемая вентиляция и не иначе

за 10 лет из-за бессистемного проветривания в квартире пора менять 40% фурнитуры окон:(

зы еще один пост про датчик со2 и фсе, потерпите. для датчика, скорее всего будет печатный 3д корпус;)

  • Лайк 3
Посилання на коментар
Поділитися на інших сайтах

  • 2 тижні потому...

как вам снег в мае?:)

а кто-то говорил о возможных резких перепадах температур:rolleyes:

думаю, "аномалии" со временем будут прогрессировать

 

сегодня минимальная tout была чуть меньше 1C

на завтра у мну будет включаться котел

 

attachment.php?attachmentid=564904&d=1494441557

 

и... судя по наблюдениям за фактической температурой в комнатах и уставке, с инсоляцией знааачительно лучше/точнее получается теплобаланс, хотя и не учитывает некоторые моменты затенения, етс

поэтому иду дальше (считаю покомнатно)

 

attachment.php?attachmentid=564906&d=1494441568

 

здесь я пробовал рассчитать примерно "реальные" теплопотери для каждой комнаты, но сейчас, когда удельный вес инсоляции очень значителен в общем балансе, то без учета инсоляции (для каждой комнаты)... они мягко говоря никакие

 

attachment.php?attachmentid=564908&d=1494441590

 

поэтому начинаю писать в базу инсоляцию для каждой комнаты и попробую вернутся к этому расчету

 

думаю, что без учета инсоляции не получится точно посчитать "баланс холода" поэтому и внимательно наблюдаю

 

и лето, наверное, таки будет:) и этот самый холод (охлаждение) еще понадобится

насос с шим контролем и управлением, актуаторы, пто, релюхи, етс лежат... никак не доходят руки, но очень чешутся (руки):)

все майские кроме того шо сажал картошку:),

(быстро) крутил гкл потолки на первом этаже, потом шпаклевка покраска и... уже в чистом помещении сборка автоматики в корпуса и в щиток (пока все лежит на подносе:D), отладка алгоритмов охлаждения... такими темпами, вентиляция (автоматика) не раньше осени получится:(

 

зы по датчику со2 пока даже анализ не делал, но беглый просмотр данных подсказывает мне отключить ежедневную автокалибровку и сделать разовую калибровку на "эталонном" воздухе

эт я к тому, что относительные показания вроде как правильно показывает

при отсутствии людей не растет/падает значение показаний, при присутствии людей показания растут и показания поддаются расчету объяснению, при проветривании показания падают

но эта ежедневная автокалибровка... имхо все портит

позже отключу автокалибровку и попробую с кем-то свериться показаниями (повесить мой датчик с другим "проверенным" датчиком)

454229402_.png.96276eefe0b361f0b5b055f7fca7f267.png

solar_azgroup_and_room.thumb.png.b9bab29f6925fee28c5030bd0e5d0315.png

heatloos_room.thumb.png.7efdc21a34d60cccedb6bc61354dc97b.png

solar_room.png.60c2ed6398bd8b2adb3717b23d2f463a.png

  • Лайк 3
Посилання на коментар
Поділитися на інших сайтах

  • 2 тижні потому...

вопрос: как рассчитать холодильную мощность пассивного охлаждения через пол + фанкойл?:)

 

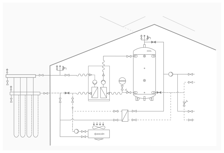
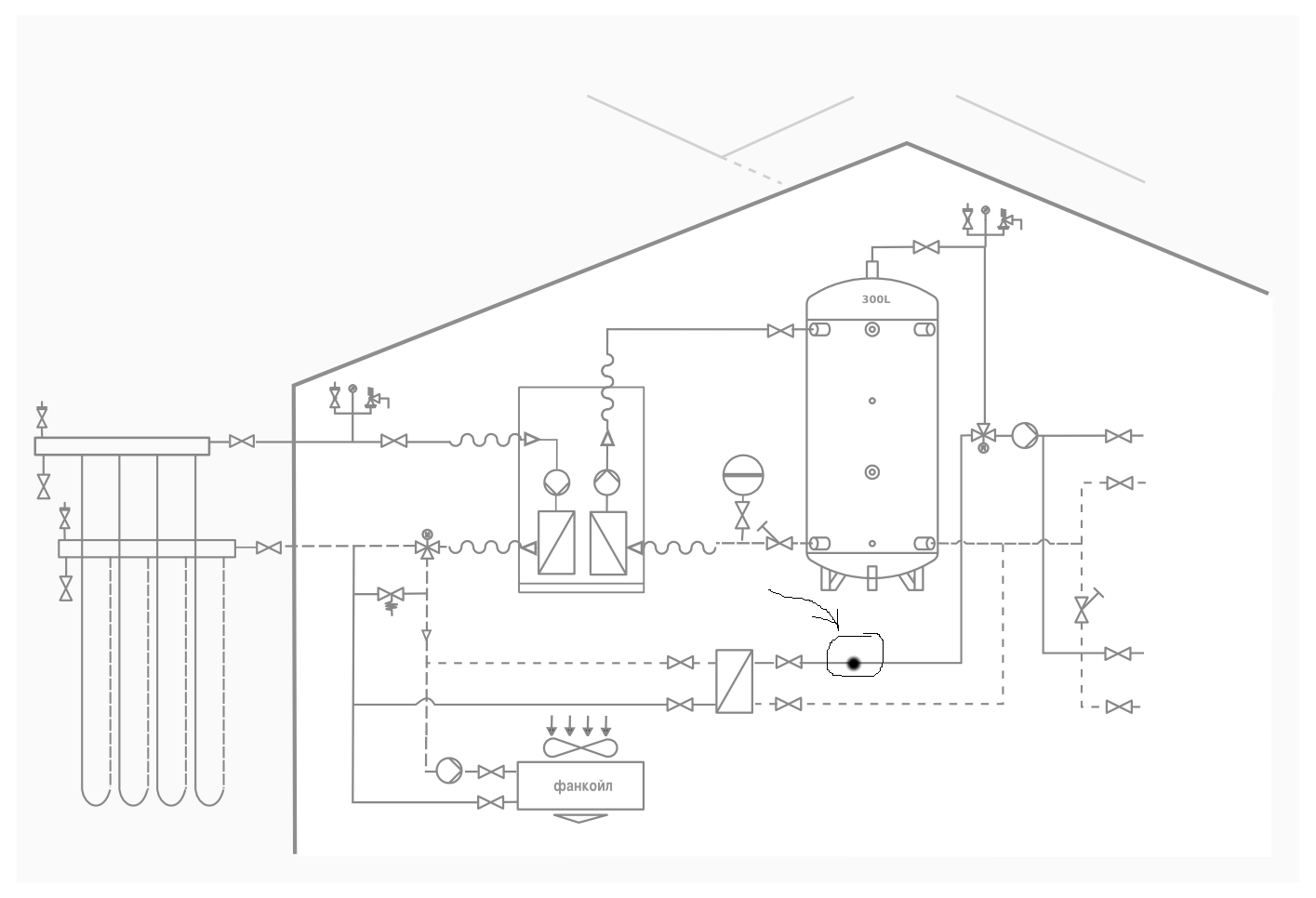
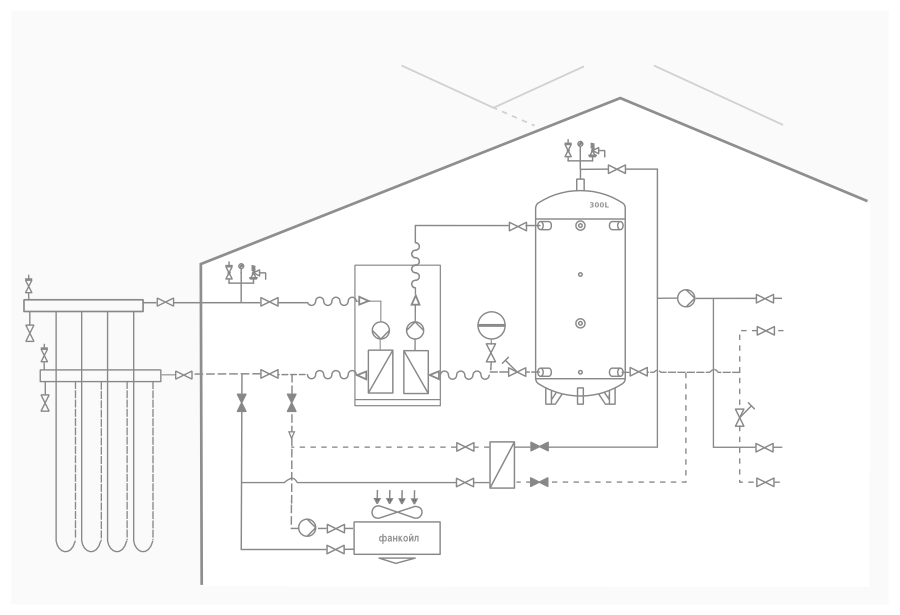
о моей схеме, собственно ничего особенного, она типовая

 

attachment.php?attachmentid=567207&d=1495625067

 

контроль "холодоносителя" в точке отмеченной на схеме, контроль точки росы по показаниям tin, RH с фирменного блока установленного в "эталонной комнате" и Т_подачи_холодоносителя

алгоритм работы контроллера тоже типовой, работающий в режимах авто (по кривой охлаждения) и мануальном с мануальной установкой Т_подачи_холодоносителя

 

attachment.php?attachmentid=567206&d=1495625055

 

т.е. в алгоритм углубляться нет смысла, т.к. все просто и понятно

начинает работать только при tout>20C

сама кривая по точкам + контроль ТР + летняя компенсация начиная с температуры tout>26C с крутизной/наклоном 35%

 

лучистое охлаждение укр.,рос языках ничего нормального не нашел кроме вот этого ни рыба ни мясо

кста обратите внимание на "Значения коэффициента С"

 

ищем дальше и... ответ для себя нашел здесь

и обязательно посмотрите на heat transfer coefficients для лучистого охлаждения взятые из ISO 13789 и сравните (соотношения) с "Значения коэффициента С" о которых я говорил ранее:)

так вот в W/m2*K (калькулятор перевода ед.изм.)

потолок 11

стена 8

пол 7

напомню, для тп в режиме отопления примерно можно считать - 11W/m2*K

 

фанкойл мне обеспечивает в мах почти 4кратный обмен, поэтому есть обдув и я не волнуюсь за градиент температур (по высоте) и в таком варианте таки можно охлаждаться полами, т.е. полы с обдувом

бысрый расчет для Tin=25C, tout=30C(cреднесуточная), RHin=60%: тепловыделения людей 1кВт/ч + инсоляция 1кВт/ч + холодопотери 1кВт/ч + вентиляция/инфильтрация 1кВт/ч + быттехника 1кВт/ч = 5кВт/ч

фанкойл 2кВт/ч (по паспорту для воды 4кВт/ч)+ лучистое охлаждение 3.1кВ/ч (дельта Tin-Тповерхность=4С площадь 110м2 2го этажа)

думаю должно получиться:rolleyes:

другими словами, ставлю пто (1,5м2), обкатываю в дефолтном авторежиме контроллера гтн с замерами и... проверяю свои расчеты

да... пока похоже Tin ниже 25C у мну не получится... посмотрим

1064830220_.jpg.bf37205419db1fa12d39aa929d6a18e5.jpg

cheme_cooling.thumb.png.54741ec4e47e3a8e15376253eb997d6a.png

  • Лайк 1
Посилання на коментар
Поділитися на інших сайтах

Определение расчетной холодильной нагрузки (в т.ч. в тепловом балансе) предполагает

– Расчет теплопоступлений через наружные ограждающие конструкции

– Расчет поступлений тепла от солнечной радиации, от освещения

– Расчет тепловыделений от людей и оборудования

первое понятно, ислоляция есть тепловыделения от оборудования знаю как считать остаются люди... в том числе поэтому не тороплюсь с корпусом комплексного датчика T, RH, CO2, который с мониторчиком (кста прижился в семье хорошо), т.к. планирую всунуть туда датчик движения или возможно датчик присутствия - курю этот вопрос

тем временем по инсоляции набежали кое-какие данные по комнатам и в сумме (Вт в сутки)

от 14кВт до 22кВт, да, вот такой разбег

 

     date	    kb	    s	    sv	    uv	    zl	    s2	    sz	    uz	    zk	    sum
2017-05-10	513.71	659.63	2095.72	2095.72	1727.19	1070.59	1650.52	1650.52	5733.37	17196.93
2017-05-11	437.66	564.42	1521.11	1521.11	1523.09	932.40	1435.23	1435.23	4985.53	14355.75
2017-05-12	532.01	689.97	1730.15	1730.15	1893.63	1152.04	1646.57	1646.57	5719.67	16740.77
2017-05-13	405.55	524.42	1395.46	1395.46	1374.01	852.06	1395.46	1395.46	4847.38	13585.26
2017-05-14	408.36	529.08	1402.24	1402.24	1374.05	855.56	1402.24	1402.24	4870.95	13646.97
2017-05-15	683.92	887.85	2342.62	2342.62	2285.98	1429.18	2342.62	2342.62	8137.52	22794.93
2017-05-16	482.07	622.75	1834.20	1834.20	1559.99	985.74	1636.01	1636.01	5682.97	16273.92
2017-05-17	691.54	900.90	2357.99	2357.99	2281.97	1437.71	2357.99	2357.99	8190.91	22934.98
2017-05-18	681.60	892.12	2218.53	2218.53	2248.53	1421.26	2352.74	2352.74	8172.69	22558.75
2017-05-19	594.60	774.61	2227.87	2227.87	1894.74	1212.20	1991.15	1991.15	6916.64	19830.82
2017-05-20	602.99	790.40	2100.23	2100.23	1943.07	1242.12	2018.57	2018.57	7011.89	19828.07
2017-05-21	522.76	683.93	2077.70	2077.70	1648.18	1062.54	1603.78	1603.78	5571.00	16851.34
2017-05-23	508.38	671.01	1785.98	1785.98	1622.11	1046.44	1603.11	1603.11	5568.69	16194.78

 

в целом отладочная информация расчетного скрипта теплового баланса (расчитывается раз в сутки) выглядит так

 

*************** START *** const_timer *************
day = 2017-05-25
*************** START *** wether_timer *************
avg_openweathe = 19.95875
avg_sinoptik = 16.5
avg_sinoptik_k = 16.5
avgout = 16.5
moshnosthp = 11.216666666667
*************** START *** solar *************
n = 145, L = 50.45, delta(δ) = 20.917, A = 1101.076, k = 0.199, восход 4.162, закат 19.838, д-ть 15.676 
*** groug = 0, azimuth_wall = 0, angle_wall = 90, S_windows = 1.26 ***
summ_IC = 1426.86, summ_IC_sinoptik = 846.85, summ_IC_s_w = 426.814
*** groug = 1, azimuth_wall = 0, angle_wall = 30, S_windows = 0.43 ***
summ_IC = 5503.938, summ_IC_sinoptik = 3253.074, summ_IC_s_w = 559.529
*** groug = 2, azimuth_wall = 90, angle_wall = 90, S_windows = 2.66 ***
summ_IC = 4529.703, summ_IC_sinoptik = 2802.406, summ_IC_s_w = 2981.758
*** groug = 3, azimuth_wall = 180, angle_wall = 90, S_windows = 1.26 ***
summ_IC = 4502.915, summ_IC_sinoptik = 2656.206, summ_IC_s_w = 1338.727
*** groug = 4, azimuth_wall = 180, angle_wall = 30, S_windows = 0.43 ***
summ_IC = 8536.513, summ_IC_sinoptik = 5034.386, summ_IC_s_w = 865.915
*** groug = 5, azimuth_wall = 270, angle_wall = 90, S_windows = 7.28 ***
summ_IC = 4529.703, summ_IC_sinoptik = 2673.316, summ_IC_s_w = 7784.698
IC_summ = 13957.441, dt = 3.05319021875
Скрипт выполнялся 0.1492 сек.
*************** START *** logic_timer *************
*************** START *** fact_conrection_timer *************
avgf = 20.86458
energyf = 0
avgwpr = 16.50
Успешно INSERT!tsetpoint = 19.50
tsetpoint_cooling = 24.00
szf = 20.63 *** sza = 23.25
zkf = 20.19 *** zka = 21.50
*************** START *** const_timer *************
day = 2017-05-25
deltat = 5.5C
tpotepi = 25.08
teploemkost_tpt = -32.091640343367 *** teploemkost_ogt = 4 *** teploemkost_vodyt = -1.1765114066248 *** insolation = 13.957441
otpotepi = 40.390710749992 кВт за вычетом теплоемкость ограждающих и ТП, а так же с учетом инсоляции расчетное к-во минут работы ГТН = 216
*********************************************** цикл расчет нулевого баланса *****************************************************
circuit 1 *** step = 5 *** tsetpoint = 12
deltat = -4.5C
tpotepi = -20.52
teploemkost_tpt = 160.10616696379 *** teploemkost_ogt = 64 *** teploemkost_vodyt = 5.0781864561243 *** insolation = 13.957441
otpotepi = -263.66179441992 кВт за вычетом теплоемкость ограждающих и ТП, а так же с учетом инсоляции расчетное к-во минут работы ГТН = -1410
*********************************************** цикл расчет нулевого баланса *****************************************************
circuit 2 *** step = 2.5 *** tsetpoint = 17
deltat = 0.5C
tpotepi = 2.28
teploemkost_tpt = 62.837165132292 *** teploemkost_ogt = 34 *** teploemkost_vodyt = 1.9280033059411 *** insolation = 13.957441
otpotepi = -110.44260943823 кВт за вычетом теплоемкость ограждающих и ТП, а так же с учетом инсоляции расчетное к-во минут работы ГТН = -591
*********************************************** цикл расчет нулевого баланса *****************************************************
circuit 3 *** step = 1.25 *** tsetpoint = 19.5
deltat = 3C
tpotepi = 13.68
teploemkost_tpt = 14.202664216541 *** teploemkost_ogt = 19 *** teploemkost_vodyt = 0.35291173084956 *** insolation = 13.957441
otpotepi = -33.83301694739 кВт за вычетом теплоемкость ограждающих и ТП, а так же с учетом инсоляции расчетное к-во минут работы ГТН = -181
*********************************************** цикл расчет нулевого баланса *****************************************************
circuit 4 *** step = 0.625 *** tsetpoint = 20.75
deltat = 4.25C
tpotepi = 19.38
teploemkost_tpt = -9.4100768330989 *** teploemkost_ogt = 11.5 *** teploemkost_vodyt = -0.42121072620592 *** insolation = 13.957441
otpotepi = 3.7538465593048 кВт за вычетом теплоемкость ограждающих и ТП, а так же с учетом инсоляции расчетное к-во минут работы ГТН = 20
*********************************************** цикл расчет нулевого баланса *****************************************************
circuit 5 *** step = 0.3125 *** tsetpoint = 20.125
deltat = 3.625C
tpotepi = 16.53
teploemkost_tpt = 2.1487404929187 *** teploemkost_ogt = 15.25 *** teploemkost_vodyt = -0.039143080127353 *** insolation = 13.957441
otpotepi = -14.787038412791 кВт за вычетом теплоемкость ограждающих и ТП, а так же с учетом инсоляции расчетное к-во минут работы ГТН = -79
*********************************************** цикл расчет нулевого баланса *****************************************************
circuit 6 *** step = 0.15625 *** tsetpoint = 20.4375
deltat = 3.9375C
tpotepi = 17.955
teploemkost_tpt = -3.6588507108431 *** teploemkost_ogt = 13.375 *** teploemkost_vodyt = -0.23074786918916 *** insolation = 13.957441
otpotepi = -5.4878424199678 кВт за вычетом теплоемкость ограждающих и ТП, а так же с учетом инсоляции расчетное к-во минут работы ГТН = -29
*********************************************** цикл расчет нулевого баланса *****************************************************
circuit 7 *** step = 0.078125 *** tsetpoint = 20.59375
deltat = 4.09375C
tpotepi = 18.6675
teploemkost_tpt = -6.5402345916189 *** teploemkost_ogt = 12.4375 *** teploemkost_vodyt = -0.32609621199458 *** insolation = 13.957441
otpotepi = -0.86111019638652 кВт за вычетом теплоемкость ограждающих и ТП, а так же с учетом инсоляции расчетное к-во минут работы ГТН = -5
*********************************************** цикл расчет нулевого баланса *****************************************************
circuit 8 *** step = 0.0390625 *** tsetpoint = 20.671875
deltat = 4.171875C
tpotepi = 19.02375
teploemkost_tpt = -7.9764836256432 *** teploemkost_ogt = 11.96875 *** teploemkost_vodyt = -0.37368037204604 *** insolation = 13.957441
otpotepi = 1.4477229976893 кВт за вычетом теплоемкость ограждающих и ТП, а так же с учетом инсоляции расчетное к-во минут работы ГТН = 8
*********************************************** цикл расчет нулевого баланса *****************************************************
circuit 9 *** step = 0.01953125 *** tsetpoint = 20.6328125
deltat = 4.1328125C
tpotepi = 18.845625
teploemkost_tpt = -7.2587040569463 *** teploemkost_ogt = 12.203125 *** teploemkost_vodyt = -0.3498952805232 *** insolation = 13.957441
otpotepi = 0.29365833746951 кВт за вычетом теплоемкость ограждающих и ТП, а так же с учетом инсоляции расчетное к-во минут работы ГТН = 2
*********************************************** цикл расчет нулевого баланса *****************************************************
circuit 10 *** step = 0.009765625 *** tsetpoint = 20.61328125
deltat = 4.11328125C
tpotepi = 18.7565625
teploemkost_tpt = -6.8995572908066 *** teploemkost_ogt = 12.3203125 *** teploemkost_vodyt = -0.33799752842242 *** insolation = 13.957441
otpotepi = -0.28363618077102 кВт за вычетом теплоемкость ограждающих и ТП, а так же с учетом инсоляции расчетное к-во минут работы ГТН = -2
*********************************************** цикл расчет нулевого баланса *****************************************************
circuit 11 *** step = 0.0048828125 *** tsetpoint = 20.623046875
deltat = 4.123046875C
tpotepi = 18.80109375
teploemkost_tpt = -7.0791524441428 *** teploemkost_ogt = 12.26171875 *** teploemkost_vodyt = -0.34394684552894 *** insolation = 13.957441
otpotepi = 0.0050332896716956 кВт за вычетом теплоемкость ограждающих и ТП, а так же с учетом инсоляции расчетное к-во минут работы ГТН = 0
*********************************************** цикл расчет нулевого баланса *****************************************************
фактические удельные теплопотери для дельты уставки и улицы Вт в час
ftpu2 = 0.490642578125
ftpu1 = 0.292736328125
инсоляция распределенная по этажам Вт в час
ins2 = 0.36424023662281
ins1 = 0.21731980504386
необходимая мощность ТП в Вт/м2
wm22 = 1.5800292687774
wm21 = 1.4787553545322
необходимая температура поверхностей пола по этажам
tf2 = 20.830038728117
tf1 = 20.817929734338
необходимая температура бетона по этажам
tc2 = 21.148487732912
tc1 = 20.877893691058
дата 2017-05-25 *** нулевой теплобаланс в Т = 20.623046875 С т.е. включать отопление/охлаждение нет необходимости т.к. уставка охлаждения = 24.00 уставка отопления = 19.50
статус == equilibrium
Tout_avg 16.5 C теплопотери 18.80109375 kW
теплоемкость пола -7.0791524441428 kW
теплоемкость стен 12.26171875 kW
теплоемкость воды СО -0.34394684552894 kW
инсоляция 13.957441 kW
тепловой баланс 0.0050332896716956 kW
NULL 2017-05-25
Успешно Delete!num = 219
'219','equilibrium','Thu','2017-05-25','NULL','NULL','NULL','NULL','20.623046875','19.50','24.00','19.95875','16.5','16.5','16.5','18.8','20.63','23.25','-7.0791524441428','12.26','13.957441','0.01','NULL' Успешно INSERT!
Скрипт выполнялся 0.9865 сек.

 

вынесу отдельно:

дата 2017-05-25 *** нулевой теплобаланс в Т = 20.623046875 С т.е. включать отопление/охлаждение нет необходимости т.к. уставка охлаждения = 24.00 уставка отопления = 19.50
статус == equilibrium
Tout_avg 16.5 C 
**теплобаланс на сутки (2017-05-25)
теплопотери 18.80109375 kW
теплоемкость пола -7.0791524441428 kW
теплоемкость стен 12.26171875 kW
теплоемкость воды СО -0.34394684552894 kW
инсоляция 13.957441 kW
тепловой баланс 0.0050332896716956 kW

IC_summ = 13957.441, dt = 3.05319021875

завтра среднесуточная Тout составит 16.5C, а инсоляция (+3.05С), теплоемкости стен, полов обеспечат Тin = 20.62C

т.е. полностью переписал логику расчета, сначала определяю Тin для которой будет равновесный нулевой баланс, затем сравнивая это значение с уставками отопления и охлаждения определяю статус либо охлаждение либо отопление и соответственно под него считаю часы работы и интервалы работы

вот так простая цифра коэф.теплообмена лучистого охлаждения полом в 7Вт/м2*К позволила просто решить вопрос уже имеющегося таймера с небольшой доработкой

 

зы немного про вентиляцию

датчик со2 пока живет своей непонятной мне жизью:)

похоже к рекуператору можно подключить таймер - "центральный контроллер" ZJ4011, к которому можно подключить малинку

 

plan54eb25a910ce9.png

 

нужно уточнить так ли это и какой протокол, шина

если это так, то это существенно мне облегчит задачу

логику вентиляции буду реализовывать на node-red, пока завел твиттер-аккаунт под это дело и остальную автоматику, протестировал на простом примере вывода температуры процессора

 

attachment.php?attachmentid=567295&d=1495648397

 

 

attachment.php?attachmentid=567296&d=1495648409

 

imho node-red ibm практически превращает малинку в плк с подключением к соц сетям. так шо у моего "холодильника" есть свой твиттер:)

node_red.png.2734c09530a8e3f9c4d19bb3e747ecfc.png

twitter.png.9a878069b64a8bacbd5b3e31fd92d0d8.png

  • Лайк 3
Посилання на коментар
Поділитися на інших сайтах

  • 2 тижні потому...
остаются люди...

ха, как полезно посещать выставки и читать матчасть

belimo

Задачей терминала является поддержание заданного количества приточного и вытяжного

воздуха в зависимости от текущей потребности. Необходимая величина расхода

определяется значением внешнего управляющего сигнала. Этот сигнал поступает на

регулятор от установленных в помещениях здания температурных регуляторов, датчиков

СО2 или других элементов системы управления.

На измерительных элементах VAV-терминала, установленных в вентиляционном канале возникает перепад давлений, величина которого зависит от скорости воздуха

1) в сбалансированной системе, когда есть учет теплопотерь, инсоляции, тепловыделения поверхностей, етс, "аномальное" увеличение температуры, алгоритмом можно определить как... тепловыделения от людей и техники

2) два датчика давления (канал, комната) дают представление о динамическом давлении и скорости/объеме, комната и внешний - статическое

короче, коррекцию на тепловыделение людей, думаю повесить на ТН вентиляции в т.ч., планируемый алгоритм расчета фактических (контрольных) объемов, как вы понимаете, на лицо, буду пробовать

 

немногого о балансе...

баланс и/или равновесие один из интересных моментов в т.ч. изучения ИИ, см. OpenAI (детище Маска) cem.py как маленький пример

так вот, что я сейчас делаю - считаю равновесную температуру - температура которая установится без воздействия на систему тепло или холодогенератора, т.е. только внешняя среда в т.ч. инсоляция и текущие значения теплоемкостей

если эта равновесная температура в пределах уставок (отопления и охлаждения), как сейчас например, то у генераторов нет статуса на включение и нет задания (часов работы), если равновесная Т выше уставки охлаждения - считается таймер работы для пассивного холода, если ниже уставки отопления - считается таймер для отопления, базовый временной интервал - сутки

картинки

 

attachment.php?attachmentid=568707&d=1496413438

attachment.php?attachmentid=568709&d=1496413899

tsetC -уставка охлаждени

tsetH - уставка отопления

tpro - равновесная температура

tinF - фактическая (проверка) т

avgs - температура улица, синоптик

insol - инсоляция

teair - теплоемкость стен

tefloor - теплоемкость пола

tpr - теплопотери

gen - генерация "+" - отопление, "-" - охлаждение

 

 

 

зы на плате рекуператора есть стандарт 485, подключался... протокол не понятен, в нете даже названия не нашел, а у друх производителей хоть названия есть, а протоколы (стандарты/спецификации) тоже покрыты мраком:)

 

attachment.php?attachmentid=568710&d=1496414150

 

при этом есть конверторы в модбас (скорее всегоModbus RTU, что интересно эти конверторы для bosch, midea, gree, c&h, idea, etc на одно лицо:)), с модбас все понятно конектим к BMS, в общем ... если такой конвектор для моего производителя стоит вменяемых денег - возьмуЖ-) пока написали письмо/запрос в китай на предмет цены и мануала

bl02.thumb.png.19a8ace5a9fd6124ff214bd495950223.png

bl01.thumb.png.492f741ecd17bbcd3d439a1f5d458bb1.png

bl03.thumb.png.edddc2fca7d60d2ed5236662cef73f0f.png

1048684727_busnames.png.2a697689529915d8deb78b7bf65925b5.png

  • Лайк 1
Посилання на коментар
Поділитися на інших сайтах

белимо не из той оперы. баланс по воздуху она обеспечивает - в первую очередь и при этом приточно-вытяжная установка должна иметь датчик давления в канале и частотник на двигателях...и соответственно стоит...применяется в коттеджах крайне редко - в основном бизнес центры и сегмент люкс для шейхов

 

Добавлено через 3 минуты

два датчика давления (канал, комната)

 

не надо датчик давления в комнате...для этого и есть вав клапан в сборе...сам привод белимо меряет расход воздуха

  • Лайк 1
Посилання на коментар
Поділитися на інших сайтах

белимо не из той оперы. баланс по воздуху она обеспечивает - в первую очередь и при этом приточно-вытяжная установка должна иметь датчик давления в канале и частотник на двигателях...и соответственно стоит...применяется в коттеджах крайне редко - в основном бизнес центры и сегмент люкс для шейхов

диф давление на пву думаю смогу замерять

частотника нет есть три скорости буду пускать дискретно во времени

не надо датчик давления в комнате...для этого и есть вав клапан в сборе...сам привод белимо меряет расход воздуха

угу, знаю, класная штука, даже щупал, но... цена 400-500 евро за штуку

у мну стоят 8 серво в вентканалах и если бы я ставил белимовские терминалы (сборка серво+датчики довления+логика в клапане), то... 3200-4000 евро - ... буду шейхом :) буду такие ставить

 

зы ура! я запустил пассивный холод в пол+фанкойл канальный (конец прошлого лета было только фанкойл)

пока наблюдаю за логикой работы в мануальном режиме

уставка в пол 14С:),.. спокойно для Т22.7С и RH42% - тр = 9.1С

теперь на пол стоит насос UPD3 gibrid 25-70 with pwm control and input, т.е. контролем и управлением

шим позже, пока поставил в пропорциональный режим - отрабатывает при частичном закрытии нескольких зон актуаторами нормально - на остальных остается +- стабильный проток и в принципе можно будет и в этом режиме поиграться управлением контурами с логикой "шим"/пид

 

upd немного фото

Змінено користувачем fim
Посилання на коментар
Поділитися на інших сайтах

а откуда холод берете для закачки в пол ?

геополе, сейчас 10-11С

схема охлаждения

 

attachment.php?attachmentid=569141&d=1496743348

 

схема отопления

 

attachment.php?attachmentid=569142&d=1496743355

 

 

предварительно посчитал, могу снимать 7кВт холода (отводить тепла), к концу лета посмотрим, думаю/рассчитываю на не менее 5кВт

7кВт холода - это примерно как два кондиционера 12 (в сумме 23333BTU)

 

зы а шо ссылка на dropbox не работает?

 

upd ах да, самое главное: ц.насосы все энергоэффекивные, фанкойл + ц.насос фанкойла + ц.насос СО (пол) + ц.насос ГТН потребляют примерно 200-240Вт (EER составит 35-29 <= 7/0.2 и 7/0.24)

т.е. для 7кВт холода получается от 10 раз экономичнее кондиционирования (EERпассивный_холод/EERкондиционера) - это раз и гооораздо комфортнее - два

а т.к. алгоритм охлаждения полом мало чем отличается от отопления, то используя свои наработки/алгоритмы все будет в основном по ночному тарифу и экомонэффект составит около 15 по отношению к кондиционированию

главное чтобы фанкойл справлялся с удалением влажности, т.е. достаточно отводил в виде конденсата

1732541676_schemacooling.png.9c88fb8b8ad13b07fdf232148c3d5fc6.png

1709972214_schemaheating.png.c888937f3279973827a472c77a795e84.png

Змінено користувачем fim
  • Лайк 2
Посилання на коментар
Поділитися на інших сайтах

алгоритм охлаждения полом мало чем отличается от отопления

сегодня пассивное охлаждение работало по... алгоритму с мелкими переделками

наблюдаем:)

5937bf827315d0e4d8eda62eb22dccf4.gif

думаю, днем, во время прямой исоляции нужно будет дополнительно включать фанкойл или фанкойл с полом

пробую (на 0,5 часа во время мах инсоляции для стороны дома с мах остеклением дополнительно к таймеру включаю охлаждение), наблюдаю

и... охлаждение в общем и у меня в частности выглядит так

 

 

на сегодня экспериментальная уставка 22.5С, в дальнейшем будет 24С, но не более 8-10С разница с улицей

 

зы равновесная температура (tpro) проверяется простой средней фактической по дому (tinf), без учета теплоемкостей каждой комнаты, но имхо и так результат удовлетворительный, т.е. это фактически проверка самого алгоритма расчета теплобаланса

 

attachment.php?attachmentid=569437&d=1496850889

 

далее работа с алгоритмом управления актуаторами, жду корпуса, многое уже есть, что-то собрано и есть понимание компановки:rolleyes:

tpro.png.b3282841e1d67a9e1593c95021747cc7.png

  • Лайк 1
Посилання на коментар
Поділитися на інших сайтах

далее работа с алгоритмом управления актуаторами, жду корпуса, многое уже есть

Хорошо влезло в корпус на рейку. У себя решил с этим делом попроще сделать - рейки в шите сниму, вместо них прикручу пластину на которой смонтирую все блоки. Так будут лучшие условия для охлаждения, да и конструкция попроще получается.

  • Лайк 1
Посилання на коментар
Поділитися на інших сайтах

upd ах да, самое главное: ц.насосы все энергоэффекивные, фанкойл + ц.насос фанкойла + ц.насос СО (пол) + ц.насос ГТН потребляют примерно 200-240Вт (EER составит 35-29 <= 7/0.2 и 7/0.24)
Есть мнение просто гонять воду по трубам вмонтированных в стены (данные энергопотребление + еще) и/или переодичеси (например ночью) по теплому полу, но вы остановились всетаки на фанкойлах, нехватает мощности? Змінено користувачем laritus
Посилання на коментар
Поділитися на інших сайтах

Хорошо влезло в корпус на рейку. У себя решил с этим делом попроще сделать - рейки в шите сниму, вместо них прикручу пластину на которой смонтирую все блоки. Так будут лучшие условия для охлаждения, да и конструкция попроще получается.

реальное время, в котором работает моя система управления, обусловлена/пропорциональна самой системе, сама система - инертна, поэтому основной интервал контроля/принятия решений 10 мин

т.е. получается малинка почти всегда "спит"

attachment.php?attachmentid=569623&d=1496997209

Есть мнение просто гонять воду по трубам вмонтированных в стены (данные энергопотребление + еще) и/или переодичеси (например ночью) по теплому полу, но вы остановились всетаки на фанкойлах, нехватает мощности?

из вашего поста получается, шо я плохой расказчик

попробую исправится

для охлаждения (в конце лета 2016г - август) использовался канальный фанкойл 4кВт по холоду - для напора (теплового/холодильного) жидкости, который не может обеспечить геополе, поэтому фанкойл выдавал 2-3кВт холода.

эти 2-3кВт холода приходились на прогретые теплоемкости поверхностей (стены, пол). естественно этих мощностей не хватало в режиме хаотичного использования

на фанкойл подача осуществлялась (2016г) ц.насосом ГТН(геополя), сейчас на фанкойл свой насос

 

до недавнего времени я был противником охлаждения полом

но... прошло время, нашлись источники, которые изменили мое мнение

так вот

  • да, при охлаждении потолком (коэф.теплообмена 11Вт/(м2*К)), холод естественным путем опускается вниз - нет большого градиента температур потолок-пол. недостаток - доп расходы на материалы,работы, срок использования 2 месяца...
  • охлаждение стенами (коэф.теплообмена 8Вт/(м2*К)) недостаток по отношению к полу меньшая эффективность (меньшая массовая теплоемкость, бОльшие теплопотери/холодопотери)
  • охлаждение полом (коэф.теплообмена 7Вт/(м2*К) - без принудительного обдува/воздухообмена, при обдуве, например, фанкойлом есно будет выше) недостатки только при использовании без обдува - градиент, более низкая холодоотдача. при использовании с фанкойлом одни плюсы - увеличение теплообмена, универсальное использование (зима-лето), высокая массовая теплоемкость (опять таки использование ночного тарифа), возможность комбинирования - закачка холода в пол по ночному + фанкойл в пики инсоляции, етс

все перечисленное имеет право на жизнь и работает, работает - комфортно

 

короче, на сейчас в пассивном охлаждении я использую пол и канальный фанкойл

 

зы я не сомневаюсь в работе охлаждения стенами в приведенных вами ссылках, да это работает, но важно контролировать точку росы

 

attachment.php?attachmentid=569640&d=1496998760

 

в

, которое я выкладывал ранее, видно как меняется за короткий период времени ТР при охлаждении, в частности относительная влажность, буду наблюдать дальше...

tproc.png.de0c33e8f6f110a950e7fbb4791419b0.png

503772607_1.png.d8c84021ee17b2194b2ac1390bbf5f50.png

  • Лайк 5
Посилання на коментар
Поділитися на інших сайтах

реальное время, в котором работает моя система управления, обусловлена/пропорциональна самой системе, сама система - инертна, поэтому основной интервал контроля/принятия решений 10 мин

т.е. получается малинка почти всегда "спит"

Та она и у меня почти все время спит - хоть опрос производится в 10 раз чаще (раз в минуту), но это очень маленькая нагрузка на нее.

  • Лайк 1
Посилання на коментар
Поділитися на інших сайтах

  • 2 тижні потому...
имеет право на жизнь и работает, работает - комфортно

график

 

attachment.php?attachmentid=573103&d=1498812221

где

uva -температура воздуха в комнате uv

uvf - температура бетона ТП в комнате uv

tout - температура воздуха на улице (север, тень)

 

 

в целом, пассивное охлаждение работает хорошо, есть разброс по комнатам - не хватает покомнатного управления

 

управление актуаторами: готова и проверена группа реле для управления актуаторами

 

 

т.к. пока свободное время уходит на переход на oop и yii2 (визуализация) в частности

алгоритм управления актуаторами реализую в новой системе, к отопительному сезону

 

вентиляция

на одну esp8266 повесил два датчика bmp280

идея - один датчик в воздуховоде, второй в комнате, для замера динамического давления (разности давлений датчиков) и скорости воздушного потока

фактические скорость (объем) необходимы для пид управления серво на воздуховодах, чтобы не строить мат модель, которая будет хуже фактических (не расчетных) значений скорости (объема)

на практике точность bmp280 не позволяет этого сделать, нужно думать что-то другое

эксперимент: датчики рядом, замер 1раз в 1 сек (разность давлений и скорость должны равняться 0)

 

 

attachment.php?attachmentid=573104&d=1498812743

attachment.php?attachmentid=573105&d=1498812747

attachment.php?attachmentid=573106&d=1498812752

 

 

а вот по датчику со2, думаю, таки;) можно строить логику управления, во всяком случае я вижу как это сделать

 

attachment.php?attachmentid=573110&d=1498814888

 

и... жду ответа по конвертеру рекуператора, шо то китайцы не торопятся отвечать

PassiveCooling.png.7c979b536b896fa458be7b6cafc4084e.png

pa3.png.f403b1dd944e67980cde9357cebcc41e.png

pa2.png.51a69a4a6ed3e7d1a95a75ea4d6e3e40.png

pa1.png.b5b72a5d60bd5302ec128a0289f40adc.png

2792278_2.png.6b9c92fd9e1bcd8156a4ba1eb4f437b0.png

  • Лайк 2
Посилання на коментар
Поділитися на інших сайтах

график

 

attachment.php?attachmentid=573103&d=1498812221

где

uva -температура воздуха в комнате uv

uvf - температура бетона ТП в комнате uv

tout - температура воздуха на улице (север, тень)

 

 

в целом, пассивное охлаждение работает хорошо

 

UPD

а вот график для другой комнаты и.. с температурой поверхности пола (не бетона) в данном случае ламината

 

attachment.php?attachmentid=573136&d=1498828701

где

sza -температура воздуха в комнате sz

flsz - температура поверхности ТП в комнате sz

tout - температура воздуха на улице (север, тень)

 

температура поверхности ТП - расчетная величина от Тбетона, Твоздуха, Rпирога и проверена эмпирически

 

 

 

так вот: "Что такое "комфортное" состояние пола и как оно поддерживается?

Стопа человека чувствует комфорт при температуре пола + 21 °С. Международные стандарты указывают что наиболее комфортная температура пола находится в пределах + 19 … +26 °С. Более высокая или более низкая температура считаются дискомфортными. "

как видите, температура поверхности у меня не опускается ниже 20С, что есть хорошо по нормам в т.ч.

 

зы и да, при охлаждении работает алгоритм оптимизации по ночному тарифу, хорошо показавший себя на отоплении

717685877_.png.f701cb9afd455ce52fc52894abe14095.png

  • Лайк 2
Посилання на коментар
Поділитися на інших сайтах

эксперимент: датчики рядом, замер 1раз в 1 сек (разность давлений и скорость должны равняться 0)

попробуйте раз в минуту делать 20 замеров подряд и потом математикой получить среднее арифметическое. Так должно быть точнее.

Посилання на коментар
Поділитися на інших сайтах

Международные стандарты указывают что наиболее комфортная температура пола находится в пределах + 19 … +26 °С.

Как по мне, то многое зависит и от температуры окружающей среды. На мой "вкус" зимой комфорт начинается от 21С - меньше некомфортно. А вот летом даже когда больше 26С проблемы нет. Но это там, где дерево, с плиткой зимой хочется побольше на пару градусов температуру, а летом она так не нагревается у меня, чтобы проверить ощущения по "верхнему пределу" :).

 

Вообще ощущения температуры совсем разные в у меня в каркаснике и у родителей в кирпичном доме. В каркаснике диапазон комфортных температур намного шире - в +18С еще совсем не холодно, а в +29С нет ощущения жары. Почему так не совсем ясно, возможно свою роль играет отделка или влажность (хотя летом она не слишком отличается).

  • Лайк 1
Посилання на коментар
Поділитися на інших сайтах

Почему так не совсем ясно, возможно свою роль играет отделка или влажность (хотя летом она не слишком отличается).

поглощение и отражение ик лучей..

Посилання на коментар
Поділитися на інших сайтах

попробуйте раз в минуту делать 20 замеров подряд и потом математикой получить среднее арифметическое. Так должно быть точнее.

затратно и не даст мне все равно то чего я ожидал и хочу:(

позже попробую с bme280

Как по мне, то многое зависит и от температуры окружающей среды. На мой "вкус" зимой комфорт начинается от 21С - меньше некомфортно. А вот летом даже когда больше 26С проблемы нет. Но это там, где дерево, с плиткой зимой хочется побольше на пару градусов температуру, а летом она так не нагревается у меня, чтобы проверить ощущения по "верхнему пределу" :).

я таки говорил о температуре поверхности ТП и ее восприятии стопами

и хотя пишут, что комфорт начинается от 19С...

да по ламинату при 20С - конфортно, по плитке - нет:(

вот вам еще одна разновидность на тему "ощущения температуры совсем разные"

на будущее, если придется, вряд ли уже буду стелить плитку на тп, т.к. инертность маленькая, не комфорта при охлаждении

 

три дня на улице немного жарко, а в доме хорошо

 

 

южная сторона более прохладная

attachment.php?attachmentid=574897&d=1499893436

западная более жаркая

attachment.php?attachmentid=574898&d=1499893442

где

sza -температура воздуха в комнате sz

flsz - температура поверхности ТП в комнате sz

uva -температура воздуха в комнате sz

fluv - температура поверхности ТП в комнате sz

tout - температура воздуха на улице (север, тень)

flow - температура "теплоносителя" после пто

geo - температура гликоля геоконтура

 

по geo и flow видно включение охлаждения в т.ч.

 

 

уставку можно ставить и на 25С (сейчас стоит 22,7С), но я пока экспериментирую, смотрю на возможности системы охлаждения, а мои иногда и свитера одевают:)

 

зы по вентиляции (рекуператору) китайцы сказали шо не будет мне конвертера... буду сам пробовать смотреть/ковырять их протокол еще:( где только на все времени то набраться...

uv13.png.014e045fe0f9e44349002c8971f0c954.png

sz13.png.7c14fbf2eccab596dcc47268813dab6c.png

  • Лайк 1
Посилання на коментар
Поділитися на інших сайтах

Створіть акаунт або увійдіть у нього для коментування

Ви маєте бути користувачем, щоб залишити коментар

Створити акаунт

Зареєструйтеся для отримання акаунта. Це просто!

Зареєструвати акаунт

Увійти

Вже зареєстровані? Увійдіть тут.

Увійти зараз
×
×
  • Створити...