TaurosRMK Опубліковано: 28 грудня 2024 Автор Поділитись Опубліковано: 28 грудня 2024 Сьогодні помітив що витяжний сенсор показує +/- 0 Па, подумав що вже пішов на упокій... Поліз дивитися, наче все ок, але в місці приєднання шлангів до зонду помітив що в шланзі утворилася водяна пробка. Проблема вилізла через те, що зонд розміщений горизонтально і витяжне повітря насичене вологою на холодному горищі успішно конденсує в трубці і немає змоги стікати. Тимчасово там утеплено невеликом куском мінвати, але то не спасає. На фото видно слід від води, але воду вже злив. Все ж таки розташування зонду горизонтально в таких умовах не дуже підходяще. Купив нові трубки і повітровід, буду робити по типу як VAV клапан, трубки розміщу навхрест, але не в горизонтальному положенні, щоб не було таких ситуацій. Якщо повітроводи змонтовані в теплому контурі, то це не страшно, а от в умовах холодного горища не підходить горизонтальний монтаж зондів. Прихований текст Посилання на коментар Поділитися на інших сайтах More sharing options...
TaurosRMK Опубліковано: 2 січня 2025 Автор Поділитись Опубліковано: 2 січня 2025 Update, v 2.1 Метрову трубу поділив по 50 см, врізав дві оновлені трубки навхрест, з однієї сторони відстань 2D (300 мм), з іншої відповідно 200 мм. Буду монтувати перед вентиляторами. Але тепер постало питання, як відкалібрувати трубки і перевірити чи результати співпадають з реальними? Все рівно буду дещо переробляти в схемі повітроводів, тому можу демонтувати частину яка стоїть перед витяжним вентилятором, вийде так - вентилятор, сумарно 1.5 м повітроводу/колін, теплообмінник, знову 1.5 м повітроводу і ковпак на фасаді. Змонтувати перед вентилятором цей кусок з сенсором і робити заміри анемометром на вході, тобто перед сенсором. Але вірити китайському анемометру... Хоча точних лабораторних досліджень не потрібно, немає бажання зараз якісь досліди проводити, просто звірити що показує сенсор і можливо якось вирахувати калібровочний коефіцієнт, якщо буде потрібно. Напевно змонтую це перед вентилятором і буду фіксувати значення з сенсору та анемометру на кожні 0.25-0.5В керуючої напруги, або на кожні 150-200 обертів вентилятора. Вийде приблизно 20 точок на швидкості вентилятора 0-100%. Прихований текст Посилання на коментар Поділитися на інших сайтах More sharing options...
TaurosRMK Опубліковано: 13 січня 2025 Автор Поділитись Опубліковано: 13 січня 2025 Після того як неудачним експериментом попутав "+" та "-" при підключенні сенсорів SHT30 в ПВУ, замовив партію нових. Хоча вони все ще продовжували показувати щось, але чи довіряти їм було під питанням. Значить що є, 5 х SHT30 I2C (нові), 1 х SHT40 I2C (зі старих запасів), 1 х SHT40 RS485 (новий). Відкалібрував всі по вологості, записав калібрування, підключив всі сім сенсорів і залишив в стані спокою. Попередньо порівнював один SHT30 I2C з SHT40 RS485, другий показував температуру майже на 2°C вище, тому для перевірки додав зміщення на -1.8°C. На графіку зверху вологість, знизу температура. До червоної лінії - стан спокою, калібрування по вологісті записано, для SHT40 RS485 по температурі додано зміщення -1.8°C. Видно що всі сенсори плюс-мінус показують однаково, по температурі в межах 0.3°C, по вологості 2%RH. Цілком нормально. Наступний відрізок до жовтої лінії - направив на сенсори кімнатний вентилятор з відстані близько 50 см, видно що всі сенсори трохи відреагували на це, але особливо сильно відреагував SHT40 RS485. Всі сенсори I2C буквально на 0.5°C знизили покази температури і на 1.5%RH збільшили по вологості. А от на SHT40 RS485 температура впала майже на 2°C, а вологість виросла на 6%RH. Відрізок до зеленої лінії - видалив зміщення -1.8°C в SHT40 RS485, вентилятор продовжував дути, видно що температура по SHT40 RS485 вийшла на рівень інших сенсорів. Після зеленої лінії вимкнув вентилятор. Тут помітно як вологість почала вирівнюватися до стану інших сенсорів, але температуру показував на тиж же 1.8-2°C вище ніж всі інші сенсори. Питання до експертів (якщо цю тему ще хтось дивиться), як такий сенсор відкалібрувати, щоб він коректно показував результати? Бо в стані спокою і коли на нього дує повітря, показує зовсім різні показники. Планую помістити цей SHT40 RS485 в приточному анемостаті, точніше в каналі прямо перед анемостатом, щоб моніторити температуру подачі безпосередньо в кімнату. Через те що відстань десь біля 15 м вибрав RS485. Там постійно буде потік повітря і як видно по графіку це впливає на покази сенсору, він реагує навіть на незначний потік повітря. Хоча в цій точці мені потрібні показники лише температури, по вологості можна ігнорувати. На його фоні всі шість сенсорів I2C якось адекватніше реагують. Не сказав би що на сенсорі SHT40 RS485 є щось, що може впливати на нагрів. Сам сенсор ізольований від всіх інших елементів на платі. Посилання на коментар Поділитися на інших сайтах More sharing options...
TaurosRMK Опубліковано: 14 січня 2025 Автор Поділитись Опубліковано: 14 січня 2025 02.01.2025 в 15:45, TaurosRMK сказав: Update, v 2.1 Робив сьогодні трохи заміри, якщо коротко, то - нічого не зрозуміло, але дуже цікаво (С) Трубки змонтовані в обох випадках на однаковій відстані перед вентиляторами, тільки витяжний вентилятор зі сторони будинку, приточний зі сторони вулиці. У формулі врахована густина повітря, але поки що не по датчиках, а фіксована, наприклад знаю що з будинку повітря в середньому 21С і 55%, а з вулиці 0С і 90%. Заміри робив анемометром по кімнатах і звіряв з тим що показують сенсори. Вийшло якось неоднозначно. Попередній варіант, де трубки стояли одна за одною, показував трохи інші результати. Хоча там була інша формула і без врахування густини повітря, а також приточний датчик SDP810 стояв зі сторони будинку. Хоча не думаю що це аж так суттєво могло вплинути, але... Якщо в попередньому варіанті формула видавала дуже близькі результати по сенсорах з тими що були заміряні анемометром, то з новою формулою показання по сенсорах вищі від замірів анемометром. І можна було би застосувати якийсь коефіцієнт, щоб показники з сенсорів вирівнялися з анемометром, але цей коефіцієнт не є однаковим на всьому проміжку. Наче і не лабораторні умови, щоб очікувати точних результатів, але коефіцієнт 0.72 і 0.92 то трохи різні речі. Дивним є ще то, що на максимальних обертах обидва сенсори показують майже однакові показники, але заміри анемометром дають перевагу на приток. Два рази міряв, думав що з першого разу десь помилився, але ні, притоку більше десь на 30-35 кубів, а по сенсорах однаково. Що трохи дивно, бо в інших точках замірів по сенсорах також майже однакові показники, але і по анемометру не сильно відрізняються. Не знаю чи то форма/розміщення трубок вплинула, чи щось інше, в першому варіанті трубки були одна за одною, в другому навхрест, але при цьому діаметр турбок/шлангів і насвердлені отвори однакові. Поки не знаю що з тим робити. Якби хоча б коефіцієнт був приблизно однаковим, можна було би його застосувати і в цілому так би підійшло. Але, але... Зверху табличка з першого варіанту, знизу з другого. В рядку де сума кубів - жирним це по анемометру, зліва покази з сенсорів. 1 Посилання на коментар Поділитися на інших сайтах More sharing options...
TaurosRMK Опубліковано: 15 січня 2025 Автор Поділитись Опубліковано: 15 січня 2025 Може хтось наштовхне на думку. В доках по сенсору SDP810 є розділ (сторінка 15) про розрахунок падіння тиску в трубках, якими сенсор підключено до вимірювальних зондів. Сенсор віддає значення перепаду між вхідним і вихідним отвором самого сенсору. Трубки створюють якись додатковий опір, який не враховано, а в залежності від довжини і діаметру трубок, густини і об'єму повітря, цей опір може коливатися. В таблиці нижче приклад для різних довжин трубок при перепаді тиску по сенсору 250 Па. sensirion.com/media/documents/C3059EE6/667E9FD4/DP_AN_Engineering_Guide_V1.0.pdf Там є формули для розрахунку падіння тиску на трубках. Записав їх в коді, наче щось рахує, формула здаєтсья правильна, хоча ще добре передивлюся. На максимальних обертах показує приблизно 1 Па (при 35 Па по сенсору), орієнтовно при 100 м³/год - 0.11 Па (при 2.4 Па по сенсору). Не дуже зроумів що робити з цими показниками падіння тиску на трубках, потрібно від даних з сенсору відняти отримані дані падіння тиску і тоді буде правильний перепад тиску, який буду відповідати повітряному потоку в повітроводі? Вірно? - platform: template name: "Supply Air Pressure Drop" id: supply_air_pressure_drop lambda: |- float dp_sensor = id(sdp810_supply).state; float temperature = id(sht30_sup_temp).state; float rho_air = id(supply_air_density).state; float L = 1; // довжина трубок в метрах float D = 0.004; // внутрішній діаметр трубки в метрах float q_c = 6.17 * pow(10, -7); float dp_c = 62; // Формула розрахунку в'язкості повітря (η_air) float air_viscosity = (18.205 + 0.0484 * (temperature - 20)) * pow(10, -6); // Формула розрахунку ε float epsilon = (-64 / 3.14159) * (L / pow(D, 4)) * (air_viscosity / rho_air) * (q_c / dp_sensor) * (std::sqrt(1 + (8 * dp_sensor / dp_c)) - 1); id(supply_epsilon).publish_state(epsilon); return dp_sensor * ((1 / (1 + epsilon)) - 1); unit_of_measurement: "Pa" accuracy_decimals: 2 update_interval: 10s Посилання на коментар Поділитися на інших сайтах More sharing options...
TaurosRMK Опубліковано: 16 січня 2025 Автор Поділитись Опубліковано: 16 січня 2025 (змінено) Черговий апдейт, куди ж без цього 😁 Переніс приточний сенсор на сторону до будинку, хоть в розрахунках була врахована густина повітря, але об'єм повітря який поступає з вулиці трохи відрізняється від того, який я замірюю в приточних кімнатах. Тому тепер обидва сенсори зі сторони будинку. У формулі врахована густина повітря по сенсорах темпертатури/вологості. Сьогодні зробив контрольні заміри. В таблиці жирним виділені заміри анемометром, синім показані результати з сенсорів. Внизу коефіцієнт співвідношення показань з анемометра до показань з сенсорів. До показань сенсорів не враховане падіння тиску на трубках (про які написано вище), його треба відмінусувати від показань сенсору і по оновлених даних перепаду тиску рахувити об'єм повітря. Хоча там не дуже велика похибка буде, але врахувати можна. В заводських зондах зустрічається коефіцієнт 0.8165, який не є константою і коливається в залежності від різних факторів, але це якесь середнє значення яке вказують виробники. Потрібно розрахувати коефіцієнт для отриманих даних і зробити коригування. Змінено 16 січня 2025 користувачем TaurosRMK 2 Посилання на коментар Поділитися на інших сайтах More sharing options...
Dmode Опубліковано: 17 січня 2025 Поділитись Опубліковано: 17 січня 2025 Як бачите з сенсорами диф тиску не так просто отримати дані що відповідають анемометру. Але для вирівнювання потоків між собою достатньо буде і так як є. Посилання на коментар Поділитися на інших сайтах More sharing options...
TaurosRMK Опубліковано: 17 січня 2025 Автор Поділитись Опубліковано: 17 січня 2025 (змінено) 2 години тому, Dmode сказав: Як бачите з сенсорами диф тиску не так просто отримати дані що відповідають анемометру. Але для вирівнювання потоків між собою достатньо буде і так як є. Так, але вирішив спробувати, тим більше що по ціні такий варіант точно в декілька разів дешевше заводських сенсорів, тай результат не сказав би що суттєво відрізняється - ціль вимірювати поточний розхід повітря досягнута. На скільки точно, це вже інше питання, але не думаю що похибка є дуже великою. А враховуючи що виглядає як заводський, крім того що зонди зроблемі вручну, то можна припустити що і працювати буде як заводський 🙃 Але тут більше і немає що робити - зонди, трубки і сенсор, все що потрібно. Заводських варіантів сенсорів швидкості, які використовують сенсори перепаду тиску, також достатньо. А ще є приводи для заслінок для VAV клапанів, які також базуються на сенсорах перепаду тиску. Зрозуміло що там більш точні результати, тому що проводяться якісь лабораторні тестування і тд. Але у всіх таких сенсорах вказується калібровочний коефіцієнт який менше 1, тому показання з сенсору точно є вищими за реальні і їх потрібно коригувати. Виробники вказують один коефіцієнт для всього діапазану, але дають примітку що коефіцієнт не є сталою величиною і залежить від багатьох факторів, а також вказують що допустима похибка при малих швидкостях. Тому якщо навіть відомі виробники чітко вказують що допустима похибка і отримані дані з сенсорів потрібно коригувати, то в DIY варіанті сенсорів це також варто застосувати і врахувати. Як видно з таблиці вище, показання сенсорів дійсно вищі ніж заміри по анемометру. Також не факт що по анемометру вимірювання не без похибки, але плюс-мінус є на що орієнтуватися. По формулі яка показана вище розрахував коефіцієнт для кожного зі своїх замірів. Він вийшов різним для різних швидкостей, а середній коефіцієнт дуже близький до того, що вказують виробники. Можна було би просто записати цей коефіцієнт і все, але тоді трохи не вірні показники будуть, на малих швидкостях буде завищувати, а не великих наоборот занижувати, а посередині буде більш-менш нормально. Тому взяв ці коефіцієнти, трохи округлив їх і записав калібрування по швидкості на кожну з цих точок. В результаті отримую відкалібровану швидкість і дальше розраховується об'єм повітря, який плюс-мінус співпадає з тими замірами, які робив анемометром. Густина повітря, поправка на падіння тиску і тд, це все враховується динамічно і відповідно до цього результи коригуються. Якась похибка присутня точно, це не виключно, але якщо я зараз візьму анемометр і виберу рандомну швидкість вентиляторів, а потім зроблю заміри, то показання з сенсорів до показань анемометра будуть близькими. Ціль досягнута, тому можна користуватися. Ось тут показаний код в ESPHome, який то все розраховує. Змінено 17 січня 2025 користувачем TaurosRMK 2 Посилання на коментар Поділитися на інших сайтах More sharing options...
Vstar Опубліковано: 17 січня 2025 Поділитись Опубліковано: 17 січня 2025 49 хвилин тому, TaurosRMK сказав: Ціль досягнута, тому можна користуватися. Саме головне, що задоволені результатом та розібрались. Це не просто 1 Посилання на коментар Поділитися на інших сайтах More sharing options...
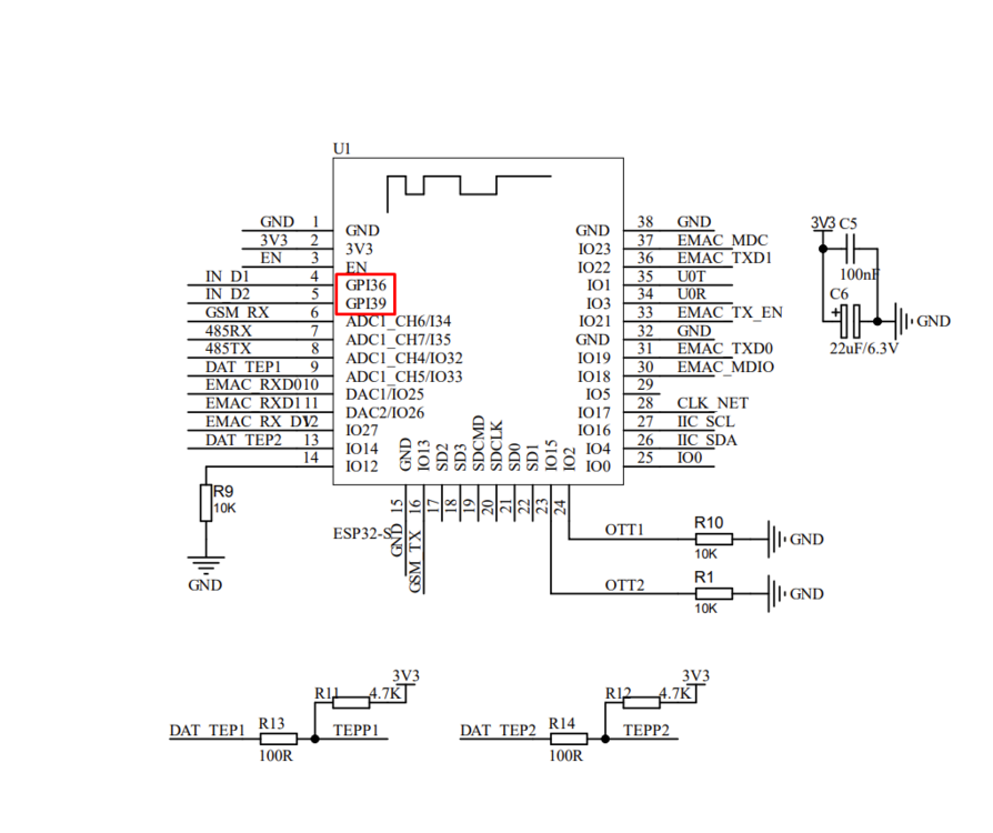
TaurosRMK Опубліковано: 22 січня 2025 Автор Поділитись Опубліковано: 22 січня 2025 (змінено) Я вже думав що на сенсорах потоку все закінчиться, але воно мене не відпускає 🤣 Вилізла проблема зі зчитуванням обертів з вентиляторів. Хоча зараз вже можна орієнтуватися на сенсори потоку, але якщо вже є ті оберти, то чому їх не зчитувати, можуть пригодитися в декотрих автоматизаціях. Нагадаю що в мене контролер Kincony A2 на базі ESP32, який має два цифрових входи і раніше до них якраз були під'єднані дроти від вентиляторів, щоб зчитувати оберти. Все працювало добре, в один момент почав барахлити приточний вентилятор, потім і витяжний, то оберти 50-100К, то взагалі 0 обертів, при працюючих вентиляторах. Про всяк випадок вирішив замовити ще один контролер, якщо в результаті експеримернів щось піде не так, то буде на заміну. Недавно отримав і вирішив перевірити чи будуть на новому контролері оберти зчитуватися. Підключив, запустив, по нулях... Дивно якось, на першому контролері інколи хоть щось показувало, на новому взагалі нічого. Все добре підключено, ще додатково об'єднав GND напряму, хоча вони і так були об'єднані через інші пристрої. Але результату ніякого, нічого не показує. Підключаю до окремої ESP32, оберти зчитуються, а в Kincony A2 чомусь ні, хоча декілька місяців все працювало добре, а потім щось пішло не так. Можна так і зробити, для зчитування обертів використати окрему ESP32, але не хочеться це все городити, якщо в Kincony A2 є все готове для цього, лише проводи під'єднати. Але чомусь не хоче зчитувати оберти. Осцилографа нажаль немає, щоб перевірити що там, але якщо на окремо взятій ESP32 оберти зчитується, а на Kincony A2 не хочуть, то проблема напевно не у вентиляторах. - platform: pulse_counter pin: number: GPIO36 inverted: true mode: input: true name: "Fan Supply RPM" id: supply_fan_rpm icon: mdi:speedometer unit_of_measurement: "RPM" update_interval: 1s accuracy_decimals: 0 filters: - multiply: 0.5 - exponential_moving_average: send_every: 5 Змінено 23 січня 2025 користувачем TaurosRMK Посилання на коментар Поділитися на інших сайтах More sharing options...
TaurosRMK Опубліковано: 23 січня 2025 Автор Поділитись Опубліковано: 23 січня 2025 Тим часом на окремій ESP32 все чудово працює, навіть без додаткових підтягуючих резисторів, тільки вбудований. А на Kincony A2 не хоче чомусь, хоча той самий код, однакове підключення, в тому самому щитку все знаходиться. Цифрові входи Kincony A2 перевірив, реагують на кнопку, так що робочі. Але оберти не хочуть зчитувати. * Стрибки обертів це автоматизація, тому все добре. Посилання на коментар Поділитися на інших сайтах More sharing options...
Dmode Опубліковано: 23 січня 2025 Поділитись Опубліковано: 23 січня 2025 Не знаю чи це якось допоможе, але до мого контролера ось так підключені тахо. Посилання на коментар Поділитися на інших сайтах More sharing options...
TaurosRMK Опубліковано: 23 січня 2025 Автор Поділитись Опубліковано: 23 січня 2025 (змінено) 41 хвилину тому, Dmode сказав: Не знаю чи це якось допоможе, але до мого контролера ось так підключені тахо. Якщо ви про підтягуючі резистори, то в Kincony A2 вони розпаяні на платі і підтягнуті до 3.3В. По схемі потрібен резистор ≥ V, а вбудовані резистори 4.7К, тому все ок має бути. Тобто все що потрібно це підключити тахо на входи і GND на GND, все має працювати. І все працювало до якогось одного моменту. І це не була зміна обладнання чи щось таке, просто в один день приточний вентилятор перестав правильно показувати оберти, через декілька тижнів витяжний, а потім обидва взагалі по нулях показували. Тим не менше на такі платі все ок, графік вище з неї. Також на вбудованому підтягуючому резисторі, без зовнішніх. Змінено 23 січня 2025 користувачем TaurosRMK Посилання на коментар Поділитися на інших сайтах More sharing options...
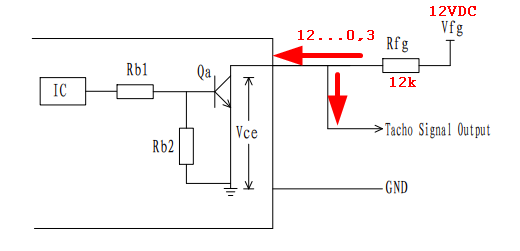
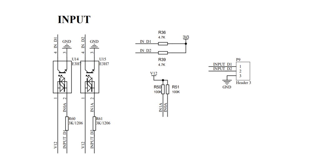
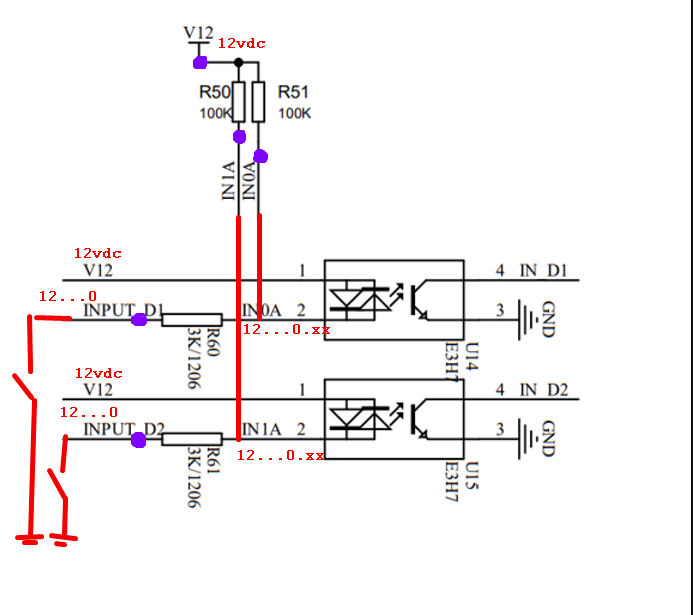
vbb Опубліковано: 23 січня 2025 Поділитись Опубліковано: 23 січня 2025 3 години тому, TaurosRMK сказав: Якщо ви про підтягуючі резистори, то в Kincony A2 вони розпаяні на платі і підтягнуті до 3.3В. По схемі потрібен резистор ≥ V, а вбудовані резистори 4.7К, тому все ок має бути. Тобто все що потрібно це підключити тахо на входи і GND на GND, все має працювати. І все працювало до якогось одного моменту. І це не була зміна обладнання чи щось таке, просто в один день приточний вентилятор перестав правильно показувати оберти, через декілька тижнів витяжний, а потім обидва взагалі по нулях показували. Тим не менше на такі платі все ок, графік вище з неї. Також на вбудованому підтягуючому резисторі, без зовнішніх. намалюйте, будь ласка, схему вашого фактичного підключення... тому що те, що ви кажете, підтягування 3,3 В - це вхід IC і не так пов’язане з підтягуванням на дроті тахо. тоді R50-R51 може бути "як", але є R60-R61, який обмежує струм на стороні тахометра, тому, можливо, недостатньо потужності для самого тахометра? тому потрібно застосувати Rfg відповідно до вимог. до речі, де ви взяли Vfg? 1 Посилання на коментар Поділитися на інших сайтах More sharing options...
TaurosRMK Опубліковано: 23 січня 2025 Автор Поділитись Опубліковано: 23 січня 2025 Хм... Вирішив попробувати ще одне, вже як крайній випадок. Все що в щитку підключено до одного блоку живлення на 24В. Kincony A2 має вхід 9-24В, тому щоб не тулити ще якись додатковий блок живлення окремо для Kincony A2, підключив до того ж блоку. Працює і працює, декілька місяців працював без проблем. Вирішив підключити Kincony A2 до окремого блоку, але окремого блоку живлення на 12В немає, тому використав понижуючий модуль від того ж блоку на 24В. І шо, воно працює 🙃 WTF? Що не так, це я вже не знаю. Може йому 24В забагато і веде себе незрозуміло, чи що. Але подав 12В і все ок. Можливо по тій же причині раніше були проблеми з сенсорами DS18B20 та іншими? Тепер є підозри що може так і було. Треба перевірити, бо їх вже відключив. Посилання на коментар Поділитися на інших сайтах More sharing options...
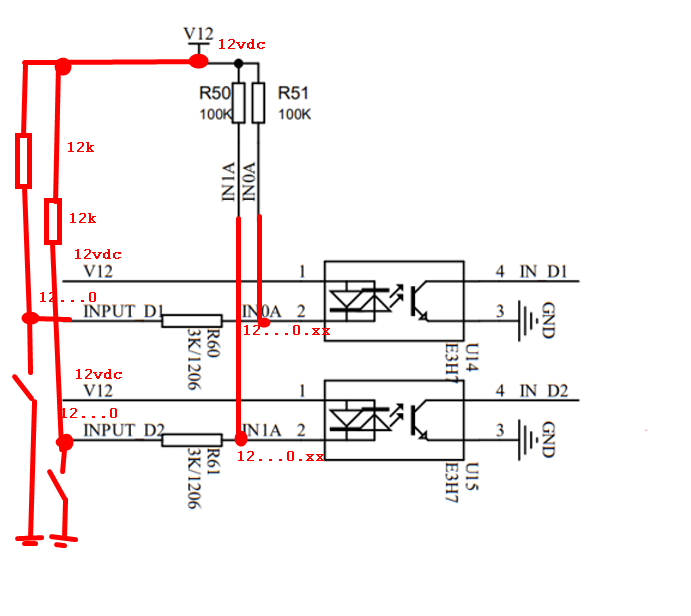
TaurosRMK Опубліковано: 23 січня 2025 Автор Поділитись Опубліковано: 23 січня 2025 9 хвилин тому, vbb сказав: намалюйте, будь ласка, схему вашого фактичного підключення... Я не вмію малювати суто електричні схеми, тому тільки ось так. Тільки зараз живлення контролера Kincony A2 йде через понижуючий модуль 24В>12В, все інше без змін. Посилання на коментар Поділитися на інших сайтах More sharing options...
TaurosRMK Опубліковано: 23 січня 2025 Автор Поділитись Опубліковано: 23 січня 2025 14 хвилин тому, vbb сказав: підтягування 3,3 В Ці резистори стоять зі сторони пінів ESP32, тобто вони підтягують самі піни. Щось трохи тикав мулитиметром, від одної ніжки резистора йде пряма дорога до піна на ESP32, а з іншого боку до 3.3В, який також підведено до живлення самого модуля ESP32. Посилання на коментар Поділитися на інших сайтах More sharing options...
vbb Опубліковано: 23 січня 2025 Поділитись Опубліковано: 23 січня 2025 (змінено) 33 хвилини тому, TaurosRMK сказав: Я не вмію малювати суто електричні схеми, тому тільки ось так. Тільки зараз живлення контролера Kincony A2 йде через понижуючий модуль 24В>12В, все інше без змін. означає, що ви не використовуєте додаткове підтягування, тому тахометр використовує внутрішні R50-R51 + R60-R61 100k+3k - замість 12k-24k. я думаю, що це може працювати, але нестабільно/непередбачувано. Подивіться, там через резистор обмежувача 12k у вас є джерело живлення для схеми тахогенератора та вихідних імпульсів. якщо у вас 103k замість 12k, то струм для тахометра буде досить низьким, і форми імпульсів можуть погіршитися Змінено 23 січня 2025 користувачем vbb 2 Посилання на коментар Поділитися на інших сайтах More sharing options...
vbb Опубліковано: 23 січня 2025 Поділитись Опубліковано: 23 січня 2025 (змінено) 3 хвилини тому, TaurosRMK сказав: Ці резистори стоять зі сторони пінів ESP32, тобто вони підтягують самі піни. це повинно менше хвилювати вас, ніж інша сторона оптопари Змінено 23 січня 2025 користувачем vbb Посилання на коментар Поділитися на інших сайтах More sharing options...
TaurosRMK Опубліковано: 23 січня 2025 Автор Поділитись Опубліковано: 23 січня 2025 39 хвилин тому, vbb сказав: тому потрібно застосувати Rfg відповідно до вимог. до речі, де ви взяли Vfg? 9 хвилин тому, vbb сказав: ніж інша сторона оптопари Ну от було підключено 24В, ніякої реакції на тахо. Зараз я про новий контролер Kincony A2, який поставив на місце старого, хоча на старому і при 24В працювало декілька місяців, але потім в один час перестало. Подав 12В і зразу запрацював тахо, з внутрішніми резисторами, просто під'єднав дріт тахо на вхід. Чому саме так я без поняття, це питання до спеціалістів. Я також подивлюся чи не буде помилок з іншим, наприклад з датчиками які любили інколи сипати помилки, і не зрозуміло чому. Але: Працює, треба декілька днів щоб подивитися чи не буде змін в роботі. Поки що все стабільно. Якщо таки використовувати додаткові підтяжки, то до чого підтягувати, до 12В/24В вхідних на контролер? А не буде воно одно другому заважати? Я експерименти наче люблю, але хоча б розуміти що і куди, щоб потім той контролер не сказав тю-тю ))) Посилання на коментар Поділитися на інших сайтах More sharing options...
vbb Опубліковано: 23 січня 2025 Поділитись Опубліковано: 23 січня 2025 10 хвилин тому, TaurosRMK сказав: Чому саме так я без поняття, це питання до спеціалістів Треба подивитися за допомогою осцилографа 39 хвилин тому, vbb сказав: це може працювати, але нестабільно/непередбачувано 1 Посилання на коментар Поділитися на інших сайтах More sharing options...
vbb Опубліковано: 23 січня 2025 Поділитись Опубліковано: 23 січня 2025 (змінено) 1 година тому, TaurosRMK сказав: Я експерименти наче люблю, але хоча б розуміти що і куди, щоб потім той контролер не сказав тю-тю ))) для експерименту, ви можете спробувати перевірити на старій платі - 1. яка напруга на R50 - R51? з одного боку до GND? і інша сторона до GND? 2. яка напруга на R60-R61 (знову на землю) 3. Як це змінюється, коли ви робите коротке замикання "INPUT D1 або D2 на землю"? Змінено 23 січня 2025 користувачем vbb 1 Посилання на коментар Поділитися на інших сайтах More sharing options...
vbb Опубліковано: 23 січня 2025 Поділитись Опубліковано: 23 січня 2025 23 хвилини тому, TaurosRMK сказав: Якщо таки використовувати додаткові підтяжки, то до чого підтягувати, до 12В/24В вхідних на контролер? логічно до того ж джерела, що й плати або з плати, де 12В 1 Посилання на коментар Поділитися на інших сайтах More sharing options...
TaurosRMK Опубліковано: 23 січня 2025 Автор Поділитись Опубліковано: 23 січня 2025 (змінено) 1 годину тому, vbb сказав: для експерименту, ви можете спробувати перевірити на старій платі Є шанс що щось піде не так? )) Зрозуміло якщо не туди щуп поставити, то все може бути, плата то наче "стара", але фактично їй напевно нічого не бракує, то я просто купив "про запас", якщо з основною щось станеться, щоб мати заміну. Тобто в цих точках міряти напругу, вірно? Змінено 23 січня 2025 користувачем TaurosRMK Посилання на коментар Поділитися на інших сайтах More sharing options...
TaurosRMK Опубліковано: 23 січня 2025 Автор Поділитись Опубліковано: 23 січня 2025 6 годин тому, vbb сказав: означає, що ви не використовуєте додаткове підтягування, тому тахометр використовує внутрішні R50-R51 + R60-R61 100k+3k - замість 12k-24k. я думаю, що це може працювати, але нестабільно/непередбачувано. Тут є @yur43, який також використовує схожий контролер для вентиляторів, тільки старшу модель (А4). Але там така сама обв'язка входів і здається він писав що не використовує ніяких додаткових підтягуючих резисторів, тільки те що розпаяно на платі. І наче все працює добре вже довгий час. Тільки в тому контролері живлення фіксовано на 12В. @yur43 все добре з цифровими входами для зчитування обертів, пряцюють без підтяжки чи все ж таки використовуєте? Посилання на коментар Поділитися на інших сайтах More sharing options...
Рекомендовані повідомлення
Створіть акаунт або увійдіть у нього для коментування
Ви маєте бути користувачем, щоб залишити коментар
Створити акаунт
Зареєструйтеся для отримання акаунта. Це просто!
Зареєструвати акаунтУвійти
Вже зареєстровані? Увійдіть тут.
Увійти зараз