Dron Опубліковано: 8 січня 2010 Автор Поділитись Опубліковано: 8 січня 2010 не занимайтесь ленинградкой, делайте так же как и на 1 паралельную систему, а то намучаетесь. Утром, с просоня, не понял о "ленинградке". Уточняю, задумка была не ленинградкой это всё разводить, а сделать кольцо подачи и кольцо обратки. Посилання на коментар Поділитися на інших сайтах More sharing options...
Сергей_84 Опубліковано: 8 січня 2010 Поділитись Опубліковано: 8 січня 2010 ОДНОТРУБНАЯ СИСТЕМА Известна также как "ленинградка". В однотрубной системе отопительные приборы присоединяются друг к другу последовательно, т.е. теплоноситель последовательно проходит все приборы и только потом возвращается к котлу. Однотрубная система бывает вертикальной, как в большинстве многоэтажных зданий и горизонтальной, когда система охватывает отопительные приборы на одном этаже. Однотрубная система популярна при устройстве отопления в многоквартирных многоэтажных зданиях, поскольку она требует меньшее количество труб по сравнению с двухтрубными системами. Другим достоинством системы является ее гидравлическая устойчивость, что означает, что при изменении расхода воды во всей системе, количество воды в каждой батарее изменится одинаково. Большим недостатком системы является сложность ее расчета. Если допустить ошибку при расчете отопительных элементов, то исправить ее последствия будет сложно, поскольку изменение параметров одной батареи сильно влияет на работу всех остальных батарей. Второй недостаток – повышенное гидравлическое сопротивление. Это именно та система о которой вы писали как я понял. Посилання на коментар Поділитися на інших сайтах More sharing options...
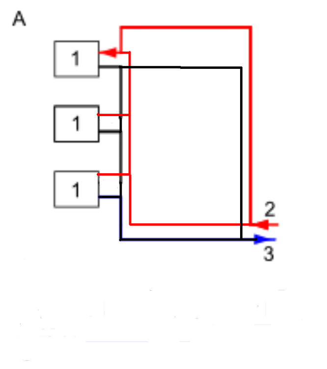
Dron Опубліковано: 8 січня 2010 Автор Поділитись Опубліковано: 8 січня 2010 Это именно та система о которой вы писали как я понял. НЕТ, я имел ввиду кольцо подачи и кольцо обратки. При выходе подачи на второй этаж, ставлю тройник и в две стороны погнал кольцо. Точно так делаю и с обраткой. Посилання на коментар Поділитися на інших сайтах More sharing options...
murava Опубліковано: 8 січня 2010 Поділитись Опубліковано: 8 січня 2010 ....., прошу Мураву не набрасываться по поводу множества 16 трубы, если нужно (из принцыпа) могу обосновать научно с расчетами..... Полноте, я вообще тихий и спокойный, как мирный атом .... Посилання на коментар Поділитися на інших сайтах More sharing options...
Сергей_84 Опубліковано: 8 січня 2010 Поділитись Опубліковано: 8 січня 2010 Полноте, я вообще тихий и спокойный, как мирный атом .... ;) так на всякий пожарный)) Посилання на коментар Поділитися на інших сайтах More sharing options...
Сергей_84 Опубліковано: 8 січня 2010 Поділитись Опубліковано: 8 січня 2010 НЕТ, я имел ввиду кольцо подачи и кольцо обратки. При выходе подачи на второй этаж, ставлю тройник и в две стороны погнал кольцо. Точно так делаю и с обраткой. теперь понятно, было закралась такая мысль, но потом глянул еще раз на рисунок и прочел 1 сообщение и все таки подумал что ленинградка теперь по вашей схеме: с точки зрения гидравлики предложенная вами схема весьма хороша, а вот с точки зрения материальных ресурсов она раскошелит вас . Вот вам промежуточный вариант: нечно среднее между предложенной мною и вами если вы опасатетесь. В работе будет хороша Посилання на коментар Поділитися на інших сайтах More sharing options...
Сергей_84 Опубліковано: 8 січня 2010 Поділитись Опубліковано: 8 січня 2010 а если есть возможность потянуть трубу посреди дома то вобще будет дешево и мегаработающе вот такая сххема Посилання на коментар Поділитися на інших сайтах More sharing options...
Dron Опубліковано: 8 січня 2010 Автор Поділитись Опубліковано: 8 січня 2010 теперь по вашей схеме: с точки зрения гидравлики предложенная вами схема весьма хороша, а вот с точки зрения материальных ресурсов она раскошелит вас . Может я что-то не так прикидываю, но даже если взять Вашу схему и соединить крайние радиаторы 16 тубой, а это дополнительно 15 мп (172,50 грн) и 4 прессовых тройка (200 грн). Согласен что, если не заужать сечение кольца, то навскидку вскочит разница в районе 1000 грн. Посилання на коментар Поділитися на інших сайтах More sharing options...
Dron Опубліковано: 8 січня 2010 Автор Поділитись Опубліковано: 8 січня 2010 а если есть возможность потянуть трубу посреди дома то вобще будет дешево и мегаработающе вот такая схема Думал над этим, но только в другом ракурсе. Два радиатора (которые на схеме справа) думал подключить от радиатора санузла первого этажа. Что на это скажите? Посилання на коментар Поділитися на інших сайтах More sharing options...
Сергей_84 Опубліковано: 8 січня 2010 Поділитись Опубліковано: 8 січня 2010 Думал над этим, но только в другом ракурсе. Два радиатора (которые на схеме справа) думал подключить от радиатора санузла первого этажа. Что на это скажите? сложно мне рассказать почему. я бы наверное так не делал, не люблю сажать радиаторы одной комнаты на разные ветки. а радиаторы разных этажей и подавно. Хотя в работе хуже не будет, правда возможно в моей схеме 1 этажа прийдется поменять диаметры некоторых участков с 16 на 20 Плюс еще и штробить вертикаль на 2 этаж нужно. Я понимаю что вероятней всего это бесплатно, но ведь самому и прийдется подолбаться Посилання на коментар Поділитися на інших сайтах More sharing options...
Сергей_84 Опубліковано: 8 січня 2010 Поділитись Опубліковано: 8 січня 2010 Может я что-то не так прикидываю, но даже если взять Вашу схему и соединить крайние радиаторы 16 тубой, а это дополнительно 15 мп (172,50 грн) и 4 прессовых тройка (200 грн). Согласен что, если не заужать сечение кольца, то навскидку вскочит разница в районе 1000 грн. не могу понять в чем моя схемав неэкономична. Вы ведь по периметру двойную 20 ложите, а это уже самое дорогое что можно сделать, да еще и тройников 20 на 4 больше чем реально можно поставить Или я Вас недопонял. Всё я точно недопонял!!!:D:D можете не читать мои слова Возникает вопрос, а ради чего тратить эти 400грн?? Можете на него ответить? Тем более могу сказать что при вашем кольце , его вобще можно наполовину 16 сделать, но зачем?..... Посилання на коментар Поділитися на інших сайтах More sharing options...
Dron Опубліковано: 8 січня 2010 Автор Поділитись Опубліковано: 8 січня 2010 Сергей, задам вопрос по-другому. Справится-ли 20 труба на 7 радиаторов биметал по 10 секций?. Спасибо. Все мои сомнения и растраты, которые хочется минимизировать, сводятся к тому что я не уверен, а в точности не знаю т.к. не специалист, хватит-ли пропускной способности 20 трубы для радиаторов второго этажа. Только для этого я и рассматривал вариант с кольцеванием подачи и обратки. Посилання на коментар Поділитися на інших сайтах More sharing options...
Сергей_84 Опубліковано: 8 січня 2010 Поділитись Опубліковано: 8 січня 2010 Сергей, задам вопрос по-другому. Справится-ли 20 труба на 7 радиаторов биметал по 10 секций?. Спасибо. Все мои сомнения и растраты, которые хочется минимизировать, сводятся к тому что я не уверен, а в точности не знаю т.к. не специалист, хватит-ли пропускной способности 20 трубы для радиаторов второго этажа. Только для этого я и рассматривал вариант с кольцеванием подачи и обратки. По первому этажу: то что я нарисовал, за это могу ответить По второму аналогично. По вашему вопросу. Вы в силу того, что не являетесь специалистом в гидравлике отопления кардинально неправильно его задали. На пропускную способность влияет не только количество радиаторов и секций, а в большей мере длинны веток между этими радиаторами. Если упрощенно ответить: если все 7 радиаторов будут стоять на расстоянии 1 метр друг от друга и до котла будет не больше 6-10 метров, то все они будут одной температуры и будут отдавать количество тепла строго по паспорту при соединении их 20 трубой . Это могу заявить 100%. Все остальное лучше посчитать. Если вы на схеме напишите мощности радиаторов 2 этажа и длины участков между ними я для Вас могу перепроверить дабы вы на 99% были уверены. Хотя я диаметры труб и так с запасом для вас писал, если посчитать скрупулезно то с большой вероятностью на моей схеме пару участков были бы брошены 16 вместо 20. Но чтобы остальные на меня не кричали я минимизировал количество 16 трубы как мог. Дальше мне не позволяет мозг. Посилання на коментар Поділитися на інших сайтах More sharing options...
Korni Опубліковано: 8 січня 2010 Поділитись Опубліковано: 8 січня 2010 20-я труба пропустит через себя 4-14 кВт, в зависимости от скорости и потерь давления на трение в фитингах. Посилання на коментар Поділитися на інших сайтах More sharing options...
Сергей_84 Опубліковано: 8 січня 2010 Поділитись Опубліковано: 8 січня 2010 и укажите длину участка от котла до разветвления на 2 этаже. На этом участке будут основные потери напора в трубах(большая мощность поэтому большой расход и длинный участок трубы) Посилання на коментар Поділитися на інших сайтах More sharing options...
Сергей_84 Опубліковано: 8 січня 2010 Поділитись Опубліковано: 8 січня 2010 20-я труба пропустит через себя 4-14 кВт, в зависимости от скорости и потерь давления на трение в фитингах. вот, по-моему лучше ответить не возможно. Явно проэктант писал или я не прав? а вот чтобы понять до какой величины из этого диапазона доберетесь вы нужны те параметры которые я у вас попросил Посилання на коментар Поділитися на інших сайтах More sharing options...
Dron Опубліковано: 8 січня 2010 Автор Поділитись Опубліковано: 8 січня 2010 и укажите длину участка от котла до разветвления на 2 этаже. На этом участке будут основные потери напора в трубах(большая мощность поэтому большой расход и длинный участок трубы) От котла до гребенки (наверное 32 труба): 7 - 8 мп От гребенки до разветвления 2-го этажа: 5 мп Между радиаторами: 1 -> 2 / 1 - 1,5мп 2 -> 3 / 4мп 3 -> 4 / 3мп 1 -> 6 / 9мп 6 -> 5 / 1,5мп 1 -> 7 / 4мп Посилання на коментар Поділитися на інших сайтах More sharing options...
Сергей_84 Опубліковано: 8 січня 2010 Поділитись Опубліковано: 8 січня 2010 Сделал я перепроверку 2 этажа. По первому вобще нет вопросов. Все как на последней миниатюре написано так и оставлять. Но для большего равновесия разветвлений 2 этажа можно участок 1--5(6) бросить 20 трубой.(там около 3,5 кВт протекает) Он и 16 будет отлично работать, но это будет самая так сказать сложнодоступная ветка в доме по потерям давления и чтобы вам не мучаться с балансировкой радиаторов лучше бросить её 20 дабы уравновесить системку. Исходными даными были: 1.средние теплопотери помещеня 100 Вт/кв м 2. потеря давления на самом труднодоступном радиаторе <<< 20 кПа 3. насос со среднестатистического двухконтурника 24 кВт 1000 кг/час при напоре 2,5 метра 4. Длина ветки от коллектора до разветвления 2 этажа 5 м*2=10 м 5. В итоге 2 этаж 8,5 кВт в среднем Судя по расстоянрию от котла до коллектора 7-8 м и приблизительную мощность системы около 20-22 кВт Вам прийдется заложить 32 диаметр трубы МП Посилання на коментар Поділитися на інших сайтах More sharing options...
Dron Опубліковано: 8 січня 2010 Автор Поділитись Опубліковано: 8 січня 2010 Сергей спасибо. Даст Бог буду в Киеве - с меня "сувенир из Луганска". Посилання на коментар Поділитися на інших сайтах More sharing options...
Dron Опубліковано: 8 січня 2010 Автор Поділитись Опубліковано: 8 січня 2010 Судя по расстоянрию от котла до коллектора 7-8 м и приблизительную мощность системы около 20-22 кВт Вам прийдется заложить 32 диаметр трубы МП Вы хотите предположить, что для дома будет достаточно 24 кВт котла? Я собирался ставить 30 - 40 кВт. Дом, по-сути, как два вторых этажа + сауна 50м2, всего порядка 220 м2. Посилання на коментар Поділитися на інших сайтах More sharing options...
Сергей_84 Опубліковано: 8 січня 2010 Поділитись Опубліковано: 8 січня 2010 Сергей спасибо. Даст Бог буду в Киеве - с меня "сувенир из Луганска". Я дальше-житомирянин Посилання на коментар Поділитися на інших сайтах More sharing options...
Сергей_84 Опубліковано: 8 січня 2010 Поділитись Опубліковано: 8 січня 2010 Вы хотите предположить, что для дома будет достаточно 24 кВт котла? Я собирался ставить 30 - 40 кВт. Дом, по-сути, как два вторых этажа + сауна 50м2, всего порядка 220 м2. тут ужь все зависит от степени утепленности стен и состояния давления газа в сети при -22. Если вы хорошо утеплены, то средние теплопотери могут быть и 70 вт/кв м . В итоге нужно будет 16 квт +10% =18 квт. Все познается в расчетах)Что у вас за стены и какой пирог крыши? Если теплопотери все таки 100 вт и есть возможность я бы поставил 30 кВт напольник и бойлер. Удовольствие не самое дешевое, но зато горячей воды будет не на 24 , а на 30 кВт, и пофиг вам будет на незначительное снижение давление газа в сети. Посилання на коментар Поділитися на інших сайтах More sharing options...
Dron Опубліковано: 8 січня 2010 Автор Поділитись Опубліковано: 8 січня 2010 Я дальше-житомирянин Жаль. Очень жаль. Про Мураву я вообще молчу - ну просто очень далеко. Посилання на коментар Поділитися на інших сайтах More sharing options...
Korni Опубліковано: 8 січня 2010 Поділитись Опубліковано: 8 січня 2010 .....я бы поставил 30 кВт напольник и бойлер. Удовольствие не самое дешевое, но зато горячей воды будет не на 24 , а на 30 кВт.... Сергей, ну шо вы такое пишите.... человек в смущение вгоняете.... Неправда это... Посилання на коментар Поділитися на інших сайтах More sharing options...
Dron Опубліковано: 8 січня 2010 Автор Поділитись Опубліковано: 8 січня 2010 тут ужь все зависит от степени утепленности стен и состояния давления газа в сети при -22. Что у вас за стены и какой пирог крыши? Стена: пол кирпича (керамика пустотелая) - 100мм утеплитель (перлит) - пол шлакоблока пустотелого - гипсокартон по профилям. Крыша: 150 мм утеплителя. Еще в раздумьях добавлять что-нибудь или нет. Если теплопотери все таки 100 вт и есть возможность я бы поставил 30 кВт напольник и бойлер. Удовольствие не самое дешевое, но зато горячей воды будет не на 24 , а на 30 кВт, и пофиг вам будет на незначительное снижение давление газа в сети. Газ, среднее давление. Обещали пустить до Нового года, да вот непогода помешала. Дело в том что по-поводу 30 котла я интересовался на перспективу. У меня уже куплен навесной 24 кВт Аристон , но если всё будет как задумывалось, планирую его оставить как резервный и для приготовления горячей воды, а 30 поставить для отопления. Посилання на коментар Поділитися на інших сайтах More sharing options...
Рекомендовані повідомлення
Створіть акаунт або увійдіть у нього для коментування
Ви маєте бути користувачем, щоб залишити коментар
Створити акаунт
Зареєструйтеся для отримання акаунта. Це просто!
Зареєструвати акаунтУвійти
Вже зареєстровані? Увійдіть тут.
Увійти зараз