Diver Опубліковано: 16 листопада 2011 Поділитись Опубліковано: 16 листопада 2011 Подключил вчера термостат. Оказывается заглушка была выведенав в жмут проводов (красные провод) и можно было коробку не вскрывать. Не понятно с DIP переключателями. Нужно переключить котел на режим "теплый пол" или оставить как есть? Что это даст - по другому будет воду греть? что это дает: встречал рекомендации на сколько градусов можно понижать температуру от комфортной, и как это понижение влияет на расход газа: - если понижать на время менее суток, то нет смысла понижать более на 5С, с 21С например до 10С. так как потом при нагреве обратно с 10С до 21С сожрет газа и очень много. на непродолжительное время рекомендуют понизить на 5С. понижение на 6С 7С 8С итюдю уже на дает ощутимой экономии. а вот если вы там неделю не появляетесь и более, то можно и до 10С понизить. и вот еще такие рекомендации нашел: Зачем нужен комнатный термостат Комнатный термостат – прибор, который регулирует работу газового котла в зависимости от температуры воздуха в помещении. Мы не зря обращаем Ваше внимание на температуру воздуха.Но начнем по порядку – когда у Вас установлен газовый котел, то температуру в помещении, которою он отапливает, Вы регулируете путем увеличения или уменьшения температуры теплоносителя (ВОДЫ) в Вашей системе отопления. Включение и выключение котла происходит уже в зависимости от того, достигла ли ВОДА в системе отопления заданной на котле температуры. При понижении или повышении температуры за пределами помещения, Вам опять необходимо регулировать температуру отопления на Вашем котле вручную. И эти манипуляции необходимо проделывать весь отопительный сезон, когда температура в отапливаемом помещении становится либо слишком прохладной, либо слишком жаркой.В таком режиме работы происходят очень частые пуски котла на небольшой период времени. Как правило - один раз в 5-10 минут на 1-2 минуты работы горелки котла. То есть котел постоянно работает в режиме включения-выключения. При этом циркуляционный насос котла работает ПОСТОЯННО, не в зависимости от того горит ли газ в котле или нет.Расход электроэнергии двухконтурным котлом мощностью 24кВт в отопительный период посчитать не составит труда - это порядка 60-90Вт/час. А это уже 1,44-2,160 кВт в сутки или 43-65 кВт в месяц.Не о каком комфорте, экономии и долговечности работы газового прибора здесь не может быть и речи. Как работает комнатный термостат? Вы задаете на термостате необходимую Вам температуру в помещении, - например + 23°С. При понижении температуры воздуха на 0,25°С (порог срабатывания зависимости от моделей термостата), термостат дает команду котлу на включение – котел начинает работать на отопление.Как только температура воздуха в помещении достигает + 23,25 °С термостат отключает котел. Причем отключает не только горелку, а и насос (начинаем экономить).Воздух в помещении остывает намного медленнее, чем вода в системе отопления, и частота включений котла сокращается в десятки раз, что не может не сказаться на увеличении срока эксплуатации прибора.Теперь Вам нет необходимости регулировать температуру на котле вручную – один раз вы ее задали на термостате!Потеплело зимой на улице – котел не включается, собралась вся семья в доме, температура в помещении повысилась - котел не включается, солнце греет комнату через окно – котел не включается, ваша квартира находиться внутри дома и соседские квартиры Вас подогревают- котел не включается.Котлы не управляемые термостатом, бесполезно расходуют до 25-30% энергии, так как повышение комнатной температуры, свыше требуемой, даже на 1°С, кроме ощутимого дискомфорта, приводит к значительному перерасходу топлива котлом.Теперь можете поднять расчетные книжки по газу, посчитать, какую сумму вы заплатили за последний отопительный сезон. Отнять от этой суммы 25-30%- именно на столько бы Вы заплатили меньше за газ, если бы у Вас был установлен комнатный термостат.Плюс еще 30-40кВт сэкономленной электроэнергии в месяц и еще плюс уменьшение износа котла. 1 Посилання на коментар Поділитися на інших сайтах More sharing options...
Tavruxa Опубліковано: 16 листопада 2011 Поділитись Опубліковано: 16 листопада 2011 По поводу рекомендаций к термостату - все хорошо и красиво, вот только незадача, если в доме больше чем 1 этаж (или сильно разнесенные помещения)... контроль то идет, а вот подобрать нужный режим для всех 3-х этажей по одному термостату установленному скажем на 1-м этаже ну никак не получается... Поэтому отказываюсь от термостата, и собираюсь ставить головки на радиаторы, для регулировки температуры в каждой комнате. ПС..Отлично использовал термостат когда нужно было просто поддерживать +10+-2С в доме, экономия была на лицо, нежеле просто работа на минимуме по Т воды.. , а начал жить, понял что увы нужно его убирать... ПС2 Использовать и головки и термостат совместно нельзя..ибо херня получится.. Посилання на коментар Поділитися на інших сайтах More sharing options...
Diver Опубліковано: 16 листопада 2011 Поділитись Опубліковано: 16 листопада 2011 (змінено) По поводу рекомендаций к термостату - все хорошо и красиво, вот только незадача, если в доме больше ....... система в доме на два этажа - это уже непростая система. Вероятно необходимо выравнивание отопления по всем комнатам и этажам. и уже "выравненым" можно рулить термостатом. (здесь есть специалисты по этому делу) Вы правильно сказали - гидрострелки и т.д. а вот теперь ситуация - периодически на 3-5 дней нужно понижать до экономного режима - вы бегаете по всем комнатам и крутите все головки на всех батареях ??? ЗЫ: термостат ставится в самой холодной комнате дома, и тогда можно совместно с термоголовками использовать.... и т.д.. об этом тоже самое обсуждают на других форумах. например: В самую прохладную комнату ставите термостат, который при достижении заданной температуры в помещении отключает котел, а в остальных комнатах на радиаторы ставите термоголовки можно как автоматические так и ручные (здорово если в котле еще можно задавать температуру теплоносителя и таким образом регулировать работу котла) Такая система позволит настроить котел на наиболее оптимальный и экономичный режим работы и получить в каждой комнате наиболее комфортные условия и вот еще И в продолжение (из другой ветки форума): Зачем ставить в большой комнате термоголовы на каждую батарею? Эффекта никакого. Поставьте на одну. Батареи, наверняка, соединены последовательно, значит нужно ставить на ту, которая в середине комнаты. Когда кран закроется вода перестанет циркулировать через все три. Еще одну термоголовку поставьте в другую комнату. Кухню можно оставить без кранов, хотя если есть лишняя 1000р. (Danfoss) можно и на кухню поставить. А ванную оставить без регулировок(!!!). Вот Вам и решение проблем. Всё регулируется, ванная маленькая, при закрытии всех кранов комнат прогреется очень быстро. Температура обратки станет равна подаче и котел выключиться. Насос будет работать как положено, а при остывании одной из комнат, термоголовки откроют подачу, температура воды начнет падать, котел это "увидит", включится и нагреет комнату/(ы). Краны и головки рекомендую Danfoss правда на счет трех батарей последовательно это заблуждение, но за включеный насос дольше чем горелка в котле - помоему очень правильно. Змінено 16 листопада 2011 користувачем Diver Посилання на коментар Поділитися на інших сайтах More sharing options...
Yarko Опубліковано: 30 жовтня 2012 Поділитись Опубліковано: 30 жовтня 2012 Буду вдячний якщо хтось підкаже як підключити програматор Computerm до котла Protherm KLZ 40. В інструкції котла пише, що перемичка для підключення є на платі управління, але я її там не бачу. Ткніть пальцем - де підключати, google відповіді не дає. Дякую наперед. Посилання на коментар Поділитися на інших сайтах More sharing options...
Сергей 31 Опубліковано: 30 жовтня 2012 Поділитись Опубліковано: 30 жовтня 2012 Вы плату хоть нашли? Если нашли фотку выложите, а мы пальцем тыкнем. Посилання на коментар Поділитися на інших сайтах More sharing options...
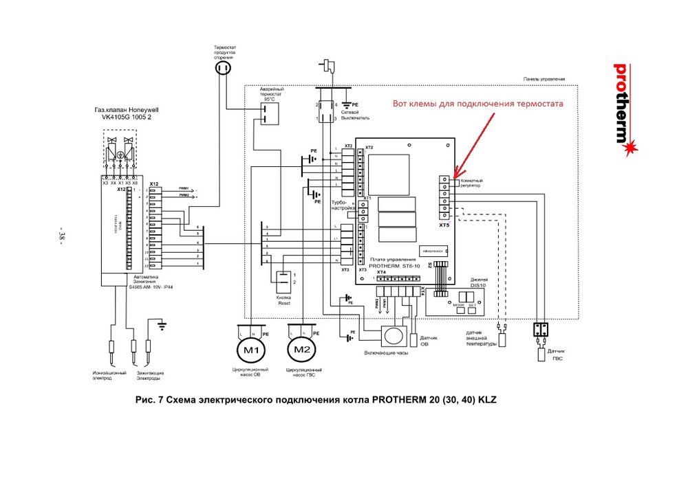
Yarko Опубліковано: 30 жовтня 2012 Поділитись Опубліковано: 30 жовтня 2012 Вы плату хоть нашли? Если нашли фотку выложите, а мы пальцем тыкнем. Ось плата, тобто панель управління. Там трохи нижче відкривши передню панель є ще щось типу перемички, але вона пластикова і думаю, що це не те... Посилання на коментар Поділитися на інших сайтах More sharing options...
Yarko Опубліковано: 30 жовтня 2012 Поділитись Опубліковано: 30 жовтня 2012 Вы плату хоть нашли? Если нашли фотку выложите, а мы пальцем тыкнем. Це не перемичка там? Чи не там шукаю? Посилання на коментар Поділитися на інших сайтах More sharing options...
Сергей 31 Опубліковано: 30 жовтня 2012 Поділитись Опубліковано: 30 жовтня 2012 Ось плата, тобто панель управління. И хто Вым сказал что это плата? Снимаете переднюю крышку, откручиваете сзади два самореза и снимаете верхнюю. Затем сверху еще пяток саморезов и откидывается морда котла. После этого до платы котла совсем недалеко. 1 Посилання на коментар Поділитися на інших сайтах More sharing options...
Interso Опубліковано: 30 жовтня 2012 Поділитись Опубліковано: 30 жовтня 2012 Буду вдячний якщо хтось підкаже як підключити програматор Computerm до котла Protherm KLZ 40. В інструкції котла пише, що перемичка для підключення є на платі управління, але я її там не бачу. Ткніть пальцем - де підключати, google відповіді не дає. Дякую наперед. Вот рисунок платы и там красной стрелкой показано куда подключить термостат. Посилання на коментар Поділитися на інших сайтах More sharing options...
Yarko Опубліковано: 30 жовтня 2012 Поділитись Опубліковано: 30 жовтня 2012 И хто Вым сказал что это плата? Снимаете переднюю крышку, откручиваете сзади два самореза и снимаете верхнюю. Затем сверху еще пяток саморезов и откидывается морда котла. После этого до платы котла совсем недалеко. Дякую! Я думав - цей котел є user-friendly - і все потрібне виведене наверх. А тут треба глибоко ниряти. Будем ниряти. Посилання на коментар Поділитися на інших сайтах More sharing options...
Interso Опубліковано: 30 жовтня 2012 Поділитись Опубліковано: 30 жовтня 2012 Це не перемичка там? [ATTACH]224722[/ATTACH] Чи не там шукаю? Ну сміх дай годі Подключение надо искать на самой плате управления,а это значит что вам надо открыть панель управления и найти там перемычку на клемной колодке XT 5. 1 Посилання на коментар Поділитися на інших сайтах More sharing options...
Yarko Опубліковано: 30 жовтня 2012 Поділитись Опубліковано: 30 жовтня 2012 Вот рисунок платы и там красной стрелкой показано куда подключить термостат. Схемку вивчив напам'ять, але відкривши передню панель зрозумів, що реальність трохи інша Посилання на коментар Поділитися на інших сайтах More sharing options...
Сергей 31 Опубліковано: 30 жовтня 2012 Поділитись Опубліковано: 30 жовтня 2012 Ну сміх дай годі Как думаеш, сколько монтажников знают как откинуть морду протерма? Посилання на коментар Поділитися на інших сайтах More sharing options...
Interso Опубліковано: 30 жовтня 2012 Поділитись Опубліковано: 30 жовтня 2012 Как думаеш, сколько монтажников знают как откинуть морду протерма? Это точно,там хитрый наборчик пластиковых панелей,но ничего если долго мучится что нибудь получится. Посилання на коментар Поділитися на інших сайтах More sharing options...
Yarko Опубліковано: 3 листопада 2012 Поділитись Опубліковано: 3 листопада 2012 Сергій 31, Interso дякую за поради - все підключив. Але виявилась інша проблема - не синхронізуються передатчик і прийомник- www.stroimdom.com.ua/forum/showpost.php?p=1873471&postcount=23 ви з таким не стикались? Посилання на коментар Поділитися на інших сайтах More sharing options...
Сергей 31 Опубліковано: 3 листопада 2012 Поділитись Опубліковано: 3 листопада 2012 А че за термостат пытаетесь подключить? Посилання на коментар Поділитися на інших сайтах More sharing options...
Yarko Опубліковано: 4 листопада 2012 Поділитись Опубліковано: 4 листопада 2012 А че за термостат пытаетесь подключить? COMPUTHERM Q7 RF. Як я розумію і як інші пишуть - не-синхронізація - це їх болячка. Посилання на коментар Поділитися на інших сайтах More sharing options...
Interso Опубліковано: 4 листопада 2012 Поділитись Опубліковано: 4 листопада 2012 COMPUTHERM Q7 RF. Як я розумію і як інші пишуть - не-синхронізація - це їх болячка. Здавайте обратно ваш термостат. У меня была подобная проблема но с другим производителем,приборы исправны но нет синхронизации по частоте,причина самая банальная,были розукомплектованы передатчик и приёмник как это произошло толи продавцы перепутали толи при комплектации Выяснил я после того когда обнаружил что серийные номера передатчика и приёмника несовпадают. 1 Посилання на коментар Поділитися на інших сайтах More sharing options...
Yarko Опубліковано: 15 листопада 2012 Поділитись Опубліковано: 15 листопада 2012 Здавайте обратно ваш термостат. У меня была подобная проблема но с другим производителем,приборы исправны но нет синхронизации по частоте,причина самая банальная,были розукомплектованы передатчик и приёмник как это произошло толи продавцы перепутали толи при комплектации Выяснил я после того когда обнаружил что серийные номера передатчика и приёмника несовпадают. Обміняв термостат на подібний (на Ауратон з доплатою не хтіли міняти) - поставив - ніби почав працювати. Так виглядає, є великий процент браку, але добре, що брак видно зразу. Посилання на коментар Поділитися на інших сайтах More sharing options...
vetald Опубліковано: 10 квітня 2013 Поділитись Опубліковано: 10 квітня 2013 Доброго времини суток! Не получаитьса подключить комнатный термодатчик к котлу Derad Nepto НКТ2-24.Клемы для подключения датчика в котле есть,но котел на их закорачивание не реагирует.Нужно менять програмний параметр в сервис миню котла.Не знаю как войти в миню сервис.В инструкции ничего про мою проблему не описано. Посилання на коментар Поділитися на інших сайтах More sharing options...
reestraror826792452 Опубліковано: 21 вересня 2013 Поділитись Опубліковано: 21 вересня 2013 добрый вечер ! Подскажите почему при подключении програматора Computherm Q7 котел на него не реагирует ( поесть включается сам по себе по заданой температуре как и раньше без програматора ). А также не светится екран подсветки програматора ( наверное брак). может и в остальном . Хотя при понижении температурі показівает на дисплее работу котла и "клацает" контакт на включение .Как віставить одну температуру на весь период работи котла.Без режимов 1, 2 и.т.д Добавлено через 31 минуту когда подключается программатор температура на котле ставится на максимум или не имеет значение. Посилання на коментар Поділитися на інших сайтах More sharing options...
SON Опубліковано: 21 вересня 2013 Поділитись Опубліковано: 21 вересня 2013 котел на него не реагирует ( поесть включается сам по себе по заданой температуре как и раньше без програматора ). Или перемычку не сняли, или не к тем контактам подключили, (там есть и для кондея) или котел заданную на программаторе температуру не нагнал. Как віставить одну температуру на весь период работи котла.Без режимов 1, 2 и.т.д В инструкции все есть, правда немного муторно описано. когда подключается программатор температура на котле ставится на максимум или не имеет значение. Ближе к максимуму, но лучше поиграться под конкретный дом, в зависимости от отопительных приборов. Посилання на коментар Поділитися на інших сайтах More sharing options...
Diver Опубліковано: 21 вересня 2013 Поділитись Опубліковано: 21 вересня 2013 добрый вечер ! Подскажите почему при подключении програматора Computherm Q7 котел на него не реагирует ( поесть включается сам по себе по заданой температуре как и раньше без програматора ). с перемічкой без программатора проверяли? проверьте работу только перемычкой - поставить снять.. или обычный выключатель туда подключите вместо перемычки на время проверки. А также не светится экран подсветки програматора ( наверное брак). как не странно, именно у этой модели частенько брак.. Хотя при понижении температурі показівает на дисплее работу котла и "клацает" контакт на включение .Как віставить одну температуру на весь период работи котла.Без режимов 1, 2 и.т.д а зачем тогда такой брали сложный с режимами?.. вам беспроводній по радио нужно? если вам беспроводный не нужно, то советую вот такой: простой как угол дома, и надежный. Посилання на коментар Поділитися на інших сайтах More sharing options...
opera_3000 Опубліковано: 14 жовтня 2013 Поділитись Опубліковано: 14 жовтня 2013 Подскажите как подключить Auraton 2030RTH к котлу Ferroli Pegasus D 45 (ссылка на изображение устарела)? Инструкции где то потерял. Добавлено через 6 минут Если я правильно понял то на 11 и 12 контакт ? (ссылка на изображение устарела) Посилання на коментар Поділитися на інших сайтах More sharing options...
Diver Опубліковано: 15 жовтня 2013 Поділитись Опубліковано: 15 жовтня 2013 а не эта инструкция - www.ferroli.ru/files/manuals/Pegasus%20D%2023%20-%2045%203540U170.pdf ?? страница 51 Посилання на коментар Поділитися на інших сайтах More sharing options...
Рекомендовані повідомлення
Створіть акаунт або увійдіть у нього для коментування
Ви маєте бути користувачем, щоб залишити коментар
Створити акаунт
Зареєструйтеся для отримання акаунта. Це просто!
Зареєструвати акаунтУвійти
Вже зареєстровані? Увійдіть тут.
Увійти зараз