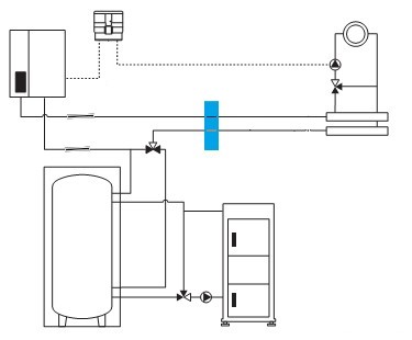
Korni Опубліковано: 10 грудня 2010 Автор Поділитись Опубліковано: 10 грудня 2010 Оживлю темку Вопрос с ГС плавно перешёл в помощь от коллег по схеме обвязки.... Но, как-то, оно смазалось в конце. Нашёл рекомендацию будерус к моему случаю: Вопрос - что будет, если ГС стоит так: Какие мысли будут? 1 Посилання на коментар Поділитися на інших сайтах More sharing options...
murava Опубліковано: 10 грудня 2010 Поділитись Опубліковано: 10 грудня 2010 ....что будет, если ГС стоит так Какие мысли будут? Это не труЪ .Она так не функционирен. Насосов нет (это если придраться к кубикам схемы). С ГВС это не феншуй вообще: любая ГС понижает температуру на выходе. Посилання на коментар Поділитися на інших сайтах More sharing options...
Korni Опубліковано: 10 грудня 2010 Автор Поділитись Опубліковано: 10 грудня 2010 Это не труЪ .Она так не функционирен. Насосов нет (это если придраться к кубикам схемы). С ГВС это не феншуй вообще: любая ГС понижает температуру на выходе. ГВС опустим пока... А насосы все - в Котле ещё один есть... но на схеме он не показан..... (конденсационный LogamaxGB112) p.s. убрал ГВС... шоб не смущало. Посилання на коментар Поділитися на інших сайтах More sharing options...
Сергей 31 Опубліковано: 10 грудня 2010 Поділитись Опубліковано: 10 грудня 2010 В этой схеме настенник со своим насосом (если он не конденсационный), лишний. Посилання на коментар Поділитися на інших сайтах More sharing options...
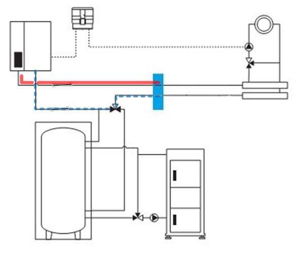
Korni Опубліковано: 10 грудня 2010 Автор Поділитись Опубліковано: 10 грудня 2010 В этой схеме настенник со своим насосом (если он не конденсационный), лишний. Настенник - именно конденсационный. Но есть та же схема для обычного котла: Посилання на коментар Поділитися на інших сайтах More sharing options...
Сергей 31 Опубліковано: 10 грудня 2010 Поділитись Опубліковано: 10 грудня 2010 Настенник - именно конденсационный. Ты хочешь добавить ему КПД за счет Т.Т. котла? Не фантазируй. Посилання на коментар Поділитися на інших сайтах More sharing options...
Korni Опубліковано: 10 грудня 2010 Автор Поділитись Опубліковано: 10 грудня 2010 Ты хочешь добавить ему КПД за счет Т.Т. котла?.... Зачем мне извращаться? Условия задачи такие - коллекторная (и ГС) - в доме. Газа пока нет. Конденсационный, ТТ+ТА - в отдельно-стоящем здании. Посилання на коментар Поділитися на інших сайтах More sharing options...
Сергей 31 Опубліковано: 10 грудня 2010 Поділитись Опубліковано: 10 грудня 2010 Но есть та же схема для обычного котла: Это разные схемы. В твоей, гидрострелку диктует конденсационник. Я бы управлял трехходовиком по температуре А.Т. Посилання на коментар Поділитися на інших сайтах More sharing options...
Korni Опубліковано: 10 грудня 2010 Автор Поділитись Опубліковано: 10 грудня 2010 ......Я бы управлял трехходовиком по температуре А.Т. Так и задумано...даже уже и куплено просто схемы не усложняю пока p.s. cхема, всё-таки, такая же.... если ГС дорисовать... Посилання на коментар Поділитися на інших сайтах More sharing options...
Сергей 31 Опубліковано: 11 грудня 2010 Поділитись Опубліковано: 11 грудня 2010 p.s. cхема, всё-таки, такая же.... если ГС дорисовать... Рисовать не нужно. Буферная емкость и есть гидрострелка, только большая. Посилання на коментар Поділитися на інших сайтах More sharing options...
Korni Опубліковано: 11 грудня 2010 Автор Поділитись Опубліковано: 11 грудня 2010 Рисовать не нужно. Буферная емкость и есть гидрострелка, только большая. В курсе. Но, по приведённой схеме, логика, как мне кажется/хочется, и предполагает исключение ТА из контура КК. p.s. Расчет и подбор баков водонагревателей (проектирование, Будерус) стр.76 - Спортивные сооружения. Посилання на коментар Поділитися на інших сайтах More sharing options...
Сергей_84 Опубліковано: 11 грудня 2010 Поділитись Опубліковано: 11 грудня 2010 Саша....чтоыб не изучать всю ветку...не могли бы вы описать предполагаемую логику работы котельной ...тогда легче будет анализировать то или иное место установки гидрострелки Посилання на коментар Поділитися на інших сайтах More sharing options...
Korni Опубліковано: 11 грудня 2010 Автор Поділитись Опубліковано: 11 грудня 2010 ...тогда легче будет анализировать то или иное место установки гидрострелки ....Условия задачи такие - коллекторная (и ГС) - в доме. Газа пока нет. Конденсационный, ТТ+ТА - в отдельно-стоящем здании. ГС уже смонтирована - в коллекторной. Хема в котельной будет как в посте #86. Посилання на коментар Поділитися на інших сайтах More sharing options...
Сергей_84 Опубліковано: 11 грудня 2010 Поділитись Опубліковано: 11 грудня 2010 В принципе немного сам разобрался....Как я понял: пока ТА не нагрет до нужной температуры КК сбрасывает тепло в ГС и оно отбирается системой из этой же ГС ...все это время ТТ котел греет ТА... Когда температура ТА достигнет необходимой происходит переключение клапана и система теперь отбирает тепло из ТА...но мимоходом вода из Та нагревает гидрострелку и в КК идет повышеная темпеартура отчего он не включается а стоит и молчит аж пока темпеарутра в ТА не опустится... В предложенной вами схеме: 1 фаза работы похожа на предыдущую...а вот вторая вызывает кучу вопросов и главный: зачем в конденсационный котел подавать горячущую воду из ТА...он же просто выключится и не будет греть вообще , а значит в контуре (первичном) гидрострелки не будет циркуляции, а значит не будет отбора тепла на систему.... Или в каких рассуждениях я ошибся???? Посилання на коментар Поділитися на інших сайтах More sharing options...
Сергей_84 Опубліковано: 11 грудня 2010 Поділитись Опубліковано: 11 грудня 2010 Или в програмны настройках котла насос будет включен на постоянную работу в любых режимах????? тогда такая схема имеет место быть и работать...нестандартно но работоспособно Посилання на коментар Поділитися на інших сайтах More sharing options...
Korni Опубліковано: 11 грудня 2010 Автор Поділитись Опубліковано: 11 грудня 2010 Или в програмны настройках котла насос будет включен на постоянную работу в любых режимах?????.... Газ будет года через два Котёл будет выдавать ошибку по газу, но работать будет абсолютно нормально. ...нестандартно но работоспособно Как я уже разобрался, это стандартное и рекомендуемое производителем решение. См пост #80 Посилання на коментар Поділитися на інших сайтах More sharing options...
Сергей_84 Опубліковано: 11 грудня 2010 Поділитись Опубліковано: 11 грудня 2010 Газ будет года через два Котёл будет выдавать ошибку по газу, но работать будет абсолютно нормально. По идее если котел выдаст ошибку по газу, он заблокируется и не включится до разблокировки..разве что у Будеруса по другому...главная задача заставить работать насос в котле всегда......не знаю только можно ли у Будеруса включить котел, выключить режим отопления, но насос оставить включенным непрерывно я бы еще поставил на насос системы отопления термостат для того, чтобы он включался только когда гидрострелка горячее 40 градусов....чтобы он зря не гонял холодную воду по системе Посилання на коментар Поділитися на інших сайтах More sharing options...
Сергей_84 Опубліковано: 11 грудня 2010 Поділитись Опубліковано: 11 грудня 2010 Газ будет года через два Котёл будет выдавать ошибку по газу, но работать будет абсолютно нормально. Как я уже разобрался, это стандартное и рекомендуемое производителем решение. См пост #80 СТОП СТОП СТОП.. в посте 80 схема для напольника , в котором нет насоса..поэтому там эту функцию выполняет насос ситемы отопления...у вас же настенник с насосом, а это кардинально меняет схему работы и требует установки гидрострелки , в которую нужно чем-то загружать тепло опишите в словах алгоритм работы ващей окончательной схемы, почему-то мне кажетися вы где-то что-то упустили еще бы кто присоединился к обсуждениююю Посилання на коментар Поділитися на інших сайтах More sharing options...
Korni Опубліковано: 11 грудня 2010 Автор Поділитись Опубліковано: 11 грудня 2010 .....можно ли у Будеруса включить котел, выключить режим отопления, но насос оставить включенным непрерывно..... Можно... но немного не так...Режим отопления включён, а встроенный термостат снимает температуру обратки... Посилання на коментар Поділитися на інших сайтах More sharing options...
Korni Опубліковано: 11 грудня 2010 Автор Поділитись Опубліковано: 11 грудня 2010 СТОП СТОП СТОП.. в посте 80 схема для напольника..... Без проблем: ГС уже смонтирована - в коллекторной. Схема в котельной будет как в посте #86. Посилання на коментар Поділитися на інших сайтах More sharing options...
Сергей_84 Опубліковано: 11 грудня 2010 Поділитись Опубліковано: 11 грудня 2010 Саша мы друг друга не понимаем.... еще раз скажу если вы не заставите насос котла работать постоянно, а сам котел не пытаться включиться на отопление то ничего у вас не будет работать, потому как в первом случае: вобще никакой циркуляции через гидрострелку не будет в первичном контуре, а во втором случае тоже не будет, но еще и котел станет в блокировку.... вся проблема здесь в мозгах у котла... ПС что вы говорили о встроенно мтермостате...что это? Посилання на коментар Поділитися на інших сайтах More sharing options...
Сергей_84 Опубліковано: 11 грудня 2010 Поділитись Опубліковано: 11 грудня 2010 Можно... но немного не так...Режим отопления включён, а встроенный термостат снимает температуру обратки... если вы имели ввиду не термостат а датчик НТСИ, то могут быть моменты когда обратка будет "холодной" и котел просто заблокируется когда попытается включиться Посилання на коментар Поділитися на інших сайтах More sharing options...
Korni Опубліковано: 12 грудня 2010 Автор Поділитись Опубліковано: 12 грудня 2010 .....могут быть моменты когда обратка будет "холодной" и котел просто заблокируется когда попытается включиться Собственно, схема является рекомендуемой производителем. Насос котла на отопление работать будет. Думаю, до конца месяца успеем протестировать. Какой там датчик конкретно стоит - не очень в курсе..... нечего туда лазить монтажнику, это дело сервисантов.... Знаю только, что для конденсационного котла важны следующие параметры: температура подачи и обратки регулируемый расход Необходимость регулируемого расхода и обуславливает требование производителей конденсационных котлов к наличию гидрострелки. Всё оказалось просто. Посилання на коментар Поділитися на інших сайтах More sharing options...
Сергей_84 Опубліковано: 12 грудня 2010 Поділитись Опубліковано: 12 грудня 2010 Собственно, схема является рекомендуемой производителем. Насос котла на отопление работать будет. Думаю, до конца месяца успеем протестировать. . Саша она не является рекомендуемой никапельки...вы ее неправильно интерпретировали под ваши требования....посомтрите внимательно на схему с напольником: там нет гидрострелки , поэтому насос отопления спокойно может брать тепло или из котла или из ТА, а вот в вашей схеме насос отоплоения может брать тепло только из ГС и если в ГС это тепло не поступит ничего работать не будет....В вашем случае в фазе работы КК тепло поступает по обыкновенной схеме, какую рекомендует производитель, а вот в фазе работы через ТА насос котла должен работать ОБЯЗАТЕЛЬНО, а для этого котел должен быть включенным и не выходить в блокировку по отсутствию газа У вас последовательный контур гидрострелки, ТА и КК и кто-то должен через этот контур гнать теплоноситель и никто кроме насоса котла этого не сделает в вашей схеме, а не дай бог он остановится, вода в КК остынет и он захочет ее нагреть, а так как газа нет, то заблокируется и отопление будет парализовано В вашей схеме вам в первую очередь нужно разобраться с логикой работы котла причем не спихивайте на сервисников, а то потом окажется что они не могут воплотить ваши идеи в жизнь и прийдется переделывать ПС Странно почему больше никто ничего не говорит.....ну же теплотехники поможем форумчанину 1 Посилання на коментар Поділитися на інших сайтах More sharing options...
Сергей_84 Опубліковано: 12 грудня 2010 Поділитись Опубліковано: 12 грудня 2010 Насос котла на отопление работать будет. . в этом утверждени вы можете сильно заблуждаться Посилання на коментар Поділитися на інших сайтах More sharing options...
Рекомендовані повідомлення
Створіть акаунт або увійдіть у нього для коментування
Ви маєте бути користувачем, щоб залишити коментар
Створити акаунт
Зареєструйтеся для отримання акаунта. Це просто!
Зареєструвати акаунтУвійти
Вже зареєстровані? Увійдіть тут.
Увійти зараз