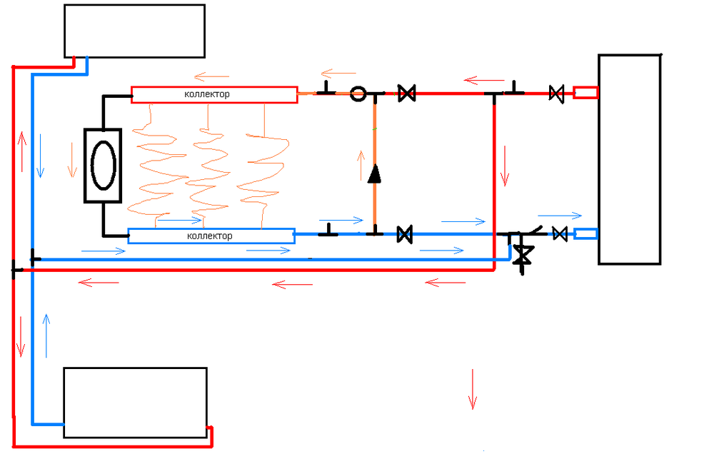
Interso Опубліковано: 7 листопада 2011 Поділитись Опубліковано: 7 листопада 2011 Я не силен в рисовании на компе, так набросал - надеюсь, что поймете. Само собой краны, термоголовки, фильтры и пр. я не акцентировал. Делайте вот так. 1 Посилання на коментар Поділитися на інших сайтах More sharing options...
Yaroslav N Опубліковано: 17 листопада 2011 Поділитись Опубліковано: 17 листопада 2011 Ответ на самый первый пост: еслы Вы хотите для своей системы трехходовой термостатический клапан ESBE, то Вам надо смотреть серию VTA370. Они предназначены для теплых полов большой площади. Посилання на коментар Поділитися на інших сайтах More sharing options...
аксогруп Опубліковано: 8 червня 2012 Поділитись Опубліковано: 8 червня 2012 много было предложений и схем, а по сути что можно предложить, золотую середину Посилання на коментар Поділитися на інших сайтах More sharing options...
аксогруп Опубліковано: 8 червня 2012 Поділитись Опубліковано: 8 червня 2012 миня интерисует два вопроса, вроде здесь их обсуждали но конкретно ответа нет, на схеме у меня насос можно поставить только с боку (как нарисовано)так можно? И как пороизвести смешение для коллектора ТП( в єконом варианта или стандартном) Посилання на коментар Поділитися на інших сайтах More sharing options...
Interso Опубліковано: 8 червня 2012 Поділитись Опубліковано: 8 червня 2012 миня интерисует два вопроса, вроде здесь их обсуждали но конкретно ответа нет, на схеме у меня насос можно поставить только с боку (как нарисовано)так можно? И как пороизвести смешение для коллектора ТП( в єконом варианта или стандартном) Делайте вот так. Посилання на коментар Поділитися на інших сайтах More sharing options...
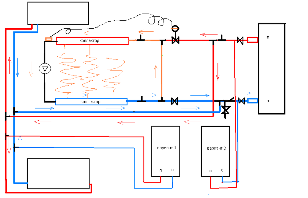
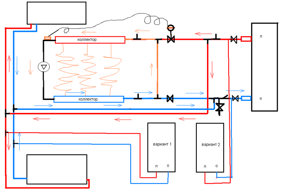
аксогруп Опубліковано: 9 червня 2012 Поділитись Опубліковано: 9 червня 2012 у меня есть еще одна проблема. надо врезать выходы для еще одного котла, но ря дом с етим который есть не получается (вариант 2)только в другой комнате, это либо вести трубы от стоящиго котла либо врезатся в магистраль (вариант 1) Посилання на коментар Поділитися на інших сайтах More sharing options...
naupv Опубліковано: 9 червня 2012 Поділитись Опубліковано: 9 червня 2012 Лучше вариант 2, врезаться трубами такого же диаметра что и у котла 1. Посилання на коментар Поділитися на інших сайтах More sharing options...
аксогруп Опубліковано: 9 червня 2012 Поділитись Опубліковано: 9 червня 2012 я сам понимаю что вариант 2 как должно быть, но если присмотрется по циркуляции я думаю что ничего не на рушу, но мнения хочу спросить у вас? Посилання на коментар Поділитися на інших сайтах More sharing options...
naupv Опубліковано: 9 червня 2012 Поділитись Опубліковано: 9 червня 2012 Понимаете, чем ближе коллектор ТП к котлу, тем лучше для работы оного, плюс гидравлические сопротивления на отводах и тройниках, плюс магистрали должны быть такого же диаметра (я бы от котлов до 1-го тройника вообще делал бы трубой на размер больше). У Вас не смертельная ситуация, система не большая, поэтому 1-й вариант тоже рабочий. Посилання на коментар Поділитися на інших сайтах More sharing options...
аксогруп Опубліковано: 9 червня 2012 Поділитись Опубліковано: 9 червня 2012 кстати по гелиосистеме, я тут набросал проэкт, буду переделывать кухню и сразу хочу завести трубы на будущие работы, сейчас кину только если будет еще один котел я недорисовал, да пока и незнаю куда его ставить Посилання на коментар Поділитися на інших сайтах More sharing options...
аксогруп Опубліковано: 9 червня 2012 Поділитись Опубліковано: 9 червня 2012 кстати ремонт и сам дом постройки лето 2010 года, я понатури изобретатель, и обстановка больше двух лет меня напрягает, поэтому хочу переложить плитку и подстраховатся по заложеным трубам, по котлу труба ВАЛТЕК 25 штаби до колектора и до врезки другого котла, дальше ВАЛТЕК металопластик 20 Посилання на коментар Поділитися на інших сайтах More sharing options...
naupv Опубліковано: 9 червня 2012 Поділитись Опубліковано: 9 червня 2012 и обстановка больше двух лет меня напрягает, поэтому хочу переложить плитку Может плитку на магнитики :D легче будет каждую неделю менять рисунок. Добавлено через 44 секунды по котлу труба ВАЛТЕК 25 штаби Я не любитель и не фанат ППРа, а что у ВАЛТЕКА есть ППР?! Посилання на коментар Поділитися на інших сайтах More sharing options...
аксогруп Опубліковано: 9 червня 2012 Поділитись Опубліковано: 9 червня 2012 www.valtec.ru/catalog.shtml Добавлено через 44 секунды вы с украины? Посилання на коментар Поділитися на інших сайтах More sharing options...
naupv Опубліковано: 9 червня 2012 Поділитись Опубліковано: 9 червня 2012 вы с украины? Под аватаркой написано. Посилання на коментар Поділитися на інших сайтах More sharing options...
аксогруп Опубліковано: 9 червня 2012 Поділитись Опубліковано: 9 червня 2012 это приятно, я сам с полтавской обл. там у меня родители и вся молодость вернее юность но последние лет 11 живу в ялте, жинился дом работа бизнес свой Посилання на коментар Поділитися на інших сайтах More sharing options...
naupv Опубліковано: 9 червня 2012 Поділитись Опубліковано: 9 червня 2012 лет 11 живу в ялте Я вот никогда не был зимой в Ялте, наверное все замирает, скукотища страшная, как впрочем и на всем побережье? Посилання на коментар Поділитися на інших сайтах More sharing options...
аксогруп Опубліковано: 9 червня 2012 Поділитись Опубліковано: 9 червня 2012 это почти правда, течет своя размеренная жизнь, работа семья и тд. что по отдыхайкам да , мертво. Посилання на коментар Поділитися на інших сайтах More sharing options...
аксогруп Опубліковано: 9 червня 2012 Поділитись Опубліковано: 9 червня 2012 что скажите ипо схеме Посилання на коментар Поділитися на інших сайтах More sharing options...
аксогруп Опубліковано: 9 червня 2012 Поділитись Опубліковано: 9 червня 2012 я занимаюсь поставками ТП по крыму, некоторых брендов и по Украине если есть интирес то добро пожаловать на akso.yalta.org Если будут клиенты как многие мои друзья делают мне их скидивают откатываю 10% и больше % просто за подгон. Посилання на коментар Поділитися на інших сайтах More sharing options...
naupv Опубліковано: 9 червня 2012 Поділитись Опубліковано: 9 червня 2012 А что по схемам, как бы все оговорено. Трубы советую на солнеч.коллекторы покупать из гибкой нержавейки утеплить вспененным каучуком (гемора меньше и гидравлика не страдает от лишних поворотов) aquapex.com.ua/nmc/insultube/ www.apogey.in.ua/files/oborudovanie_%20materialy_%20dlja_%20geliosistemy.pdf Посилання на коментар Поділитися на інших сайтах More sharing options...
аксогруп Опубліковано: 11 червня 2012 Поділитись Опубліковано: 11 червня 2012 вчера возникла еще одна проблема, толщина перекрытия которое хочу залить в доме поверх существующего деревяного пола 17см (заливка не полностью все 17 больше половина утеплитель керамзит, все облегчения конструкции)стал вопрос как протянуть трубы отопления, по стине неполучится очень далеко(большой расход) а если постарому деревяному полу(труба в изоляции, можно даже каким то металом сверху прикрыть от давления перекрытия и бетона). Кто что скажет? Посилання на коментар Поділитися на інших сайтах More sharing options...
аксогруп Опубліковано: 11 червня 2012 Поділитись Опубліковано: 11 червня 2012 самое главное забыл написать, разница для заливки 17см а толщина швелера 16см, получается свободное растояние только 1см, в него трубы конечно не влезит, если мин. 4см. то все прошло а так, вот так. вот такая проблнма Посилання на коментар Поділитися на інших сайтах More sharing options...
naupv Опубліковано: 11 червня 2012 Поділитись Опубліковано: 11 червня 2012 вот такая проблнма Пленочный эл/пол. Посилання на коментар Поділитися на інших сайтах More sharing options...
аксогруп Опубліковано: 11 червня 2012 Поділитись Опубліковано: 11 червня 2012 они будут наверно, но и радиаторы тоже хочу поставить, не знаю как трубы, посоветуйте Посилання на коментар Поділитися на інших сайтах More sharing options...
naupv Опубліковано: 11 червня 2012 Поділитись Опубліковано: 11 червня 2012 не знаю как трубы, посоветуйте Потерял я смысл в Ваших словах?............... Посилання на коментар Поділитися на інших сайтах More sharing options...
Рекомендовані повідомлення
Створіть акаунт або увійдіть у нього для коментування
Ви маєте бути користувачем, щоб залишити коментар
Створити акаунт
Зареєструйтеся для отримання акаунта. Це просто!
Зареєструвати акаунтУвійти
Вже зареєстровані? Увійдіть тут.
Увійти зараз