Axelo Опубліковано: 28 березня 2012 Поділитись Опубліковано: 28 березня 2012 AGM технология 7-12 лет зависит от степени разряда и от кол-ва циклов. Сергей, я у вас покупал ИБП с AGM акумулятором для котла. Как продлить жизнь акумулятора? Надо ли отключать систему на лето, когда потеря напряжения на котле не критична? Или пускай молотит? Посилання на коментар Поділитися на інших сайтах More sharing options...
Larsen_bmw Опубліковано: 28 березня 2012 Автор Поділитись Опубліковано: 28 березня 2012 Мда, нормальная система с 2 АКБ по 100А переваливает за 10к грн, не потяну) Если есть упор в финансы, что я очень понимаю, можно попробовать таки сэкономить. Меня конечно забросают сейчас тапками, и возможно будут правы, но тем не менее, такая система у меня работает парралельно основной для небольших потребностей, свет, ноутбуки и проч. Приобретите компьютерный УПС на любом радиорынке, в Киеве на Караваевых Дачах, с убитым внутренним АКБ,(у меня работает Powercom 650VA), обойдется гривен в 200. АРС мощные не берите, они работают не более 15 минут, не смотря на напряжение на АКБ, так зашито в мозгах УПСа. Там же, купите вентиллятор для блока питания ПК или кулер в простонародье - полагаю гривен 20. Это первое. Второе - в магазинах КАПРО и Пан Электро, ну или где угодно купите кабель, сечением миллиметров 10, можно больше - это для подключения внешнего АКБ, хватит метра, обойдется гривен в 50 полагаю. Нужна также пара клемм для подключения АКБ, можно купить на заправках или найти на разборках. Ну и нужен АКБ внешний, тут по желанию, можно АГМ или стартерный, Вам для попробовать возьмите стартерный БУ, если работа этого комплекса устроит-купите нормальный АГМ. И необходимо зарядное устройство для АКБ, так как внутренее УПСовое заряд внешнего АКБ, например автомобильного, категорически не потянет - выбирайте пока любое, ньюансы заряда в таком варианте неважны. Вот эконом-вариант ИБП, он хорош ценой и вполне рабочий. Далее, разбираете УПС, вынимаете из него внутренний АКБ, меняете кабеля от электроники УПСа до АКБ на купленные, аккуратно выводите их наружу, подключаете внешний АКБ. Разобрав УПС Вы найдете место, куда можно установить купленный вентиллятор, он необходим по причине более долгой работы, чем предусмотрено производителями УПСа. Возможно прийдется насверлить пару десятков дырочек для циркуляции воздуха. Кулер ставьте на выдув воздуха из корпуса. Такая система вполне работоспособна, но... первое - это меандр как я писал ранее, электродвигателя его не любят но работают, правда более шумно и возможно сокращается из срок службы. Второе - стартовые токи...как правило, по ТТХ УПСов, превышение максимальной мощности (для моего Powercom 650VA это 130% в течении 3 сек), маловато, посмотрите по инструкции к Вашей станции каковы ее стартовые токи, если она действительно 350Вт мощностью -то думаю потянет ну или можно проэкспериментировать с УПсом до его препарации. Еще раз напомню, у многих УПС зашита программа работы при отсутствии питания не более 15 мин, вне зависимости от напряжения на клеммах АКБ! Я работал с Powercom 650ВА, такой же есть 800ВА. 2 Посилання на коментар Поділитися на інших сайтах More sharing options...
Serg-Solar Опубліковано: 28 березня 2012 Поділитись Опубліковано: 28 березня 2012 Если есть упор в финансы, что я очень понимаю, можно попробовать таки сэкономить. Меня конечно забросают сейчас тапками, и возможно будут правы, но тем не менее, такая система у меня работает парралельно основной для небольших потребностей, свет, ноутбуки и проч. Приобретите компьютерный УПС на любом радиорынке, в Киеве на Караваевых Дачах, с убитым внутренним АКБ,(у меня работает Powercom 650VA), обойдется гривен в 200. АРС мощные не берите, они работают не более 15 минут, не смотря на напряжение на АКБ, так зашито в мозгах УПСа. Там же, купите вентиллятор для блока питания ПК или кулер в простонародье - полагаю гривен 20. Это первое. Второе - в магазинах КАПРО и Пан Электро, ну или где угодно купите кабель, сечением миллиметров 10, можно больше - это для подключения внешнего АКБ, хватит метра, обойдется гривен в 50 полагаю. Нужна также пара клемм для подключения АКБ, можно купить на заправках или найти на разборках. Ну и нужен АКБ внешний, тут по желанию, можно АГМ или стартерный, Вам для попробовать возьмите стартерный БУ, если работа этого комплекса устроит-купите нормальный АГМ. И необходимо зарядное устройство для АКБ, так как внутренее УПСовое заряд внешнего АКБ, например автомобильного, категорически не потянет - выбирайте пока любое, ньюансы заряда в таком варианте неважны. Вот эконом-вариант ИБП, он хорош ценой и вполне рабочий. Далее, разбираете УПС, вынимаете из него внутренний АКБ, меняете кабеля от электроники УПСа до АКБ на купленные, аккуратно выводите их наружу, подключаете внешний АКБ. Разобрав УПС Вы найдете место, куда можно установить купленный вентиллятор, он необходим по причине более долгой работы, чем предусмотрено производителями УПСа. Возможно прийдется насверлить пару десятков дырочек для циркуляции воздуха. Кулер ставьте на выдув воздуха из корпуса. Такая система вполне работоспособна, но... первое - это меандр как я писал ранее, электродвигателя его не любят но работают, правда более шумно и возможно сокращается из срок службы. Второе - стартовые токи...как правило, по ТТХ УПСов, превышение максимальной мощности (для моего Powercom 650VA это 130% в течении 3 сек), маловато, посмотрите по инструкции к Вашей станции каковы ее стартовые токи, если она действительно 350Вт мощностью -то думаю потянет ну или можно проэкспериментировать с УПсом до его препарации. Еще раз напомню, у многих УПС зашита программа работы при отсутствии питания не более 15 мин, вне зависимости от напряжения на клеммах АКБ! Я работал с Powercom 650ВА, такой же есть 800ВА. И этот человек установил себе солнечные батареи????????? ;) Посилання на коментар Поділитися на інших сайтах More sharing options...
Larsen_bmw Опубліковано: 28 березня 2012 Автор Поділитись Опубліковано: 28 березня 2012 И этот человек установил себе солнечные батареи????????? ;) С этого все и началось 2 Посилання на коментар Поділитися на інших сайтах More sharing options...
Sanek85 Опубліковано: 29 березня 2012 Поділитись Опубліковано: 29 березня 2012 У меня на солнечные батареи пока денег свободных нет, но идеи нравятся, особенно в условиях отсутствия электричества на участке. Смогу ли я использовать генератор 2-3 часа в день (in-green.com.ua/product_info.php?products_id=217) и его 12В выход для подзарядки АКБ? Или их надо заряжать долго и полностью? В остальное время использовать АКБ для мелких потребителей не паля бензин? Посилання на коментар Поділитися на інших сайтах More sharing options...
qwert1 Опубліковано: 29 березня 2012 Поділитись Опубліковано: 29 березня 2012 С этого все и началось Все время хотел спросить: а что побудило Вас , потратить столько сил и средств ? ведь на заднем фоне явно видны столбы с проводами? Посилання на коментар Поділитися на інших сайтах More sharing options...
s-k-y-w-a-l-k-e-r Опубліковано: 29 березня 2012 Поділитись Опубліковано: 29 березня 2012 Все время хотел спросить: а что побудило Вас , потратить столько сил и средств ? ведь на заднем фоне явно видны столбы с проводами? Если Вы придете в пивную, где за каждым столиком сидят посетители и пьют пиво пенное, не факт что и Вам это удастся. Причин отказа может быть немеряно: - Вы несовершеннолетний и Вам еще нельзя; - Вы старый, больной и Вам уже нельзя; - Вы уже до этого достаточно выпили и Вам уже хватит; - у Вас нет денег; - уважаемый всеми человек за козырным столиком настоятельно просил Вам не наливать; - или Вы вообще не причем - просто пиво кончилось, или кабак скоро закрывается. В случае с ТС не было свободных мощностей для подключения. Так часто бывает. 2 Посилання на коментар Поділитися на інших сайтах More sharing options...
Sanek85 Опубліковано: 29 березня 2012 Поділитись Опубліковано: 29 березня 2012 Именно, у меня на участке столб 1000В, а 220 нету) и транс надо на всю улицу брать за 500 000 грн... а на улице 10 чел максимум сейчас готовы скидываться) Посилання на коментар Поділитися на інших сайтах More sharing options...
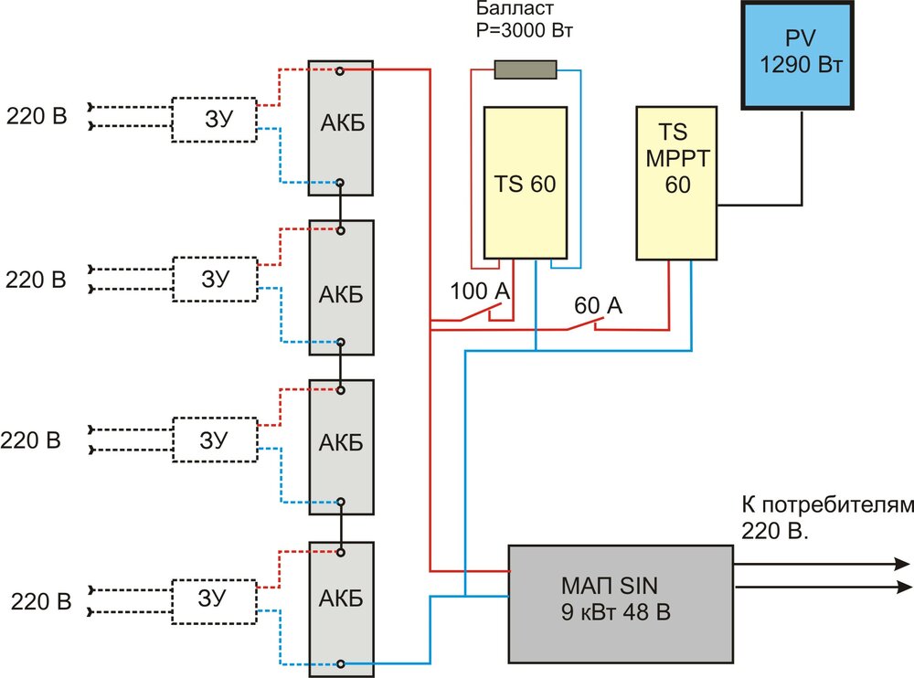
Weis Опубліковано: 29 березня 2012 Поділитись Опубліковано: 29 березня 2012 Погодка радует , сегодня рекорд выработки фотопанелями - 12Квт/ч, ну и ветряк на высоте - пока 13Квт/ч а "ще не вечір". Озадачен вопросом куда теперь это счастье девать, пруд почти набран (скважинный насос качает с небольшими перерывами сутки), больше потребителей нужных нет. Озадаченный тем-же вопросом я приобрел контроллер TryStar TS60. Это PWM контроллер. Среди режимов работы есть Diversion Load, позволяющий "излишки" энергии сбрасывать на балласт (ТЭН например). Режимы заряда, реализуемые этим контроллером, полностью совпадают с режимами TS MPPT60. В итоге совместной работы двух контроллеров (МРРТ и PWM) получил непрерывную (ну когда Солнце есть, конечно) работу TS MPPT в режиме "МРРТ" и полное использование потенциальных возможностей СБ по генерации электрической энергии. Ну а куда использовать тепло, выделяемое балластом, так это каждый сам сообразит Схема: 2 Посилання на коментар Поділитися на інших сайтах More sharing options...
Larsen_bmw Опубліковано: 1 квітня 2012 Автор Поділитись Опубліковано: 1 квітня 2012 Если Вы придете в пивную, где за каждым столиком сидят посетители и пьют пиво пенное, не факт что и Вам это удастся. Причин отказа может быть немеряно: - Вы несовершеннолетний и Вам еще нельзя; - Вы старый, больной и Вам уже нельзя; - Вы уже до этого достаточно выпили и Вам уже хватит; - у Вас нет денег; - уважаемый всеми человек за козырным столиком настоятельно просил Вам не наливать; - или Вы вообще не причем - просто пиво кончилось, или кабак скоро закрывается. В случае с ТС не было свободных мощностей для подключения. Так часто бывает. Так и есть, провода еще не повод видеть в них проводник электричества для себя В итоге совместной работы двух контроллеров (МРРТ и PWM) получил непрерывную (ну когда Солнце есть, конечно) работу TS MPPT в режиме "МРРТ" и полное использование потенциальных возможностей СБ по генерации электрической энергии. Класс! А как же режим Absorbtion? Вы пренебрегаете им теперь или я несовсем правильно понял принцип работы спаренных контроллеров? Посилання на коментар Поділитися на інших сайтах More sharing options...
Larsen_bmw Опубліковано: 1 квітня 2012 Автор Поділитись Опубліковано: 1 квітня 2012 Март месяц закончился, вот итоги работы системы: Выработка СБ, Квт/ч 133,81 Выработка ВЭУ, Квт/ч 80,45 Общая выработка (СБ+ВЭУ), Квт/ч 214,26 Приличные потери в учете выработки по причине недостаточного или несвоевременного потребления , особенно по ВЭУ, борюсь с этим обстоятельством. 6 еще не установленных панелей готовлю к монтажу, в апреле запущу в эксплуатацию. По возможности закреплю их на южном скате кровли, но с ориентацией на ЮВ и ЮЗ, для этого сооружаю из панелей прямоугольный треугольник Достоинства такого сооружения в низкой сопротивляемости ветру и в тоже время, охлаждение панелей из за циркуляции воздуха внутри треугольника. TriStar MPPT - Data Log.xls 4 Посилання на коментар Поділитися на інших сайтах More sharing options...
Телесистемы Опубліковано: 1 квітня 2012 Поділитись Опубліковано: 1 квітня 2012 Larsen_bmw, а какие затраты электричества вы планируете в жилом доме? Посилання на коментар Поділитися на інших сайтах More sharing options...
Larsen_bmw Опубліковано: 1 квітня 2012 Автор Поділитись Опубліковано: 1 квітня 2012 Larsen_bmw, а какие затраты электричества вы планируете в жилом доме? Ориентируюсь на квартиру в Киеве умножить на два - это максимум. Тоесть, порядка 400 Квт/ч в месяц, вот такие скромные предположения а практика покажет. Посилання на коментар Поділитися на інших сайтах More sharing options...
Телесистемы Опубліковано: 1 квітня 2012 Поділитись Опубліковано: 1 квітня 2012 Ориентируюсь на квартиру в Киеве умножить на два - это максимум. Тоесть, порядка 400 Квт/ч в месяц, вот такие скромные предположения а практика покажет. на квартиру смысла ориентироваться нет - дом - совершенно другие затраты. но 400квтч в принципе реально на ваш дом, судя по моему опыту. 1 Посилання на коментар Поділитися на інших сайтах More sharing options...
Weis Опубліковано: 2 квітня 2012 Поділитись Опубліковано: 2 квітня 2012 (змінено) А как же режим Absorbtion? Вы пренебрегаете им теперь или я несовсем правильно понял принцип работы спаренных контроллеров? Режимы Absorption, Float, Equalise как были, так и есть, только теперь их реализует TS60, точно настроенный на характеристики АКБ. Обратите внимание: TS60 на схеме подключен между МРРТ контроллером и АКБ, именно поэтому он имеет возможность регулировать напряжение АКБ (сбрасывая энергию на балласт) не влияя на прямуя на работу контроллера МРРТ. А так как TS MPPT теперь настроен на напряжения, чуть превышающие настройки TS60, то и выходит, что он всегда работает в режиме МРРТ Теперь можно подключить ВГ через трехфазный выпрямитель прямо на клеммы АКБ, при этом в процессах управления зарядом по сути ничего не изменится. Энергия ВГ так же будет полностью утилизована в виде тепла. TS60 не пишет логи (самостоятельно), поэтому теперь в моих архивах учет времени на пониженных режимах исчез. Змінено 2 квітня 2012 користувачем Weis Дополнение 3 Посилання на коментар Поділитися на інших сайтах More sharing options...
Larsen_bmw Опубліковано: 15 квітня 2012 Автор Поділитись Опубліковано: 15 квітня 2012 Итоги выработки промежуточного (март-апрель) месяца Выработка СБ, Квт/ч - 162,08 Выработка ВЭУ, Квт/ч - 90,37 Общая выработка (СБ+ВЭУ), Квт/ч - 252,45 TriStar MPPT - Data Log.xls 7 Посилання на коментар Поділитися на інших сайтах More sharing options...
Larsen_bmw Опубліковано: 20 квітня 2012 Автор Поділитись Опубліковано: 20 квітня 2012 Историческое событие получается сегодня Исполнился ровно год с момента первого запуска системы. Год назад еще не был установлен ветрогенератор и работало всего 8 фотопанелей, потом добавилось еще две, позже заработала ВЭУ и еще 2 СБ, ох и давно это было кажется Из учетных данных за прошедший год только ватт-счетчик переменного тока, (выработку СБ изначально учитывать небыло возможности), он зафиксировал потребление 1441,2 Квт/ч Полные данные о выработке за 12 месяцев мы получим в августе 2012, тогда исполнится год учета работы системы с ведением статистики. Вот несколько фото монтажа системы. ПС. Хочу также сказать большое спасибо Сан Санычу и его команде за ВЭУ и Сергею (Serg Solar) за фотопанели, инвертора и остальное оборудование. Отдельное спасибо коллеге Weis из Питера за его советы и опыт! 8 Посилання на коментар Поділитися на інших сайтах More sharing options...
s-k-y-w-a-l-k-e-r Опубліковано: 20 квітня 2012 Поділитись Опубліковано: 20 квітня 2012 Историческое событие получается сегодня Исполнился ровно год с момента первого запуска системы. Поздравляю ! Много сделано/пройдено, но я так понимаю процес совершенствования/модернизации бесконечен.8-) 1 Посилання на коментар Поділитися на інших сайтах More sharing options...
Weis Опубліковано: 21 квітня 2012 Поділитись Опубліковано: 21 квітня 2012 Исполнился ровно год с момента первого запуска системы. Поздравляю! А нет намерения использовать всю энергию, генерируемую СБ и ВЭУ? (это типа провокация такая). Посилання на коментар Поділитися на інших сайтах More sharing options...
Larsen_bmw Опубліковано: 22 квітня 2012 Автор Поділитись Опубліковано: 22 квітня 2012 Поздравляю! А нет намерения использовать всю энергию, генерируемую СБ и ВЭУ? (это типа провокация такая). Хорошая провокация, принимается Есть конечно такое желание, вот понаблюдаю-почитаю как спаренные контроллеры работают и собезъянничаю:D Пока приобрел RD-1, буду учить его работать с необходимыми нагрузками, летом действительно будет необходима утилизация лишних киловатт. Посилання на коментар Поділитися на інших сайтах More sharing options...
Serg-Solar Опубліковано: 23 квітня 2012 Поділитись Опубліковано: 23 квітня 2012 Пока приобрел RD-1, буду учить его работать с необходимыми нагрузками, летом действительно будет необходима утилизация лишних киловатт. Лишних киловатт не бывает-бывают резервные ;) Посилання на коментар Поділитися на інших сайтах More sharing options...
Weis Опубліковано: 23 квітня 2012 Поділитись Опубліковано: 23 квітня 2012 Пока приобрел RD-1, буду учить его работать с необходимыми нагрузками, летом действительно будет необходима утилизация лишних киловатт. В России у меня была проблема с приобретением реле с катушкой на 48 В. Только на заказ и срок поставки более 2-х месяцев. В итоге нашел и купил www.ebay.com/itm/200619538670. Если потребуется помощь в программировании RD1, то пишите. Пришлю готовую конфигурацию с комментариями, останется только загрузить ее в RD. Сейчас сделал на нем автоматизацию КТЦ АКБ. 1 Посилання на коментар Поділитися на інших сайтах More sharing options...
Larsen_bmw Опубліковано: 23 квітня 2012 Автор Поділитись Опубліковано: 23 квітня 2012 В России у меня была проблема с приобретением реле с катушкой на 48 В. Только на заказ и срок поставки более 2-х месяцев. В итоге нашел и купил www.ebay.com/itm/200619538670. Если потребуется помощь в программировании RD1, то пишите. Пришлю готовую конфигурацию с комментариями, останется только загрузить ее в RD. Сейчас сделал на нем автоматизацию КТЦ АКБ. Вы сразу в точку С релюхами на 48В и у нас не густо, поэтому поругайте идею....а если запитать RD-1 от 12-ти вольтового адаптера и реле соответственно на 12В использовать? Не поссорятся TS и RD-1, ведь они будут подключены парралельно по RJ-11 и у одного устройства напряжение 48В а у второго 12В. Слегка озадачился. Посилання на коментар Поділитися на інших сайтах More sharing options...
Daraku Опубліковано: 24 квітня 2012 Поділитись Опубліковано: 24 квітня 2012 Если комунитуремые токи не большие, то вместо реле можно взять полевые транзисторы. Посилання на коментар Поділитися на інших сайтах More sharing options...
Weis Опубліковано: 24 квітня 2012 Поділитись Опубліковано: 24 квітня 2012 (змінено) Не поссорятся TS и RD-1, ведь они будут подключены парралельно по RJ-11 и у одного устройства напряжение 48В а у второго 12В. Нет, не поссорятся Проверено. Когда я использовал 24-х вольтовые реле, то RD1 питался от отдельного блока питания, работавшего от 220 В. При таком питании вы лишаетесь возможности организовать управление по величине напряжения питания RD1, информацию о напряжении АКБ сможете взять только от TS. Вот и вся разница. Использование измерения напряжения питания позволяет на базе RD1 создавать устройства локальной автоматики. Например для КТЦ АКБ: - подаем питание на RD от "тренируемой" АКБ, - к перекидным контактам реле, управляемого RD1, подключаем нагрузку для АКБ (например автомобильную лампочку) и питание зарядного устройства АКБ (предварительно настроенного на малый ток заряда), - настраиваем RD1 таким образом, что бы он переключил реле при падении напряжения АКБ до 10.5 В (к примеру). Все, теперь после включения системы начнется разряд АКБ через лампочку, а после падения напряжения АКБ дло 10.5 В произойдет отключение нагрузки и включения зарядного устройства АКБ. Прилагаю настройку. Смотреть и загружать в RD1 посредством программы MSView (утилита Relay Driver Wizard).КТЦ.zip Змінено 24 квітня 2012 користувачем Weis Уточнения. 1 Посилання на коментар Поділитися на інших сайтах More sharing options...
Рекомендовані повідомлення
Створіть акаунт або увійдіть у нього для коментування
Ви маєте бути користувачем, щоб залишити коментар
Створити акаунт
Зареєструйтеся для отримання акаунта. Це просто!
Зареєструвати акаунтУвійти
Вже зареєстровані? Увійдіть тут.
Увійти зараз