Vo28 Опубліковано: 16 жовтня 2013 Поділитись Опубліковано: 16 жовтня 2013 нужно будет покупать циркуляционный насос остановился на WILO Star-RS 25/6 180 У меня дом 200м/кв 3 этажа потолки по 2,7м нашел ссылочку (ссылка устарела) и очень удивился. Потому как самый дешевый перед этим нашел вот e-klimat.ua/product/wilo-star-rs-256-oem-180/ Что скажите заранее благодарен. Посилання на коментар Поділитися на інших сайтах More sharing options...
murava Опубліковано: 16 жовтня 2013 Поділитись Опубліковано: 16 жовтня 2013 ... Что скажите заранее благодарен. Берите сразу два! .... пригодятся. Посилання на коментар Поділитися на інших сайтах More sharing options...
murava Опубліковано: 16 жовтня 2013 Поділитись Опубліковано: 16 жовтня 2013 А мощность насосов подскажите, плз Мощность максимальной шестерки там 35 Вт. Если по напору, то и четверки при таком расходе будет за глаза. Посилання на коментар Поділитися на інших сайтах More sharing options...
murava Опубліковано: 16 жовтня 2013 Поділитись Опубліковано: 16 жовтня 2013 Сахар тоже фасуют в разные упаковки. Выберите какой удобней поставить, сути это не изменит. Посилання на коментар Поділитися на інших сайтах More sharing options...
Vo28 Опубліковано: 16 жовтня 2013 Поділитись Опубліковано: 16 жовтня 2013 Берите сразу два! .... пригодятся. А почему так? Посилання на коментар Поділитися на інших сайтах More sharing options...
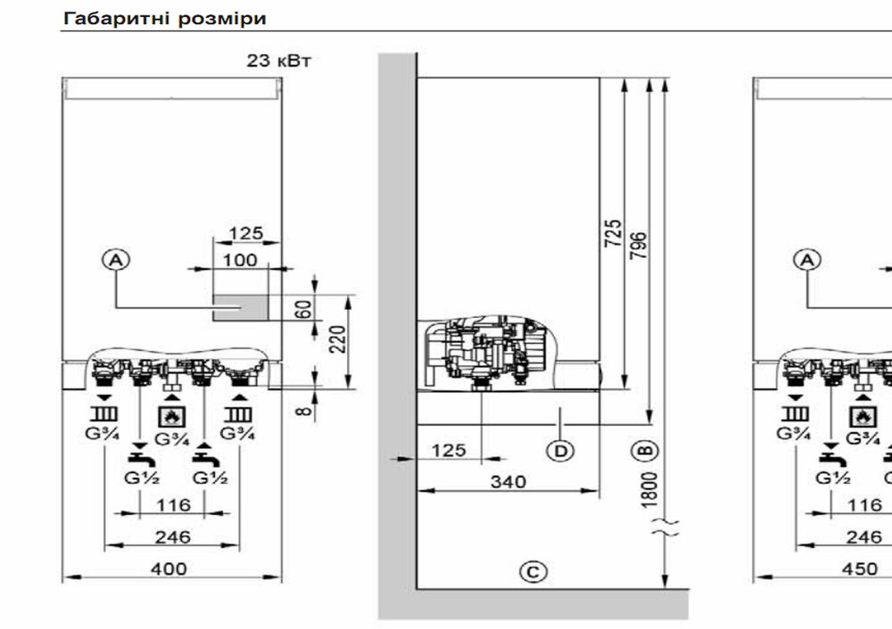
nikrod Опубліковано: 16 жовтня 2013 Поділитись Опубліковано: 16 жовтня 2013 Подскажите, пожалуйста, по установке котла Висман Витопенд 100. Хочу перед установкой облагородить место. Возник вопрос по подключению электричества. На чертеже литерой А обозначено место для кабелей электропитания, при этом указано, что Кабелi на дiлянцi живильних лiнiй мають виступати зi стiни приблизно на 1200 мм. Объясните непонятливому, в этом месте (Лит. А) нужно установить розетку или просто вывести концы длиной 1.2 м? Посилання на коментар Поділитися на інших сайтах More sharing options...
Сергей 31 Опубліковано: 16 жовтня 2013 Поділитись Опубліковано: 16 жовтня 2013 Если только один котел то место для розетки найти легко. А если это котельная, то разводка электричества и комутация разных пасочек ведется по-наруже в коробах. Посилання на коментар Поділитися на інших сайтах More sharing options...
nikrod Опубліковано: 16 жовтня 2013 Поділитись Опубліковано: 16 жовтня 2013 один котел. Мне не понятно следующее. В месте под лит. А должна быть розетка или нет? размер розетки 90*90 мм, а место предусмотрено 100*60. Смотрел на сборочный чертеж котла и что-то не похоже, что там есть место для розетки. Посилання на коментар Поділитися на інших сайтах More sharing options...
Сергей 31 Опубліковано: 16 жовтня 2013 Поділитись Опубліковано: 16 жовтня 2013 что там есть место для розетки. Еще должен быть стабилизатор напряжения, без него сервис котел не примет. Посилання на коментар Поділитися на інших сайтах More sharing options...
nikrod Опубліковано: 16 жовтня 2013 Поділитись Опубліковано: 16 жовтня 2013 Еще должен быть стабилизатор напряжения, без него сервис котел не примет. У меня стабилизатор на весь дом, поэтому к котлу будет подходить кабель со стабилизатора. но мне еще нужно будет как-то подключить ИБП. если за котлом будет розетка, то все понятно, а если просто кабель, то ничего не понятно... Кто может подсказать, как это все должно выглядеть? Посилання на коментар Поділитися на інших сайтах More sharing options...
Korni Опубліковано: 16 жовтня 2013 Поділитись Опубліковано: 16 жовтня 2013 Кто может подсказать, как это все должно выглядеть? Розетку вообще не желательно устанавливать. Електричнi пiдключення n Пiдключення до мережi (230 В/50 Гц) має бути стацiонарним. n Запобiжник на пiдвiдному кабелi має бути розрахований максимум на 16 А. Посилання на коментар Поділитися на інших сайтах More sharing options...
SON Опубліковано: 16 жовтня 2013 Поділитись Опубліковано: 16 жовтня 2013 Еще должен быть стабилизатор напряжения, без него сервис котел не примет. Релейные стабилизаторы на наших сетях, как грит молодежь - жесть, жизни котлу не прибавляют, но мат. обстановку сервисникам поправляют. :D Посилання на коментар Поділитися на інших сайтах More sharing options...
nikrod Опубліковано: 16 жовтня 2013 Поділитись Опубліковано: 16 жовтня 2013 Розетку вообще не желательно устанавливать. получается, нужно в распредщитке поставить автомат и проложить кабель к месту установки котла, где просто вывести концы на 1200 мм? Посилання на коментар Поділитися на інших сайтах More sharing options...
vv905 Опубліковано: 16 жовтня 2013 Поділитись Опубліковано: 16 жовтня 2013 После удаления "лишних" перегородок между двумя квартирами (по горизонтали) образовалась одна, площадью 132 кв.м. Задумка: ГВС на 2 санузла (в одном из них ванна около 250л), кухонный умывальник, отопление, теплые полы в 3-х точках (всего 20 кв.м), семья из 3+2х0,5 чел.(две половинки - приезжающие на выхи студенты). Вопросы к спецам: 1) справится ли с задачей одноконтурный газовый котел 24 кВт + бойлер косвенник 150-200(сколько?) л; 2) не проще ли для данных ттх просто двухконтурный котел, если потери по комфорту несущественны?; 3) можно ли как-то использовать преимущества двух вводов газа, скажем, закольцевать на два котла или второй просто заглушить?; 4) варианты железа для бюджета 10-12к грн (рекомендуют котел Viessmann Vitopend 100 WH1D 23 кВт (турбо), мотивация - простота регистрации в газовых службах. Заранее благодарен за любой конструктивный ответ. Посилання на коментар Поділитися на інших сайтах More sharing options...
Анатолий62 Опубліковано: 17 жовтня 2013 Поділитись Опубліковано: 17 жовтня 2013 - простота регистрации в газовых службах. Интересный аргумент.... Зарегистрируют то-что будет указано в проекте. 3) можно ли как-то использовать преимущества двух вводов газа, скажем, закольцевать на два котла или второй просто заглушить?; Опять упираемся в проект.... варианты железа для бюджета 10-12к грн Baxi Slim 2 со встроенным бойлером Посилання на коментар Поділитися на інших сайтах More sharing options...
nikrod Опубліковано: 17 жовтня 2013 Поділитись Опубліковано: 17 жовтня 2013 получается, нужно в распредщитке поставить автомат и проложить кабель к месту установки котла, где просто вывести концы на 1200 мм? подскажжите, пожалуйста, а то работа стала Посилання на коментар Поділитися на інших сайтах More sharing options...
Анатолий62 Опубліковано: 17 жовтня 2013 Поділитись Опубліковано: 17 жовтня 2013 подскажжите, пожалуйста, а то работа стала зачем стоять?? Кабель бросили,одни концы на автомат,втрые в котёл. Кабель ППВС 3*1 будет с запасом. Посилання на коментар Поділитися на інших сайтах More sharing options...
vv905 Опубліковано: 17 жовтня 2013 Поділитись Опубліковано: 17 жовтня 2013 Анатолий62, спасибо за консультацию . Правда, по бюджету он около 15к, судя по беглому просмотру интернет-предложений, но видимо он того стоит. Может кто из Львовских форумчан подскажет контакты по приобретению сего девайса (Baxi Slim 2)? Посилання на коментар Поділитися на інших сайтах More sharing options...
nikrod Опубліковано: 17 жовтня 2013 Поділитись Опубліковано: 17 жовтня 2013 зачем стоять?? Кабель бросили,одни концы на автомат,втрые в котёл. Кабель ППВС 3*1 будет с запасом. Спасибо, сегодня привезли котел, посмотрел и разобрался. В инструкции написан кабель 3*1,5, зачем такой? у котла потребление всего 200-400 Вт Посилання на коментар Поділитися на інших сайтах More sharing options...
vv905 Опубліковано: 17 жовтня 2013 Поділитись Опубліковано: 17 жовтня 2013 (змінено) Котел не турбированный. Будет ли эффективно удаляться дым (квартира многоэтажки) при коротком дымоходе (до потолка 2.7 м а потом горизонтальный участок 1м или 3м в зависимости от места установки, еще решаем)? Или брать SLIM 2.300 Fi, но он вроде как перебор по мощности... Змінено 17 жовтня 2013 користувачем vv905 Посилання на коментар Поділитися на інших сайтах More sharing options...
sov1178 Опубліковано: 17 жовтня 2013 Поділитись Опубліковано: 17 жовтня 2013 В инструкции написан кабель 3*1,5, зачем такой? По нормам кабели с сечением менее 1.5мм2 в стационарной проводке не применяются. 1 Посилання на коментар Поділитися на інших сайтах More sharing options...
murava Опубліковано: 17 жовтня 2013 Поділитись Опубліковано: 17 жовтня 2013 Насосы GRUNDFOS ALPHA2 при количестве 3шт на систему сильно выходят за бюджет Придется выбирать что-то дешевое и неэкономичное... Wilo Star-RS 25/4 или другое трехскоростное.... По распродажам можно порыть еще старые упбейсики от грюндфоса, будет вообще мелочь 1 Посилання на коментар Поділитися на інших сайтах More sharing options...
vv905 Опубліковано: 18 жовтня 2013 Поділитись Опубліковано: 18 жовтня 2013 Aу, форумчане. Подскажите все же котел с закрытой горелкой и встроенным бойлером для ОС и ГВС одноэтажной квартиры 132 м кв., 2 санузла, кухня, теплые полы 20 м кв. Что то похожее на BAXI Slim 2.230i, но турбированное. Бюджет можно поднять до 15к. Пожалуйста. Посилання на коментар Поділитися на інших сайтах More sharing options...
bambino Опубліковано: 18 жовтня 2013 Поділитись Опубліковано: 18 жовтня 2013 и встроенным бойлером Точно встроенный хотите? А то мне на днях попадалось - котел 17000 грн, а потекший бойлер к нему 15000 грн. И котел вроде из приличных... Посилання на коментар Поділитися на інших сайтах More sharing options...
vv905 Опубліковано: 18 жовтня 2013 Поділитись Опубліковано: 18 жовтня 2013 Не обязательно, знания по котлах самые общие, поэтому я здесь Посилання на коментар Поділитися на інших сайтах More sharing options...
Рекомендовані повідомлення
Створіть акаунт або увійдіть у нього для коментування
Ви маєте бути користувачем, щоб залишити коментар
Створити акаунт
Зареєструйтеся для отримання акаунта. Це просто!
Зареєструвати акаунтУвійти
Вже зареєстровані? Увійдіть тут.
Увійти зараз