sanykrimea Опубліковано: 19 липня 2011 Поділитись Опубліковано: 19 липня 2011 Ответ Виктор Шатров, сотрудник Ростехнадзора, Людмила Казанцева, УИЦ НИИПроектэлектромонтаж АНО Правда, то в России-матушке... Да это народ шуткует - она и вопроса то не поняла. Там таких приколов с десяток есть. Посилання на коментар Поділитися на інших сайтах More sharing options...
Igor_M Опубліковано: 19 липня 2011 Автор Поділитись Опубліковано: 19 липня 2011 Я кстати увлекся, БЛИН... Что самое интересное, уже не только буквы знакомые попадаются, но и слова даже... Так вот очередной вопрос-ответ: Журнал № 3 (57) 2009 год Вопрос Павел Фадеев Название предприятия:ЗАО «Атмосвелл» Профиль предприятия:- Проектируется здание со встроенной КТП. Используются трансформаторы «треугольник-звезда» 10/0,4 кВ. Заземление в здании планируется делать по системе TN-S. В КТП здания организована шина ГЗШ с перемычкой на нулевую шину. В свя- зи с этим у нас возник вопрос о присоединении нулевой шины трансформатора на стороне низкого напряжения. Присоединять ли эту шину сразу к нейтральной шине или надо присоединить ее к РЕ-шине? Ответ Людмила Казанцева, УИЦ НИИПроектэлектромонтаж АНО Александр Шалыгин, начальник ИКЦ МИЭЭ Из вопроса не ясно, имеется ли в составе КТП распределительное устройство низкого напряжения (РУНН). Если имеется, то не понятно, о какой шине РЕ идет речь, т.к. РУНН стандартных КТП имеет только шину PEN. Ответ представляется в двух вариантах: 1) если РУНН в составе КТП имеется, присоединение вывода нейтрали трансформатора производится в РУНН к шине PEN, к которой также присоединяются РЕ- и N-проводники отходящих питающих линий; 2) если РУНН в составе подстанции отсутствует (подстанция некомплектная) и проектом предусматривается устанавливаемый в соседнем с трансформатором помещении главный распределительный щит (ГРЩ), возможны также два варианта: – выполнение ГРЩ с шиной PEN и подключение РЕ- и N-проводников отходящих питающих линий аналогично указанному в п. 1); – выполнение ГРЩ с шинами РЕ и N, соединенными между собой на обоих концах перемычками, имеющими сечение, равное сечению шины РЕ, и подключение вывода нейтрали трансформатора к шине РЕ по возможности посередине. В случае варианта с шиной главная заземляющая шина (ГЗШ) присоединяется к шине PEN. В случае варианта с шинами РЕ и N присоединение ГЗШ производится к шине РЕ. ............................... Итак, может статься что на выходе со щита учета (т.е. после счетчика) на самом деле PEN ??? Никак не доберусь до РЭСовцев... то по больницам, то не застану их... Но уже становится интереснее..... Посилання на коментар Поділитися на інших сайтах More sharing options...
Наблюдатель Опубліковано: 20 липня 2011 Поділитись Опубліковано: 20 липня 2011 (змінено) Итак, может статься что на выходе со щита учета (т.е. после счетчика) на самом деле PEN ???Если не переделывать ЩУ и не убедиться что в РУ с PEN порядок ни о каком PEN после счетчика не может быть и речи! В текущей ситуации, с 4-мя проводами проходящими транзитом через счетчик, лучше сделать тип заземления ТТ в котором нужно делать как минимум 2-х ступенчатую дифзащиту в которой одна ступень должна быть с уставкой ≤30 мА. По количеству аппаратов дифзащиты, относительно рекомендуемых и обязательных для типа заземления TN, для типа заземления ТТ получается примерно в 2-ва раза больше, за счет света и стационарных электроприборов. Но зато в случае аварии PEN будет безопасней чем при типе заземления TN при пользовании электроприборами класс защиты 1 на улице и в доме если не будет обязательных СУП, ДСУП, а их нет почти во всех частных домах, или они будут не полноценными если не делались начиная с закладки фундамента.413.1.3.9 Когда устройство защиты, реагирующее на дифференциальный ток, используют для автоматического отключения цепи вне зоны действия основной системы уравнивания потенциалов, открытые проводящие части не должны быть связаны с сетью системы ТN, но защитные проводники должны присоединяться к заземлителю, имеющему сопротивление, обеспечивающее срабатывание этого устройства. Цепь, защищенная таким образом, может рассматриваться как сеть системы ТТ (см. 413.1.4). Примечание - Вне зоны действия основной системы уравнивания потенциалов могут использоваться другие защитные меры: - питание через разделяющий трансформатор; - применение дополнительной изоляции (см. 413.2) Так же при типе заземления ТТ будет безопасней чем при типе заземления TN в случае утечки высокого на ТП, например как упоминается в теме Негативные тенденции в электробезопасности на другом профильном форуме.3 ЗАЩИТА ОТ ПОРАЖЕНИЯ ЭЛЕКТРИЧЕСКИМ ТОКОМ В ЭЛЕКТРОУСТАНОВКАХ ПОТРЕБИТЕЛЕЙ ЭЛЕКТРОЭНЕРГИИ ПРИ ЗАМЫКАНИЯХ НА ЗЕМЛЮ НА СТОРОНЕ ВЫСОКОГО НАПРЯЖЕНИЯ ПИТАЮЩЕЙ ТРАНСФОРМАТОРНОЙ ПОДСТАНЦИИ 3.2 … Примечание 1. Значительные величины напряжения на открытых проводящих частях и как следствие опасные напряжения прикосновения могут возникнуть в электроустановках потребителей электроэнергии с системами TN u IT из-за выноса потенциала с заземляющего устройства открытых проводящих частей питающей подстанции. Опасные величины напряжения прикосновения при применении системы ТТ в рассматриваемой аварийной ситуации не возникают.В случае проблем с напряжением, если в доме все вроде в порядке, не ломитесь сразу к ТП, проверять все ли в порядке в ЩУ, на ТП может быть серьезная авария, а контур уравнивания, выравнивания потенциалов рабочего места РУ навряд ли есть! Ну и для Вашей мансарды тип заземления ТТ рекомендуется.2.4.1.5 Систему ТТ рекомендуется применять, когда значительные токи замыканий на землю (такие, как при использовании системы TN) являются источником повышенной опасности для людей, животных, сохранности имущества и окружающей среды, например, если они могут быть причиной возникновения пожара или взрыва (нефтехимические предприятия, помещения для окраски изделий и т.д.). Кроме того, систему ТТ рекомендуется применять, когда в процессе эксплуатации имеется существенная вероятность неконтролированной реконструкции или расширения системы электроснабжения (например, путем подключения к ней дополнительных электроприемников) без надлежащей проверки выполнения требований, предъявляемых к автоматическому отключению питания (сети индивидуальных дачных строений, торговых точек и т.д.).Если Вы хотите делать тип заземления TN, то по любому не обойтись без РЭСовцев! Лучше всего сделать так как Вам рекомендовал Слава Щ. в 23 сообщении 2-ой вариант. То есть распломбировать ЩУ, поставить в нем медную шину с болтовыми зажимами не менее М8 или другие надежные зажимы к которым будет подключаться PEN от РУ, PEN кабеля от дома и ответвление к нейтральному входу счетчика, чтоб PEN не проходил через счетчик и не стал N, не было тока через нейтральный полюс и не тарифицировался стекаемый через Ваше ЗУ ток перекоса фаз если программно не отключен учет тока по нейтральному полюсу счетчика. Фазные провода кабеля от дома завести непосредственно в счетчик. В доме PEN подключить, для защитного отключения посредством автомата через пожароопасное КЗ, тип заземления TN, к заземленной шине РЕ дома. ЗУ ЩУ пусть РЭСовцы подключат к толстому пруту выходящему возле столба из земли, справа от РУ, так как на него, похоже, через кронштейн на котором стоит трансформатор, заземлена нейтраль. Так же нужно заглянуть в РУ, не исключено что там бардак. Бокс с торцевыми зажимами, куда сейчас подключен выход с Вашего ЩУ, убрать. Так же требовать сделать доступ к кнопке на счетчике, которая предназначена чтоб потребитель мог проверить текущие значения тока, мощности и некоторые другие параметры, которыми можно диагностировать некоторые неисправности в электрике после ЩУ. Постарайтесь как можно равномерней нагрузить фазы, в том числе и освещением, для лучшего параметра бесперебойности питания освещения! Это минимизирует вероятность отгорание провода PEN, так как ток в основном будет перетекать между фазами через нейтральные провода подключенные к шине РЕ в доме куда будет подключен PEN! Стараться чтоб в одном помещении, особенно маленьком, была одна фаза или разные фазы были в помещении подальше друг от друга. Советую не экономить на своей безопасности, особенно при типе заземления TN, за счет снижения трудозатрат путем изготовления ЗУ дома в траншее вводного кабеля, а не так как описано в теме Заземление! Не вздумайте подключать к ЗУ дома забор, а то (ссылка устарела) не защитит и тип заземления ТТ! Ведь не исключено что в будущем высоковольтную линию потянут дальше мимо Вашего участка. Змінено 20 липня 2011 користувачем Наблюдатель Посилання на коментар Поділитися на інших сайтах More sharing options...
sanykrimea Опубліковано: 20 липня 2011 Поділитись Опубліковано: 20 липня 2011 Очередная страница бреда Наблюдателя. 1 Посилання на коментар Поділитися на інших сайтах More sharing options...
Шарманщик Опубліковано: 20 липня 2011 Поділитись Опубліковано: 20 липня 2011 Я кстати увлекся, БЛИН... Но уже становится интереснее..... А потом кто-то стонет, что каша в голове и туман.... ну-ну.......... уважаемый, Вы пытаетесь освоить по инету то, на что другие потратили годы.... Дело хорошее, "попытка не пытка", но нет системы в познании и усвоении, посему Вы пытаетесь разглядеть гланды через прямую кишку..... Хлопотно это - хорошим спецом Вы никогда не станете, нет базы, каша в башке крутая завариться и жизнь нам подарит второго Наблюдателя..... А нам и одного - очень много...... Поберегите себя...... Хотя, может это правильно, что у Вас интерес к монтажу ТП проснулся, а ежели б что-то медицинское Вас тыркнуло?! Вот уж где страху натерпелись бы...... 1 1 Посилання на коментар Поділитися на інших сайтах More sharing options...
sanykrimea Опубліковано: 20 липня 2011 Поділитись Опубліковано: 20 липня 2011 Мотивация к познанию не та. Идёт речь только о соответствии нормам одной, личной электроустановки. Объём необходимых знаний для хотя бы приблизительной оценки избыточен для неподготовленного пользователя, и по большому счёту в дальнейшем не пригодится. Лучшим вариантом был бы заказ проекта (в черновом варианте он обойдётся в несколько сотен гривен - ничего уникального по электропроводке в этом доме нет). В этом случае намного проще рассказать почему применено то или иное техническое решение. Проекты - у фрилансеров здесь: Форум проектировщиков электрических и слаботочных сетей В разделе "Объявления" 1 1 Посилання на коментар Поділитися на інших сайтах More sharing options...
zmiey Опубліковано: 21 липня 2011 Поділитись Опубліковано: 21 липня 2011 Может быть и так, но по моему мнению, там одни теоретики. Посилання на коментар Поділитися на інших сайтах More sharing options...
Шарманщик Опубліковано: 21 липня 2011 Поділитись Опубліковано: 21 липня 2011 Может быть и так, но по моему мнению, там одни теоретики. Ба-а-а-а-а, какие серьёзные выводы.....я прям стушевался даже... 1 1 Посилання на коментар Поділитися на інших сайтах More sharing options...
zmiey Опубліковано: 21 липня 2011 Поділитись Опубліковано: 21 липня 2011 Ба-а-а-а-а, какие серьёзные выводы.....я прям стушевался даже... По моему мнению, я же сказал, ну, а что можно подумать если люди долго обсуждают как отличить систему ТТ, от других??? Может конечно и ошибаюсь........;) Посилання на коментар Поділитися на інших сайтах More sharing options...
sanykrimea Опубліковано: 21 липня 2011 Поділитись Опубліковано: 21 липня 2011 .. а что можно подумать если люди долго обсуждают как отличить систему ТТ, от других??? Они и не знают какой стороной отвёртки следует забивать шурупы. И не их задача знать электротехнику - только строго соответствовать нормативам, правильно рисовать и уметь обосновать решения проекта (для контролирующих контролёров). И ответственность они хоть какую-то несут, в отличие от большинства "самостоятельных" электромонтажников. 2 1 Посилання на коментар Поділитися на інших сайтах More sharing options...
zmiey Опубліковано: 21 липня 2011 Поділитись Опубліковано: 21 липня 2011 Поэтому же и говорю - теоретики!:D Посилання на коментар Поділитися на інших сайтах More sharing options...
Шарманщик Опубліковано: 21 липня 2011 Поділитись Опубліковано: 21 липня 2011 Поэтому же и говорю - теоретики!:D Ежели "по-гамбургскому счёту" - они теоретики, то к какой же категории Вы себя относите??? 1 Посилання на коментар Поділитися на інших сайтах More sharing options...
zmiey Опубліковано: 21 липня 2011 Поділитись Опубліковано: 21 липня 2011 Ежели "по-гамбургскому счёту" - они теоретики, то к какой же категории Вы себя относите??? Практикант К-506!!! :D Посилання на коментар Поділитися на інших сайтах More sharing options...
Шарманщик Опубліковано: 21 липня 2011 Поділитись Опубліковано: 21 липня 2011 Практикант К-506!!! :D 506 - это рост или вес???? 1 Посилання на коментар Поділитися на інших сайтах More sharing options...
sanykrimea Опубліковано: 21 липня 2011 Поділитись Опубліковано: 21 липня 2011 506 - это рост или вес???? 1 Посилання на коментар Поділитися на інших сайтах More sharing options...
Шарманщик Опубліковано: 22 липня 2011 Поділитись Опубліковано: 22 липня 2011 Я понял - 506 - это талия.... 1 Посилання на коментар Поділитися на інших сайтах More sharing options...
zmiey Опубліковано: 23 липня 2011 Поділитись Опубліковано: 23 липня 2011 Считайте, что это IQ - если знаете что это такое!:D;-) Посилання на коментар Поділитися на інших сайтах More sharing options...
Igor_M Опубліковано: 23 липня 2011 Автор Поділитись Опубліковано: 23 липня 2011 Дозвонился вчера в контору, которая проект делала... Говорят - хошь, заземляй повторно, хошь - отдельный контур делай... Хочу все-таки письменный запрос сделать... уже вроде нащупал выход к главному инженеру РЭС нашего участка... И еще одно - хочу убрать эту клеммную коробку и вообще заменить щит учета на железяный. У меня у соседа разбили ЩУ и он поставил металлический с замком, а РЭСовцы опечатали только счетчик и автомат... т.е. у него есть нормальный доступ к внутренностям... Вот и я так хочу. Есть какие-то специальные требования на этот счет? Насколько применима методика, по которой сделали моему соседу? Спасибо если кто-то поделится информацией... Посилання на коментар Поділитися на інших сайтах More sharing options...
Шарманщик Опубліковано: 24 липня 2011 Поділитись Опубліковано: 24 липня 2011 Считайте, что это IQ - если знаете что это такое!:D;-) IQ - 560??????????????????????:Bravo: Вы - колобок? Для ног-рук и бренного тела не останется, при таких-то цифрах???8) 1 Посилання на коментар Поділитися на інших сайтах More sharing options...
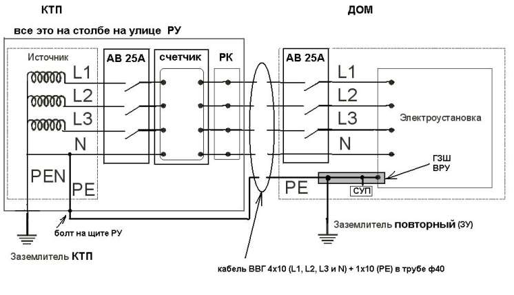
Igor_M Опубліковано: 1 серпня 2011 Автор Поділитись Опубліковано: 1 серпня 2011 Господа-товарищи! ОЧЕНЬ СРОЧНО НУЖНА ПОМОЩЬ... Подошло уже время подвода кабеля в дом. Говорил с директором конторы, которая ставила КТП и должна обеспечить ввод (по документам)... В принципе согласовал вопрос возможности подключения к зеземлителю КТП... Обсуждался в частности такой вариант: Т.е. протянуть в трубе ПЯТИжильный кабель и подцепить РЕ на болт на щите РУНН... Это я такой предложил... На что мне директор конторы ответил, что заземление лучше вести сталью и тогда вообще подключиться ПОД ЗЕМЛЕЙ к штырю заземления КТП (он забит на глубину 15м). В связи с этим у меня есть вопрос по дальнейшему подключению повторного заземления (ЗУ), а также СУП (к кторому хочу и арматуру забора "прихватить" как мне тут советовали). Вариант 1. Делаю свой контур 4 Ома (по системе Беттерманн со штырями, связанными полосой), на улице в метре от дома к полосе присоединяю кабель медный ПВ1-10 и завожу в дом и цепляю на ГЗШ. Отдельную полосу тяну к заземлителю КТП и там к нему подключаюсь. Опять же в метре от дома делаю переход на ПВ1-10 и завожу на ГЗШ. Еще одну полосу тяну от арматуры забора, опять же в метре от дома делаю переход на ПВ1-10 и цепляю на ГЗШ. Вариант 2. Все описанные выше контуры свожу в одно точке в метре от дома под землей, а оттуда протягиваю ОДНИМ проводом ПВ1-10 на ГЗШ. Какой вариант предпочтительнее, работоспособнее, оптимальнее??? Заранее СПАСИБО за консультацию!!! 1 Посилання на коментар Поділитися на інших сайтах More sharing options...
sanykrimea Опубліковано: 1 серпня 2011 Поділитись Опубліковано: 1 серпня 2011 Оптимальный вариант - стальная полоса от заземлителя КТП в земле, от неё снаружи, болтовым соединением проводник к ГЗШ. Фундамент дома - к СУП. Никаких больше заземлителей (кроме ЗУ молниезащиты, если надо) не требуется. 1 1 Посилання на коментар Поділитися на інших сайтах More sharing options...
Шарманщик Опубліковано: 1 серпня 2011 Поділитись Опубліковано: 1 серпня 2011 Оптимальный вариант - стальная полоса от заземлителя КТП в земле, от неё снаружи, болтовым соединением проводник к ГЗШ. Фундамент дома - к СУП. Никаких больше заземлителей (кроме ЗУ молниезащиты, если надо) не требуется. Я правильно понял, что штырик ЗУ КТП будет использоваться, как ЗУ дома???? Робяты....не чипайте заземлитель КТП - он и так один....хоть и на 15 метров в землю - вот интересно, чем директор арматурину на 15 м утопил????:D:lol: Врёт и не краснеет.... Почему не чипать - а он один и исполнен фиг его знает как, а ежели чо случиться - потом волосы на жо.. рвать? На ГШЗ его, отдельным проводником? Можно, ежели есть желание подпереть своим контуром всех потребителей СКТП, в случае проблем со "штыриком" ЗУ СКТП. Забор - на контур - милое дело, да и контур полезно где-то рядом сваять....что б потом яблоням-укропу не мешал....:D 1 Посилання на коментар Поділитися на інших сайтах More sharing options...
Igor_M Опубліковано: 1 серпня 2011 Автор Поділитись Опубліковано: 1 серпня 2011 Оптимальный вариант - стальная полоса от заземлителя КТП в земле, от неё снаружи, болтовым соединением проводник к ГЗШ. Фундамент дома - к СУП. Никаких больше заземлителей (кроме ЗУ молниезащиты, если надо) не требуется. Для начала про "ржавый штырь" заземления КТП (вот здесь вы писали - www.stroimdom.com.ua/forum/showpost.php?p=1055881&postcount=13). Он похоже из обычной стали (по крайней мере сверху поржавел - вот на фото1 видно... Но похоже, что наборной из шпилек, потому как сверху видна резьба... Как к нему присоединиться? Можно ли привариваться к нему? Это не опасно? Вот я нарисовал "план" ввода. От КТП прокладываю на глубине 1м полосой 30х3,5 оцинкованной. В ПУЭ (нашем, "украинском" - www.rza.org.ua/pue/a-43-5.html) такое вот: "1.7.137 Мінімальний переріз РЕ-провідників повинен відповідати значенням, наведеним у табл. 1.7.6. Переріз провідників у табл. 1.7.6 наведено для випадку, коли їх виготовлено з того самого матеріалу, що й фазні. Переріз провідників з іншого матеріалу повинен бути за провідністю еквівалентним зазначеному в табл. 1.7.6." Поскольку фазные у меня медь 10мм2, то для стального РЕ нужно сделать перерасчет сечения. В открытых источниках (ru.wikipedia.org/wiki/%D0%AD%D0%BB%D0%B5%D0%BA%D1%82%D1%80%D0%B8%D1%87%D0%B5%D1%81%D0%BA%D0%B0%D1%8F_%D0%BF%D1%80%D0%BE%D0%B2%D0%BE%D0%B4%D0%B8%D0%BC%D0%BE%D1%81%D1%82%D1%8C#.D0.A3.D0.B4.D0.B5.D0.BB.D1.8C.D0.BD.D0.B0.D1.8F_.D0.BF.D1.80.D0.BE.D0.B2.D0.BE.D0.B4.D0.B8.D0.BC.D0.BE.D1.81.D1.82.D1.8C_.D0.BD.D0.B5.D0.BA.D0.BE.D1.82.D0.BE.D1.80.D1.8B.D1.85_.D0.B2.D0.B5.D1.89.D0.B5.D1.81.D1.82.D0.B2) вычитал, что электропроводность стали в 8 раз меньше меди, значит сечение для полосы нужно брать не менее 80мм2. Правильно ли я все понял и полоса 30х3,5 подойдет для прокладки РЕ? Вокруг дома - отмостка (будет когда-то), поэтому подвожу полосу в место, от которого по 0,5м в обе стороны будет до отмостки. Достаточно ли отступить от отмостки по 0,5м? Там делаю болтовое соединение... вопрос - где его делать? "Снаружи" это означает вывести из-под земли или снаружи дома? Т.е. можно ли под землей сделать это болтовое соединение? В зависимости от ответа на последний вопрос буду понимать, как потом медь заводить в дом... Советы по вопросам, выделенным красным, очень важны... СПАСИБО! 1 Посилання на коментар Поділитися на інших сайтах More sharing options...
sanykrimea Опубліковано: 1 серпня 2011 Поділитись Опубліковано: 1 серпня 2011 (змінено) Я правильно понял, что штырик ЗУ КТП будет использоваться, как ЗУ дома???? Почему не чипать - а он один и исполнен фиг его знает как, а ежели чо случиться - потом волосы на жо.. рвать? Банальная TN -S с неизолированным РЕ, зарытым в землю - что может случится? На ГШЗ его, отдельным проводником? Можно, ежели есть желание подпереть своим контуром всех потребителей СКТП, в случае проблем со "штыриком" ЗУ СКТП. Штырик КТП проходит регулярные проверки, его обрыв после шины PEN - есть явление в высшей степени необычайное. Как к нему присоединиться? Можно ли привариваться к нему? Это не опасно? С владельцами КТП согласовывайте способ присоединения. Можно болтовым, можно сварным соединением. Правильно ли я все понял и полоса 30х3,5 подойдет для прокладки РЕ? Глава 1.7 ПУЭ не применяется для жилых зданий - применяется ДБН В.2.5-27-2006. Інженерне обладнання будинків і споруд. Захисні заходи електробезпеки в електроустановках будинків і споруд. 4.1.3 Заземлювальні провідники 4.1.3.3 Мінімальний переріз заземлювальних провідників, які не прокладаються у землі, повинен бути не меншим 6 мм2 за міддю, 16 мм2 за алюмінієм і 50 мм2 за сталлю. 4.1.3.4 Розміри заземлювального провідника, що прокладається у землі, залежно від матеріалу, з якого він виготовлений, і покриття його поверхні повинні бути не меншими зазначених в таблиці 4.1. Сечение полосы из чёрной стали - не менее 100 мм2, толщина - не менее 4 мм. Сечение полосы горячеоцинкованной - не менее 90 мм2, толщина - не менее 3 мм. "Снаружи" это означает вывести из-под земли или снаружи дома? Т.е. можно ли под землей сделать это болтовое соединение? Не надо его под землёй - полосу выведите в коробку в стене или на стене дома, в ней через болтовое перейдите на медь и домой, в щиток. Если владельцы допустили Вас к заземлителю, то, думаю (даже скорее - уверен) что допустят и к шине PEN. Тогда может проще РЕ медью в трубе бросить прямо в ГЗШ. Змінено 1 серпня 2011 користувачем sanykrimea 1 1 Посилання на коментар Поділитися на інших сайтах More sharing options...
Igor_M Опубліковано: 1 серпня 2011 Автор Поділитись Опубліковано: 1 серпня 2011 Банальная TN -S с неизолированным РЕ, зарытым в землю - что может случится? Не надо его под землёй - полосу выведите в коробку в стене или на стене дома, в ней через болтовое перейдите на медь и домой, в щиток. Если владельцы допустили Вас к заземлителю, то, думаю (даже скорее - уверен) что допустят и к шине PEN. Тогда может проще РЕ медью в трубе бросить прямо в ГЗШ. Вот собственно и пришли к началу... Мне тоже этот вариант больше всего нравится... Только тут РЭСовцы нужны чтоб щиток распломбировать (и там "расщепительную" колодку поставить) и (или) РУНН открыть... А с ними такой геморрой, хотя игра стоит свеч... НО... при всем при этом (в том числе и тут писалось www.stroimdom.com.ua/forum/showpost.php?p=1064914&postcount=83) с учетом того, что полноценную СУП сотворить не получится, то наверное нужно все-таки свой контур сделать... Вот и ДБН В.2.5-27-2006 говорит: "Примітка. Якщо існують інші точки надійного зв'язку з землею, для наближення у разі замикання на землю значень потенціалів на захисному провіднику до потенціалу землі рекомендується виконувати приєднання цього захисного провідника (там, де це можливо) до зазначених точок (повторні заземлення). Особливо ефективним з погляду електробезпеки є таке повторне заземлення на вводі в електроустановку будинку або споруди (в більшій мірі у разі живлення електроустановки повітряною лінією електропередачі). Повторне заземлення на вводі лінії живлення в електроустановку будинку (споруди) в більшості випадків забезпечується основною системою зрівнювання потенціалів, до якої приєднані провідні частини, що мають контакт із землею." Ведь не повредит же повторное заземление общей безопасности? 1 Посилання на коментар Поділитися на інших сайтах More sharing options...
Рекомендовані повідомлення
Створіть акаунт або увійдіть у нього для коментування
Ви маєте бути користувачем, щоб залишити коментар
Створити акаунт
Зареєструйтеся для отримання акаунта. Це просто!
Зареєструвати акаунтУвійти
Вже зареєстровані? Увійдіть тут.
Увійти зараз