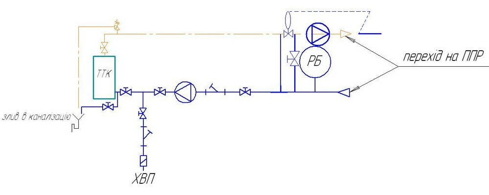
bratysko Опубліковано: 4 вересня 2011 Поділитись Опубліковано: 4 вересня 2011 Шановні спеціалісти та професіонали монтажної справи! Дуже потрібна Ваша допомога в освоєнні азів з облаштування та монтажу системи опалення на базі ТТК. Дотепер з ТТК не стикався, мав лише справу з звичайними двохтрубними системами на основі двохконтурних котлів (в себе вдома та у будинку батьків), проте мене попросили допомогти та і мені самому цікаво. Перечитав багато тем на форумах, інструкції по монтажу ТТК, паспортів виробників ТТК, проте залишились питання на які сподіваюсь ВИ допоможете знайти відповідь. Отже, є будинок тепловтрати якого становлять 14,2кВт. ТТК буде знаходитись в підвалі, обв'язка котла - сталь або мідь, далі ППР. Радіатори - алюміній, здається "Мirado". Котел буде працювати тільки на опалення. Нижче прикинув схему обв'язки ТТК - хотілось би почути Вашу думку, якщо щось не так позначено, то прошу пробачення , буду старатись пояснити своїми словами. На схемі не зображено ніяких "пристособ" типу аварійних контурів охолодження, бо спочатку їх не буде (через відсутність фінансових можливостей). О, і одразу є перше питання : чи доцільно використовувати для аварійного охолодження котла двохxодовий захисний клапан DVB 1 - 02? Посилання на коментар Поділитися на інших сайтах More sharing options...
Сергей_84 Опубліковано: 4 вересня 2011 Поділитись Опубліковано: 4 вересня 2011 На схемі не зображено ніяких "пристособ" типу аварійних контурів охолодження, бо спочатку їх не буде (через відсутність фінансових можливостей) без них навіть краще не починати експлуатацію.....ИМХО це перше, що потрібно встановити окрім ТТ котла И еще, при вашей схеме монтажа первая же серьезная авария похерит котел и ваш полипропилен. Нужно ставить или ограничитель температуры на ППР типа смесительного клапана или двухходовой отсекатель с термостатом, при первом варианте тепло при перегреве продолжит отбираться и хоть немного охлаждать котел, при втором отбор прекратится намертво и прийдется надеяться только на контур охлаждения 1 Посилання на коментар Поділитися на інших сайтах More sharing options...
Слободарий Опубліковано: 4 вересня 2011 Поділитись Опубліковано: 4 вересня 2011 По вашей схеме Вы не сможете подать в систему воду холоднее чем выдает котел. Посилання на коментар Поділитися на інших сайтах More sharing options...
bratysko Опубліковано: 4 вересня 2011 Автор Поділитись Опубліковано: 4 вересня 2011 И еще, при вашей схеме монтажа первая же серьезная авария похерит котел и ваш полипропилен. Нужно ставить или ограничитель температуры на ППР типа смесительного клапана или двухходовой отсекатель с термостатом, при первом варианте тепло при перегреве продолжит отбираться и хоть немного охлаждать котел, при втором отбор прекратится намертво и прийдется надеяться только на контур охлаждения Я Вас правильно зрозумів, що котлу прийде капець через відсутність аварійного теплообмінника для охолодження котла, а ППРу буде торба - через відсутніть ТС змішувача, і як наслідок висока температура теплоносія напряму з котла попадає на ППР? Може схема зовсім недієздатна, можливо підкажете більш правильні схеми ?! Посилання на коментар Поділитися на інших сайтах More sharing options...
bratysko Опубліковано: 4 вересня 2011 Автор Поділитись Опубліковано: 4 вересня 2011 По вашей схеме Вы не сможете подать в систему воду холоднее чем выдает котел. Вже зрозумів, що без контуру охолодження краще не ризикувати. Проте десь на форумах зустрічав відгуки людей, які експлуатують ТТК без будь-яких засобів безпеки - правда в них не відбувалось виключень електроенергії під час горіння закладки палива. І ще одне : якщо водопостачання у будинку автономне, то будь який контур охолодження для ТТК без електроенергії - "що мертвому припарки". Тоді вихід полягає у забезпеченні безперервного енергозабезпечення? Чи існують варіанти? Посилання на коментар Поділитися на інших сайтах More sharing options...
Сергей 31 Опубліковано: 4 вересня 2011 Поділитись Опубліковано: 4 вересня 2011 ..................... 1 Посилання на коментар Поділитися на інших сайтах More sharing options...
Сергей_84 Опубліковано: 4 вересня 2011 Поділитись Опубліковано: 4 вересня 2011 Я Вас правильно зрозумів, що котлу прийде капець через відсутність аварійного теплообмінника для охолодження котла, а ППРу буде торба - через відсутніть ТС змішувача, і як наслідок висока температура теплоносія напряму з котла попадає на ППР? Може схема зовсім недієздатна, можливо підкажете більш правильні схеми ?! схема дееспособная, но для открытой системы и стальных трубопроваодов Посилання на коментар Поділитися на інших сайтах More sharing options...
Сергей_84 Опубліковано: 4 вересня 2011 Поділитись Опубліковано: 4 вересня 2011 ..................... вот сколько видел твоих решений , но все время забывал спросить: почему ты используешь двухходовик и байпас, а не трехходовик?? или это дело привычки? Посилання на коментар Поділитися на інших сайтах More sharing options...
Сергей_84 Опубліковано: 4 вересня 2011 Поділитись Опубліковано: 4 вересня 2011 Вже зрозумів, що без контуру охолодження краще не ризикувати. Проте десь на форумах зустрічав відгуки людей, які експлуатують ТТК без будь-яких засобів безпеки - правда в них не відбувалось виключень електроенергії під час горіння закладки палива. І ще одне : якщо водопостачання у будинку автономне, то будь який контур охолодження для ТТК без електроенергії - "що мертвому припарки". Тоді вихід полягає у забезпеченні безперервного енергозабезпечення? Чи існують варіанти? ящик песка и лопата...без шуток 1 Посилання на коментар Поділитися на інших сайтах More sharing options...
Сергей 31 Опубліковано: 4 вересня 2011 Поділитись Опубліковано: 4 вересня 2011 почему ты используешь двухходовик и байпас, а не трехходовик? Это позволяет мне настроить смесительный узел очень точно и как я хочу. 3-х ходивики я ставлю и чаще чем этот вариант. Посилання на коментар Поділитися на інших сайтах More sharing options...
Сергей_84 Опубліковано: 4 вересня 2011 Поділитись Опубліковано: 4 вересня 2011 Это позволяет мне настроить смесительный узел очень точно и как я хочу. 3-х ходивики я ставлю и чаще чем этот вариант. ок...чьи трехходовики? Посилання на коментар Поділитися на інших сайтах More sharing options...
Сергей 31 Опубліковано: 4 вересня 2011 Поділитись Опубліковано: 4 вересня 2011 Я однолюб. Хоневэл, ханмаер, Эсбэ. Посилання на коментар Поділитися на інших сайтах More sharing options...
Сергей_84 Опубліковано: 4 вересня 2011 Поділитись Опубліковано: 4 вересня 2011 Я однолюб. Хоневэл, ханмаер, Эсбэ. аналогично.....эсбе, хаймаер....ханивелл редко, только 2-3 ходовики с серваком Посилання на коментар Поділитися на інших сайтах More sharing options...
Слободарий Опубліковано: 4 вересня 2011 Поділитись Опубліковано: 4 вересня 2011 І ще одне : якщо водопостачання у будинку автономне, то будь який контур охолодження для ТТК без електроенергії - "що мертвому припарки". Тоді вихід полягає у забезпеченні безперервного енергозабезпечення? Чи існують варіанти? Вероятно, есть варианты в насосах и способах обеспечения бесперебойного энергоснабжения. Для себя нашел Grundfos альфа 2 буду пытаться накормить его обычным компьютерным бесперебойником, или вообще постоянным 220. Результатов пока у меня нет. При этом официальное представительство Грюндфоса тоже не смогло однозначно ответить на вопрос о возможности питания насоса апроксимированной синусоидой (хотя прислали фотографии электронных внутренностей насоса). Связка дорогой насос+дешевый УПС дешевле чем дешевый насос и УПС с правильной синусоидой. Впрочем, котел у вас в подвале. Одна большая батарея на толстых трубах сможет решить все проблемы возникающие при пропадении электроэнергии. Тут где-то была тема, где человек делился впечатлениями, когда незаметно перестал работать насос - перестали греться две батареи из четырнадцати... Вобщем, котел в подвале - множество вариантов решения вопроса. Посилання на коментар Поділитися на інших сайтах More sharing options...
Сергей 31 Опубліковано: 4 вересня 2011 Поділитись Опубліковано: 4 вересня 2011 Тут где-то была тема, где человек делился впечатлениями, когда незаметно перестал работать насос - перестали греться две батареи из четырнадцати... У меня такое было. Мой Вам совет. Не фантазируйте, все давно придумано. Посилання на коментар Поділитися на інших сайтах More sharing options...
troll_9000 Опубліковано: 5 вересня 2011 Поділитись Опубліковано: 5 вересня 2011 ... десь на форумах зустрічав відгуки людей, які експлуатують ТТК без будь-яких засобів безпеки ... Я встречал (не на форумах) сварщиков, у которых ацетиленовые генераторы тоже "без засобів безпеки":D Чаще всего все нормально, но иногда они тупо взрываются На безопасности не экономьте Посилання на коментар Поділитися на інших сайтах More sharing options...
Слободарий Опубліковано: 5 вересня 2011 Поділитись Опубліковано: 5 вересня 2011 Интересно стало. А что происходит с котлом при выключении насоса? Есть ли люди реально это пережившие, или видевшие последствия закипания котла? Предполагаю, если бы все было так плохо, то котлы бы без систем безопасности не продавались бы. Есть подозрения что средства безопасности все же не столь распространены. При покупке котла спросил о змеевике охлаждения - так продавец сказал, что я первый спрашиваю. Посилання на коментар Поділитися на інших сайтах More sharing options...
troll_9000 Опубліковано: 5 вересня 2011 Поділитись Опубліковано: 5 вересня 2011 ...продавец сказал, что я первый спрашиваю. Улыбнуло А монтажники говорять "ми завжди так робимо":D При перегреве котла первое, что происходит - перегрев труб с их дальнейшей разгерметизацией. Такое было на ТТК в конторе "Дельта-Терм" (у них своя топочная, МП трубы накрылись медным тазом) Дальнейшее не видел, но предполагаю, что при пустом (без воды) котле он (котел) будет нагреваться еще больше, вплоть до выхода котла из строя. А если на котле нет встроенного контура охлаждения, то его можно слепить при помощи термостата и парочки трехходовых с сервоприводами 2 Посилання на коментар Поділитися на інших сайтах More sharing options...
Сергей_84 Опубліковано: 5 вересня 2011 Поділитись Опубліковано: 5 вересня 2011 Улыбнуло А монтажники говорять "ми завжди так робимо":D При перегреве котла первое, что происходит - перегрев труб с их дальнейшей разгерметизацией. Такое было на ТТК в конторе "Дельта-Терм" (у них своя топочная, МП трубы накрылись медным тазом) маленькое дополнение: накрылись первые соединения из котельной....остальные трубы без каких-либо разрушений....масштабы аварии были не велики...трубы-Пекс-Б 3 Посилання на коментар Поділитися на інших сайтах More sharing options...
SON Опубліковано: 5 вересня 2011 Поділитись Опубліковано: 5 вересня 2011 При этом официальное представительство Грюндфоса тоже не смогло однозначно ответить на вопрос о возможности питания насоса апроксимированной синусоидой Я хоть и не спец из Грюндфоса, но точно могу сказать, что цирк. насосы с такой синусоидой работают, мало того, они даж работают и на прямоугольнике, гудят трохи и греются, но не критично. На постоянном токе асинхронные моторчики не работают. Посилання на коментар Поділитися на інших сайтах More sharing options...
murava Опубліковано: 5 вересня 2011 Поділитись Опубліковано: 5 вересня 2011 .... При покупке котла спросил о змеевике охлаждения - так продавец сказал, что я первый спрашиваю. Некотрое количество монтажников и вовсе не подозревают о существовании каких-то систем безопасности Посилання на коментар Поділитися на інших сайтах More sharing options...
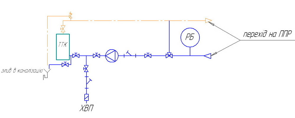
bratysko Опубліковано: 5 вересня 2011 Автор Поділитись Опубліковано: 5 вересня 2011 Порівняння з балонами дуже вдале, я особисто розумію, що система аварійного охолодження ТТК - дуже потрібна штука в господарстві . Через незнання "модельного ряду" арматури для котелень різних виробників (вже штудіюю каталоги) прошу допомоги в організації дієвої, простої та бажано економічної схеми обв'язки ТТК. Схема підкорегована п.Сергієм31, мені не дуже довподоби через наявність двох насосів та ТС клапана з виносним датчиком. Наскільки я зрозумів алгоритм роботи тієї схеми наступний : котловий ЦН розганяє нагрітий теплоносій по системі, при досягненні певної температури на вході в ППР ТС клапан прикривається і циркуляція відбувається в радіаторному контурі за допомогою радіаторного ЦН, а котловий ЦН ганяє воду по малому колу "котел - байпас". Коли вода охолола на деяку величину "дельтаТ" в радіаторному контурі, ТС клапан відривається і запитується гарячою водою з котла. Плюс до всього при перекритому ТС клапані дуже легко завести котел на перегрів, бо не відбувається теплопередачі, а дрова горять... Тому тут без охолодження ніяк не обійтись. Тут вже лунали думки і про ТС змішувачі і про трьохходові клапани, але до них я ще не дійшов, не кажучи вже про схеми обв'язки на їх основі. Буду вдячний за допомогу. Посилання на коментар Поділитися на інших сайтах More sharing options...
troll_9000 Опубліковано: 5 вересня 2011 Поділитись Опубліковано: 5 вересня 2011 (ссылка на изображение устарела) на схеме трехходовой и двухходовой с сервоприводами. При перегреве котла двухходовой впускает воду в ктеплообменник котла, а трехходовой сливает в канализацию и заодно перекрывает СО. При дальнейшем изучении предмета было решено запускать охлаждающую воду из бойлера, т.к. теплообменник чугунный (чтобы не репнул от ХВС +7 градусов) схема.pdf 1 Посилання на коментар Поділитися на інших сайтах More sharing options...
Сергей_84 Опубліковано: 5 вересня 2011 Поділитись Опубліковано: 5 вересня 2011 Порівняння з балонами дуже вдале, я особисто розумію, що система аварійного охолодження ТТК - дуже потрібна штука в господарстві . Через незнання "модельного ряду" арматури для котелень різних виробників (вже штудіюю каталоги) прошу допомоги в організації дієвої, простої та бажано економічної схеми обв'язки ТТК. Схема підкорегована п.Сергієм31, мені не дуже довподоби через наявність двох насосів та ТС клапана з виносним датчиком. Наскільки я зрозумів алгоритм роботи тієї схеми наступний : котловий ЦН розганяє нагрітий теплоносій по системі, при досягненні певної температури на вході в ППР ТС клапан прикривається і циркуляція відбувається в радіаторному контурі за допомогою радіаторного ЦН, а котловий ЦН ганяє воду по малому колу "котел - байпас". Коли вода охолола на деяку величину "дельтаТ" в радіаторному контурі, ТС клапан відривається і запитується гарячою водою з котла. Плюс до всього при перекритому ТС клапані дуже легко завести котел на перегрів, бо не відбувається теплопередачі, а дрова горять... Тому тут без охолодження ніяк не обійтись. Тут вже лунали думки і про ТС змішувачі і про трьохходові клапани, але до них я ще не дійшов, не кажучи вже про схеми обв'язки на їх основі. Буду вдячний за допомогу. 1 . ТА.... 2. Поставить смесительный клапан как ограничение где-то на70- 80 градусов, чтобы больше не пошло в систему.... 3. А больше вариантов и не существует...пардон 1 Посилання на коментар Поділитися на інших сайтах More sharing options...
Сергей_84 Опубліковано: 5 вересня 2011 Поділитись Опубліковано: 5 вересня 2011 (ссылка на изображение устарела) на схеме трехходовой и двухходовой с сервоприводами. При перегреве котла двухходовой впускает воду в ктеплообменник котла, а трехходовой сливает в канализацию и заодно перекрывает СО. При дальнейшем изучении предмета было решено запускать охлаждающую воду из бойлера, т.к. теплообменник чугунный (чтобы не репнул от ХВС +7 градусов) схема.pdf кстати тестировал я на свой страх и риск работу Кклапана Калеффи 544....четырехходового, который в обратку подает хололдную воду....и установка которого рекомендуется почти во всех инструкциях к ТТ... Никто никуда не репнул, а просто плавно начал охлпждаться... Вроде даже видео валялось где-то...хотел на Ютуб выложить, но время окло 20 минут.... Посилання на коментар Поділитися на інших сайтах More sharing options...
Рекомендовані повідомлення
Створіть акаунт або увійдіть у нього для коментування
Ви маєте бути користувачем, щоб залишити коментар
Створити акаунт
Зареєструйтеся для отримання акаунта. Це просто!
Зареєструвати акаунтУвійти
Вже зареєстровані? Увійдіть тут.
Увійти зараз