Seva1964 Опубліковано: 5 лютого 2014 Поділитись Опубліковано: 5 лютого 2014 В итоге драйвер выходит из строя или все ограничивается только вонючим дымом? Я это все спрашиваю по той причине, что ранее Вы советовали с целью предотвращения обгорания контактов выключателя, устанавливать выключатель после драйвера, но в таком случае в выключенном состоянии драйвер будет находится под напряжением и без нагрузки. Или я что-то не понял? --- Ещё раз. LED - устройство, которому нужен определённый ток. Этот ток получается либо при помощи специализированного импульсного токового драйвера, либо от источника напряжения с линейным стабилизатором тока. Импульсный токовый драйвер - высокий КПД (вплоть до 97%) + стабильный световой поток. Но при первом же удобном случае вся сборка накрывается медным тазом. Источник напряжения с линейным стабилизатором тока (в т.ч. простым резистором) - невысокий КПД (до 75%) + нестабильный (при использовании отечественных 220 В после обычного трансформатора либо ХИТ) световой поток. Угробить LED практически невозможно. Посилання на коментар Поділитися на інших сайтах More sharing options...
Messenger Опубліковано: 9 лютого 2014 Поділитись Опубліковано: 9 лютого 2014 Seva1964, благодарю за ответ, но меня интересовал вопрос, если на драйвер (импульсный токовый драйвер) подать напряжение, но на его выход не подключить LED (включить драйвер без нагрузки), то драйвер выйдет из строя или останется рабочий? Seva1964, не подскажите, какой можно применить драйвер для питания 9-и вольтовых CXA1304 от сети 220В? Хочу сделать светильник, что бы его можно было питать и от 12В, и от 220В. Например, когда 220В есть, то светильник работает от 220В, а когда 220В пропадает, то релюшка перемыкает питание на резервный источник 12В. Посилання на коментар Поділитися на інших сайтах More sharing options...
AndyAntonov Опубліковано: 9 лютого 2014 Поділитись Опубліковано: 9 лютого 2014 Так писали же - дым пойдет. Сгорит нафик. Драйвер тока на 12В, БП 220/12В, зарядник АКБ, АКБ. Аварийный светильник выходит. Посилання на коментар Поділитися на інших сайтах More sharing options...
Seva1964 Опубліковано: 9 лютого 2014 Поділитись Опубліковано: 9 лютого 2014 Seva1964, не подскажите, какой можно применить драйвер для питания 9-и вольтовых CXA1304 от сети 220В? Хочу сделать светильник, что бы его можно было питать и от 12В, и от 220В. Например, когда 220В есть, то светильник работает от 220В, а когда 220В пропадает, то релюшка перемыкает питание на резервный источник 12В. --- Пару дней назад включил нечто подобное и теперь наблюдаю, чем закончится APV 12-16 -> "цементный" пятиваттный резистор 7,5 Ом -> CXA1304-0000-000C00B440F, приклеенный к подходящему радиатору обыкновенной эпоксидной смолой. Через полтора часа падение на резисторе установилось на отметке 2,91 В и до сих пор не шевелится. Вместо "пермыкающей релюшки" предусмотрен простой переходник с APV на АКБ и обратно. Есть 220? - АPV. Нету? - перевоткнул в АКБ от ИБП. 1 Посилання на коментар Поділитися на інших сайтах More sharing options...
Diver Опубліковано: 10 лютого 2014 Поділитись Опубліковано: 10 лютого 2014 меня интересовал вопрос, если на драйвер (импульсный токовый драйвер) подать напряжение, но на его выход не подключить LED (включить драйвер без нагрузки), то драйвер выйдет из строя или останется рабочий? возьмите драйвер на 12в и бп на 12в, + аккумулятор на 12В без проблем вход дрйвера будете реле перекидывать. а еще лучше возьмите специальный БП который это будет делать сам. Посилання на коментар Поділитися на інших сайтах More sharing options...
Yavny Опубліковано: 23 лютого 2014 Поділитись Опубліковано: 23 лютого 2014 Если у вас нормальный драйвер, то без нагрузки он не выйдет из строя, по крайней мере менвеловские LPC не выходят, но после того как восстановить соединение со светодиодом, возможен выход последнего из строя, так как конденсатор заряжен большим током. Посилання на коментар Поділитися на інших сайтах More sharing options...
Seva1964 Опубліковано: 24 лютого 2014 Поділитись Опубліковано: 24 лютого 2014 по крайней мере менвеловские LPC не выходят, но после того как восстановить соединение со светодиодом, возможен выход последнего из строя, так как конденсатор заряжен большим током. --- Если ваш LPC ещё не "гавкнул", это вовсе не означает, что можно заниматься такими рекомендациями. Производитель указывает конкретный диапазон выходного напряжения и его следует придерживаться. LED, который сразу же выходит из строя при подобном восстановлении соединения, делает это потому, что напряжение выходного выходного конденсатора равно верхнему пределу напряжения, при котором ваш драйвер (пока) уходит в защиту. Для LPC-20-350, например, такой предел находится в диапазоне 50.4...60 В, и все эти вольты напрямую физдячат по p-n переходу. 1 Посилання на коментар Поділитися на інших сайтах More sharing options...
Messenger Опубліковано: 28 лютого 2014 Поділитись Опубліковано: 28 лютого 2014 БП 220/12В, Это понятно. Я думал, может драйвер 220В будет дешевле стоить, чем БП220/12В? Вместо "пермыкающей релюшки" предусмотрен простой переходник с APV на АКБ и обратно. Есть 220? - АPV. Нету? - перевоткнул в АКБ от ИБП. "Перевоткнул" - не подходит по следующей причине: Допустим, у меня в темное время суток пропадает 220В и темнота… Я должен искать какой-то автономный источник света, типа мобильник с фонариком и уже при его слабом свете перетыкать переходник – геморрой! Все должно быть на автомате. а еще лучше возьмите специальный БП который это будет делать сам.ИПБ – дороговато получается, если ставить на каждый светильник. Да и не надо мне в комнатах и на кухне в светлое время суток бесперебойная подача питания. ИПБ хочу поставить только на освещение в коридорах (там темно круглосуточно) и видеонаблюдение. Объясню свою ситуацию. У меня на чердаке стоят три автомобильных аккумулятора над двумя комнатами и кухней. С каждого аккумулятора идет провод в помещение над которым он стоит.Через эти провода я заряжаю аккумуляторы (одним зарядным устройством по очереди) и беру с них энергию для освещения (пока освещение на автомобильных лампах накаливания) в случае пропадания 220В. Мне надо эту конструкцию модернизировать и автоматизировать. Хочу поставить светодиодные светильники на 12В и сделать так, что бы я не замечал пропадание 220В. Кроме этого надо сделать заряд аккумуляторов тоже автоматический. Теперь вопрос, есть ли смысл в данном случае покупать для каждого аккумулятора ИПБ? Или можно как-то дешевле решить данную задачу? PS. Цена на APC-16-350 в vdmais сейчас 97 гривен и его нет в наличии. В сентябре 2013 года покупал такой драйвер за 52 гривны. Посилання на коментар Поділитися на інших сайтах More sharing options...
Seva1964 Опубліковано: 28 лютого 2014 Поділитись Опубліковано: 28 лютого 2014 Все должно быть на автомате. --- Если хотите "усё на автомате", прислушайтесь к рекомендации Diver. Розничный ИБП на 12 В хоть и угробит АКБ в назначенный срок, зато, если таки отработает защита от КЗ, сэкономит намного больше. Посилання на коментар Поділитися на інших сайтах More sharing options...
Messenger Опубліковано: 1 березня 2014 Поділитись Опубліковано: 1 березня 2014 --- Если хотите "усё на автомате", прислушайтесь к рекомендации Diver. Розничный ИБП на 12 В хоть и угробит АКБ в назначенный срок, зато, если таки отработает защита от КЗ, сэкономит намного больше. Вы можете посоветовать какой-то конкретно ИБП? Добавлено через 2 минуты Seva1964, еще хотел Вас спросить. Нельзя ли объяснить, чем лучше MTGBEZ-01-0000-0B00M030F в сравнении с CXA 1304? Разница по цене в 4 раза, а по характеристикам не существенная. Посилання на коментар Поділитися на інших сайтах More sharing options...
Seva1964 Опубліковано: 1 березня 2014 Поділитись Опубліковано: 1 березня 2014 Вы можете посоветовать какой-то конкретно ИБП? --- Я могу сделать ИБП, который нужен для решения конкретной задачи. На шару этим уже не занимаюсь, поэтому порекомендовал бюджетное решение. MTG работает раза в четыре лучше, чем бюджетный СОВ-ы сопоставимой мощности за те же деньги. Всё, вроде бы, одинаково (световая температура, индекс цветопередачи, количество люмен на ватт), а свет всё одно лучше. 1 Посилання на коментар Поділитися на інших сайтах More sharing options...
Messenger Опубліковано: 2 березня 2014 Поділитись Опубліковано: 2 березня 2014 На 12В у MX3SWT есть только один драйвер. Вышеупомянутый резистор. А если их штук 10 подключить параллельно через LDD-1000H? Думаете ток может неравномерно распределиться? В таком случае можно чуть увеличить количество светодиодов, что бы отдельные светодиоды не работали на пределе своих характеристик. Кроме этого, для равномерного распределения тока, можно для соединения светодиодов использовать провод большого сечения, что сделает минимальное сопротивление проводников, а так же использовать одинаковой длины отрезки проводов, что бы у всех было одинаковое сопротивление, что будет способствовать равномерному распределению тока. Посилання на коментар Поділитися на інших сайтах More sharing options...
Seva1964 Опубліковано: 3 березня 2014 Поділитись Опубліковано: 3 березня 2014 А если их штук 10 подключить параллельно через LDD-1000H? Думаете ток может неравномерно распределиться? --- Думаю, что это авантюра. LDD-1000H требует минимум три вольта для нормальной работы, и на MX-3s падает больше десяти с половиной вольт. Для такой сборки понадобится не менее 13,5 В на входе драйвера, а их у вас всего 12. 1 Посилання на коментар Поділитися на інших сайтах More sharing options...
Messenger Опубліковано: 4 березня 2014 Поділитись Опубліковано: 4 березня 2014 --- Думаю, что это авантюра. LDD-1000H требует минимум три вольта для нормальной работы, и на MX-3s падает больше десяти с половиной вольт. Для такой сборки понадобится не менее 13,5 В на входе драйвера, а их у вас всего 12. Странно. Сейчас на LDD-700L к которому подключены два CXA1304 подаю 9В, а на выходе 8,5В. Когда подавал 12В, то на выходе было 10В, но тогда был подключен только один CXA1304. С двумя еще не пробовал подавать 12В. По ходу дела, визуально светит примерно одинаково, что от 8,5В, что от 10В. а их у вас всего 12. При полностью заряженном аккумуляторе бывает до 14В. Посилання на коментар Поділитися на інших сайтах More sharing options...
Seva1964 Опубліковано: 14 березня 2014 Поділитись Опубліковано: 14 березня 2014 Бюджетный* прожектор на базе CXA1304-0000-000C00B440F с рефлектором C10920_BRIDGET-W. Стабилизация тока - резистор + 15 м шнура до автомобильного прикуривателя. Рабочий ток при выключенном двигателе около 350 мА, при работающем генераторе около 450 мА. * Шнур с "папой" обошёлся дороже, чем всё остальное 2 Посилання на коментар Поділитися на інших сайтах More sharing options...
Messenger Опубліковано: 17 березня 2014 Поділитись Опубліковано: 17 березня 2014 Seva1964, а существует, какой бюджетный вариант подключения 37 вольтовых CXA1304 к сети 220В??? Может, через резистор, конденсатор? А то после замены валяется три CXA1304 на 5000К, думаю, может для подсветки пристроить их куда-то в сарай или сортир. Посилання на коментар Поділитися на інших сайтах More sharing options...
Seva1964 Опубліковано: 17 березня 2014 Поділитись Опубліковано: 17 березня 2014 после замены валяется три CXA1304 на 5000К, думаю, может для подсветки пристроить их куда-то в сарай или сортир --- Вариант с резистором слишком прожорлив, а с конденсатором просто опасен. APC-16-350 + 3 параллельных CXA1304&37V. 1 Посилання на коментар Поділитися на інших сайтах More sharing options...
Qbrige Опубліковано: 17 березня 2014 Поділитись Опубліковано: 17 березня 2014 ну да, только аварийный и будет Посилання на коментар Поділитися на інших сайтах More sharing options...
Messenger Опубліковано: 17 березня 2014 Поділитись Опубліковано: 17 березня 2014 --- Вариант с резистором слишком прожорлив, а с конденсатором просто опасен. APC-16-350 + 3 параллельных CXA1304&37V. Я думал их использовать по одиночке. Если покупать еще к ним APC-16-350, то лучше пусть остаются лежать в дальнем углу. Вот купил 6 штук XTEAWT на алюминиевых платах и драйвер LDD-700LW. К драйверу подключу параллельно две цепочки по три последовательно соединенных светодиода. Думаю в сумме получится около 600 Лм света, что эквивалентно лампе накаливания примерно 60 Вт. Для коридора мне этого достаточно. Хочу запитать это хозяйства от ИБП 12В, через датчик движения. Сейчас в поисках потолочного светильника под это дело. Seva1964, посоветуйте, пожалуйста, какой светильник лучше брать под такое дело, что бы Лм не растерять и свет хорошо рассеивался? Посилання на коментар Поділитися на інших сайтах More sharing options...
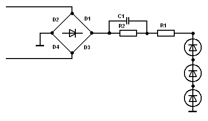
Seva1964 Опубліковано: 18 березня 2014 Поділитись Опубліковано: 18 березня 2014 Я думал их использовать по одиночке. Если покупать еще к ним APC-16-350, то лучше пусть остаются лежать в дальнем углу. --- Тогда уж лучше пусть они работают круглые сутки: 1. выпрямительный мост 2. конденсатор 3. резистор 100К 4. три последовательных LED Радиаторы не нужны, LED можно разнести куда угодно, световой поток от каждого существенно превысит 4 Лм, потребление всей сборки за один час не превысит 800 Дж. 1 Посилання на коментар Поділитися на інших сайтах More sharing options...
Messenger Опубліковано: 21 березня 2014 Поділитись Опубліковано: 21 березня 2014 --- Тогда уж лучше пусть они работают круглые сутки: 1. выпрямительный мост 2. конденсатор 3. резистор 100К 4. три последовательных LED Радиаторы не нужны, LED можно разнести куда угодно, световой поток от каждого существенно превысит 4 Лм, потребление всей сборки за один час не превысит 800 Дж. 1. Какой емкости конденсатор? 3. Какой мощности резистор? Параллельно конденсатору, может есть смысл поставить еще один резистор (R2), как ниже на схеме? В датчиках движения такая схема цепи питания. Посилання на коментар Поділитися на інших сайтах More sharing options...
Seva1964 Опубліковано: 21 березня 2014 Поділитись Опубліковано: 21 березня 2014 1. Какой емкости конденсатор? 3. Какой мощности резистор? --- 1. Конденсатор минимум на 400 В. Ёмкость чем больше, тем меньше будет заметно 50 Гц. 3. От 0,25 Вт. R2 не нужен, второй вывод С1 припаяйте к "земле" (если "электролит", соблюдайте полярность). На схеме, если хотите, чтобы LED светились, их желательно развернуть на 180 градусов ;) 1 Посилання на коментар Поділитися на інших сайтах More sharing options...
Messenger Опубліковано: 22 березня 2014 Поділитись Опубліковано: 22 березня 2014 --- 1. Конденсатор минимум на 400 В. Ёмкость чем больше, тем меньше будет заметно 50 Гц. А у меня таких как раз и нет. Максимум 300 В. Есть два электролита по 680 мФ 200В. Если их последовательно поставить, как на схеме? Емкость 680 мФ, думаю вполне достаточная? Посилання на коментар Поділитися на інших сайтах More sharing options...
Seva1964 Опубліковано: 22 березня 2014 Поділитись Опубліковано: 22 березня 2014 Емкость 680 мФ, думаю вполне достаточная? --- Достаточная, чтобы после отключения сборка не могла потухнуть ещё пару минут, если при включении не бабахнет конденсатор с бОльшим внутренним сопротивлением. Я бы поставил один конденсатор на одну микрофараду. 1 Посилання на коментар Поділитися на інших сайтах More sharing options...
Diver Опубліковано: 22 березня 2014 Поділитись Опубліковано: 22 березня 2014 А у меня таких как раз и нет. Максимум 300 В. Есть два электролита по 680 мФ 200В. Если их последовательно поставить, как на схеме? Емкость 680 мФ, думаю вполне достаточная? светодиоды будут гореть как свечки.. Посилання на коментар Поділитися на інших сайтах More sharing options...
Рекомендовані повідомлення
Створіть акаунт або увійдіть у нього для коментування
Ви маєте бути користувачем, щоб залишити коментар
Створити акаунт
Зареєструйтеся для отримання акаунта. Це просто!
Зареєструвати акаунтУвійти
Вже зареєстровані? Увійдіть тут.
Увійти зараз