Dandik Опубліковано: 28 лютого 2014 Поділитись Опубліковано: 28 лютого 2014 2 Посилання на коментар Поділитися на інших сайтах More sharing options...
дездечадо Опубліковано: 7 квітня 2014 Поділитись Опубліковано: 7 квітня 2014 муки выбора.лестница ж-бетонная ,облицована плиткой или металлическая на одном косоуре,обшитая деревом.денег надо сэкономить,но и сделать качественно,красиво и долговечно.что выбрать?и еще одно.в доме маленькие дети. Добавлено через 1 час 33 минуты [ATTACH]342904[/ATTACH] [ATTACH]342905[/ATTACH] [ATTACH]342906[/ATTACH] а не бюджетный,это сколько?интересует второй вариант Посилання на коментар Поділитися на інших сайтах More sharing options...
dorado_2820 Опубліковано: 7 квітня 2014 Поділитись Опубліковано: 7 квітня 2014 муки выбора.лестница ж-бетонная ,облицована плиткой или металлическая на одном косоуре,обшитая деревом.денег надо сэкономить,но и сделать качественно,красиво и долговечно.что выбрать?и еще одно.в доме маленькие дети. Добавлено через 1 час 33 минуты а не бюджетный,это сколько?интересует второй вариант тысяч 20 грн будет стоить Ваша обшивка на центральном косоуре. Посилання на коментар Поділитися на інших сайтах More sharing options...
11708 Опубліковано: 8 квітня 2014 Поділитись Опубліковано: 8 квітня 2014 муки выбора.лестница ж-бетонная ,облицована плиткой или металлическая на одном косоуре,обшитая деревом.денег надо сэкономить,но и сделать качественно,красиво и долговечно.что выбрать?и еще одно.в доме маленькие дети. бетонная. заливается по месту. дешевле и лучше не нашел ничего. зайдите в личку. 1 Посилання на коментар Поділитися на інших сайтах More sharing options...
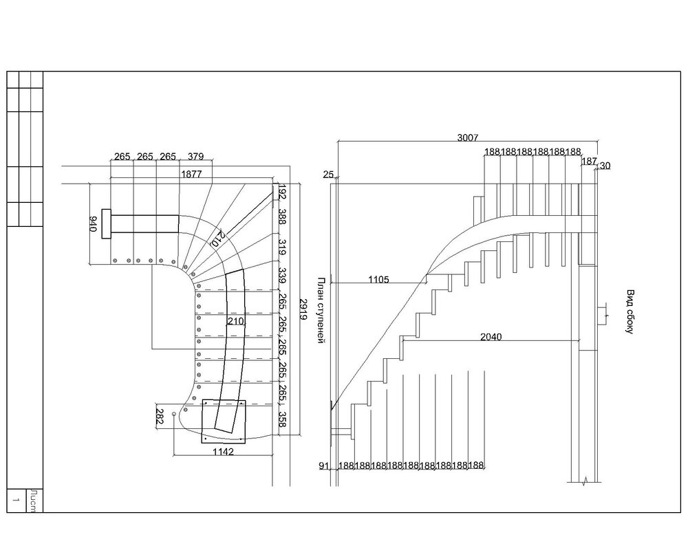
V.K.L Опубліковано: 21 квітня 2014 Поділитись Опубліковано: 21 квітня 2014 Нужна помощь и критика, хочу сам изготовить либо из бетона либо метал! Мне кажется, что вариант исполнения таких забежных степеней более эргономичные чем на втором рисунке острые к центру. Что думаете, посоветуйте пожалуйста, мне сама конструкция пока интересует. Посилання на коментар Поділитися на інших сайтах More sharing options...
НикВас Опубліковано: 21 квітня 2014 Поділитись Опубліковано: 21 квітня 2014 вариант исполнения таких забежных степеней более эргономичные чем на втором рисунке Однозначно! 1 Посилання на коментар Поділитися на інших сайтах More sharing options...
Игорь&Ира Опубліковано: 21 квітня 2014 Поділитись Опубліковано: 21 квітня 2014 Нужна помощь и критика, хочу сам изготовить либо из бетона либо метал! Мне кажется, что вариант исполнения таких забежных степеней более эргономичные чем на втором рисунке острые к центру. Что думаете, посоветуйте пожалуйста, мне сама конструкция пока интересует. Вариант 1: строго по правилам. Вариант 2: проще в проектировании и изготовлении; допускается, если ходовая часть забежных ступеней не меньше, чем прямых ступеней. Я лестницу в металле делал по этому варианту, так как нужда заставила. Посилання на коментар Поділитися на інших сайтах More sharing options...
V.K.L Опубліковано: 21 квітня 2014 Поділитись Опубліковано: 21 квітня 2014 Однозначно! Хотя это программа рисует в инете, зачем заведомо давать ложную инфу, ведь кто то возьмет и построит((( А по размерам и все хорошо? Посилання на коментар Поділитися на інших сайтах More sharing options...
НикВас Опубліковано: 21 квітня 2014 Поділитись Опубліковано: 21 квітня 2014 зачем заведомо давать ложную инфу В смысле? А по размерам и все хорошо? Проступь не вижу. Посилання на коментар Поділитися на інших сайтах More sharing options...
Игорь&Ира Опубліковано: 21 квітня 2014 Поділитись Опубліковано: 21 квітня 2014 Классика жанра: Йожеф Косо "Лестницы". Ищите в бумажном или pdf-формате. 1 Посилання на коментар Поділитися на інших сайтах More sharing options...
захар 1977 Опубліковано: 21 квітня 2014 Поділитись Опубліковано: 21 квітня 2014 Классика жанра: Йожеф Косо "Лестницы". Ищите в бумажном или pdf-формате. Йожеф Косо | Лестницы - дизайн и технология [2005] [PDF] 1 Посилання на коментар Поділитися на інших сайтах More sharing options...
V.K.L Опубліковано: 21 квітня 2014 Поділитись Опубліковано: 21 квітня 2014 В смысле? Проступь не вижу. Это про программу которая заведомо ложно чертит. Поступь-это подъем, тогда 18 см Йожеф Косо | Лестницы - дизайн и технология [2005] [PDF] не могу зайти((( Посилання на коментар Поділитися на інших сайтах More sharing options...
захар 1977 Опубліковано: 21 квітня 2014 Поділитись Опубліковано: 21 квітня 2014 не могу зайти((( Если хотите скиньте почту, скину. Не хочет сюда вставлятся. Посилання на коментар Поділитися на інших сайтах More sharing options...
OlesyaD Опубліковано: 7 травня 2014 Поділитись Опубліковано: 7 травня 2014 У меня есть каркас лестницы из металла. Хочу сделать что-то подобное Возможно ли мой металлический каркас обшить гипсокартоном, чтобы получить подобный результат? Посилання на коментар Поділитися на інших сайтах More sharing options...
Игорь&Ира Опубліковано: 8 травня 2014 Поділитись Опубліковано: 8 травня 2014 У меня есть каркас лестницы из металла. Хочу сделать что-то подобное Возможно ли мой металлический каркас обшить гипсокартоном, чтобы получить подобный результат? Только Ваш металлический каркас можно обшить гипсокартоном, чтобы получить подобный результат. Дерзайте. Результатом поделитесь. Посилання на коментар Поділитися на інших сайтах More sharing options...
OlesyaD Опубліковано: 8 травня 2014 Поділитись Опубліковано: 8 травня 2014 Ну, если Ваш тоже можно, я не возражаю Перефразирую: можно ли металлический каркас, форма которого похожа на данную лестницу, обшить гипсокартоном, чтобы получить вид как на картинке? Посилання на коментар Поділитися на інших сайтах More sharing options...
shodyveletyk Опубліковано: 9 травня 2014 Поділитись Опубліковано: 9 травня 2014 У меня есть каркас лестницы из металла. Хочу сделать что-то подобное Возможно ли мой металлический каркас обшить гипсокартоном, чтобы получить подобный результат? Здравствуйте ! Канешно можно сделать. На одном из обектов именно так и делали лестницу. Фотоотчет ниже. 3 Посилання на коментар Поділитися на інших сайтах More sharing options...
OlesyaD Опубліковано: 10 травня 2014 Поділитись Опубліковано: 10 травня 2014 Да, очень похоже на то, что я хочу. Подскажите, пожалуйста, чем подшито. На первой картинке похоже на дерево, а из чего бока и низ? Посилання на коментар Поділитися на інших сайтах More sharing options...
shodyveletyk Опубліковано: 10 травня 2014 Поділитись Опубліковано: 10 травня 2014 Да, очень похоже на то, что я хочу. Подскажите, пожалуйста, чем подшито. На первой картинке похоже на дерево, а из чего бока и низ?Ступени и подступени йшли одной толщины з дерева. Низ и бока лестницы - гипсокартон. 1 Посилання на коментар Поділитися на інших сайтах More sharing options...
OlesyaD Опубліковано: 10 травня 2014 Поділитись Опубліковано: 10 травня 2014 Буду еще очень признательна, если Вы озвучите стоимость такой отделки. Посилання на коментар Поділитися на інших сайтах More sharing options...
shodyveletyk Опубліковано: 10 травня 2014 Поділитись Опубліковано: 10 травня 2014 Буду еще очень признательна, если Вы озвучите стоимость такой отделки. Все зависит от того какой у вас каркас лестницы, как нужно будет его обшить деревом , ограждение и много чего другого. Виставьте свой каркас лестницы , тогда можна будет поговорить о цене. Лестница что више мы делали в 2011 году. Стоила она на то время 30000 грн. 1 Посилання на коментар Поділитися на інших сайтах More sharing options...
OlesyaD Опубліковано: 10 травня 2014 Поділитись Опубліковано: 10 травня 2014 Спасибо, примерный расклад мне понятен. Посилання на коментар Поділитися на інших сайтах More sharing options...
Piontkovskiy Опубліковано: 11 травня 2014 Поділитись Опубліковано: 11 травня 2014 Лично я для себя вижу такие + лестницы на металлическом каркасе: - большая жесткость в сравнении с деревянной - отсутствие шумов при правильном подходе - возможность осуществления любого типа и дизайна лестниц - дешевизна и скорость монтажа на фоне бетонной - в сравнении с деревом, возможность использования лестниц для отделочных работ Да и люблю я металл Посилання на коментар Поділитися на інших сайтах More sharing options...
V.K.L Опубліковано: 26 травня 2014 Поділитись Опубліковано: 26 травня 2014 Ребята а может кто то поможет нарисовать толковую лестницу, хочу сделать самостоятельно, думаю каркас железный а затем его тоже обшить. Если что дам точные размеры Посилання на коментар Поділитися на інших сайтах More sharing options...
Сельдь(и)рейка Опубліковано: 27 травня 2014 Поділитись Опубліковано: 27 травня 2014 хочу сделать самостоятельно Начните с фото своей ситуации. Несколько ракурсов проема под лестницу с обоих этажей. Посилання на коментар Поділитися на інших сайтах More sharing options...
Рекомендовані повідомлення
Створіть акаунт або увійдіть у нього для коментування
Ви маєте бути користувачем, щоб залишити коментар
Створити акаунт
Зареєструйтеся для отримання акаунта. Це просто!
Зареєструвати акаунтУвійти
Вже зареєстровані? Увійдіть тут.
Увійти зараз