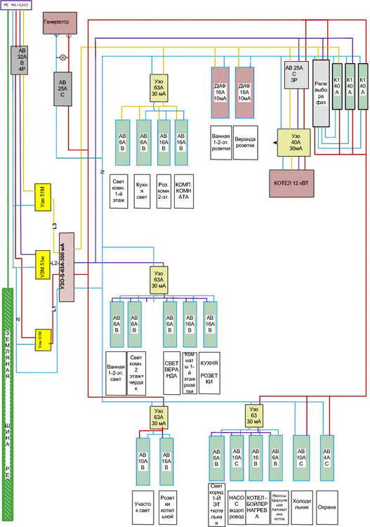
хищник Опубліковано: 12 січня 2013 Поділитись Опубліковано: 12 січня 2013 После того как собрал щит учета на участок занялся схемой для домового щита. Вот изобразил схемку Заземление по схеме TN-C-S-деление PEN на N и РЕ выполнил в вводном щите на участке. Вводной автомат в щите учета С32А В дом привел подземным кабелем 5х16 Может надо как-то разгруппировать еще нагрузки на разные узо (или добавить узо) или наоборот убрать автоматов или объединить И вопрос если не затруднит -на вводе в домовой щит у меня автомат 4-х полюсной-это нормально или заменить на 3-х полюсной? ДАЛЕЕ схемка-вот (ссылка на изображение устарела) Посилання на коментар Поділитися на інших сайтах More sharing options...
HagerKVT Опубліковано: 12 січня 2013 Поділитись Опубліковано: 12 січня 2013 На котёл автомат и УЗО лучше поменять местами. Правильно будет сначала УЗО, потом автомат и котёл. Автомат должен защищать УЗО при КЗ. Освещение через УЗО заводить не нужно. Дифавтоматы (ванная и веранда) пускать ещё раз через УЗО то же лишнее. И добавить лучше пару УЗО, при этом их номинал будет меньше (достаточно будет УЗО на 40А), соответственно раскидать группы по разным УЗО. Это то что на первый взгляд. Автомат 4-х полюсный не меняйте. Это правильно, что отключается все 3 фазы и ноль, так как иногда бывает что фаза где то по нолю может проскочить. 1 Посилання на коментар Поділитися на інших сайтах More sharing options...
PA3 Опубліковано: 12 січня 2013 Поділитись Опубліковано: 12 січня 2013 УЗМ - убрать ПОД вводное УЗО. Кстати, УЗО на 40А вам достаточно - автомат же на 32 В случае недеревянного дома УЗО на освещение - излишество. Да и групповые УЗО - лишние. Поставьте розетки желаемые под отдельные дифы, а то при утечке в комн.2 у вас свет в кухне-ванной пропадет. И тэдэ. Я бы(но это спорно) отказался от УЗО для питания котла, холодильника, охраны - из соображений бОльшей устойчивости от случайных выключений(при помехах от РЭА, грозах etc) Т.е. я бы добавил 7 ДА на 2п и избавился бы от 3 УЗО 4п Посилання на коментар Поділитися на інших сайтах More sharing options...
sov1178 Опубліковано: 12 січня 2013 Поділитись Опубліковано: 12 січня 2013 А зачем ставить УЗО на 63А, если вводной автомат 32А? Как я понимаю УЗО на 40А будет достаточно (а они дешевле, чем на 63А). Посилання на коментар Поділитися на інших сайтах More sharing options...
PA3 Опубліковано: 12 січня 2013 Поділитись Опубліковано: 12 січня 2013 На котёл автомат и УЗО лучше поменять местами. Правильно будет сначала УЗО, потом автомат и котёл.неправда ваша. В случае УЗО_снизу у нас: а) УЗО со стороны генератора защищено от КЗ б) линия питания котла красивенько уходит из-под одного устройства Посилання на коментар Поділитися на інших сайтах More sharing options...
хищник Опубліковано: 12 січня 2013 Автор Поділитись Опубліковано: 12 січня 2013 На котёл автомат и УЗО лучше поменять местами. Правильно будет сначала УЗО, потом автомат и котёл. Автомат должен защищать УЗО при КЗ. Освещение через УЗО заводить не нужно. Дифавтоматы (ванная и веранда) пускать ещё раз через УЗО то же лишнее. И добавить лучше пару УЗО, при этом их номинал будет меньше (достаточно будет УЗО на 40А), соответственно раскидать группы по разным УЗО. Это то что на первый взгляд. Автомат 4-х полюсный не меняйте. Это правильно, что отключается все 3 фазы и ноль, так как иногда бывает что фаза где то по нолю может проскочить. Т.е чтобы я правильно исправил надо: 1.Освещение завести просто от линии,через узо не нужно. 2.на Дифавтоматы на ванную и веранду тоже просто взять от линии. 3.Добавить узо еще на линии-разделить большую группу автоматов на несколько груп от разных узо. 4.Про вводной автомат понятно спасибо. А вот такой еще вопросик--если одна фаза пропадет на котел как у него будет работать насос? подскажите если возможно Посилання на коментар Поділитися на інших сайтах More sharing options...
sov1178 Опубліковано: 12 січня 2013 Поділитись Опубліковано: 12 січня 2013 Свет на участок через отдельное УЗО или через отдельный дифавтомат - там наиболее высока вероятность его срабатывания, а у Вас на том же УЗО сидит часть котельной. Охрану через УЗО вроде не положено (может и ошибаюсь, но помню на работе ДСО хотела, чтобы охрана была без УЗО). Посилання на коментар Поділитися на інших сайтах More sharing options...
хищник Опубліковано: 12 січня 2013 Автор Поділитись Опубліковано: 12 січня 2013 Свет на участок через отдельное УЗО или через отдельный дифавтомат - там наиболее высока вероятность его срабатывания, а у Вас на том же УЗО сидит часть котельной. Охрану через УЗО вроде не положено (может и ошибаюсь, но помню на работе ДСО хотела, чтобы охрана была без УЗО). Спасибо Про свет тоже ясно-выведу на отдельное узо А про охрану через узо-на мой взгляд хорошо-сработает узо- у меня тогда охранная система смс пришлет что элекричество на данной линии нет. Думаю еще реле выбора фаз в схему имеет смысл ввести? Посилання на коментар Поділитися на інших сайтах More sharing options...
PA3 Опубліковано: 12 січня 2013 Поділитись Опубліковано: 12 січня 2013 если одна фаза пропадет на котел как у него будет работать насос?смотреть на насос надо. Как правило, циркуляционники - однофазные, поэтому он будет работать, пока будет "его" фаза на месте. Постарайтесь узнать, во сколько вам с соседями станет переделка воздушки на провод СИП. Тогда, возможно, и УЗМ не надо будет Добавлено через 2 минуты Думаю еще реле выбора фаз в схему имеет смысл ввести?для питания выделенных потребителей - why not. Это циркуляционник, холодильник, система охраны. БЕЗ УЗО. И обратите внимание на зануление и уравнивание потенциалов 1 Посилання на коментар Поділитися на інших сайтах More sharing options...
хищник Опубліковано: 12 січня 2013 Автор Поділитись Опубліковано: 12 січня 2013 смотреть на насос надо. Как правило, циркуляционники - однофазные, поэтому он будет работать, пока будет "его" фаза на месте. Постарайтесь узнать, во сколько вам с соседями станет переделка воздушки на провод СИП. Тогда, возможно, и УЗМ не надо будет Добавлено через 2 минуты для питания выделенных потребителей - why not. Это циркуляционник, холодильник, система охраны. БЕЗ УЗО. И обратите внимание на зануление и уравнивание потенциалов У меня уже на столбах СИП-линия новая-только поставили --А ПОЧЕМУ ПО ВАШЕМУ не надо уже узм-51? Разве не будет еще скачков напряжения на линии ? НА СТОЛБАХ повторное заземление есть уже. Моя система в щите учета и заземление TN-C-S В вводном щите на участке уже разделил PEN от столба на N и РЕ Возле щита учета есть уже моё заземление-2-а 20мм прута забил по 3-и метра Возле дома еще будет 3-5 прутов по длине дома и к шине РЕ Посилання на коментар Поділитися на інших сайтах More sharing options...
PA3 Опубліковано: 12 січня 2013 Поділитись Опубліковано: 12 січня 2013 У меня уже на столбах СИП-линия новая-только поставили --А ПОЧЕМУ ПО ВАШЕМУ не надо уже узм-51? Разве не будет еще скачков напряжения на линии ?у вас гарантированно не будет перехлестов проводов на линии 0,4 кВ, это хорошо. А если у вас ещё и приличное сечение линии и, как говорите, повторное заземление есть - откуда "скачкам" взяться ? Заземление же меряйте не количеством железа, а его электрическим сопротивлением - не более 4 Ом 1 Посилання на коментар Поділитися на інших сайтах More sharing options...
хищник Опубліковано: 12 січня 2013 Автор Поділитись Опубліковано: 12 січня 2013 у вас гарантированно не будет перехлестов проводов на линии 0,4 кВ, это хорошо. А если у вас ещё и приличное сечение линии и, как говорите, повторное заземление есть - откуда "скачкам" взяться ? Заземление же меряйте не количеством железа, а его электрическим сопротивлением - не более 4 Ом Ясно У меня там СИП на столбах наверное 4х25 или еще толще. Новая линия к новому дому от трансформатора в 350 метрах от дома. Ну уж если узм-51 не нужно то проще. а то я их заказал-но не факт, что мне их привезут-дефицит! Посилання на коментар Поділитися на інших сайтах More sharing options...
PA3 Опубліковано: 12 січня 2013 Поділитись Опубліковано: 12 січня 2013 У меня там СИП на столбах наверное 4х25 или еще толще. Новая линия к новому дому от трансформатора в 350 метрах от дома.Небольшое сечение. И далеко. Учитывая, что у вас киловатт 15 нагрузки, да вы не один, возможно и будет гулять напряжение из ГОСТа - вниз. а вместо Меандровских УЗМ поищите что-то местного производства. На 32А вам хватит. И ставьте - после вводного УЗО(на 40А). Поищите, тут на форуме кто-то сравнительные испытания сих устройств делал. 1 Посилання на коментар Поділитися на інших сайтах More sharing options...
хищник Опубліковано: 13 січня 2013 Автор Поділитись Опубліковано: 13 січня 2013 Небольшое сечение. И далеко. Учитывая, что у вас киловатт 15 нагрузки, да вы не один, возможно и будет гулять напряжение из ГОСТа - вниз. а вместо Меандровских УЗМ поищите что-то местного производства. На 32А вам хватит. И ставьте - после вводного УЗО(на 40А). Поищите, тут на форуме кто-то сравнительные испытания сих устройств делал. Спасибо . Поставим на 40а узошки на линии! ушел схему править Посилання на коментар Поділитися на інших сайтах More sharing options...
PA3 Опубліковано: 13 січня 2013 Поділитись Опубліковано: 13 січня 2013 Поставим на 40а узошки на линии ушел схему правитьубирайте групповые УЗО. Лучше дифов добавьте, оно и при сборке щита полезнее А УЗМ мучал - запорожский Kamikaze : (ссылка устарела) Посилання на коментар Поділитися на інших сайтах More sharing options...
хищник Опубліковано: 13 січня 2013 Автор Поділитись Опубліковано: 13 січня 2013 убирайте групповые УЗО. Лучше дифов добавьте, оно и при сборке щита полезнее А УЗМ мучал - запорожский Kamikaze : (ссылка устарела) А чем полезнее дифы? Места меньше занимают? Вроде как по грамотному если,то это автомат + узо. Про узм51 уже читал-хорошая вещь! Посилання на коментар Поділитися на інших сайтах More sharing options...
HagerKVT Опубліковано: 13 січня 2013 Поділитись Опубліковано: 13 січня 2013 А чем полезнее дифы? Места меньше занимают? Вроде как по грамотному если,то это автомат + узо. Про узм51 уже читал-хорошая вещь! Если место в щите позволяет, лучше ставьте автомат+УЗО. Дифы можно на отдельных одиночных потребителей ставить. 1 Посилання на коментар Поділитися на інших сайтах More sharing options...
хищник Опубліковано: 13 січня 2013 Автор Поділитись Опубліковано: 13 січня 2013 Если место в щите позволяет, лучше ставьте автомат+УЗО. Дифы можно на отдельных одиночных потребителей ставить. Ясно Отписал Вам в личку пару вопросов!:D Посилання на коментар Поділитися на інших сайтах More sharing options...
PA3 Опубліковано: 13 січня 2013 Поділитись Опубліковано: 13 січня 2013 А чем полезнее дифы? Места меньше занимают? Вроде как по грамотному если,то это автомат + узо. во-первых, вы обеспечите группы раздельной защитой от прикосновения во-вторых, ноль линии будет подключен к тому же аппарату защиты, что и фаза. А не к клеммнику "N после УЗО" в-третьих "По наличию расцепителей УЗО выпускаются как имеющими, так и не имеющими защиту от сверхтока. Преимущественно должны использоваться УЗО, представляющие единый аппарат с автоматическим выключателем, обеспечивающим защиту от сверхтока." Я писал, и ещё повторю: я бы добавил 7 ДА на 2п и избавился бы от 3 УЗО 4п Посилання на коментар Поділитися на інших сайтах More sharing options...
хищник Опубліковано: 13 січня 2013 Автор Поділитись Опубліковано: 13 січня 2013 во-первых, вы обеспечите группы раздельной защитой от прикосновения во-вторых, ноль линии будет подключен к тому же аппарату защиты, что и фаза. А не к клеммнику "N после УЗО" в-третьих Я писал, и ещё повторю: ""7 ДА на 2п и избавился бы от 3 УЗО 4п"" А можно немного пояснее объяснить--а то я не электрик и эта строчка мне совсем непонятна! К тому же я в Подмосковье, а эта "7 ДА на 2п и избавился бы от 3 УЗО 4п " может у нас ее и не найти. 3 УЗО на 4П----ЭТО имеете ввиду узо котла который, что ли? Что с ним не так? спасибо Посилання на коментар Поділитися на інших сайтах More sharing options...
Energon Опубліковано: 13 січня 2013 Поділитись Опубліковано: 13 січня 2013 Лучше дифов добавьте, оно и при сборке щита полезнее а рамки бюджета тут принимаються в счет или нет? Посилання на коментар Поділитися на інших сайтах More sharing options...
PA3 Опубліковано: 13 січня 2013 Поділитись Опубліковано: 13 січня 2013 а рамки бюджета тут принимаються в счет или нет? в текущих ценах на АВВ разница составит : +7(ДА)х$42 - 3(УЗО)х$63 - около ста долларов. При общей смете объекта >>$70K ...и ежемесячном счете за электроэнергию долларов от 150 На спичках экономить будем ? Или посоветуем товарищу ИЭК ? ====================== ""7 ДА на 2п и избавился бы от 3 УЗО 4п"" А можно немного пояснее объяснить--а то я не электрик и эта строчка мне совсем непонятна!По каждому блоку: 1. убираем УЗО 2. ставим отдельные дифавтоматы на розетки и наружное освещение и, желательно, на освещение с/у-ванных(вдруг вы оттуда на бритву-фен розетку включите) 3. На автоматику котла, насос(тут спорно) и охрану ставим просто автоматы. К тому же я в Подмосковье, а эта "7 ДА на 2п и избавился бы от 3 УЗО 4п " может у нас ее и не найти.как д...ров за баней. И дешевле, чем на Украине. 3 УЗО на 4П----ЭТО имеете ввиду узо котла который, что ли?нет. Этот узел изменений не требует --------------------------- Непонятно, в чём дефицитность УЗМ-51. Обратитесь в ЭТМ, например. У них, в отличие от МПО Электромонтаж, вменяемая цена. Теперь вопросы к вам: - где стиральная машина ? - будет ли посудомоечная машина ? - что с кондиционированием(летом и по 38 С бывает) Посилання на коментар Поділитися на інших сайтах More sharing options...
Energon Опубліковано: 13 січня 2013 Поділитись Опубліковано: 13 січня 2013 На спичках экономить будем ? Или посоветуем товарищу ИЭК ? чиго так резко? я разве что то говорил про ИЕК? ИЕК в своей ценовой категории и если он не паленный очень даже неплохо. Посилання на коментар Поділитися на інших сайтах More sharing options...
PA3 Опубліковано: 13 січня 2013 Поділитись Опубліковано: 13 січня 2013 чиго так резко? экономия в сто долларов, которая значительно ухудшает работу схемы ? Залило плафон во дворе и отключился котел ? Дите полезло пальцем в розетку и оставило полдома без света ? Нашо нужна она такая ? ИЭК... вот не люблю я этот китай. Тем более, что их ДА занимают по 4 модуля. И непригодны под монтаж гребенками. Вот на времянку их ставить можно. Там, где 4-6-12 модулей в щите Посилання на коментар Поділитися на інших сайтах More sharing options...
хищник Опубліковано: 13 січня 2013 Автор Поділитись Опубліковано: 13 січня 2013 (змінено) PA3-спасибо ЧТО такое 7ДА и какое узо 3 УЗО 4п ----имеете ввиду-не могу понять?? Поправил немного схему может будут еще замечания. У меня вопросы 1. Автомат на вводе 32А/4-Х полюсной-нормально или заменить на 3х полюсной? 2. Котел-бойлер в нижней группе-убрать на другую группу или не надо? когда света нет-вроде как и горячая вода не нужна. 3.Охрана в нижней группе -исправил -включил без узо-оставить? 4. Узо на каждой группе 63А/30мА-оставить или сменить на 40А/30мА ? 5. Правильно ли поставил дифы Верхняя группа на ванную и веранду (или поставить на них узо+автомат)? спасибо Змінено 13 січня 2013 користувачем хищник Посилання на коментар Поділитися на інших сайтах More sharing options...
Рекомендовані повідомлення
Створіть акаунт або увійдіть у нього для коментування
Ви маєте бути користувачем, щоб залишити коментар
Створити акаунт
Зареєструйтеся для отримання акаунта. Це просто!
Зареєструвати акаунтУвійти
Вже зареєстровані? Увійдіть тут.
Увійти зараз