Energon Опубліковано: 13 січня 2013 Поділитись Опубліковано: 13 січня 2013 может будут еще замечания. а зачем при вводе селективное УЗО, можно обойтися простым на 300мА(я так думаю) свет комнаты 2 етаж + чердак я б разделил, поставил второй автомат на 6А. разные помещения(как то так) в приципе на свет можно поставить 10А, вместо 6А. что то я не понимаю догистику связи УЗМ+реле выбора фаз+контакторы. на схемке как то изображенно туманно(( Добавлено через 14 минут Узо на каждой группе 63А/30мА-оставить или сменить на 40А/30мА ? да можно, нагрузки там нету на 63А Посилання на коментар Поділитися на інших сайтах More sharing options...
PA3 Опубліковано: 13 січня 2013 Поділитись Опубліковано: 13 січня 2013 ЧТО такое 7ДА и какое узо 3 УЗО 4п ----имеете ввиду-не могу понять??7(семь) ДА(дифавтоматов) и убрать все групповые 4п(четырёхполюсные)УЗО (о, Доже ! они у вас размножаются !) Реле выбора фаз вам нафиг не надо. Просто поставьте переключающий рубильник для запитки от генератора на: циркуляционник холодильник охрану насос освещение жилых помешений и с/у Тип рубильника, например, OT25F3C или три штуки E214-25-101 И ещё раз: УЗМ уберите ПОД вводное УЗО. Оно понадежнее будет Добавлено через 11 минут а зачем при вводе селективное УЗО а чтобы при больших токах утечки сперва отработала защита пониже. Фактически вводное УЗО, это противопожарные мероприятия Посилання на коментар Поділитися на інших сайтах More sharing options...
HagerKVT Опубліковано: 13 січня 2013 Поділитись Опубліковано: 13 січня 2013 7(семь) ДА(дифавтоматов) и убрать все групповые 4п(четырёхполюсные)УЗО (о, Доже ! они у вас размножаются !) Так в схеме 4-полюсные УЗО только вводное селективное и на котёл. Остальные все УЗО 2-полюсные. Не вводите человека в заблуждение) Посилання на коментар Поділитися на інших сайтах More sharing options...
PA3 Опубліковано: 13 січня 2013 Поділитись Опубліковано: 13 січня 2013 Так в схеме 4-полюсные УЗО только вводное селективное и на котёл. Остальные все УЗО 2-полюсные. Mea culpa, привык больше на однолинейки смотреть. Тогда да, разница в цене другая, не сто, а сто сорок долларов. Но всё равно их надо снимать. Три вводных: 1. В комнате на 2-ом дите влезло в розетку - кухня, 1-й этаж без света, комп - обесточен. На компе крутилась 1С, накрылась. 2. В кухне из чайника плюхнуло - 2-й этаж и ванные без света, комнатные розетки погасли. А хозяйка в ванной голову мыла, пока чайник закипал 3. В насосе села изоляция(крот кабель укусил) - встал циркуляционный насос, котельная без света, автоматика котла обесточена. А хозяин споткнулся в темном коридоре... И добавьте 4 клеммника на N после этих УЗО. 1 Посилання на коментар Поділитися на інших сайтах More sharing options...
Energon Опубліковано: 13 січня 2013 Поділитись Опубліковано: 13 січня 2013 а чтобы при больших токах утечки сперва отработала защита пониже. так те что ниже на 30мА, а у нас вводное протипожарное на 300мА. Это в 10 раз больше, селективное там явно лишние. Вот если б у нас и после вводного было 300мА, то да тогда нада на вводе селективное Добавлено через 1 минуту комп - обесточен. На компе крутилась 1С, накрылась бесперебойник в таких случаях должен стоять, если важная информация есть)) Посилання на коментар Поділитися на інших сайтах More sharing options...
Energon Опубліковано: 13 січня 2013 Поділитись Опубліковано: 13 січня 2013 Зачем применять заведомо неудобное решение - вместо более рационального ? а что, бесперебойник уже неудобное решение? с каких это пор? вы как-то определитесь: нууу, сума просто не была озвученна, вот и спросил залило светильник на участке, ток утечки - ампер. Что произойдёт ? УЗО 30мА сработает в пределах 23-26мА за час 0.03 секунды кажись(точное время нада смотреть, в каталоге которое не под рукой счас) Добавлено через 2 минуты Ну и такое соображение: одна конторка в своём документе утверждает, что без использования селективного УЗО на вводе достигается лишь частичная селективность(по току), а полная селективность категорически не обеспечивается нууу, мне аж захотелось експеремент произвести. благо наличие всех узо есть. Нада будет попробовать. Приеду домой через недельку попробую. тут отпишусь)) Посилання на коментар Поділитися на інших сайтах More sharing options...
хищник Опубліковано: 13 січня 2013 Автор Поділитись Опубліковано: 13 січня 2013 Mea culpa, привык больше на однолинейки смотреть. Тогда да, разница в цене другая, не сто, а сто сорок долларов. Но всё равно их надо снимать. Три вводных: 1. В комнате на 2-ом дите влезло в розетку - кухня, 1-й этаж без света, комп - обесточен. На компе крутилась 1С, накрылась. 2. В кухне из чайника плюхнуло - 2-й этаж и ванные без света, комнатные розетки погасли. А хозяйка в ванной голову мыла, пока чайник закипал 3. В насосе села изоляция(крот кабель укусил) - встал циркуляционный насос, котельная без света, автоматика котла обесточена. А хозяин споткнулся в темном коридоре... И добавьте 4 клеммника на N после этих УЗО. Ну засада!:D Конечно бюджет очень важен-лишнего мне не надо в щите Хотелось бы оптимально недорого, но правильно! как же мне тогда лучше скомпоновать линии-чтоб не было Вами перечисленных проблем? Посоветуйте--может что-то еще разделить или объединить в схеме? Селективное узо заменил-поставил такое же простое 4Р/63А/300мА Схему почему-то удаляют(может поясните почему? спасибо) Посилання на коментар Поділитися на інших сайтах More sharing options...
Energon Опубліковано: 13 січня 2013 Поділитись Опубліковано: 13 січня 2013 а вводное на 300 мА - при залитии цепи водой ? если такое случиться, то щиту в доме уже будет побоку что там стоит. это что нада открыть дверцу щита и вылить туда ведро воды что ли? если ребята из Доепке притащат стенд на выставку весной, то я спецом принесу кучу узошек на 300мА что б протестить на отключаемость. Посилання на коментар Поділитися на інших сайтах More sharing options...
Energon Опубліковано: 14 січня 2013 Поділитись Опубліковано: 14 січня 2013 Сообщение от Energon это что нада открыть дверцу щита и вылить туда ведро воды что ли? вводную помните ? Повторяю: Цитата: Сообщение от PA3 - залило светильник на участке, ток утечки - ампер. где вы видите цепь светильника на участке между УЗО 300мА и 30мА. кажись по схемке цепь светильника защищает УЗО 30мА Посилання на коментар Поділитися на інших сайтах More sharing options...
хищник Опубліковано: 14 січня 2013 Автор Поділитись Опубліковано: 14 січня 2013 РАЗ-подскажите еще Вот так начал ставить дифы в схему-начал со средней части. Так будет правильно? дабы в последствии всю схемку переделать спасибо Посилання на коментар Поділитися на інших сайтах More sharing options...
PA3 Опубліковано: 14 січня 2013 Поділитись Опубліковано: 14 січня 2013 где вы видите цепь светильника на участке между УЗО 300мА и 30мА.кто об этом говорит ? Речь именно о том, всегда ли "нижнее" УЗО сработает раньше "верхнего". АВВ считает, что не всегда Посилання на коментар Поділитися на інших сайтах More sharing options...
PA3 Опубліковано: 14 січня 2013 Поділитись Опубліковано: 14 січня 2013 Вот так начал ставить дифы в схему-начал со средней части. Так будет правильно? ужастик. Попробуйте что-то на кшалт прилагаемого рисунка сваятьЧертеж другого щита.pdf 1 Посилання на коментар Поділитися на інших сайтах More sharing options...
хищник Опубліковано: 14 січня 2013 Автор Поділитись Опубліковано: 14 січня 2013 ужастик. Попробуйте что-то на кшалт прилагаемого рисунка сваять Спасибо! Ушел изучать-редактировать Посилання на коментар Поділитися на інших сайтах More sharing options...
sanykrimea Опубліковано: 14 січня 2013 Поділитись Опубліковано: 14 січня 2013 ужастик. Попробуйте что-то на кшалт прилагаемого рисунка сваять 1. Схема дифзащиты избыточна. 2. Стоимость автоматики - раз в 5 выше достаточной для обеспечения защиты от прямого и косвенного прикосновения. Требует полной замены через 10 лет (срок службы) 3. Управление освещением - достаточно для повышения вероятности получения бытовых травм. 4. Защита электрокотла не обеспечивает бесперебойности его питания 5. Недостаточно линий в кухню - перегрузка 6 УЗО перед счётчиком (за границей эксплуатационной ответственности) - нонсенс. 7 Стоимость вводной КЛ кабелем нг с медными жилами, сечением 16 мм2, в трубе - раз в 7-10 выше достаточной. etc. Читателям темы - не повторяйте эти ошибки 2 Посилання на коментар Поділитися на інших сайтах More sharing options...
PA3 Опубліковано: 14 січня 2013 Поділитись Опубліковано: 14 січня 2013 1. Схема дифзащиты избыточна. 3. Управление освещением - достаточно для повышения вероятности получения бытовых травм.ссылочку на НТД, ага ?2. Стоимость автоматики - раз в 5 выше достаточнойстоимость всех аппаратов управления в щите - $560 Cкалькулируйте аналог - в $120 ...нет, даже в 130 баксов. На АВВ, естественно. 4. Защита электрокотла не обеспечивает бесперебойности его питанияваши предложения ? Чем отличается схема от предлагаемой ТС ? На всяк случай, нам важнее защита от прикосновения. А котел - хрен с ним. 5. Недостаточно линий в кухню - перегрузкада вы что! У вас есть конкретная технология конкретного проекта ? 6 УЗО перед счётчиком (за границей эксплуатационной ответственности) - нонсенс.на всякий случай, в проекте, на базе которого сделан набросок, граница РБПиЭО проходит по разъединителю 6кВ. Обратите внимание на название шкафа 7 Стоимость вводной КЛ кабелем нг с медными жилами, сечением 16 мм2, в трубе - раз в 7-10 выше достаточной.обратите внимание на выражение "на кшалт". Это раз. Два : не зная длины питающей линии, рассуждать о необходимом сечении линии - глупо ==================== нарисуйте свой вариант, глядишь, человеку помощь будет Посилання на коментар Поділитися на інших сайтах More sharing options...
sov1178 Опубліковано: 15 січня 2013 Поділитись Опубліковано: 15 січня 2013 Читателям темы - не повторяйте эти ошибки Я бы еще добавил: 1. Диф. защиту лучше типа А (а не АС, как на схеме) 2. Освещение лучше защитить УЗО 3. Влажные помещения нужно защищать УЗО с током срабатывания 10мА (на схеме везде 30мА). 4. Розетки на кухню сидят на одном автомате 20А, а где интересно продаются механизмы розетки которые выдерживают 20А (видел только на 16А)? ИМХО, надо разделить кухню на две группы с автоматами по 16А (или меньше), или ограничить свои "хотелки" и заменить автомат на 16А. ИМХО, схема потенциально опасная и очень дорогая (в плане стоимости компонентов)... Посилання на коментар Поділитися на інших сайтах More sharing options...
sanykrimea Опубліковано: 15 січня 2013 Поділитись Опубліковано: 15 січня 2013 В эту схему (в корпус щитка) лучше всего (disclaimer!) добавить ОСП-1 (ссылка на изображение устарела) Посилання на коментар Поділитися на інших сайтах More sharing options...
PA3 Опубліковано: 15 січня 2013 Поділитись Опубліковано: 15 січня 2013 (змінено) а где интересно продаются механизмы розетки которые выдерживают 20А (видел только на 16А)?в серии Plexo - точно есть Партнамбер 557 03, например(в качестве отмазки) ;) И не "выдерживают", а "рассчитаны" Формально - нарушение. Хотя, при одновременном включении чайника и, например, фритюрницы, потребление может достигнуть 18-19А. При этом проводка-соединения и не вспотеют, а 16-ку выбьет. Вроде бы лучше УЗО и пару-тройку автоматов. Но:2.8.9. Необходимо использовать преимущественно УЗО, являющееся единым аппаратом с автоматическим выключателем, обеспечивающим защиту от сверхтоков. и вот тут рассуждения о дороговизне начинаютсяИМХО, схема потенциально опасная и очень дорогая в чем опасность ? (-20А на кухню- рассмотрели) Со ссылками на НТД 2. Освещение лучше защитить УЗОлучше. Но.Установка УЗО в линиях, питающих стационарно установленное оборудование и светильники, а также в общих сетях освещения, не обязательна. Был бы деревянный дом, поставил бы обязательно 3. Влажные помещения нужно защищать УЗО с током срабатывания 10мАвозможно, лучше, но необязательноВ ванных комнатах квартир и номеров гостиниц допускается установка штепсельных розеток в зоне 3 согласно приложению 2, подключенных к сети через разделительные трансформаторы или сети, защищенной устройством защитного отключения (далее - УЗО), реагирующим на дифференциальный ток, с номинальным током, не превышающим 30 мА.Так что "нужно" - не то слово. Змінено 15 січня 2013 користувачем PA3 Посилання на коментар Поділитися на інших сайтах More sharing options...
sanykrimea Опубліковано: 15 січня 2013 Поділитись Опубліковано: 15 січня 2013 (змінено) в серии ... ... возможно, лучше, но необязательно В мемориз........ Змінено 15 січня 2013 користувачем Валерий Валентинович 5 Посилання на коментар Поділитися на інших сайтах More sharing options...
хищник Опубліковано: 15 січня 2013 Автор Поділитись Опубліковано: 15 січня 2013 Друзья у меня дом каркасник 2-а этажа так что думаю мне узо+ автомат на свет будет лучше. схемка пока в разработке Посилання на коментар Поділитися на інших сайтах More sharing options...
sov1178 Опубліковано: 15 січня 2013 Поділитись Опубліковано: 15 січня 2013 в чем опасность ? (-20А на кухню- рассмотрели) Со ссылками на НТД Что-то не видно 20А розеток (в Plexo в том числе), ну да ладно, вилки то тоже почти все на 16А ;), но это не беда - зато мы поставили один диффавтомат (тупо следуя необязательным нормам, впрочем, зато получили денежку), хотя за те же деньги можно было поставить одно УЗО и два автомата по 16А... Был бы деревянный дом, поставил бы обязательно А у ТС то оказывается каркасник... возможно, лучше, но необязательно Цитата: В ванных комнатах квартир и номеров гостиниц допускается установка штепсельных розеток в зоне 3 согласно приложению 2, подключенных к сети через разделительные трансформаторы или сети, защищенной устройством защитного отключения (далее - УЗО), реагирующим на дифференциальный ток, с номинальным током, не превышающим 30 мА. Так что "нужно" - не то слово.возможно, лучше, но необязательноТак что "нужно" - не то слово. Вы уже свои телепатические способности по угадыванию материала дома ТС продемонстрировали. Теперь я так понимаю Вы своим ясновидением уже определили, что все розетки у ТС в ванной находятся в зоне 3. Понимаете, когда речь идет о потенциально опасных устройствах (типа проводки) давать советы: "...делай по типу того как тут..." очень опасно, особенно, когда Вы не владеете полной информацией о том, что где у ТС расположено, как будет использоваться, какой дом. P.S. Думаю ТС необходимые выводы сделал, за сим разрешите удалиться - дела... Посилання на коментар Поділитися на інших сайтах More sharing options...
sanykrimea Опубліковано: 15 січня 2013 Поділитись Опубліковано: 15 січня 2013 Прошу модераторов, без понимания сути, не тереть посты! Повторяю. Всё написанное ником РАЗ - есть бред. Посилання на коментар Поділитися на інших сайтах More sharing options...
PA3 Опубліковано: 15 січня 2013 Поділитись Опубліковано: 15 січня 2013 Что-то не видно 20А розеток (в Plexo в том числе)я привел партнамбер изделия. Вилки, ему соответствующие - есть ну да ладно, вилки то тоже почти все на 16Аесть море вилок, которые можно включить в Шуко - рассчитанных на номинальный ток в 10А, 6А, даже 2,5А. Так что, будем ставить в качестве АЗ двухамперный автомат ? А у ТС то оказывается каркасник...посмотрите пост 3 темы Вы своим ясновидением уже определили, что все розетки у ТС в ванной находятся в зоне 3.2.6.5. В ванных комнатах, душевых и санузлах необходимо использовать электрооборудование, специально предназначенное для установки в соответствующих зонах этих помещений в соответствии с приложением 2, с выполнением таких требований: ... 2) в зоне 0 могут использоваться электроприборы напряжением не выше 12 В, предназначенные для использования в ванне. В таком случае источник питания должен размещаться за пределами этой зоны; 3) в зоне 1 могут устанавливаться только водонагреватели; 4) в зоне 2 могут устанавливаться водонагреватели и светильники класса защиты 214.40. В ванных комнатах квартир, в умывальных, душевых, ванных комнатах и преддушевых общежитий и гостиниц допускается установка штепсельных розеток в зоне 3 по ГОСТ Р 50571.11, присоединенных к сети через разделяющий трансформатор или защищенных УЗО на ток до 30 мА.то есть установка розетки не в зоне 3, а во второй или первой - нарушение ПУЭ Понимаете, когда речь идет о потенциально опасных устройствах (типа проводки) давать советы: "...делай по типу того как тут..." очень опасно - особенно, если вы не решаете не соблюдать НТД Посилання на коментар Поділитися на інших сайтах More sharing options...
sanykrimea Опубліковано: 15 січня 2013 Поділитись Опубліковано: 15 січня 2013 Саша, вам правила форума не писаны ? Прощаемся ... Чёрный список Некомпетентность. Сугор, он же PA3 Посилання на коментар Поділитися на інших сайтах More sharing options...
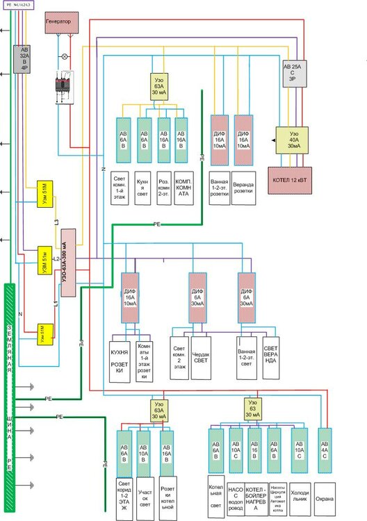
хищник Опубліковано: 15 січня 2013 Автор Поділитись Опубліковано: 15 січня 2013 Спасибо друзья форумчане за помощь! Вот что у меня получилось на данное время Дифы на все линии розеток пока не ставлю--поставил на ответственные линии--розетки кухня---розетки ванная --на все розеточные линии не ставлю, а то схема выйдет под 100 тыс Наверное практически финальная схема--если замечания еще есть пож-ста! (ссылка на изображение устарела) Посилання на коментар Поділитися на інших сайтах More sharing options...
Рекомендовані повідомлення
Створіть акаунт або увійдіть у нього для коментування
Ви маєте бути користувачем, щоб залишити коментар
Створити акаунт
Зареєструйтеся для отримання акаунта. Це просто!
Зареєструвати акаунтУвійти
Вже зареєстровані? Увійдіть тут.
Увійти зараз