fastvd Опубліковано: 14 жовтня 2015 Автор Поділитись Опубліковано: 14 жовтня 2015 Да пофиг на вентиль. Дайте нагрузку (в кВт при -20) по радиаторным контурам и по ТП. На коленке прикину расходы по котловому контуру и по потребителям. Выставите скорости насосов, м.б. проблема рассосется. А зачем в Вашей системе ГС в принципе? 1)не понял вообще что вы имеете ввиду дайте нагрузку...дом в 380 кв. охлажденный в котором +12 теперь не нагрузка? 2) со скоростями ничего не получается...даже если работает 1 котловой и 1 потребительский насос - через ГС ничего, через торец толькокотур ТП заработал 3) ГС для согласования всех контуров, пока не будет ТА 4) как пофиг на вентиль если в предыдущих постах мурава писал чтонужно давить байпас на 3-х ходовой на обратке и я четко по градуснику это вижу... Посилання на коментар Поділитися на інших сайтах More sharing options...
troll_9000 Опубліковано: 14 жовтня 2015 Поділитись Опубліковано: 14 жовтня 2015 не понял вообще что вы имеете ввиду дайте нагрузку...дом в 380 кв. охлажденный в котором +12 теперь не нагрузка? Сорри за сленг Шо желательно: 0. Температура подачи котла при -22 - 85 градусов 1. Контур № 1 радиаторный - 10 кВт, при -22 подача должна быть 70 градусов 2. Контур № 2 .......................................................................................... 3. Контур № 121 - теплы пол, подача 40, обратка 30 Этого достаточно, чтобы подобрать расход насосов. цифры для примера, подставьте Ваши значения Посилання на коментар Поділитися на інших сайтах More sharing options...
fastvd Опубліковано: 14 жовтня 2015 Автор Поділитись Опубліковано: 14 жовтня 2015 Сорри за сленг Шо желательно: 0. Температура подачи котла при -22 - 85 градусов 1. Контур № 1 радиаторный - 10 кВт, при -22 подача должна быть 70 градусов 2. Контур № 2 .......................................................................................... 3. Контур № 121 - теплы пол, подача 40, обратка 30 Этого достаточно, чтобы подобрать расход насосов. цифры для примера, подставьте Ваши значения ничего не понял - к чему эти цифры? у меня каждый контур управляется трехходовым с термоголовкой + на каждый этаж (подвал-радиаторы,1-ый этаж ТП, 2-ой этаж радиатора, 4-ый контур ГВС) по комнатному бепроводному ауратону 2030 которые отключает насос пр достижение заданной комфортной температуры на этаже - все остальное тепло в ТА...а уже сколько давать на каждый контур дело такое - подстраиваемое очень очень легко...мне нужно чтобы это тепло дошло к моим контурам, а как уже я его там распределю уже не задача...завтра заварим вентиль на байпас и посмотрим что запоет моя ГС...если не захочет работать - отрубаю ГС, побудет немного (месяц ориентировано) расбалансированным, поставлю ТА - буду ещё сексом заниматься по любому, но с помощью вас (друзья форумчане) думаю что все мы настроим нормально. П.С. что такое -22 - это температура на улице 22 мороза? П.С.2: 10кв - это вы имеете ввиду мощность всех радиаторов? у меня все радиатора поставлены с почти 2-ым запасом ,спецом под низкотемпературный режим который должен был быть в связке с конденсационником, но так как газ подорожал в 7 раз то уже на ТТ перебросились, но радиаторы остались... П.С.3: как по вашим цифрам можна что-то подобрать по насосах - хоть ты тресни не пойму - разве в идеале насос не подбирается по полной длине контура, по расчетам сколько углов, какая шероховатость труб, по гидросопротивлению грубо говоря? Посилання на коментар Поділитися на інших сайтах More sharing options...
troll_9000 Опубліковано: 14 жовтня 2015 Поділитись Опубліковано: 14 жовтня 2015 ничего не понял - к чему эти цифры? Да так, мелочь. С этого начинается расчет гидравлики по системам отопления Добавлено через 1 минуту П.С. что такое -22 - это температура на улице 22 мороза? Та да, в Киевской области температура холодной пятидневки Добавлено через 1 минуту П.С.2: 10кв - это вы имеете ввиду мощность всех радиаторов? Нет, это компенсируемые теплопотери по группе помещений, шо сидят на одной отопительной (насосной) ветке Как-то так и считается гидравлика Добавлено через 3 минуты как по вашим цифрам можна что-то подобрать по насосах - хоть ты тресни не пойму У насосов есть кривые напор-расход. В среднем напор насоса на ветку - 1,5-2 метра. В этой области и выбирается насос (и его скорость), который обеспечит расход, нужный для обеспечения N кВт при X градусов разницы между подачей и обраткой Как-то так и считается гидравлика Посилання на коментар Поділитися на інших сайтах More sharing options...
fastvd Опубліковано: 14 жовтня 2015 Автор Поділитись Опубліковано: 14 жовтня 2015 Да так, мелочь. С этого начинается расчет гидравлики по системам отопления Добавлено через 1 минуту Та да, в Киевской области температура холодной пятидневки Добавлено через 1 минуту Нет, это компенсируемые теплопотери по группе помещений, шо сидят на одной отопительной (насосной) ветке Как-то так и считается гидравлика Добавлено через 3 минуты У насосов есть кривые напор-расход. В среднем напор насоса на ветку - 1,5-2 метра. В этой области и выбирается насос (и его скорость), который обеспечит расход, нужный для обеспечения N кВт при X градусов разницы между подачей и обраткой Как-то так и считается гидравлика ясно,плюс минус понял, но насосы уже стоят, будем лепить из того что есть...завтра уже будут первые рузультаты...))) пока всем спасибо Посилання на коментар Поділитися на інших сайтах More sharing options...
fastvd Опубліковано: 15 жовтня 2015 Автор Поділитись Опубліковано: 15 жовтня 2015 ясно,плюс минус понял, но насосы уже стоят, будем лепить из того что есть...завтра уже будут первые рузультаты...))) пока всем спасибо и ТАК: прикрутили вентиль на вход В на смесительный на обратке при вытянутом термопатроне, закрыл его полностью. 1) при подаче с ТТК 80 на входе в ГС около 76, на потребительские контура около 62-65 бежит - при чем равномерно на все 3 контура, на самих потребительских контурах все 3 трехходовых(1 в режиме распределения-на ТП, и 2 в режиме подмеса работают хорошо). При подаче с ТТК 65 град, на потребителей больше 55 не подымается 2) при подаче с ТТК 80 град и работе на торец коллектора - на первый по очереди контур бежит все 80 град, а на те что в конце коллектора больше 55 не подымается - расбаланс я так понимаю. 3) при любом режиме обратка в ТТК плавает как хочет 4) есть смысл вкрутить термопатрон чтобы обратка была контролирована или тогда вернемся к началу? 5) может есть смысл ещё закрутить такой балансировочный вентиль на выход с ГС ? 6) эти все дела при холодной СО вообще, в доме +12...или нужно все прогреть и смотреть как будет себе вести СО в целом? Посилання на коментар Поділитися на інших сайтах More sharing options...
fastvd Опубліковано: 16 жовтня 2015 Автор Поділитись Опубліковано: 16 жовтня 2015 и ТАК: прикрутили вентиль на вход В на смесительный на обратке при вытянутом термопатроне, закрыл его полностью. 1) при подаче с ТТК 80 на входе в ГС около 76, на потребительские контура около 62-65 бежит - при чем равномерно на все 3 контура, на самих потребительских контурах все 3 трехходовых(1 в режиме распределения-на ТП, и 2 в режиме подмеса работают хорошо). При подаче с ТТК 65 град, на потребителей больше 55 не подымается 2) при подаче с ТТК 80 град и работе на торец коллектора - на первый по очереди контур бежит все 80 град, а на те что в конце коллектора больше 55 не подымается - расбаланс я так понимаю. 3) при любом режиме обратка в ТТК плавает как хочет 4) есть смысл вкрутить термопатрон чтобы обратка была контролирована или тогда вернемся к началу? 5) может есть смысл ещё закрутить такой балансировочный вентиль на выход с ГС ? 6) эти все дела при холодной СО вообще, в доме +12...или нужно все прогреть и смотреть как будет себе вести СО в целом? день второй: 1) на ттк на подачу дали 85град 2) на ГС были все 85 и на потреб.контур шло около 72-75 3) когда обратка пошла уже теплая с потребительских контуров то на подаче в те же потр.контур пошли все 85...так что все гуд 4) теперь остался вопрос с обраткой в сам ТТК - как мне его сделать теплым без переделывания схемы под двухходовый, а заюзать мой трехходовый, который потом мне для ТА будет я так понимаю нужен ??? Посилання на коментар Поділитися на інших сайтах More sharing options...
Interso Опубліковано: 16 жовтня 2015 Поділитись Опубліковано: 16 жовтня 2015 4) теперь остался вопрос с обраткой в сам ТТК - как мне его сделать теплым без переделывания схемы под двухходовый, а заюзать мой трехходовый, который потом мне для ТА будет я так понимаю нужен ??? Та сделайте вот так и не нада ничего выдумывать Посилання на коментар Поділитися на інших сайтах More sharing options...
fastvd Опубліковано: 17 жовтня 2015 Автор Поділитись Опубліковано: 17 жовтня 2015 Та сделайте вот так и не нада ничего выдумывать Ну бака у меня пока нету... Посилання на коментар Поділитися на інших сайтах More sharing options...
Interso Опубліковано: 17 жовтня 2015 Поділитись Опубліковано: 17 жовтня 2015 Ну бака у меня пока нету... Можно сделать подмес обратки и без двухходового и без трёхходового клапана. www.stroimdom.com.ua/forum/showpost.php?p=3333902&postcount=31 Посилання на коментар Поділитися на інших сайтах More sharing options...
fastvd Опубліковано: 17 жовтня 2015 Автор Поділитись Опубліковано: 17 жовтня 2015 Можно сделать подмес обратки и без двухходового и без трёхходового клапана. www.stroimdom.com.ua/forum/showpost.php?p=3333902&postcount=31 вы не поняли(не читали тему просто полностью), у меня трехходовый на обратке стоит, но при работе ТЕПЕРЬ на ГС в СО тепло не идет,потому выбросил термопатрон,все заработало,но мне нужно до того момента как куплю бак-чтобы СО работа с подмесом обратки, чтобы коррозии не было, и чтобы схему потом под ТА не переделывать сильно... короче -будем думать ещё 1 вариант) Посилання на коментар Поділитися на інших сайтах More sharing options...
Interso Опубліковано: 17 жовтня 2015 Поділитись Опубліковано: 17 жовтня 2015 (змінено) вы не поняли(не читали тему просто полностью), у меня трехходовый на обратке стоит, но при работе ТЕПЕРЬ на ГС в СО тепло не идет,потому выбросил термопатрон,все заработало,но мне нужно до того момента как куплю бак-чтобы СО работа с подмесом обратки, чтобы коррозии не было, и чтобы схему потом под ТА не переделывать сильно... короче -будем думать ещё 1 вариант) Если вот эта схема то лучше сделать так,самые минимальные переделки. Установите термовкладыш обратно,сделайте байпас с регулировочным байпасом,отрегулируйте байпас под гидрострелку,когда установите ТА вы всегда сможете отрегулировать байпас под него. Змінено 17 жовтня 2015 користувачем Interso Посилання на коментар Поділитися на інших сайтах More sharing options...
fastvd Опубліковано: 17 жовтня 2015 Автор Поділитись Опубліковано: 17 жовтня 2015 Если вот эта схема то лучше сделать так,самые минимальные переделки. Установите термовкладыш обратно,сделайте байпас с регулировочным байпасом,отрегулируйте байпас под гидрострелку,когда установите ТА вы всегда сможете отрегулировать байпас под него. ок,свежое решение, а какой трубой это делать? ...у меня на обратке 32-ка метал. ну и баланс.вентель у меня уже стоит на байпасной линии от трехходового вверх (вход В)..только ним я так понимаю что я не отбалансирую...? Посилання на коментар Поділитися на інших сайтах More sharing options...
Interso Опубліковано: 17 жовтня 2015 Поділитись Опубліковано: 17 жовтня 2015 ок,свежое решение, а какой трубой это делать? ...у меня на обратке 32-ка метал. ну и баланс.вентель у меня уже стоит на байпасной линии от трехходового вверх (вход В)..только ним я так понимаю что я не отбалансирую...? 4) теперь остался вопрос с обраткой в сам ТТК - как мне его сделать теплым без переделывания схемы под двухходовый, а заюзать мой трехходовый, который потом мне для ТА будет я так понимаю нужен ??? 3/4 или 1", больше ставить нет смысла. Таким образом вы ваш трёхходовой превращаете в почти двухходовой. Посилання на коментар Поділитися на інших сайтах More sharing options...
fastvd Опубліковано: 17 жовтня 2015 Автор Поділитись Опубліковано: 17 жовтня 2015 3/4 или 1", больше ставить нет смысла. Таким образом вы ваш трёхходовой превращаете в почти двухходовой. спасибо большое.будем с понедельник юзать))) Посилання на коментар Поділитися на інших сайтах More sharing options...
fastvd Опубліковано: 21 жовтня 2015 Автор Поділитись Опубліковано: 21 жовтня 2015 3/4 или 1", больше ставить нет смысла. Таким образом вы ваш трёхходовой превращаете в почти двухходовой. привет. значит так. заварили сегодня обвод 3-х ходового с балансером.на фото видно что получилось. 1) дали 65 на подаче с ТТК - на ГС бежит все 65, а на СО около 50-52, обратка держится около 50, 2) при подаче 85 на ГС бежит все 85, а на СО около 70-75, обратка в ТТК около 62...но как только падает подача то и обратка не держится жестко 61, не в прямом коэффициенте разница есть, допустим если станет 75 подача(на 10 град меньше) то обратка на все 10 не упадет, но на 4-5 упадет точно. 3)крутил вертел как уже мог - может есть какая-то логика\спец.подход как отбалансиовать чтобЫ и на СО пошло ну хотя бы на 5-10 град меньше чем на подаче и чтобы обратка держалась 60 град? Посилання на коментар Поділитися на інших сайтах More sharing options...
murava Опубліковано: 21 жовтня 2015 Поділитись Опубліковано: 21 жовтня 2015 ГС всегда понижает темп подачи в систему, смиритесь. Правильно подобранная - градусов на 4...7. Застабилизировать четко обратку на уровне 60, имея полы в таких количествах - це фантастика. Смиритесь, Вы купили ТТ котел А это всегда своя незабываемая атмосфера и свой вид теплотехнического секса. Со временем Вы втянетесь и оно Вам обязательно понравится. 1 Посилання на коментар Поділитися на інших сайтах More sharing options...
Interso Опубліковано: 21 жовтня 2015 Поділитись Опубліковано: 21 жовтня 2015 привет. значит так. заварили сегодня обвод 3-х ходового с балансером.на фото видно что получилось. 1) дали 65 на подаче с ТТК - на ГС бежит все 65, а на СО около 50-52, обратка держится около 50, 2) при подаче 85 на ГС бежит все 85, а на СО около 70-75, обратка в ТТК около 62...но как только падает подача то и обратка не держится жестко 61, не в прямом коэффициенте разница есть, допустим если станет 75 подача(на 10 град меньше) то обратка на все 10 не упадет, но на 4-5 упадет точно. 3)крутил вертел как уже мог - может есть какая-то логика\спец.подход как отбалансиовать чтобЫ и на СО пошло ну хотя бы на 5-10 град меньше чем на подаче и чтобы обратка держалась 60 град? Так в чём проблема,система у вас работает нормально,обратка у вас не охлаждается,cлишком точно контролировать обратку у вас не получится да и смысла в этом нет. 1 Посилання на коментар Поділитися на інших сайтах More sharing options...
fastvd Опубліковано: 21 жовтня 2015 Автор Поділитись Опубліковано: 21 жовтня 2015 (змінено) ГС всегда понижает темп подачи в систему, смиритесь. Правильно подобранная - градусов на 4...7. Застабилизировать четко обратку на уровне 60, имея полы в таких количествах - це фантастика. Смиритесь, Вы купили ТТ котел А это всегда своя незабываемая атмосфера и свой вид теплотехнического секса. Со временем Вы втянетесь и оно Вам обязательно понравится. ну у меня так и получается градусов на 7-10...со временем уверен что подберу "обороты" под 4-7... ну и тогда когда будет ТА- а он большая ГС- то через него получается что схема\секс тот же - правильно я понимаю? не понимаю только одного - если ТА -большая ГС, то почему трехходовой\ он же ладдомат только в сборе - работает на ТА, а на ГС - не работает ,а нужен двухходовой ? Змінено 21 жовтня 2015 користувачем fastvd Посилання на коментар Поділитися на інших сайтах More sharing options...
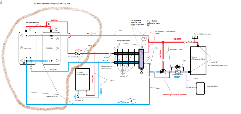
SON Опубліковано: 1 грудня 2015 Поділитись Опубліковано: 1 грудня 2015 Други, гляньте малюнок. По ГС не силен. Посилання на коментар Поділитися на інших сайтах More sharing options...
Сергей 31 Опубліковано: 1 грудня 2015 Поділитись Опубліковано: 1 грудня 2015 Други, гляньте малюнок. Один насос, ландомат и ГС лишние. 1 Посилання на коментар Поділитися на інших сайтах More sharing options...
fastvd Опубліковано: 1 грудня 2015 Автор Поділитись Опубліковано: 1 грудня 2015 Други, гляньте малюнок. По ГС не силен. ГС не нужна, насос после ТА не нужен, ладдомат хорошо или самозбор из трехходового + насос+ОК. Добавлено через 5 минут ну у меня так и получается градусов на 7-10...со временем уверен что подберу "обороты" под 4-7... ну и тогда когда будет ТА- а он большая ГС- то через него получается что схема\секс тот же - правильно я понимаю? не понимаю только одного - если ТА -большая ГС, то почему трехходовой\ он же ладдомат только в сборе - работает на ТА, а на ГС - не работает ,а нужен двухходовой ? раз уже подняли мою тему то скажу: 1) поставил котловой насос 8-ку, и разница подача\потребитель при работе всех потребительских контуров(трех чтобы точнее) упала до 3-4 град, если подключается ещё бойлер то разница 10 град, но так как бойлер вкл. редко, то перепад в 10 град не проблема. 2) обратку при этом на старте холодной системы(в системе +15 град) то опытным путем научился держать так: сначала нагреваю радиаторные контура быстро(минут 20-30) а потом вкл. насос ТП...тогда обратка около 55-60 держится, а если с нуля с ТП включать то часиков 3-4 держится около 45 град - пока не прогреется ТП в общем...но в доме пока не живу и потому холодный старт, при проживании таких проблем не должно вообще быть. в целом довольный , СПАСИБО ОГРОМНОЕ ВСЕМ кто навел на путь истенный )) 1 Посилання на коментар Поділитися на інших сайтах More sharing options...
SON Опубліковано: 1 грудня 2015 Поділитись Опубліковано: 1 грудня 2015 Один насос, ландомат и ГС лишние. А если так - оставляем ладомат, насос над бочкой и ГС в сад ? Посилання на коментар Поділитися на інших сайтах More sharing options...
fastvd Опубліковано: 1 грудня 2015 Автор Поділитись Опубліковано: 1 грудня 2015 А если так - оставляем ладомат, насос над бочкой и ГС в сад ? 1)ладдомат то оставляйте - он держит обратку 55-65(смотря какой термопатрон в ладдомате установлен) и правильно загружает ТА, тут вопросов ноль 2) насос над бочкой не делает никаких функций - это при работе на коллектор БЕЗ ГС, насосы на коллекторе и так будут циркулировать через ваш ТА, который исполняет функцию ГС. 3) ну и на ТП не забудьте подмес организовать...короче - у вас схема капля в каплю моя. Посилання на коментар Поділитися на інших сайтах More sharing options...
Сергей 31 Опубліковано: 1 грудня 2015 Поділитись Опубліковано: 1 грудня 2015 А если так - ? Начнем с конца. Что и как будет управлять всеми этими насосами? Посилання на коментар Поділитися на інших сайтах More sharing options...
Рекомендовані повідомлення
Створіть акаунт або увійдіть у нього для коментування
Ви маєте бути користувачем, щоб залишити коментар
Створити акаунт
Зареєструйтеся для отримання акаунта. Це просто!
Зареєструвати акаунтУвійти
Вже зареєстровані? Увійдіть тут.
Увійти зараз