SON Опубліковано: 7 грудня 2015 Поділитись Опубліковано: 7 грудня 2015 ,такая мулька не подойдёт? У меня от изобилия контроллеров уже голова кругом. В итоге они все выполняют одни и те же функции. Но досконально разобраться с программированием некоторых под силу тока самому разработчику ПО, избыточность которого по жизни и не требуется. :D Посилання на коментар Поділитися на інших сайтах More sharing options...
Oleg9293 Опубліковано: 7 грудня 2015 Поділитись Опубліковано: 7 грудня 2015 У меня от изобилия контроллеров уже голова кругом. В итоге они все выполняют одни и те же функции. Но досконально разобраться с программированием некоторых под силу тока самому разработчику ПО, избыточность которого по жизни и не требуется. :D Пфф...так это понятно.Я что подумал,что если цена вменяемая,то на фирме которая их реализует,есть свой програмист который и прошьёт этот комп по Вашим желаниям,о чём там и указывал форумчанин. Посилання на коментар Поділитися на інших сайтах More sharing options...
SON Опубліковано: 8 грудня 2015 Поділитись Опубліковано: 8 грудня 2015 Нашел интересную штуку, AURATON S14, (гугль выдает сразу) цена в районе 45 у.е. Можно запросто присобачить для небольшой котельной при ограниченном бюджете. Три датчика, три насоса, есть даже приоритет по ГВС и пр. печеньки. 2 Посилання на коментар Поділитися на інших сайтах More sharing options...
troll_9000 Опубліковано: 8 грудня 2015 Поділитись Опубліковано: 8 грудня 2015 Подмес и погодозависимость есть? Посилання на коментар Поділитися на інших сайтах More sharing options...
SON Опубліковано: 8 грудня 2015 Поділитись Опубліковано: 8 грудня 2015 Подмес и погодозависимость есть? Погоды и подмеса за такие деньги нэма, :D но есть раздельно управление котловым насосом и радиаторным контуром. При загрузке бойлера радиаторный насос останавливается, ежли выработки тепла нет, бойлер не грузится.Нагрузка по выходам вроде как до 6 Ампер. Еще есть канал на вентилятор, но до конца пока не вычитал. Думаю мож получится примастырить его на насос рециркуляции. ПДФ сюда не помещается. Настройки на нормальном языке, при желании хозяева сами смогут разобраться. В белорусском есть погодозависимость. Посилання на коментар Поділитися на інших сайтах More sharing options...
troll_9000 Опубліковано: 8 грудня 2015 Поділитись Опубліковано: 8 грудня 2015 Настройки на нормальном языке, при желании хозяева сами смогут разобраться. Низзя!!! А как же обслуживание??? Отдать в неопытные и шаловливые хозяйские руки???? По Кромшредер хоть понятно за что заказчик ежемесячно деньги платит 1 Посилання на коментар Поділитися на інших сайтах More sharing options...
SON Опубліковано: 8 грудня 2015 Поділитись Опубліковано: 8 грудня 2015 troll_9000, гляньте будь ласка фотки. Хочу упразднить насос из ТА на ГС. Если его в сад, то чего делать с гидрострелкой. Мож еще чего подскажете. 1 этаж - ТП, 2 - радиаторы с термоголовками. Вопчем пока в голове каша. www.stroimdom.com.ua/forum/showpost.php?p=3737927&postcount=118 Посилання на коментар Поділитися на інших сайтах More sharing options...
troll_9000 Опубліковано: 8 грудня 2015 Поділитись Опубліковано: 8 грудня 2015 Если фотки и схема (немного раньше была) - это одно и то же, то упразднить насос из ТА на ГС можно, но нужно вварить перемычку в ГС - поперек, разделить Т1 и Т2 Сергей31 уже писал, что ГС и той насос явно лишние. Тока с насосами надо не лохануться - расход котлового (на ТА) = 1,15 (1,20) от общего расхода потребителей Добавлено через 1 минуту гляньте будь ласка фотки Я по тех фотках ничего не понимаю Схэму давайте!! Добавлено через 1 минуту Вопчем пока в голове каша. Да там все просто. Это Вы каши еще не видели С проектами,с переносом насосов и с перевариванием 300мм труб впоследствии (ибо подачу с обраткой перепутали) 1 Посилання на коментар Поділитися на інших сайтах More sharing options...
SON Опубліковано: 8 грудня 2015 Поділитись Опубліковано: 8 грудня 2015 Схэму давайте!! Даю. Вентилятором ТТ и насосом Ладдомата управляет голова ТТ котла. Да там все просто. Ага. :D Понатыкали насосов и все тупо воткнуты в розетку, акромя рециркуляции. Тот вообще не подключен. В серьезную автоматику до сих пор пока не вникал. Посилання на коментар Поділитися на інших сайтах More sharing options...
Oleg9293 Опубліковано: 8 грудня 2015 Поділитись Опубліковано: 8 грудня 2015 SON,а как может вентом и ладдоматом управлять голова котла,когда обычно на этих контроллерах максимальная t° вкл/выкл ц.насоса 60°?Допустим запустили насос на 60°,но же уже не может выключиться на t° 79° на затухающем котле,что б не выстуживать нагретый ТА до 80°.И релюху на вент лучше ставить которая может работать до 90°-95°,а тот контроллер,что Вы скинули,работает до 80°.Маловато!Я свой на 80° планирываю менять после НГ на 90°-95°,ток с управлением вента осталось пару вопросов выяснить.А так управление ладдоматом и тем болие котла с вентом нужно осуществлять по схемке как Интерсо(извеняюсь если не правильно написал) скидывал схемку.По самой обвязке,то уж лучше пусть мастера подскажут,я сам учусь) Посилання на коментар Поділитися на інших сайтах More sharing options...
Oleg9293 Опубліковано: 8 грудня 2015 Поділитись Опубліковано: 8 грудня 2015 Вот та схемка и у меня она работает отлично. Посилання на коментар Поділитися на інших сайтах More sharing options...
SON Опубліковано: 8 грудня 2015 Поділитись Опубліковано: 8 грудня 2015 SON,а как может вентом и ладдоматом управлять голова котла, Зажгли дрова, пошла турбина (даж есть модуляция оборотов), насос ладдомата молчит. Прогрев котла пр. до 60-65, включается насос. Турбина по мере прогорания дров меняет обороты (или стоп) в зависимости от теплосъема, после прогорания останов насоса и турбины. Мне теперь нужно разобраться с остальными насосами. Посилання на коментар Поділитися на інших сайтах More sharing options...
Александр _ Васильков Опубліковано: 8 грудня 2015 Поділитись Опубліковано: 8 грудня 2015 Даю. Вентилятором ТТ и насосом Ладдомата управляет голова ТТ котла. [ATTACH]476807[/ATTACH] Ага. :D Понатыкали насосов и все тупо воткнуты в розетку, акромя рециркуляции. Тот вообще не подключен. В серьезную автоматику до сих пор пока не вникал. а какой этажности дом и сколько народу живет? Я о насосе на рециркуляцию, он может тоже лишний раз без него живут и не жалуются. Там насос и гидрострелка между ТА и коллектором лишние. А что насос ТП делает рядом с коллектором, там узел подмеса ТП тоже по цигански сделан? Тут если убрать все лишние насосы и перенести насос теплого пола, то всю автоматику можно сделать с помощью одного комнатного термостата и одного контроллера для ГВС. А еще один контроллер для насоса теплого пола. Цена вопроса 50-60 евро. А что там за ТТК стоит и какой контроллер на нем? Посилання на коментар Поділитися на інших сайтах More sharing options...
SON Опубліковано: 8 грудня 2015 Поділитись Опубліковано: 8 грудня 2015 а какой этажности и сколько народу живет? Два этажа. Двое взрослых + вроде двое детей. Окончательно еще не перебрались, то там, то сям, видать по ГВС еще толком и сами не поняли. Видел тока хозяйку два раза по 15 минут. Молодая. :D Грит дрова подкидываю целый день, тепло тока на второй. А что насос ТП делает рядом с коллектором, Точно не скажу, но имеет право на жизнь. Думаю была задумка собрать насосы в одном месте, типа с перспективой установки бесперебойника. По диаметрам труб до гребенок +/- пойдет. Тут если убрать все лишние насосы Реально пока вроде один. что там за ТТК www.ecodom.crimea.ua/catalog/kotly-na-tverdom-toplive/335/ 33 кВт. Газовый че та даж не глянул. Двухконтурная жестянка типа Беретты, Феролли. Посилання на коментар Поділитися на інших сайтах More sharing options...
Oleg9293 Опубліковано: 8 грудня 2015 Поділитись Опубліковано: 8 грудня 2015 Зажгли дрова, пошла турбина (даж есть модуляция оборотов), насос ладдомата молчит. Прогрев котла пр. до 60-65, включается насос. Турбина по мере прогорания дров меняет обороты (или стоп) в зависимости от теплосъема, после прогорания останов насоса и турбины. Мне теперь нужно разобраться с остальными насосами. Так контроллер и выключит насос на затухающем котле при t° 65°,выхолодив до этой же t° ТА. Посилання на коментар Поділитися на інших сайтах More sharing options...
Oleg9293 Опубліковано: 9 грудня 2015 Поділитись Опубліковано: 9 грудня 2015 И ещё вопрос к Вам SON и может мастера подскажут.Если у Вас на радиаторах стоят ТГ,то можно ли по трубам гонять нагретую воду в 80° и выше? Посилання на коментар Поділитися на інших сайтах More sharing options...
SON Опубліковано: 9 грудня 2015 Поділитись Опубліковано: 9 грудня 2015 Если у Вас на радиаторах стоят ТГ,то можно ли по трубам гонять нагретую воду в 80° и выше? Головкам фиолетово, а вот ППР трубы вряд-ли долго протянут. :D Посилання на коментар Поділитися на інших сайтах More sharing options...
Oleg9293 Опубліковано: 9 грудня 2015 Поділитись Опубліковано: 9 грудня 2015 Головкам фиолетово, а вот ППР трубы вряд-ли долго протянут. :D Тогда Вам ещё на радиаторный контур нужно ставить трёхходовой,что б загонять в ПП 60°-70°,а дальше пусть уже ТГ распределяют t° покомнотно,иначе трубы ПП крякнут(. Посилання на коментар Поділитися на інших сайтах More sharing options...
SON Опубліковано: 9 грудня 2015 Поділитись Опубліковано: 9 грудня 2015 ставить трёхходовой,что б загонять в ПП 60°-70°, В секции В вроде как есть функция останова насоса при превышении заданной Т. Толком пока все не вычитал. Посилання на коментар Поділитися на інших сайтах More sharing options...
Oleg9293 Опубліковано: 9 грудня 2015 Поділитись Опубліковано: 9 грудня 2015 В секции В вроде как есть функция останова насоса при превышении заданной Т. Толком пока все не вычитал. Эта функция то может и есть,а толку от неё,если Вам всё ещё нужно греть дом.Но обычно контроллер при перегреве включает все насосы,а не выключает. 1 Посилання на коментар Поділитися на інших сайтах More sharing options...
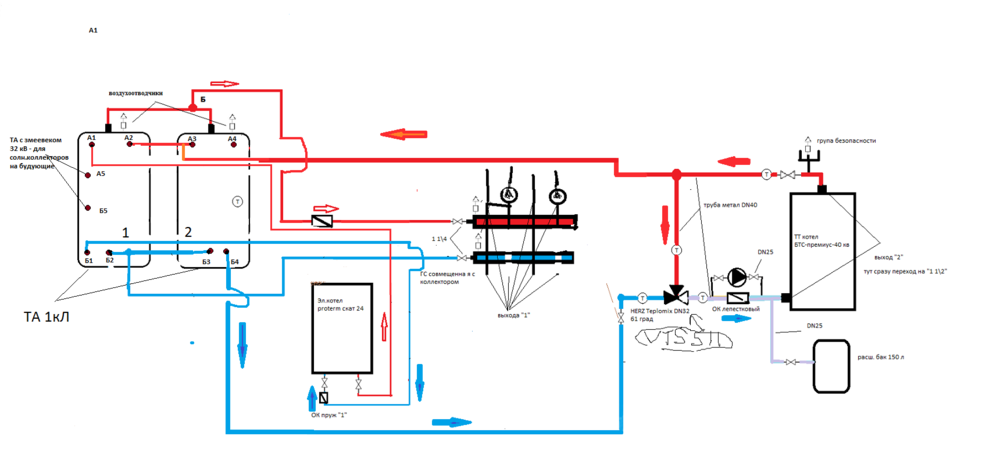
fastvd Опубліковано: 27 вересня 2016 Автор Поділитись Опубліковано: 27 вересня 2016 и так... сорри за некропост, НО... как и обещал - прошел ГОД...и в этом году хочу доукомплектовать свой ТТК , а именно поставить 2 ТА по 1000л, один с которых с змеевеком 32кВ для будующемо использования с солнечными коллекторами(планируется тоже через год) немножко того что было за год... 1) дом 380 кв, неутеплен (утеплять таки будем в этом году-через месяц) 2) подвала 100 кв - и как оказалось - зимой эту площадь не надо было топить - держалось 16-17 град целую зиму 3) потому отапливаемой площади получается 280 кв 4) котел 40кв пиролизник + 24 кв электро 5) на каждом этаже комн.термостат 6) и того в день топим ТТК, а ночью эл.котел 7) за всю зиму я потратил где-то : а)4-5 метров дуб\бук и 2-3 метра отходы от стройки- елка\сосна б) в месяц около 5 тыс. кв электричества (у меня 2 ввода 380в с 2-мя счетчиками и 2-мя тарифами на отопление, потому максимум 3600 х2 = 7200 кВ в месяц могу использовать) в) бойлер косвенник 200л, ванну напускали почти каждый день г) в доме 23-24 град вот такие вышли расходы...я в принципе так и ожидал...в принципе-фигня вышла по деньгам...плюс дров с 1.5 годовой сушкой осталось метров 27-29... и так ТА,вопросы... 1) уважаемый форумчанин Александр_Васильков , отредактировал в прошлом году мою схему как я планирую включать ТА(она в ответе) 2) я чтобы все точно понять отредактировал только что её на чистую, и есть все таки несколько вопросов: 2.1) вы предлагаете вход и выход от ТТК подавать\забирать с ТА-2 , с точек : вход БЛИЖЕ к А3 и выход с Б4 , хотя на схемах включение ладдомата рекомендуется диагональное включение, а именно : вход БЛИЖЕ к А3 на ТА-2 и выход ближе к Б2 на ТА-1 (параллельно выходу на коллектор грубо говоря) - не будет ли при вашей схеме недогрев одного ТА (а именно ТА-1), так как основная циркуляция будем происходит в ТА-2, так как там основной вход\выход от ТТК ? 2.2) вы предлагеат вход\выход от эл.котла подать только в ТА-1 - опять же без диагонального входа\выхода - вопрос точно такой как пункт 2.1 ? 3) есть замечания по отредактированной схеме? Посилання на коментар Поділитися на інших сайтах More sharing options...
timoc Опубліковано: 2 січня 2019 Поділитись Опубліковано: 2 січня 2019 Я Вас огорчу. При установке трехходового термоклапана на обратке котла и работе котла на гидрострелку. Котел тепла в систему отопления не отдает, а перегорает в своем котловом контуре. а какая у меня разница при работе на участке ГК и ТТ только в том, что на ГК нету термостата Посилання на коментар Поділитися на інших сайтах More sharing options...
Сергей 31 Опубліковано: 2 січня 2019 Поділитись Опубліковано: 2 січня 2019 а какая у меня разница при работе на участке ГК и ТТ только в том, что на ГК нету термостата И Вас с Новым Годом. Посилання на коментар Поділитися на інших сайтах More sharing options...
timoc Опубліковано: 2 січня 2019 Поділитись Опубліковано: 2 січня 2019 Я Вас огорчу. При установке трехходового термоклапана на обратке котла и работе котла на гидрострелку. Котел тепла в систему отопления не отдает, а перегорает в своем котловом контуре. Сережа, а как можно выйти из этой проблемы безболезненно напиши ? Посилання на коментар Поділитися на інших сайтах More sharing options...
Сергей 31 Опубліковано: 2 січня 2019 Поділитись Опубліковано: 2 січня 2019 как можно выйти из этой проблемы безболезненно? Безболезненно не обещаю. Скорей всего Вы все равно ощутите утрату энного количества денежных средств. Как решить? Я не вникал в вопрос, скорее всего это котельная. Нужно видеть на месте, или фото. Я готов заняться Вашим вопросом, но через пару тройку дней. Посилання на коментар Поділитися на інших сайтах More sharing options...
Рекомендовані повідомлення
Створіть акаунт або увійдіть у нього для коментування
Ви маєте бути користувачем, щоб залишити коментар
Створити акаунт
Зареєструйтеся для отримання акаунта. Це просто!
Зареєструвати акаунтУвійти
Вже зареєстровані? Увійдіть тут.
Увійти зараз