AlexRS4 Опубліковано: 30 травня 2020 Автор Поділитись Опубліковано: 30 травня 2020 Подскажите, ткните носом, пожалуйста, в хорошую и надёжную модель комбинированного бойлера косвенного нагрева 300л. с рециркуляцией для выше описанной задачи. Спасибо. Посилання на коментар Поділитися на інших сайтах More sharing options...
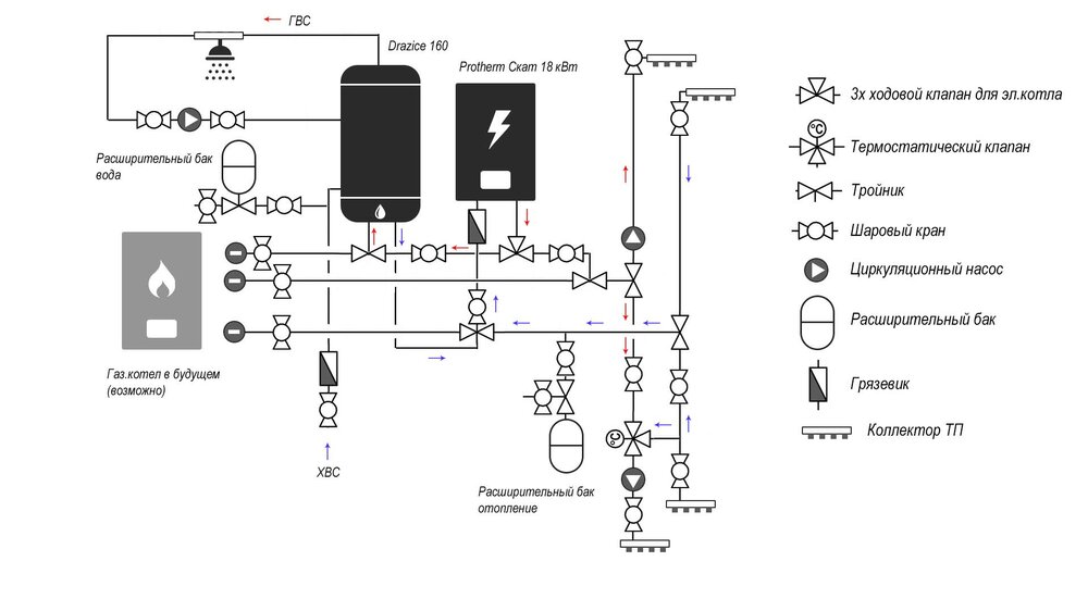
UAtem Опубліковано: 31 травня 2020 Поділитись Опубліковано: 31 травня 2020 Был на 100% уверен, что поставлю БКН - везде его устанавливают, специалисты советуют, выгодно, экономно и т.д. Сегодня закончил с набросками Отопление / ГВС для дома и пришел к выводу, что в моем случае БКН не подходит. В доме планируется: электрокотел скат 18, отопление только ТП (2 этажа) Расчет на скорую руку: 1. Стоимость БКН (Drazice 160-200) 10-14тыс. 2. Трехходовой клапан Protherm FUGAS - 2750 грн. 3. Доп. насос для рециркуляции Grundfos - 1500 грн. 4. Доп. расширительный бак - 650грн. 5. Установка + обвязка - понятия не имею сколько, но точно не бесплатно Проект буду переделывать, инвестиции в БКН кажутся сомнительными. Да и чем проще система, тем дешевле и стабильнее Посилання на коментар Поділитися на інших сайтах More sharing options...
Сергей 31 Опубліковано: 31 травня 2020 Поділитись Опубліковано: 31 травня 2020 Был на 100% уверен, что поставлю БКН - везде его устанавливают, специалисты советуют, выгодно, экономно и т.д. Расчет на скорую руку: Расчет в необходимости БКН дейсвительно существует. Но это не то, что Вы описываете. И на основании этого выводы делать не правильно. Напишите хотя бы сколько у Вас точек разбора воды, сколько сан узлов, сколько человек живет? Может бассейн какой есть? И тогда будет ясно нужен Вам бойлер или нет. 1 Посилання на коментар Поділитися на інших сайтах More sharing options...
Narval Опубліковано: 31 травня 2020 Поділитись Опубліковано: 31 травня 2020 Расчет в необходимости БКН дейсвительно существует. Но это не то, что Вы описываете. И на основании этого выводы делать не правильно. Напишите хотя бы сколько у Вас точек разбора воды, сколько сан узлов, сколько человек живет? Может бассейн какой есть? И тогда будет ясно нужен Вам бойлер или нет. Согласен. Опятьже хотелки меняются. Жил в квартире пользовались бойлером 100л Душ принимали по очереди, ванну почти никогда. Жили 4 человека. Сейчас живу в доме, бкн на 300л. Ванну принимаем каждый 1-2 раза в неделю. Бывает такое, что один принимает душ, другой ванну. Посилання на коментар Поділитися на інших сайтах More sharing options...
UAtem Опубліковано: 31 травня 2020 Поділитись Опубліковано: 31 травня 2020 И на основании этого выводы делать не правильно. Напишите хотя бы сколько у Вас точек разбора воды, сколько сан узлов, сколько человек живет? Абсолютно верно, все очень индивидуально. Я пришел к такому выводу в следствии: - Будет проживать - 2 взрослых и 1 ребенок - 1 этаж бойлер на 30 литров - раковина в мелком санузле (руки помыть) и мойка на кухне (на кухню планируется установить посудомойку и запускать ее ночью по ночному тарифу) - 2 этаж бойлер 100 литров - ванная без ванны (душ + раковина) Как планирую экономить: Бойлер 1го этажа зажать на 35 градусах, для рук приемлемая температура и раз в неделю разгонять до 70, чтобы бактерии не заводились Бойлер 2го этажа по ночному тарифу разгонять до 70, днем отключать (розетка с таймером). Хочу еще раз подчеркнуть, именно в моем случае - электрокотел + низкотемпературное отопление (только ТП) + небольшое кол-во потребителей - БКН мне не кажется выгодным. Газа нет и не планируется в ближайшее время (+/-5 лет) 1 Посилання на коментар Поділитися на інших сайтах More sharing options...
Сергей 31 Опубліковано: 31 травня 2020 Поділитись Опубліковано: 31 травня 2020 Хочу еще раз подчеркнуть, именно в моем случае - электрокотел + БКН мне не кажется выгодным. Ваш дом, решили, значит так и будет. 2 Посилання на коментар Поділитися на інших сайтах More sharing options...
Narval Опубліковано: 31 травня 2020 Поділитись Опубліковано: 31 травня 2020 Ваш дом, решили, значит так и будет. Согласен. Добавлено через 1 минуту Абсолютно верно, все очень индивидуально. Я пришел к такому выводу в следствии: - Будет проживать - 2 взрослых и 1 ребенок - 1 этаж бойлер на 30 литров - раковина в мелком санузле (руки помыть) и мойка на кухне (на кухню планируется установить посудомойку и запускать ее ночью по ночному тарифу) - 2 этаж бойлер 100 литров - ванная без ванны (душ + раковина) Как планирую экономить: Бойлер 1го этажа зажать на 35 градусах, для рук приемлемая температура и раз в неделю разгонять до 70, чтобы бактерии не заводились Бойлер 2го этажа по ночному тарифу разгонять до 70, днем отключать (розетка с таймером). Хочу еще раз подчеркнуть, именно в моем случае - электрокотел + низкотемпературное отопление (только ТП) + небольшое кол-во потребителей - БКН мне не кажется выгодным. Газа нет и не планируется в ближайшее время (+/-5 лет) Однако заложите магистраль, та на всяк случай, обойдется вам в 500 грн, вдруг потом решите передумать. В ванну на 1м и душ на втором. 1 Посилання на коментар Поділитися на інших сайтах More sharing options...
UAtem Опубліковано: 31 травня 2020 Поділитись Опубліковано: 31 травня 2020 Однако заложите магистраль, та на всяк случай, обойдется вам в 500 грн, вдруг потом решите передумать. Магистраль однозначно! Посилання на коментар Поділитися на інших сайтах More sharing options...
AlexRS4 Опубліковано: 8 червня 2020 Автор Поділитись Опубліковано: 8 червня 2020 Спасибо за обсуждение. Решил остановиться на Дражице OKC 300 NTR/HP с прицелом для ТН и возможностью подключения ТЭНа. В первый год точно греть электро котлом и (или) ТЭНом, а далее посмотрим по итогу зимовки. 1 Посилання на коментар Поділитися на інших сайтах More sharing options...
Narval Опубліковано: 8 червня 2020 Поділитись Опубліковано: 8 червня 2020 Спасибо за обсуждение. Решил остановиться на Дражице OKC 300 NTR/HP с прицелом для ТН и возможностью подключения ТЭНа. В первый год точно греть электро котлом и (или) ТЭНом, а далее посмотрим по итогу зимовки. Мой вариант. 1 Посилання на коментар Поділитися на інших сайтах More sharing options...
Сергей 31 Опубліковано: 8 червня 2020 Поділитись Опубліковано: 8 червня 2020 Решил остановиться на Дражице OKC 300 NTR/HP с прицелом для ТН и возможностью подключения ТЭНа. Сразу закольцуйте оба теплообменника. Потом при задействовании обеих теплообменников переподключается одна трубка. 1 Посилання на коментар Поділитися на інших сайтах More sharing options...
blacktigra Опубліковано: 15 червня 2020 Поділитись Опубліковано: 15 червня 2020 Спасибо за обсуждение. Решил остановиться на Дражице OKC 300 NTR/HP с прицелом для ТН и возможностью подключения ТЭНа. В первый год точно греть электро котлом и (или) ТЭНом, а далее посмотрим по итогу зимовки. Берите бойлер сразу с ТЭНом - если потом решите поставить ТН то он все равно понадобится. На "фугас" я бы деньги не тратил. Это вообще какая-то бестолковая опция для ЭК, как по мне. В дальнейшем если решите ставить ТН, этот "фугас" все равно будет простаивать, т.к. увязать совместную работу ЭК и ТН через общий теплообменник это еще тот геморрой. Сразу закольцуйте оба теплообменника. Потом при задействовании обеих теплообменников переподключается одна трубка. В бойлере NTR/HP один теплообменник. 2 Посилання на коментар Поділитися на інших сайтах More sharing options...
naupv Опубліковано: 15 червня 2020 Поділитись Опубліковано: 15 червня 2020 На "фугас" я бы деньги не тратил. Это вообще какая-то бестолковая опция для ЭК, как по мне. Да это ваше мнение. Но я бы так не был категоричен. Кому-то быть может нравится долго греть (200л бойлер к примеру) 3-мя КВТами за несколько часов, или сразу 12-ю за 15 мин. 1 Посилання на коментар Поділитися на інших сайтах More sharing options...
blacktigra Опубліковано: 15 червня 2020 Поділитись Опубліковано: 15 червня 2020 Да это ваше мнение. Но я бы так не был категоричен. Кому-то быть может нравится долго греть (200л бойлер к примеру) 3-мя КВТами за несколько часов, или сразу 12-ю за 15 мин. Насчет скорости нагрева я не спорю, но это пока единственное преимущество. Посилання на коментар Поділитися на інших сайтах More sharing options...
Dmode Опубліковано: 16 червня 2020 Поділитись Опубліковано: 16 червня 2020 Насчет скорости нагрева я не спорю, но это пока единственное преимущество. Это может стать и главным минусом. Протерм на ГВС включается на полную мощность (по крайней мере 13 поколение), игнорируя ограничения выставленные для отопительного режима. Это мягко говоря не удобно, если разрешенная мощность близка или ниже максимальной мощности котла, либо если котел подключен кабелем с сечением не расчитанным для максимальной мощности. Посилання на коментар Поділитися на інших сайтах More sharing options...
outdoor24 Опубліковано: 16 червня 2020 Поділитись Опубліковано: 16 червня 2020 Протерм на ГВС включается на полную мощность (по крайней мере 13 поколение) є можливість це якось обійти? чи єдиним варіантом залишається нагрів бойлеру теном? Посилання на коментар Поділитися на інших сайтах More sharing options...
Dmode Опубліковано: 16 червня 2020 Поділитись Опубліковано: 16 червня 2020 є можливість це якось обійти? чи єдиним варіантом залишається нагрів бойлеру теном? Наскільки я знаю в 13 поколінні обійти це не вийде. Як це виглядає в сучасному 14 поколінні не знаю. Є спосіб примусити котел думати що він не 24 а 12 кВт, через сервісне меню, але тоді вище 12кВт він не включиться ні в якому з режимів. Я грію ГВП по нічному тарифу теном (3х2кВт), а котел з фугасом як резервне джерело ГВП. 3 Посилання на коментар Поділитися на інших сайтах More sharing options...
blacktigra Опубліковано: 16 червня 2020 Поділитись Опубліковано: 16 червня 2020 Если для человека важнее комфорт, и он готов платить больше за горячую воду по дневному тарифу лишь бы она всегда была в доступности и в неограниченных объемах - его право. Но тогда бочка на 300 литров ему не нужна. И все это уже тогда не про экономию. И можно не читать то, что я написал дальше. В моем понимании если человек все таки задумывается об экономии и смотрит в сторону 300 литровой бочки, то логично было бы по максимуму использовать ночной тариф. И при использовании горячей воды следует понимать, что эти "300" литров придется размазывать до вечера. И что турбо-нагрев в дневное время сводит всю экономию на нет. И про рециркуляцию и полотенчики на ней тоже скорее всего придется забыть, иначе до вечера горячей воды не хватит. По поводу ночного тарифа - Протерм Скат не умеет в суточные расписания (по крайней мере я не нашел такой функции в документации), нужен сторонний суточный таймер. Если покупать сторонний таймер, то ему пофиг чем управлять - ТЭНом в бочке или электрокотлом. Если говорить применительно к бойлеру с перспективой покупки ТН. Стоимость Фугаса для Протерма примерно сопоставима со стоимостью сухого ТЭНа на 2,2 кВт для бойлера Дражице. Также чтобы подключить котел к бойлеру нужны еще трубы, фитинги и изоляция, что стоит денег. Плюс работа - своя или наемная - это тоже затраты. Т.е. математика говорит что вариант со встроенным ТЭНом тупо дешевле варианта с котлом, если человек готов потерпеть что вода в бочке будет греться чуть дольше, и расходовать воду придется экономнее. Вроде ТЭН на 2,2 кВт это не так уж и много. Но например в бойлере OKC 300 NTR/HP объем составляет не 300 литров а 286. Также ТЭН расположен на некоторой высоте от дна бочки. Т.е. полезный объем получается порядка 250 литров. С поправкой на пониженное напряжение в сети чтобы нагреть эти 250 литров с 10С до 60С хватит 7-7,5 часов, т.е. как раз укладываемся в ночной тариф. Разбавив эти 250 литров нагретых до 60С исходной водой с температурой в 10С получим примерно 350 литров воды с температурой 45С. 350 литров в день это 10 кубов в месяц. Как бы не так уж и мало, чтобы особо себя не ущемлять. Если потом бочку все таки будет греть тепловой насос, ему понадобится свой 3-х ходовой клапан с приводом, которым будет управлять ТН по своему датчику в бойлере. Фугас на котле использовать не получится. Вот почему я считаю что этот Фугас немного бестолковая опция в большинстве случаев. Добавлено через 43 секунды Я грію ГВП по нічному тарифу теном (3х2кВт), а котел з фугасом як резервне джерело ГВП. А что управляет ТЭНом? 4 Посилання на коментар Поділитися на інших сайтах More sharing options...
mib Опубліковано: 16 червня 2020 Поділитись Опубліковано: 16 червня 2020 є можливість це якось обійти? чи єдиним варіантом залишається нагрів бойлеру теном? В 14й версии в сервисном меню можно ограничить отдельно, мощность на отопление и гвс В 13 можно добавить рэле и ловить сигнал с фугаса, при его работе реле будет замыкать/размыкать реле разгрузки тем самым выставляя ограничение на ГВС 2 Посилання на коментар Поділитися на інших сайтах More sharing options...
naupv Опубліковано: 17 червня 2020 Поділитись Опубліковано: 17 червня 2020 В 14й версии в сервисном меню можно ограничить отдельно, мощность на отопление и гвс В 13 можно добавить рэле и ловить сигнал с фугаса, при его работе реле будет замыкать/размыкать реле разгрузки тем самым выставляя ограничение на ГВС С языка стянули И нанесли фиаско попередним товарищам. Что 13, что в 14-м в сервис меню можно играться с ГВС. Посилання на коментар Поділитися на інших сайтах More sharing options...
blacktigra Опубліковано: 17 червня 2020 Поділитись Опубліковано: 17 червня 2020 С языка стянули И нанесли фиаско попередним товарищам. Что 13, что в 14-м в сервис меню можно играться с ГВС. Да уж прям таки фиаско. Ограничение максимальной мощноты решает только проблему описанную Dmode. Но никак не относится ко всему тому, что я описывал ранее. Посилання на коментар Поділитися на інших сайтах More sharing options...
mib Опубліковано: 17 червня 2020 Поділитись Опубліковано: 17 червня 2020 Да уж прям таки фиаско. Ограничение максимальной мощноты решает только проблему описанную Dmode. Но никак не относится ко всему тому, что я описывал ранее. При необходимости можно добавить релюшку времени и сопротивление которое будет в дневной тариф говорить котлу что бойлер 80 градусов, но если так случится что вода закончилась жмакнул кнопку и через пол часа можно набрать ванную, с тэнами так не получится то что это колхоз я понимаю но проблема опять таки решаема Посилання на коментар Поділитися на інших сайтах More sharing options...
blacktigra Опубліковано: 18 червня 2020 Поділитись Опубліковано: 18 червня 2020 При необходимости можно добавить релюшку времени и сопротивление которое будет в дневной тариф говорить котлу что бойлер 80 градусов, но если так случится что вода закончилась жмакнул кнопку и через пол часа можно набрать ванную, с тэнами так не получится то что это колхоз я понимаю но проблема опять таки решаема Я писал о том, что реле времени может с тем же успехом управлять как электрокотлом, так и ТЭНом в бойлере. Но если котел решит нагреть бойлер в дневное время, я могу получить проблему непрогнозируемого включения мощного потребителя, и я не смогу в этот момент пользоваться другими мощными приборами - плитой или духовкой, если ограничена мощность ввода. О чем писал Dmode. Даже с ТЭНом на 6-9 кВт потребуется 1-2 часа для нагрева бойлера в зависисмости от объема. Можно конечно ограничивать мощность электрокотла в сервисном меню, но в чем тогда преимущество по сравнению с установкой обычного ТЭНа? Для домовладельца, по крайней мере. ;) И как узнать что нужно вручную нагреть бойлер именно сейчас? Датчик ведь находится в гильзе, а у нее фиксированное положение. Какая температура воды выше или ниже нее мы не знаем. 2 Посилання на коментар Поділитися на інших сайтах More sharing options...
mib Опубліковано: 18 червня 2020 Поділитись Опубліковано: 18 червня 2020 Я писал о том, что реле времени может с тем же успехом управлять как электрокотлом, так и ТЭНом в бойлере. Но если котел решит нагреть бойлер в дневное время, я могу получить проблему непрогнозируемого включения мощного потребителя, и я не смогу в этот момент пользоваться другими мощными приборами - плитой или духовкой, если ограничена мощность ввода. О чем писал Dmode. Даже с ТЭНом на 6-9 кВт потребуется 1-2 часа для нагрева бойлера в зависисмости от объема. Можно конечно ограничивать мощность электрокотла в сервисном меню, но в чем тогда преимущество по сравнению с установкой обычного ТЭНа? Для домовладельца, по крайней мере. ;) И как узнать что нужно вручную нагреть бойлер именно сейчас? Датчик ведь находится в гильзе, а у нее фиксированное положение. Какая температура воды выше или ниже нее мы не знаем. Я только о том, что эти проблемы можно обойти, больше вопросов вызывает зачем покупать котел который мощнее ввода Еще больше удивляет то что это довольно частое явление, как и автоматы в доме выше потноминалу чем автоматы на вводе 1 Посилання на коментар Поділитися на інших сайтах More sharing options...
AlexRS4 Опубліковано: 1 листопада 2020 Автор Поділитись Опубліковано: 1 листопада 2020 Купил Дражице 300л, с увеличенным теплообменником с перспективой под ТН. Весит , конечно, как танк. Утеплитель в полах не продавит? Полтонны таки весу будет с водой. Чёто переживаю. Бетонная армированная стяжка 90м и 300 мм утеплителя. Посилання на коментар Поділитися на інших сайтах More sharing options...
Рекомендовані повідомлення
Створіть акаунт або увійдіть у нього для коментування
Ви маєте бути користувачем, щоб залишити коментар
Створити акаунт
Зареєструйтеся для отримання акаунта. Це просто!
Зареєструвати акаунтУвійти
Вже зареєстровані? Увійдіть тут.
Увійти зараз