KakTuz Опубліковано: 24 січня 2024 Автор Поділитись Опубліковано: 24 січня 2024 1 час назад, BugS сказал: Це світильник штукатурів? Переноску сделал, светильники для гардеробных 1 Посилання на коментар Поділитися на інших сайтах More sharing options...
US7IGN Опубліковано: 24 січня 2024 Поділитись Опубліковано: 24 січня 2024 3 минуты назад, KakTuz сказал: Переноску сделал, светильники для гардеробных на РЕБ схоже з модними антенами 1 1 Посилання на коментар Поділитися на інших сайтах More sharing options...
KakTuz Опубліковано: 27 січня 2024 Автор Поділитись Опубліковано: 27 січня 2024 В 24.01.2024 в 21:45, US7IGN сказал: на РЕБ схоже з модними антенами Абиж воно працювало як реб, яб багато наробив нажаль все значно складніше, я і не лізу у цю галузь Посилання на коментар Поділитися на інших сайтах More sharing options...
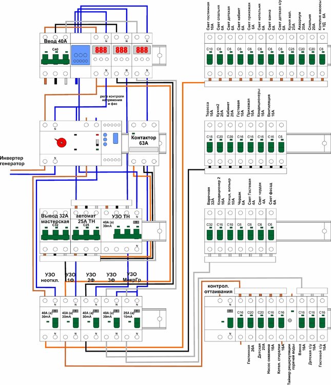
KakTuz Опубліковано: 10 лютого 2024 Автор Поділитись Опубліковано: 10 лютого 2024 Вот такой щиток вырисовывается. Не маленький, и не дешевый. 3 1 Посилання на коментар Поділитися на інших сайтах More sharing options...
KakTuz Опубліковано: 11 лютого 2024 Автор Поділитись Опубліковано: 11 лютого 2024 Первая примерка. Пока можно безболезненно снять планки с автоматами подготовил крепеж. Хорошо что плитка а не керамогранит, импакт справился, даже перфоратор не доставал. Сверла с Али рулят, как по маслу прошло. Просчитался с проводами, пришлось занизить, но будет место под стабилизаторы, если что. 2 1 Посилання на коментар Поділитися на інших сайтах More sharing options...
KakTuz Опубліковано: 11 лютого 2024 Автор Поділитись Опубліковано: 11 лютого 2024 Не знаю как получилось, но все дин рейки у меня вверх ногами. Ну, перекрутим. Посилання на коментар Поділитися на інших сайтах More sharing options...
ЯД Опубліковано: 11 лютого 2024 Поділитись Опубліковано: 11 лютого 2024 5 хвилин тому, KakTuz сказав: Не знаю как получилось, но все дин рейки у меня вверх ногами. Ну, перекрутим. Скорее щитки вверх ногами) У хагера по умолчанию рассчитано что провода заходят сверху и сверху зубчики для стяжек 1 Посилання на коментар Поділитися на інших сайтах More sharing options...
KakTuz Опубліковано: 11 лютого 2024 Автор Поділитись Опубліковано: 11 лютого 2024 (змінено) Провода отовсюду, но в основном снизу. Ну, щиток симметричен,, то просто я не обратил внимание, что есть верх и них. Змінено 12 лютого 2024 користувачем KakTuz Посилання на коментар Поділитися на інших сайтах More sharing options...
KakTuz Опубліковано: 20 лютого 2024 Автор Поділитись Опубліковано: 20 лютого 2024 (змінено) Можно начать сборку Змінено 21 лютого 2024 користувачем KakTuz 5 1 Посилання на коментар Поділитися на інших сайтах More sharing options...
KakTuz Опубліковано: 6 березня 2024 Автор Поділитись Опубліковано: 6 березня 2024 В этом году наконец накрыли теплицу. В прошлом момент упустили, на лето не было смысла. Жена уже насеяла редиски и салата. Сама теплица - что вам сказать. Инструкция помогает слабо, размеры гуляют, заусенцы везде где только можно, со сборкой каркаса намаялся конкретно, если бы не деревянная основа, цоколь - вообще не понятно что бы получилось. 8 Посилання на коментар Поділитися на інших сайтах More sharing options...
KakTuz Опубліковано: 17 березня 2024 Автор Поділитись Опубліковано: 17 березня 2024 (змінено) Крайнюю неделю ломаю колени и спину на монтаже электрике. Закрались сомнения правильности монтажа термостатов. Коммутируемый ноль - слишком для китайцев. Тащу на проверку - комнатный датчик показывает 67 градусов. Панель дохлая. Хорошо сто спор открыт в ноябре и выиграл, а"-то абидно, да?" К слову, MOES. PS - реле правильное, надпись кривая, коммутируется фаза. Змінено 17 березня 2024 користувачем KakTuz Посилання на коментар Поділитися на інших сайтах More sharing options...
KakTuz Опубліковано: 30 березня 2024 Автор Поділитись Опубліковано: 30 березня 2024 (змінено) Монтируем сантехнику, установили стиралку, сушилку, вытяжку... Плавно движемся к новоселью Гугл напомнил, сегодня ровно 3 года как начали стройку. Змінено 30 березня 2024 користувачем KakTuz 16 Посилання на коментар Поділитися на інших сайтах More sharing options...
vbb Опубліковано: 30 березня 2024 Поділитись Опубліковано: 30 березня 2024 17.03.2024 в 22:17, KakTuz сказав: комнатный датчик показывает 67 градусов. Панель дохлая Може то в Фаренгейтах? та просто переключити на цельсій... Посилання на коментар Поділитися на інших сайтах More sharing options...
KakTuz Опубліковано: 30 березня 2024 Автор Поділитись Опубліковано: 30 березня 2024 4 минуты назад, vbb сказал: Може то в Фаренгейтах? та просто переключити на цельсій... Может, но почему то все показывают в С. И как его переключать в инструкции не слова. Да, и показывает он "67 С" Я понижал порог срабатывания, реле не включилось. Потом разберусь, все равно получилось один "лишний", решил в прихожей не ставить. Посилання на коментар Поділитися на інших сайтах More sharing options...
KakTuz Опубліковано: 2 квітня 2024 Автор Поділитись Опубліковано: 2 квітня 2024 Парадокс. Длина участка 50м. 45м оптики от гаража до дома - впритык. Пришлось сегодня заменить. Купил патч-корд на 100м, с разьемами. Но заменить в 32й трубе от насоса до дома не получилось. Там кроме оптики 2*4мм ввг и 4*1,5 пвс. Пришлись вытянуть в приямок и затянуть по новой. 4*1,5 - это для частотника на скваженеый насос. 2*4 - возврат в дом с инвертера на 5,6квт. Акб и панели в мастерской, на южной стене. 1 Посилання на коментар Поділитися на інших сайтах More sharing options...
KakTuz Опубліковано: 6 квітня 2024 Автор Поділитись Опубліковано: 6 квітня 2024 Плитка на терассе. Хембель. Хочется лечь на грунт и не отвечивать. Потом передать халат в зсу 8 Посилання на коментар Поділитися на інших сайтах More sharing options...
Malchish Опубліковано: 8 квітня 2024 Поділитись Опубліковано: 8 квітня 2024 Два вопроса: 1. Узел примыкания плитки к тротуарке. По фотке вроде как тротуарка заходит под плитку крыльца,- а что под ней? - бетонная отмостка, или грунт? если отмостка - утепленная? Я к чему.. так делать узел примыкания не рекомендуется, если нет демпфера в виде утеплителя (того-же пеноплекса), - зимой основание под тротуаркой может гульнуть и совсем немногого, будет достаточно, чтоб отщелкнулась плитка.. Правильнее в любом случае плитку немного завести под тротуарку. 2. В какой цвет планируете красить/тонировать деревянную обшивку над крыльцом? ИМХО я бы не тонировал в цвет "дерева", есть риск получить перебор в "цветовом разнообразии" - покрасил-бы в цвет уже существующий в палитре дома - белый под цвет окон или графит под цвет подшивы. Не претендую на правоту - каждый делает как хочет, но не смог пройти мимо, - дом красивый, не хотелось бы "потерять" стилистику. Посилання на коментар Поділитися на інших сайтах More sharing options...
KakTuz Опубліковано: 8 квітня 2024 Автор Поділитись Опубліковано: 8 квітня 2024 тротуарку положили до плитки. Под ней отмостка. Под плиткой стяжка, под ней "стиродур". Плитка не касается тротуарки, зазор планирую герметиком замазать. Подшивать буду вагонкой. Пока не решил, ли под дерево оставить, обрешетка хорошо смотрится, или в белый/серый цвет. Останутся куски белой, покрашенной для интерьеров - прибью пару досок, определиться. Порадовал пневматический нейлер - это одно удовольствие с вагонкой работать. Удобно. 1 Посилання на коментар Поділитися на інших сайтах More sharing options...
kaha Опубліковано: 8 квітня 2024 Поділитись Опубліковано: 8 квітня 2024 Какая модель нейлера? Посилання на коментар Поділитися на інших сайтах More sharing options...
KakTuz Опубліковано: 9 квітня 2024 Автор Поділитись Опубліковано: 9 квітня 2024 (змінено) 10 часов назад, kaha сказал: Какая модель нейлера? Ridgid R213bnf3 - на ебей покупал. У меня еще лежит Dewalt и Porter-cable + аккумуляторный Ryobi - но то уже излишки, что то буду продавать. Вагонки много набивать, решил раскошелиться, да и после стройки пригодится. Змінено 9 квітня 2024 користувачем KakTuz 1 Посилання на коментар Поділитися на інших сайтах More sharing options...
KakTuz Опубліковано: 11 квітня 2024 Автор Поділитись Опубліковано: 11 квітня 2024 Все таки нейлер это супер оружие в борьбе с вагонкой в одиночку. За 1,5 часа набил 45% потолка. 6 1 Посилання на коментар Поділитися на інших сайтах More sharing options...
blacktigra Опубліковано: 11 квітня 2024 Поділитись Опубліковано: 11 квітня 2024 Чим плануєте стик зі стінами декорувати? 1 Посилання на коментар Поділитися на інших сайтах More sharing options...
KakTuz Опубліковано: 13 квітня 2024 Автор Поділитись Опубліковано: 13 квітня 2024 В 11.04.2024 в 16:03, blacktigra сказал: Чим плануєте стик зі стінами декорувати? Багет потолочные, уже купленно Посилання на коментар Поділитися на інших сайтах More sharing options...
KakTuz Опубліковано: 12 травня 2024 Автор Поділитись Опубліковано: 12 травня 2024 Монтирую электрику. В две руки не быстро пооучается. Но там так накручено, что сам еле понимаю что и куда. 12 1 Посилання на коментар Поділитися на інших сайтах More sharing options...
KakTuz Опубліковано: 21 травня 2024 Автор Поділитись Опубліковано: 21 травня 2024 (змінено) Из глобального остался щиток электрический, вернее яма ввода коммуникаций. Вторую неделю бьюсь. Очень медленно продвигается. 16 кабелей в одном канале, пока уложил, пока впихнул. Да, знаю, могут греться. Но там 1,5мм на свет и пара линий 2,5 на силу до 3квт. Это самый сложный квадратный метр в доме. 3й год он в работе. Сварили каркас под солнечные панели. Швеллер 12ка. 12 панелей по 430вт. Змінено 21 травня 2024 користувачем KakTuz 10 1 Посилання на коментар Поділитися на інших сайтах More sharing options...
Рекомендовані повідомлення
Створіть акаунт або увійдіть у нього для коментування
Ви маєте бути користувачем, щоб залишити коментар
Створити акаунт
Зареєструйтеся для отримання акаунта. Це просто!
Зареєструвати акаунтУвійти
Вже зареєстровані? Увійдіть тут.
Увійти зараз