Tamburello Опубліковано: 16 лютого 2024 Поділитись Опубліковано: 16 лютого 2024 10 часов назад, goga777 сказал: Треба більше інформації та схеми. Так нічого не зрозуміло. А навіщо це чудо тут? У нього контакти замнуті на шині. Отака схема бо Але у виробників є різні варіанти виробів з 3 та 4 полюсами для різних систем заземлення. І доволі странно, чому таки вибивається АВ до пзіпа Посилання на коментар Поділитися на інших сайтах More sharing options...
goga777 Опубліковано: 17 лютого 2024 Поділитись Опубліковано: 17 лютого 2024 В 16.02.2024 в 08:49, Tamburello сказал: Отака схема бо Але у виробників є різні варіанти виробів з 3 та 4 полюсами для різних систем заземлення. І доволі странно, чому таки вибивається АВ до пзіпа Ваша схема TN-C, звичайна. Там потрібен ПЗІП на 3 полюси. Ось схема 1 Посилання на коментар Поділитися на інших сайтах More sharing options...
goga777 Опубліковано: 17 лютого 2024 Поділитись Опубліковано: 17 лютого 2024 (змінено) Але зразу скажу що той четвертий модуль не заважатиме нічому, його взагалі не існуює в мережі (клеми замкнуті). Можете як буде потрібно з нього модуль витягнути та використати як буде нагода. Напишіть яке саме УЗО спрацьовує УЗС1 ? УЗС 2 ? Змінено 17 лютого 2024 користувачем goga777 1 Посилання на коментар Поділитися на інших сайтах More sharing options...
Tamburello Опубліковано: 18 лютого 2024 Поділитись Опубліковано: 18 лютого 2024 В 17.02.2024 в 15:51, goga777 сказал: Ваша схема TN-C, звичайна. Там потрібен ПЗІП на 3 полюси. Ось схема У мене не тн-ц, і спрацьовує не узо. Посилання на коментар Поділитися на інших сайтах More sharing options...
goga777 Опубліковано: 18 лютого 2024 Поділитись Опубліковано: 18 лютого 2024 43 минуты назад, Tamburello сказал: У мене не тн-ц, і спрацьовує не узо. Автомат спрацьовує, який? де він на схемі? Якак схема заземлення у Вас? напишіть будь ласка 1 Посилання на коментар Поділитися на інших сайтах More sharing options...
Tamburello Опубліковано: 19 лютого 2024 Поділитись Опубліковано: 19 лютого 2024 В 15.02.2024 в 18:18, Tamburello сказал: А чому може спрацьовувати автомат ДО ПЗІПа при підключенні пзіпа до мережі? При розслідуванні причина була з'ясована. ПЗІП зі своїм автоматом-рубільником зкомутований був 3х фазною мідною шиною, і там було коротке із-за перекосу корпусів. Закрив шинки в термоусадку, і всьо Посилання на коментар Поділитися на інших сайтах More sharing options...
smotesko Опубліковано: 19 березня 2024 Поділитись Опубліковано: 19 березня 2024 Від щита обліку до будинку прокладено підземний кабель 4 жильний – 3 фази. П'ятижильних кабелів на той момент ніде не було в наявності. Заземлення ще немає. Підкажіть, будь ласка: Якщо я хочу встановити в тому щиті ПЗІП, але копати траншею ще раз не хочу – можна ж забити два заземлення. Одне під щитом обліку, друге коло будинку. Вірно? Посилання на коментар Поділитися на інших сайтах More sharing options...
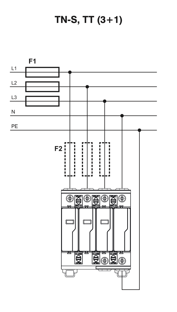
goga777 Опубліковано: 19 березня 2024 Поділитись Опубліковано: 19 березня 2024 (змінено) 3 часа назад, smotesko сказал: Від щита обліку до будинку прокладено підземний кабель 4 жильний – 3 фази. П'ятижильних кабелів на той момент ніде не було в наявності. Заземлення ще немає. Підкажіть, будь ласка: Якщо я хочу встановити в тому щиті ПЗІП, але копати траншею ще раз не хочу – можна ж забити два заземлення. Одне під щитом обліку, друге коло будинку. Вірно? вірно. наступне що треба зробити це обрати систему живлення (TN-C, TN-S, TN-CS, TT, IT) Змінено 19 березня 2024 користувачем goga777 1 1 Посилання на коментар Поділитися на інших сайтах More sharing options...
smotesko Опубліковано: 19 березня 2024 Поділитись Опубліковано: 19 березня 2024 26 хвилин тому, goga777 сказав: наступне що треба зробити це обрати систему живлення (TN-C, TN-S, TN-CS, TT, IT) Виходить що у мене буде TT. Протипожежний ПЗВ в щиті обліку вже встановив, і у розподільчому щиті будинку ПЗВ плануються. Посилання на коментар Поділитися на інших сайтах More sharing options...
goga777 Опубліковано: 19 березня 2024 Поділитись Опубліковано: 19 березня 2024 16 минут назад, smotesko сказал: Виходить що у мене буде TT. Протипожежний ПЗВ в щиті обліку вже встановив, і у розподільчому щиті будинку ПЗВ плануються. які відстані між щитом обліку та основним щитом в будинку? 1 Посилання на коментар Поділитися на інших сайтах More sharing options...
smotesko Опубліковано: 19 березня 2024 Поділитись Опубліковано: 19 березня 2024 (змінено) 4 години тому, goga777 сказав: які відстані між щитом обліку та основним щитом в будинку? 9м по горизонталі, 15м кабелю. Змінено 19 березня 2024 користувачем smotesko Посилання на коментар Поділитися на інших сайтах More sharing options...
goga777 Опубліковано: 19 березня 2024 Поділитись Опубліковано: 19 березня 2024 (змінено) А навіщо на лічильнику ПЗВ ? щоб ці 15 м кабелю не загорілись? Намалюйте схемку що Ви плануєте - подивлюсь. Допоможу з Підключенням ПЗІП. Якщо в щиту обліку залишете ПЗВ то ПЗІП прийдеться ставити комбінований. Змінено 19 березня 2024 користувачем goga777 1 Посилання на коментар Поділитися на інших сайтах More sharing options...
smotesko Опубліковано: 20 березня 2024 Поділитись Опубліковано: 20 березня 2024 (змінено) 15 годин тому, goga777 сказав: А навіщо на лічильнику ПЗВ ? щоб ці 15 м кабелю не загорілись? Так, ці 15м плюс вся тимчасова електрика що зараз є в будинку для проведення робіт. 15 годин тому, goga777 сказав: Намалюйте схемку що Ви плануєте - подивлюсь. Допоможу з Підключенням ПЗІП. Дякую за пропозицію! Хочу зробити гарно. До щиту обліку підходить СІП по стовпах, далі наразі так як на схемі. Щит має дві панелі. Одна опломбована, в другій я можу ставити що завгодно. В будинку наразі все тимчасове. Є виведений через стіну провід для заземлення. Змінено 20 березня 2024 користувачем smotesko помилка на схемі Посилання на коментар Поділитися на інших сайтах More sharing options...
goga777 Опубліковано: 20 березня 2024 Поділитись Опубліковано: 20 березня 2024 (змінено) Пропоную, що якщо ви розпочнете встановлення електричної розподільної шафи в домі, перенести захисний вимикач (ПЗВ) в домашню шафу після пристрою захисту від перенапруги (ПЗІП). Ми можемо почати проектування домашньої шафи зараз. Для трифазного живлення по схемі ТТ ось така штука буде потрібна schirtec.com.ua/saltek/12-5-ka FLP-12,5 V/3+1 Змінено 20 березня 2024 користувачем goga777 1 Посилання на коментар Поділитися на інших сайтах More sharing options...
smotesko Опубліковано: 24 березня 2024 Поділитись Опубліковано: 24 березня 2024 20.03.2024 в 16:42, goga777 сказав: FLP-12,5 V/3+1 Отже, пристрій FLP-12,5 V/3+1 включаю після лічильнику за схемою з інструкції. Номінал F1 вибираю більше 32А, але менше струму КЗ на землю, розрахованого після вимірювання опору заземлення. Характеристика запобіжника gL або gG. F2 ймовірно не знадобиться. Як я зрозумів, ви пропонуєте перенести ПЗВ до будинку щоб захистити його від імпульсів індуктивністю підземного кабелю. Далі, в розподільчому щиті мені знадобиться наступний рівень захисту типу SLP-275 V/3+1? 1 Посилання на коментар Поділитися на інших сайтах More sharing options...
goga777 Опубліковано: 24 березня 2024 Поділитись Опубліковано: 24 березня 2024 3 часа назад, smotesko сказал: Отже, пристрій FLP-12,5 V/3+1 включаю після лічильнику за схемою з інструкції. Номінал F1 вибираю більше 32А, але менше струму КЗ на землю, розрахованого після вимірювання опору заземлення. Характеристика запобіжника gL або gG. F2 ймовірно не знадобиться. Як я зрозумів, ви пропонуєте перенести ПЗВ до будинку щоб захистити його від імпульсів індуктивністю підземного кабелю. Далі, в розподільчому щиті мені знадобиться наступний рівень захисту типу SLP-275 V/3+1? ніт Посилання на коментар Поділитися на інших сайтах More sharing options...
goga777 Опубліковано: 24 березня 2024 Поділитись Опубліковано: 24 березня 2024 (змінено) На лічильнику автомата вистачить. А в домовому щиті поставимо FLP-12,5 V/3+1 але!!!! дуже важливо!!!! перед тим ознайомитися з умовами сторінки з20 по26 ПРИРУЧКА.pdf Змінено 24 березня 2024 користувачем goga777 1 Посилання на коментар Поділитися на інших сайтах More sharing options...
makita Опубліковано: 15 травня 2024 Поділитись Опубліковано: 15 травня 2024 (змінено) Доброго дня. Такі пристрої варто розглядати як захист від грози і блискавки? Заземлення ТТ-підійде він ? Змінено 16 травня 2024 користувачем makita Посилання на коментар Поділитися на інших сайтах More sharing options...
Yureks Опубліковано: 19 травня 2024 Поділитись Опубліковано: 19 травня 2024 Якщо вірити показникам і малюнкам на сайті ви вибрали Пзіп клас В . Червоного кольору..... По характеристиках підходе.... По ціні теж... На жаль Пзіп це один із пристроїв які ти не можеш купити і зразу вдома перевірити... Навіть розібравши його. А ціна пристрою зараз, в нинішній час має теж велике значення... На ютубі вже публікували відео розбірки картриджу данної моделі і моделі шнайдер... Так що вибір за вами... 1 Посилання на коментар Поділитися на інших сайтах More sharing options...
goga777 Опубліковано: 20 травня 2024 Поділитись Опубліковано: 20 травня 2024 Розчарування від низької якості триває довше, ніж радість від низької ціни. Навіть не думайте витрачати своі гроші на цей непотріб. Ви повинні розуміти що неякісний ПЗІП після спрацювання може влаштувати пожежу. Спитайте у продавця акти про европейські іспити. Саме іспити в лабораторії високих напруг. Я вважаю ніж ставити аби-що краще вже НЕ СТАВИТИ НІЧОГО. 3 1 Посилання на коментар Поділитися на інших сайтах More sharing options...
makita Опубліковано: 20 травня 2024 Поділитись Опубліковано: 20 травня 2024 2 часа назад, goga777 сказал: Розчарування від низької якості триває довше, ніж радість від низької ціни. Навіть не думайте витрачати своі гроші на цей непотріб. Ви повинні розуміти що неякісний ПЗІП після спрацювання може влаштувати пожежу. Спитайте у продавця акти про европейські іспити. Саме іспити в лабораторії високих напруг. Я вважаю ніж ставити аби-що краще вже НЕ СТАВИТИ НІЧОГО. Дякую. Порадьте що купити для ТТ,3 фази.... Посилання на коментар Поділитися на інших сайтах More sharing options...
makita Опубліковано: 20 травня 2024 Поділитись Опубліковано: 20 травня 2024 В 19.05.2024 в 10:49, Yureks сказал: Якщо вірити показникам і малюнкам на сайті ви вибрали Пзіп клас В . Червоного кольору..... По характеристиках підходе.... По ціні теж... На жаль Пзіп це один із пристроїв які ти не можеш купити і зразу вдома перевірити... Навіть розібравши його. А ціна пристрою зараз, в нинішній час має теж велике значення... На ютубі вже публікували відео розбірки картриджу данної моделі і моделі шнайдер... Так що вибір за вами... мабуть я розумію,про які відео ви кажете. Тому і почав розглядати цей товар. На жаль,зараз такий час,що всередині брендового товару часто стоїть така сама начинка,як і з Алі. Незнаєшь,кому вірити Посилання на коментар Поділитися на інших сайтах More sharing options...
goga777 Опубліковано: 20 травня 2024 Поділитись Опубліковано: 20 травня 2024 2 часа назад, makita сказал: Дякую. Порадьте що купити для ТТ,3 фази.... Для системи ТТ схема 1 Посилання на коментар Поділитися на інших сайтах More sharing options...
goga777 Опубліковано: 20 травня 2024 Поділитись Опубліковано: 20 травня 2024 Вам буде достатньо класс 1+2 . Але я б порадив більш відповідально підійти до підбору. Якщо Ви купите якісний прилад та невірно його поставите то й працювати нормально він не буде. leocorp.com.ua/product/7/FLP-12_5/A03427/ 1 Посилання на коментар Поділитися на інших сайтах More sharing options...
goga777 Опубліковано: 20 травня 2024 Поділитись Опубліковано: 20 травня 2024 (змінено) 2 часа назад, makita сказал: мабуть я розумію,про які відео ви кажете. Тому і почав розглядати цей товар. На жаль,зараз такий час,що всередині брендового товару часто стоїть така сама начинка,як і з Алі. Незнаєшь,кому вірити це невірна інформація, розповсюджується китайцями та продавцями китаю . Якщо буде потрібно то на конкретних приладах можу довести. (Маю на увазі ПЗІПи) Навіть китайська підробка брендових товарів відрізняється від оригіналу. Змінено 20 травня 2024 користувачем goga777 Посилання на коментар Поділитися на інших сайтах More sharing options...
Рекомендовані повідомлення
Створіть акаунт або увійдіть у нього для коментування
Ви маєте бути користувачем, щоб залишити коментар
Створити акаунт
Зареєструйтеся для отримання акаунта. Це просто!
Зареєструвати акаунтУвійти
Вже зареєстровані? Увійдіть тут.
Увійти зараз