МакДо Опубліковано: 11 липня 2024 Поділитись Опубліковано: 11 липня 2024 (змінено) 5 годин тому, shneider_vova сказав: Якщо повернутися до теми топіка - то чи є проблеми поставити 3 однофазних інвертора Deye при трифазному підключенні? реальних трифазних приладів немає в будинку. Що треба робити з аккумуляторами (є додаткові умови ?) На алібаба 1ф 6кВт Дея $940, 3ф 12кВт $1720, 3ф 10кВт $1680 Дивіться, де вам вигідно і чи достатньо місця для трьох. Враховуйте особливості системи охолодження 1ф інвертора та шум від кулерів 3ф. Змінено 11 липня 2024 користувачем МакДо 1 Посилання на коментар Поділитися на інших сайтах More sharing options...
shneider_vova Опубліковано: 11 липня 2024 Поділитись Опубліковано: 11 липня 2024 40 хвилин тому, МакДо сказав: На алібаба 1ф 6кВт Дея $940, 3ф 12кВт $1720, 3ф 10кВт $1680 Дивіться, де вам вигідно і чи достатньо місця для трьох. Враховуйте особливості системи охолодження 1ф інвертора та шум від кулерів 3ф. Зараз замовив 6-ку однофазну. Еквівалент 3х трехфазний - то 18 кВт, а не 12, тож там трошки більше вийде по ціні. І так - для мене шум має значення. 4 Посилання на коментар Поділитися на інших сайтах More sharing options...
Vikctor Опубліковано: 12 липня 2024 Поділитись Опубліковано: 12 липня 2024 12 часов назад, МакДо сказал: На алібаба 1ф 6кВт Дея $940, 3ф 12кВт $1720, 3ф 10кВт $1680 Дивіться, де вам вигідно і чи достатньо місця для трьох. Враховуйте особливості системи охолодження 1ф інвертора та шум від кулерів 3ф. Знайдені мною продавці пропонують за 3ф 12кВт приблизно ті самі гроші (+20-30 баксів), але логістика більше 400 баксів, що значно дорожче ніж дав ваш продавець. Може різні точки відправки? Мені пропонують з Шанхаю. Посилання на коментар Поділитися на інших сайтах More sharing options...
МакДо Опубліковано: 12 липня 2024 Поділитись Опубліковано: 12 липня 2024 17 хвилин тому, Vikctor сказав: Знайдені мною продавці пропонують за 3ф 12кВт приблизно ті самі гроші (+20-30 баксів), але логістика більше 400 баксів, що значно дорожче ніж дав ваш продавець. Може різні точки відправки? Мені пропонують з Шанхаю. Я домовлявся з українцями про доставку. В них там є адреса складу. Посилання на коментар Поділитися на інших сайтах More sharing options...
Vikctor Опубліковано: 12 липня 2024 Поділитись Опубліковано: 12 липня 2024 1 минуту назад, МакДо сказал: Я домовлявся з українцями про доставку. В них там є адреса складу. Якщо це не таємниця, то дайте їх контакти. Це приватні особи, що відправляють товар з китаю в Україну? Посилання на коментар Поділитися на інших сайтах More sharing options...
МакДо Опубліковано: 12 липня 2024 Поділитись Опубліковано: 12 липня 2024 14 хвилин тому, Vikctor сказав: Якщо це не таємниця, то дайте їх контакти. Це приватні особи, що відправляють товар з китаю в Україну? Це типу meest china, їх багато в Україні) зараз закину контакт 1 Посилання на коментар Поділитися на інших сайтах More sharing options...
vovarpd Опубліковано: 12 липня 2024 Поділитись Опубліковано: 12 липня 2024 23 години тому, volomoto сказав: Еквівалент Деє 3ф 12 кВт на віктроні буде займати пів стіни і коштувати 8к євро. Це на базі яких моделей аж 8к євро? Посилання на коментар Поділитися на інших сайтах More sharing options...
volomoto Опубліковано: 16 липня 2024 Поділитись Опубліковано: 16 липня 2024 12.07.2024 в 18:00, vovarpd сказав: Це на базі яких моделей аж 8к євро? Та мультиплюсів, які можуть давати 6 кВт на фазу. А з сонцем взагалі весело, бо треба взяти 15 кВт сонця, відповідно треба ще по штуці SmartSolar MPPT RS 450/100 та 450/200. Плюс CerboGX, Lynx Power In, Lynx Distributor. Ну і дофіга товстих кабелів, щоб то все з'єднати. Посилання на коментар Поділитися на інших сайтах More sharing options...
vovarpd Опубліковано: 16 липня 2024 Поділитись Опубліковано: 16 липня 2024 4 години тому, volomoto сказав: Та мультиплюсів, які можуть давати 6 кВт на фазу. А з сонцем взагалі весело, бо треба взяти 15 кВт сонця, відповідно треба ще по штуці SmartSolar MPPT RS 450/100 та 450/200. Плюс CerboGX, Lynx Power In, Lynx Distributor. Ну і дофіга товстих кабелів, щоб то все з'єднати. Скільки часу цей 12квт deye може давати по 6квт на фазу без присутності мережі? Чи це номінальний режим і воно так може працювати тижнями? Тобто буде 6 на одній а решта 6 на іншій тоже може? Десь дивився відео в якійсь темі але там з мережею. Посилання на коментар Поділитися на інших сайтах More sharing options...
volomoto Опубліковано: 16 липня 2024 Поділитись Опубліковано: 16 липня 2024 26 хвилин тому, vovarpd сказав: Скільки часу цей 12квт deye може давати по 6квт на фазу без присутності мережі? Чи це номінальний режим і воно так може працювати тижнями? Тобто буде 6 на одній а решта 6 на іншій тоже може? Це його номінальний режим і працювати так може нескінченно довго. Сумарна потужність 12 кВт, відповідно якщо на одній 6 і на іншій 6, то на третю вже нічого не видасть. 3 Посилання на коментар Поділитися на інших сайтах More sharing options...
МакДо Опубліковано: 16 липня 2024 Поділитись Опубліковано: 16 липня 2024 11 хвилин тому, volomoto сказав: Це його номінальний режим і працювати так може нескінченно довго. Сумарна потужність 12 кВт, відповідно якщо на одній 6 і на іншій 6, то на третю вже нічого не видасть. А ще цікаво, що то за споживач, що 24/7 споживає 6кВт*г на одній фазі… Після вже замовлення 12кВт Деє з Китаю став прицільніше розглядати навантаження (на кухні) і зрозумів що більшість побутової техніки споживає багато короткостроково. З інших довготривалих навантажень - автополив, коли насос 1кВт*г працює майже нон-стоп 2год та фільтр-насос басейну 450Вт 4 години поспіль. Все. Посилання на коментар Поділитися на інших сайтах More sharing options...
Vikctor Опубліковано: 16 липня 2024 Поділитись Опубліковано: 16 липня 2024 11 минут назад, МакДо сказал: А ще цікаво, що то за споживач, що 24/7 споживає 6кВт*г на одній фазі… Після вже замовлення 12кВт Деє з Китаю став прицільніше розглядати навантаження (на кухні) і зрозумів що більшість побутової техніки споживає багато короткостроково. З інших довготривалих навантажень - автополив, коли насос 1кВт*г працює майже нон-стоп 2год та фільтр-насос басейну 450Вт 4 години поспіль. Все. В мене насос на автополив працює 6,5 годин поспіль. І це ще в мене газону немає). Але я не розглядаю цей насос як велике навантаження, бо 1,2кВт/г насправді не дуже і вражаючий показник і зрозуміло що ніхто не вмикатиме його наадовго при відсутності світла.. Котел на нагрів бойлера влітку працює 35-40 хвилин на всі гроші, тобто 14кВт/г. Невідомо скільки витрачає кондиціонер 24 на охолодження, тому не можу завчасно прогнозувати чи дозволю собі юзати його від акб. Хоча на гелєвих акб він декілька разів працював до години, поки я не помічав що світло вимкнули, а мій інвертор не здатний віддавати більше 30А. Тобто кондей разом з холодильником/морозилкою, світлом та ТВ вживає не більше 720 Вт/г чи то він просто вміє знижувати потужність при потребі. Посилання на коментар Поділитися на інших сайтах More sharing options...
max5555 Опубліковано: 18 липня 2024 Поділитись Опубліковано: 18 липня 2024 12.07.2024 в 11:38, Vikctor сказав: Знайдені мною продавці пропонують за 3ф 12кВт приблизно ті самі гроші (+20-30 баксів), але логістика більше 400 баксів, що значно дорожче ніж дав ваш продавець. Може різні точки відправки? Мені пропонують з Шанхаю. Поділіться будь ласка посиланням на продавця Посилання на коментар Поділитися на інших сайтах More sharing options...
Vikctor Опубліковано: 18 липня 2024 Поділитись Опубліковано: 18 липня 2024 24 минуты назад, max5555 сказал: Поділіться будь ласка посиланням на продавця x.alibaba.com/Ax0JfG?ck=minisite 1 Посилання на коментар Поділитися на інших сайтах More sharing options...
max5555 Опубліковано: 18 липня 2024 Поділитись Опубліковано: 18 липня 2024 24 хвилини тому, Vikctor сказав: x.alibaba.com/Ax0JfG?ck=minisite Дякую, хоча ціна за deye 3ф 10кВт там вже 1750usd Посилання на коментар Поділитися на інших сайтах More sharing options...
Vikctor Опубліковано: 18 липня 2024 Поділитись Опубліковано: 18 липня 2024 Так між 10 та 12кВт різниці по цині майже немає. 1 Посилання на коментар Поділитися на інших сайтах More sharing options...
МакДо Опубліковано: 18 липня 2024 Поділитись Опубліковано: 18 липня 2024 (змінено) 1 годину тому, Vikctor сказав: Так між 10 та 12кВт різниці по цині майже немає. В моєму випадку різниця $40. Відповідно 1720 та 1680. Змінено 18 липня 2024 користувачем МакДо 1 Посилання на коментар Поділитися на інших сайтах More sharing options...
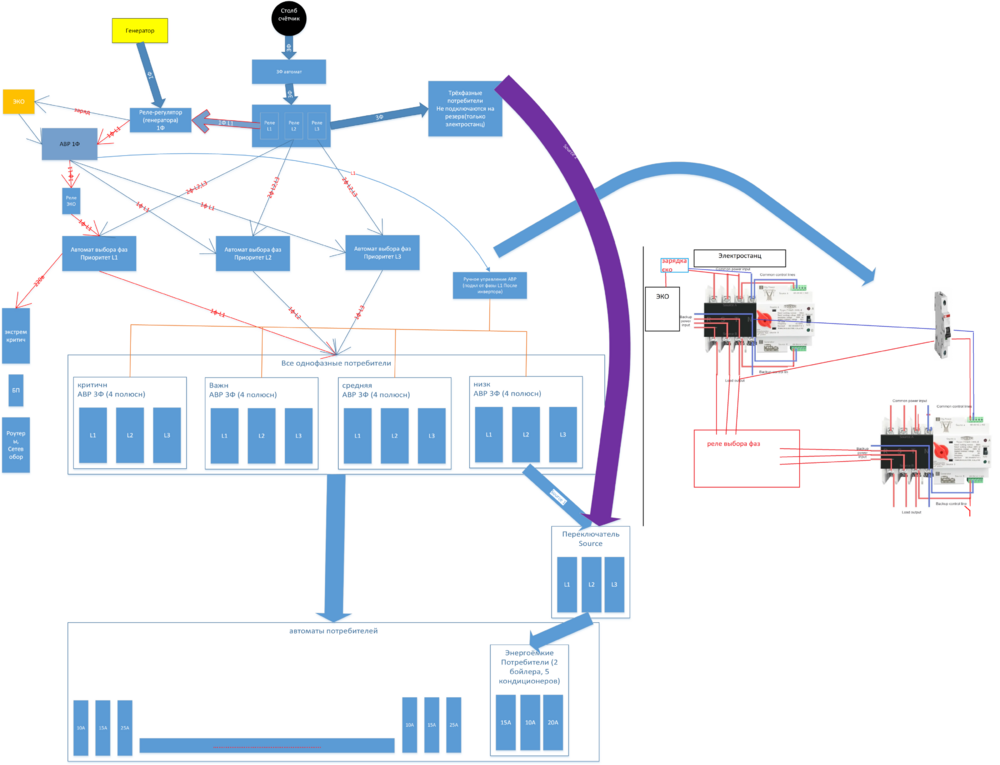
MaxKo Опубліковано: 23 липня 2024 Поділитись Опубліковано: 23 липня 2024 (змінено) что скажете про такое решение идея в том что можно настроить необходимую нагрузку при переходе на батарею.(определить какие потребители входят в категории крит, важн, средняя и низнкое по приоритетам потребители) можно доделать девайс на ардуинке чтоб мерял напряжение акб и отрубал в зависимрсти от степени заряда отрубал приоритеты, оставив только критичные на низком уровне заряда) Змінено 23 липня 2024 користувачем MaxKo 1 Посилання на коментар Поділитися на інших сайтах More sharing options...
vitaliy17 Опубліковано: 23 липня 2024 Поділитись Опубліковано: 23 липня 2024 В 16.07.2024 в 15:43, volomoto сказал: Та мультиплюсів, які можуть давати 6 кВт на фазу. А з сонцем взагалі весело, бо треба взяти 15 кВт сонця, відповідно треба ще по штуці SmartSolar MPPT RS 450/100 та 450/200. Плюс CerboGX, Lynx Power In, Lynx Distributor. Ну і дофіга товстих кабелів, щоб то все з'єднати. Емм.. Щось жирно. Victron EasySolar ll 48/5000/70-50 MPPT 250/100 GX 1400Є - 1 шт Victron MultiPlus-II 48/5000/70-50 - 700Є - 2 шт Victron SmartSolar MPPT 250 100 - 450Є - 2 шт. І того біля 3700Є P.S. Так, це по 5квт на фазу, а не по 6. Посилання на коментар Поділитися на інших сайтах More sharing options...
volomoto Опубліковано: 24 липня 2024 Поділитись Опубліковано: 24 липня 2024 7 годин тому, vitaliy17 сказав: Так, це по 5квт на фазу, а не по 6. Це по 4 кВт на фазу і ціни з нкона без доставки. Посилання на коментар Поділитися на інших сайтах More sharing options...
vovarpd Опубліковано: 24 липня 2024 Поділитись Опубліковано: 24 липня 2024 (змінено) 29 хвилин тому, volomoto сказав: і ціни з нкона без доставки. без доставки 615, з доставкою 673 мультіплюси. Єдине що з митом поки неясно. 7 годин тому, vitaliy17 сказав: Так, це по 5квт на фазу, а не по 6. по 4квт але на кожну з можливістю +30% на протязі півгодини (5.2квт) , а не по 6, але на дві а третя без нічого. Змінено 24 липня 2024 користувачем vovarpd Посилання на коментар Поділитися на інших сайтах More sharing options...
vitaliy17 Опубліковано: 24 липня 2024 Поділитись Опубліковано: 24 липня 2024 (змінено) 7 часов назад, vovarpd сказал: по 4квт але на кожну з можливістю +30% на протязі півгодини (5.2квт) , а не по 6, але на дві а третя без нічого. ви про PowerAssist? А де вказано про ліміт в "+30% на протязі півгодини"? в PowerAssist режимі він віддасть свою номінальну потужність (4000W) від батареї + все що зможе забрати з AC (50А) або від сонця, ліміт буде суттєво вищий за 5200W Змінено 24 липня 2024 користувачем vitaliy17 Посилання на коментар Поділитися на інших сайтах More sharing options...
vovarpd Опубліковано: 24 липня 2024 Поділитись Опубліковано: 24 липня 2024 7 хвилин тому, vitaliy17 сказав: А де вказано про ліміт в "+30% на протязі півгодини"? у віктронівському вебінарі розказано. 7 хвилин тому, vitaliy17 сказав: в PowerAssist режимі він віддасть свою номінальну потужність (4000W) від батареї + все що зможе забрати з AC (50А) або від сонця, ліміт буде суттєво вищий за 5200W мова про батарею. 2 Посилання на коментар Поділитися на інших сайтах More sharing options...
sidus Опубліковано: 30 липня 2024 Поділитись Опубліковано: 30 липня 2024 В 03.07.2024 в 15:26, Vikctor сказал: 30А максимальний зарядний струм в теперешніх умовах явно недостатньо. Індукційка споживає багато. Духова шава споживає помірно. Користуватися іми без обмежень під час блекаутів ніхто звісно не буде, але короткочасно чому б ні. АКБ планується 48В 16s 304А. Якщо на практиці цього буде замало, то буду додавати або вже підключати сонце. Наразі акб як виявилося не сама затратна позиція у порівнянні з тим же інвертором. а чого 30А? в маста на 5квт наче 80А, це більш ніж достатьно Посилання на коментар Поділитися на інших сайтах More sharing options...
sidus Опубліковано: 30 липня 2024 Поділитись Опубліковано: 30 липня 2024 В 04.07.2024 в 07:18, sigma_shig сказал: Теж в 2022 будував з гімна та палок. На авто аккумах, потім на карбонових. Все обмежено: інет, ноут, зарядка телефонов. Набридло! Задавив жабу і зараз збираю систему так, щоб "ні в чому себе не відмовляти, але в пределах розумного": - гібридний SunSynk -12K, 3 фази - LiFePo4 48*290Аг ( 14кВт*г) (ще їдуть з Китаю) - панелі 10*550 Вт Бюджет $8k+ Батареї із Китаю це завжди ризик, сподіваюсь ви його прорахували ) Інвертор на аліку замовляли? А панелі де будете брати? Посилання на коментар Поділитися на інших сайтах More sharing options...
Рекомендовані повідомлення
Створіть акаунт або увійдіть у нього для коментування
Ви маєте бути користувачем, щоб залишити коментар
Створити акаунт
Зареєструйтеся для отримання акаунта. Це просто!
Зареєструвати акаунтУвійти
Вже зареєстровані? Увійдіть тут.
Увійти зараз