volomoto Опубліковано: 23 січня 2024 Поділитись Опубліковано: 23 січня 2024 2 години тому, KakTuz сказав: Первое - он встроенной установки. Я плитку долбать не буду. Беріть WRP18-5, який має 90 модулів, широкий і має багато місця позаду дін рейок. Я маю WRP18-4 як ввідний щит і дуже сподобалось, що ззаду та збоків є багато місця для прокладки кабелів. В мене навіть збоку вліз малий перфорований короб для організації всяких дрібних дротів в тому числі слабострумних. Прихований текст 2 Посилання на коментар Поділитися на інших сайтах More sharing options...
KakTuz Опубліковано: 23 січня 2024 Автор Поділитись Опубліковано: 23 січня 2024 5 часов назад, murava сказал: Если стоит выбор больший щиток или несколько мелких ради экономии, то поверьте, вы скорее всего проклянете сами себя за эту экономию, когда станете их собирать Хагер на 72 значительно дешевле. 3 и 11 тысяч - есть разница. Два по 48 рядом - не проблема. 5 проводов во второй прокинуть. Большой щиток хорош в работе когда он к стенду прикручен. А как потом эту дуру на стену вешать одному? Я не вижу особых проблем с двумя щитками по 48. Ширина стены позволяет хоть три повесить. Посилання на коментар Поділитися на інших сайтах More sharing options...
murava Опубліковано: 23 січня 2024 Поділитись Опубліковано: 23 січня 2024 Та делайте как знаете, мне все равно 1 1 Посилання на коментар Поділитися на інших сайтах More sharing options...
Телесистемы Опубліковано: 23 січня 2024 Поділитись Опубліковано: 23 січня 2024 54 минуты назад, KakTuz сказал: Хагер на 72 значительно дешевле. 3 и 11 тысяч - есть разница. Два по 48 рядом - не проблема. 5 проводов во второй прокинуть. Большой щиток хорош в работе когда он к стенду прикручен. А как потом эту дуру на стену вешать одному? Я не вижу особых проблем с двумя щитками по 48. Ширина стены позволяет хоть три повесить. А кто собирать будет? Посилання на коментар Поділитися на інших сайтах More sharing options...
Energon Опубліковано: 23 січня 2024 Поділитись Опубліковано: 23 січня 2024 14 минут назад, Телесистемы сказал: А кто собирать будет? Так власник теми сам і буде) Посилання на коментар Поділитися на інших сайтах More sharing options...
Телесистемы Опубліковано: 23 січня 2024 Поділитись Опубліковано: 23 січня 2024 7 минут назад, Energon сказал: Так власник теми сам і буде) Ну, то побажання власнику: помножуйте кількість модулів щита х2 Гольф настолько мягкий пластик, что в него родные держатели клемм (котрые, не идут в комплекте) просто не встают при плотном заполнении У меня есть уже по опыту лайфаки, но это методом многих проб Вольта поплотнее будет по пластику и чуть комфортнее по пространству. Но что-то в этом сезоне закупали заказчики у дилера и комплектация не соответствует заявленной - уже и держатели не докладывают, и квикконнекты. Это офф. версия UA Посилання на коментар Поділитися на інших сайтах More sharing options...
Energon Опубліковано: 23 січня 2024 Поділитись Опубліковано: 23 січня 2024 28 минут назад, Телесистемы сказал: Ну, то побажання власнику: помножуйте кількість модулів щита х2 Гольф настолько мягкий пластик, что в него родные держатели клемм (котрые, не идут в комплекте) просто не встают при плотном заполнении У меня есть уже по опыту лайфаки, но это методом многих проб Вольта поплотнее будет по пластику и чуть комфортнее по пространству. Но что-то в этом сезоне закупали заказчики у дилера и комплектация не соответствует заявленной - уже и держатели не докладывают, и квикконнекты. Это офф. версия UA Тримачі і квіки ніколи в комплекті щита у Вольти не йшли. Їх завжди окремо докуповували) Посилання на коментар Поділитися на інших сайтах More sharing options...
KakTuz Опубліковано: 23 січня 2024 Автор Поділитись Опубліковано: 23 січня 2024 (змінено) Ну, я все таки техник-электрик по образованию, и сам паяю электронику. Разберусь со щитком, уже не раз делал Змінено 23 січня 2024 користувачем KakTuz 1 Посилання на коментар Поділитися на інших сайтах More sharing options...
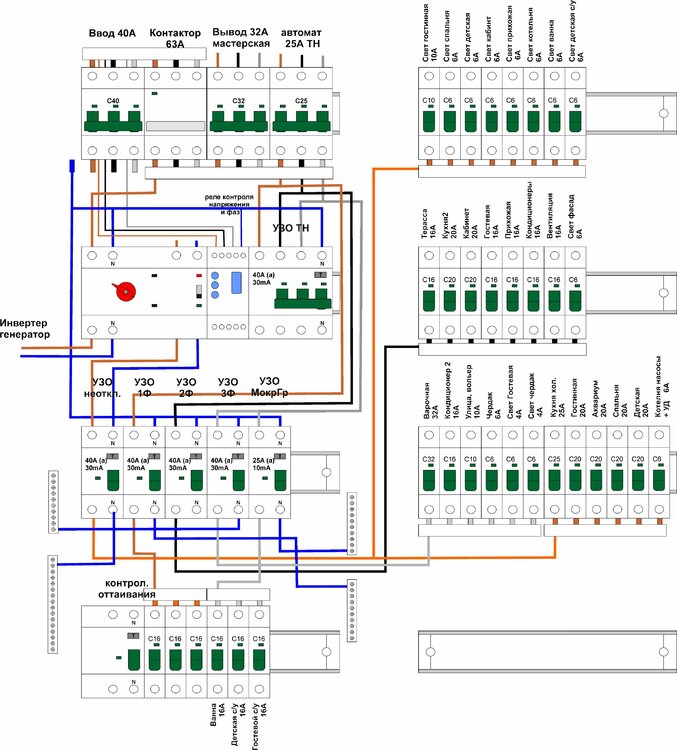
KakTuz Опубліковано: 26 січня 2024 Автор Поділитись Опубліковано: 26 січня 2024 Перерисовал под 2 Hager Golf 4*12. Поменял некоторые автоматы. где то так получается. 1 Посилання на коментар Поділитися на інших сайтах More sharing options...
shneider_vova Опубліковано: 26 січня 2024 Поділитись Опубліковано: 26 січня 2024 це дуже дивно, що ви не реагуєте на дописи. або ви знаєте, як треба робити, і тоді наша критика не потрібна, або ж все така варто брати до уваги те, що пропонуюь. коротко: а) автомат для холодильника на 25А. скажіть, який кабель буде йти з щитка до холодильника та як саме холодильник буде підключений до кабеля б) УЗО для мокрих зон на 25А, зверху захищено автоматом 40 А, знизу максимальний ток 16+16+16=48А. Не погорить?! в) за реле контролю я вже не кажу, просто розкажу, що в мене була фаза, яка десь погано себе вела при сильному вітрі, і її вибивало. В моему випадку в мене відключалася 1 фаза, в вашому - буде весь будинок вимикатися. для повторного включення для холодильника, чи теплового насосу - варто б ставити таймер затримки на 5 хвилин (саме так в мене на фазі, на якій запитано холодильник, інші вмикаються через 3 секунди). В вас буде весь будинок без електрики на 5 хвилин. Але хазяїн-барін 1 Посилання на коментар Поділитися на інших сайтах More sharing options...
KakTuz Опубліковано: 26 січня 2024 Автор Поділитись Опубліковано: 26 січня 2024 Кроме холодильника на той же линии висит микроволновка и эл. духовка. Кабель там 2,5мм2 в мокрых зонах никогда не будет 16А по всем потребителям. В доме нет столько фенов что бы одновременно их включить. Даже если жена и дочка одновременно включат фены на полную мощность - это будет 4-4,5кВт Пусть лучше отключится весь дом, критичные перейдут на резерв, чем из за перекоса или замыкания сгорит ТН или какой то станок. Если сработает защита - я буду разбираться почему так стало, защиту можно отключить в ручную, а реле напряжения только замкнуть перемычкой. От КПТ к дому идет кабель в изоляции, а не воздушка. 1 Посилання на коментар Поділитися на інших сайтах More sharing options...
shneider_vova Опубліковано: 26 січня 2024 Поділитись Опубліковано: 26 січня 2024 24 хвилини тому, KakTuz сказав: Кроме холодильника на той же линии висит микроволновка и эл. духовка. Кабель там 2,5мм2 тобто там будуть стояти 3 розетки з максимальною потужністю 16А, підключені кабелем 2.5 мм2, (який навантажений 2 квТ духовки + 1кВт мікроволновки + стартові токи холодильника) і все це захищено автоматом 20А? 26 хвилин тому, KakTuz сказав: в мокрых зонах никогда не будет 16А по всем потребителям я так і думав, що ви будете цим аргументувати, але, ІМХО, так не можна - в вас є щиток, і незалежно від того, що буде підключено на тому кінці кабелю - в щитку все повинно працювати. 27 хвилин тому, KakTuz сказав: чем из за перекоса или замыкания сгорит ТН или какой то станок ну так біля ТН та біля станків поставте собі 3фазне реле, та й все на тому. навіщо мати дискомфорт? Посилання на коментар Поділитися на інших сайтах More sharing options...
Energon Опубліковано: 26 січня 2024 Поділитись Опубліковано: 26 січня 2024 25 минут назад, KakTuz сказал: Кроме холодильника на той же линии висит микроволновка и эл. духовка. Кабель там 2,5мм2 Тоді навіщо там автомат 25А. Якщо кабель 2.5мм2 то тоді 16А беріть і ставте, якщо так об'єднали в лінію. У мене виходить розбивати так на групи 1. Окремо холодильник. Бо дуже люблять його пихати в невідключаєму лінію. Та і так обслуговувати окремо краще. 2. Мікрохвильовку можно садити на лінію з фартухом разом. Нормально і сердито. 3. Електрична духовка це теж окрема лінія. Є нормальні такі духовки 2.5-3.2кВт. 3 Посилання на коментар Поділитися на інших сайтах More sharing options...
KakTuz Опубліковано: 26 січня 2024 Автор Поділитись Опубліковано: 26 січня 2024 2 часа назад, shneider_vova сказал: тобто там будуть стояти 3 розетки з максимальною потужністю 16А, підключені кабелем 2.5 мм2, (який навантажений 2 квТ духовки + 1кВт мікроволновки + стартові токи холодильника) і все це захищено автоматом 20А? я так і думав, що ви будете цим аргументувати, але, ІМХО, так не можна - в вас є щиток, і незалежно від того, що буде підключено на тому кінці кабелю - в щитку все повинно працювати. ну так біля ТН та біля станків поставте собі 3фазне реле, та й все на тому. навіщо мати дискомфорт? Холодильник инверторный, нет там пусковых токов. 2,5мм достаточно для этих потребителей. В принципе можно через чердак дотянуть еще линию, если будет потребность. А что не будет работать? 16А контроллирует линию на возможное КЗ, фен на 2,2кВт, 10А ему маловато. У меня было что замкнуло 2 фазы на КПТ, на моей фазе было 290-340в. У людей повыгорала куча оборудования. И какое реле ставить в такой ситуации? Уж лучше посидеть без света, чем ловить "светомузыку" от 3х реле, каждое отключает свою фазу. Критические нагрузки будут запитаны от резерва, остальное подождет ремонта. Посилання на коментар Поділитися на інших сайтах More sharing options...
Leader9 Опубліковано: 26 січня 2024 Поділитись Опубліковано: 26 січня 2024 Контроль наличия 3-х фаз только для оборудования для которого єто критично. Реле напряжения на каждой фазе для защиты от перенапряжения. При перенапряжении на одной фазе ее отключит, а контроль 3-х фаз отключит свое оборудование.... Защита должна быть проста, достаточна и последовательна. Это как постройка файервола. Каждому правилу свое место и последовательность. так и здесь, каждая линия защищается от своей критиной угрозы и группирование по нарастающей Посилання на коментар Поділитися на інших сайтах More sharing options...
Energon Опубліковано: 26 січня 2024 Поділитись Опубліковано: 26 січня 2024 1 час назад, KakTuz сказал: Холодильник инверторный, нет там пусковых токов. 2,5мм достаточно для этих потребителей. В принципе можно через чердак дотянуть еще линию, если будет потребность. А что не будет работать? 16А контроллирует линию на возможное КЗ, фен на 2,2кВт, 10А ему маловато. У меня было что замкнуло 2 фазы на КПТ, на моей фазе было 290-340в. У людей повыгорала куча оборудования. И какое реле ставить в такой ситуации? Уж лучше посидеть без света, чем ловить "светомузыку" от 3х реле, каждое отключает свою фазу. Критические нагрузки будут запитаны от резерва, остальное подождет ремонта. Я б залишив місце, якщо звичайно ставити зараз не хочете для ПЗІП. Я думаю, пару років зараз і потому, дуже актуальне обладнання. Припустимо прямий удар блискавки в дім малоймовірний, а ось сміття в мережі чи імпульс після ударів орків в підстанцію дуже очевидний в тепершніх умовах. 2 Посилання на коментар Поділитися на інших сайтах More sharing options...
KakTuz Опубліковано: 27 січня 2024 Автор Поділитись Опубліковано: 27 січня 2024 (змінено) 12 часов назад, Energon сказал: Я б залишив місце, якщо звичайно ставити зараз не хочете для ПЗІП. Я думаю, пару років зараз і потому, дуже актуальне обладнання. Припустимо прямий удар блискавки в дім малоймовірний, а ось сміття в мережі чи імпульс після ударів орків в підстанцію дуже очевидний в тепершніх умовах. я думал разрядники поставить на столбе в промежуточном щитке, между счетчиком и вводом в дом. так кабель ввода будет защищен. Змінено 27 січня 2024 користувачем KakTuz Посилання на коментар Поділитися на інших сайтах More sharing options...
KakTuz Опубліковано: 27 січня 2024 Автор Поділитись Опубліковано: 27 січня 2024 (змінено) 13 часов назад, Leader9 сказал: Контроль наличия 3-х фаз только для оборудования для которого єто критично. Реле напряжения на каждой фазе для защиты от перенапряжения. При перенапряжении на одной фазе ее отключит, а контроль 3-х фаз отключит свое оборудование.... Защита должна быть проста, достаточна и последовательна. Это как постройка файервола. Каждому правилу свое место и последовательность. так и здесь, каждая линия защищается от своей критиной угрозы и группирование по нарастающей ну не знаю. самое критичное - ТН на нем отопление и ГВС, тут только отключение, резервировать не могу. Остальные критичные нагрузки на резерве, инвертер на 5,6Квт, генератор подпитки 2,5Квт и силовой генератор 5,5кВт. Конечно, не сложно добавить 3 реле напряжения на бытовые линии (одно на 40А у меня уже есть) и контактером отключать только 3Ф нагрузку ( кстати еще один не учтенный потребитель 3Ф - котел протерм в мастерской). Змінено 27 січня 2024 користувачем KakTuz Посилання на коментар Поділитися на інших сайтах More sharing options...
Телесистемы Опубліковано: 27 січня 2024 Поділитись Опубліковано: 27 січня 2024 13 часов назад, Energon сказал: Я б залишив місце, якщо звичайно ставити зараз не хочете для ПЗІП. Я думаю, пару років зараз і потому, дуже актуальне обладнання. Припустимо прямий удар блискавки в дім малоймовірний, а ось сміття в мережі чи імпульс після ударів орків в підстанцію дуже очевидний в тепершніх умовах. Тоді і щит монтувати і кабельні лінії прокладати згідно вимог встановлення ПЗІП по довжині з'єднувальних проводів та відстанні захищених проводів від незахищених, інакше користі від пристрою не буде.. Посилання на коментар Поділитися на інших сайтах More sharing options...
shneider_vova Опубліковано: 27 січня 2024 Поділитись Опубліковано: 27 січня 2024 2 години тому, KakTuz сказав: учтенный потребитель 3Ф - котел протерм в мастерской). Протерм точно не трехфазний - тобто підключення по 3 фазам, але котел працює навіть з одною фазою, яка живить мізки Посилання на коментар Поділитися на інших сайтах More sharing options...
KakTuz Опубліковано: 27 січня 2024 Автор Поділитись Опубліковано: 27 січня 2024 6 часов назад, Телесистемы сказал: Тоді і щит монтувати і кабельні лінії прокладати згідно вимог встановлення ПЗІП по довжині з'єднувальних проводів та відстанні захищених проводів від незахищених, інакше користі від пристрою не буде.. Це треба гугліти, чи підходить що є до того що треба. У мене повітрянної лінії від кпт нема. Посилання на коментар Поділитися на інших сайтах More sharing options...
KakTuz Опубліковано: 27 січня 2024 Автор Поділитись Опубліковано: 27 січня 2024 4 часа назад, shneider_vova сказал: Протерм точно не трехфазний - тобто підключення по 3 фазам, але котел працює навіть з одною фазою, яка живить мізки Так ще треба вгадати. Хоча в майстерні свій інвертор, можна підключити плату керування до постійної. Все, переконали, ставлю ще 3 однофазних реле напруги на однофазних споживачів, контактор на 3ф працюватиме. Посилання на коментар Поділитися на інших сайтах More sharing options...
volomoto Опубліковано: 28 січня 2024 Поділитись Опубліковано: 28 січня 2024 17 годин тому, KakTuz сказав: Так ще треба вгадати. Хоча в майстерні свій інвертор, можна підключити плату керування до постійної. Не треба нічого вгадувати, бо на вхідній клемній колодці чітко вийдно що куди йде і яка фаза живить мізки. Посилання на коментар Поділитися на інших сайтах More sharing options...
KakTuz Опубліковано: 7 лютого 2024 Автор Поділитись Опубліковано: 7 лютого 2024 Приехали Хагеровские автоматы. Сделано во Франции. Не ожидал. Остались сами щитки и мелочевка. И начну вспоминать юность, лабораторные по монтажу релейных шкафов, близко, только у нас и оборудование и требования были более "военные". Железная дорога. Посилання на коментар Поділитися на інших сайтах More sharing options...
KakTuz Опубліковано: 9 лютого 2024 Автор Поділитись Опубліковано: 9 лютого 2024 Начал собирать щиток. Не маленький получается. 1 1 Посилання на коментар Поділитися на інших сайтах More sharing options...
Рекомендовані повідомлення
Створіть акаунт або увійдіть у нього для коментування
Ви маєте бути користувачем, щоб залишити коментар
Створити акаунт
Зареєструйтеся для отримання акаунта. Це просто!
Зареєструвати акаунтУвійти
Вже зареєстровані? Увійдіть тут.
Увійти зараз