Polll Опубліковано: 22 лютого 2024 Поділитись Опубліковано: 22 лютого 2024 Усім вітання! Підключаю другий поверх, не вистачає потужності насосу котла. Опалення лише підлогове, радіаторів немає. Перший поверх - 7 контурів 480м, другий поверх - 7 контурів 480м. Труба рехау 17мм. Котел конденсаційний TeploWest КГД-К-20-С-М. Гребінка без вузла змішування (відповідно без насоса). 6 років опалювався лише перший поверх. Все норм. Але насос в котлі на 3 позиції і на розходомірах гребінки розхід потоків в межах +-1л. Де чуть більше 1.3, де 1.0 де 0.8. Відповідно другий поверх насос вже не стягне. Потрібно поставити додатковий. Прошу поради, як краще зробити. Варіант А - перша думка, яка прийшла, але два насоси послідовно це не добре. Варіант В - другий насос після котла і є байпас, щоб підтягувати додатковий потрібний об'єм води, з вентилем для балансування. Єдине не знаю як визначити, на скільки потрібно його відкрити. Теоретично відбалансувати потрібно буде лише раз. Мінус, що тепер з котла треба буде подавати теплоносій більшої температури (подавав 35-40 градусів, у сильні морози 45) Або ж робити вузли підмішування на кожній гребінці, але це і складніше і дорожче, тому не дуже хочу. Або можливо є ще варіанти чи зауваження. Посилання на коментар Поділитися на інших сайтах More sharing options...
murava Опубліковано: 22 лютого 2024 Поділитись Опубліковано: 22 лютого 2024 Поставте після котла гідрострілку, а після неї - насос, який закриє потребу на два поверхи 3 1 Посилання на коментар Поділитися на інших сайтах More sharing options...
volomoto Опубліковано: 22 лютого 2024 Поділитись Опубліковано: 22 лютого 2024 16 хвилин тому, Polll сказав: Все норм. Але насос в котлі на 3 позиції і на розходомірах гребінки розхід потоків в межах +-1л. Де чуть більше 1.3, де 1.0 де 0.8. Відповідно другий поверх насос вже не стягне. Потрібно поставити додатковий. Цікавий висновок, бо можливо у вас витратоміри просто відбалансовані згідно проекту, тобто сильно закриті, тому такий малий потік. У мене насос 15-60, приблизно така ж конфігураціія теплої підлоги і котловий насос без проблем прокачує обидва поверхи. 1 Посилання на коментар Поділитися на інших сайтах More sharing options...
Polll Опубліковано: 22 лютого 2024 Автор Поділитись Опубліковано: 22 лютого 2024 59 минут назад, volomoto сказал: Цікавий висновок, бо можливо у вас витратоміри просто відбалансовані згідно проекту, тобто сильно закриті, тому такий малий потік. У мене насос 15-60, приблизно така ж конфігураціія теплої підлоги і котловий насос без проблем прокачує обидва поверхи. Коли відкриваю котрийсь з витратомірів більше, то на інших розхід падає. Тому зробив висновок, що на більше не вистачає насосу. Посилання на коментар Поділитися на інших сайтах More sharing options...
volomoto Опубліковано: 22 лютого 2024 Поділитись Опубліковано: 22 лютого 2024 29 хвилин тому, Polll сказав: Коли відкриваю котрийсь з витратомірів більше, то на інших розхід падає. Тому зробив висновок, що на більше не вистачає насосу. Ви відкрийте всі і тоді подивіться на картину. Котловий насос на одному колекторі мав би дати як мінімум по 3 л/хв на контурах до 80м. Якщо цього не досягається, то значить по дорозі від котла до колекторів у вас є сильне завуження і треба ставити додатковий насос. Ще перевірте чи у вас часом не забився кутовий фільтр біля котла. 2 Посилання на коментар Поділитися на інших сайтах More sharing options...
Polll Опубліковано: 22 лютого 2024 Автор Поділитись Опубліковано: 22 лютого 2024 (змінено) 1 час назад, volomoto сказал: Ви відкрийте всі і тоді подивіться на картину. Котловий насос на одному колекторі мав би дати як мінімум по 3 л/хв на контурах до 80м. Якщо цього не досягається, то значить по дорозі від котла до колекторів у вас є сильне завуження і треба ставити додатковий насос. Ще перевірте чи у вас часом не забився кутовий фільтр біля котла. Фільтр відкрутив, трохи бруду там було, але особливо картину це не змінило. Закрутив фільтр, запустив котел, закуртив усі вентилі і відкрутив на повну. Майже усі розходоміри зупинились на чуть більше літр, до півтори. Один короткий контур 3л. Усі контури до 80м, є лише один 90 з чимось. Можливо затонка труба від котла до гребінки - мідна 22мм. Але з котла труба ніби не товстіша. Крани на гребінці норм, а от до котла якісь виглядають менші - виробник AW. Насос в котлі - Wilo RS 25/6-3. Змінено 22 лютого 2024 користувачем Polll Посилання на коментар Поділитися на інших сайтах More sharing options...
normal Опубліковано: 22 лютого 2024 Поділитись Опубліковано: 22 лютого 2024 Пробували закрити всі контури на першому і перевіряти пірометром як гріє другий незважаючи на покази витратомірів? Бо вони можуть і западати, можуть показувати 0.2л і гріти, як варіант спробувати відкрити 4 контури внизу і 4 зверху 1 Посилання на коментар Поділитися на інших сайтах More sharing options...
Dendnepr Опубліковано: 22 лютого 2024 Поділитись Опубліковано: 22 лютого 2024 может гдето пробочка воздушная. или пузырь воздушный подвис 1 Посилання на коментар Поділитися на інших сайтах More sharing options...
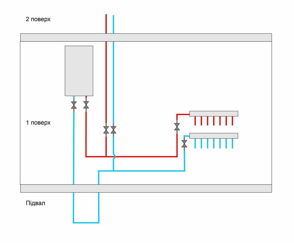
Polll Опубліковано: 22 лютого 2024 Автор Поділитись Опубліковано: 22 лютого 2024 (змінено) 51 минуту назад, normal сказал: Пробували закрити всі контури на першому і перевіряти пірометром як гріє другий незважаючи на покази витратомірів? Бо вони можуть і западати, можуть показувати 0.2л і гріти, як варіант спробувати відкрити 4 контури внизу і 4 зверху Другий поверх ще не запущений. Є лише виведені труби і десь в травні буду ставити гребінки і мотати теплі підлоги. Виходячи з того, що на першому поверсі напору вистачає в притик, то другий поверх насос точно не стягне. Така картина була відразу, як запустив систему. Навіть тут на форумі про це писав, але зійшлись на тому, що цього вистачає. Зими зимували норм, все працювало, 6 років питань не було. 44 минуты назад, Dendnepr сказал: может гдето пробочка воздушная. или пузырь воздушный подвис 6 років висить). Де його шукати? В котлі розповітрювач стоїть, на гребінках також. Коли закачували систему, прокачували малишом. Окремо кожен контур, і окремо коли усі контури закриті. Один раз тиск впав, підкачали один раз і все. Зараз працює ось по такій схемі. Котел в кухі, гребінки 2м збоку та нижче котла. Дві труби виведені на верх другого поверху, і перекриті кранами. Обратка заведена в підвал (на всякий випадок). При нагоді хочу котел перенести в підвал, бо все значно легше робити та обслуговувати потім (не розумів колись навіщо потрібна котельня, тепер розумію). В підвалі є можливість - висота 2,30. Розмір 3,2х4,75. Є вентиляція, є вікно. Єдине підвал сирий, бо передбачалось лише зберігання продзапасів і з тим все норм. Змінено 22 лютого 2024 користувачем Polll Посилання на коментар Поділитися на інших сайтах More sharing options...
murava Опубліковано: 22 лютого 2024 Поділитись Опубліковано: 22 лютого 2024 Стільки марних рухів, і для чого? Вже давно пораховано, що котлові насоси, особливо частотні, не так щоб прекрасно тягнуть підлоги. На то є купа причин, які описувати довго. Ставте гідрострілку і насос - і все буде добре 1 1 Посилання на коментар Поділитися на інших сайтах More sharing options...
Сергей 31 Опубліковано: 22 лютого 2024 Поділитись Опубліковано: 22 лютого 2024 Только что, murava сказал: Ставте гідрострілку і насос - і все буде добре +100. Старый, давно пройденый косяк системы. Гидрострелка!!! 1 1 Посилання на коментар Поділитися на інших сайтах More sharing options...
Polll Опубліковано: 22 лютого 2024 Автор Поділитись Опубліковано: 22 лютого 2024 2 часа назад, murava сказал: Стільки марних рухів, і для чого? Вже давно пораховано, що котлові насоси, особливо частотні, не так щоб прекрасно тягнуть підлоги. На то є купа причин, які описувати довго. Ставте гідрострілку і насос - і все буде добре Чому ж зайві. Фільтр почистив, вже добре. Це все прості дії, які не вимагали зусиль, але був шанс нащупати в чому проблема. Посилання на коментар Поділитися на інших сайтах More sharing options...
murava Опубліковано: 22 лютого 2024 Поділитись Опубліковано: 22 лютого 2024 Нащупали? 1 Посилання на коментар Поділитися на інших сайтах More sharing options...
Николай_serv Опубліковано: 22 лютого 2024 Поділитись Опубліковано: 22 лютого 2024 (змінено) ще можна насос глянути котловий - теж може вже не видавати паспортні характеристики. навіть знижена напруга може впливати.. а ще може байпас у котлі бути Змінено 22 лютого 2024 користувачем Николай_serv 1 Посилання на коментар Поділитися на інших сайтах More sharing options...
yoojin Опубліковано: 22 лютого 2024 Поділитись Опубліковано: 22 лютого 2024 Ну, дійсно, переробіть підключення ТП через гідрострілку. З останніх робіт: 24 конура ТП (2х12), майже півтора кілометра труби - все працює. 2 1 Посилання на коментар Поділитися на інших сайтах More sharing options...
Dendnepr Опубліковано: 23 лютого 2024 Поділитись Опубліковано: 23 лютого 2024 Можно поставить два насоса - каждый на свой этаж. Так можно настроить отдельное регулирование этажей. Или простым выключением насоса отключать/включать отопление одного из этажей 2 1 Посилання на коментар Поділитися на інших сайтах More sharing options...
Polll Опубліковано: 23 лютого 2024 Автор Поділитись Опубліковано: 23 лютого 2024 (змінено) 15 часов назад, Николай_serv сказал: ще можна насос глянути котловий - теж може вже не видавати паспортні характеристики. навіть знижена напруга може впливати.. а ще може байпас у котлі бути Напруга в мене буває завелика) Будинок близько до трансформатора, видзвонював на гарячу лінію, електрики приїжджали і казали, що 260 В це норма, а 280 В вночі і зранку це нічого страшного). Але два роки дзвінків результат дав, в якийсь момент стало 240 В... але скільки тепер в кінці лінії... +стоїть стабілізатор напруги безпосередньо біля котла. В котел до кінця опалювального сезону лізти поки не буду. Але коли переноситиму в підвал, то завезу, щоб зробили профілактику, то й глянуть, може там щось не так. Можливо дійсно в системі якесь сміття в трубі десь заштопорило. Там тої труби кілька метрів, коли перероблятиму систему, то можна буде підключити манометр і глянути. Напевне п. murava споглядатиме на це з висоти свого досвіду і посміюватись), але це потім мені вночі будитись і думати "а може там в трубі просто якась срань була"). І звичайно, що після того, як набавлюсь і результату не буде, то поставлю ще один насос і гідрострілку. 6 часов назад, Dendnepr сказал: Можно поставить два насоса - каждый на свой этаж. Так можно настроить отдельное регулирование этажей. Или простым выключением насоса отключать/включать отопление одного из этажей Це + ще один насос, що не дуже хочеться. Відключити опалення на другому поверсі можна відключивши допоміжний насос і перекривши кранами труби другого поверху. Змінено 23 лютого 2024 користувачем Polll 1 Посилання на коментар Поділитися на інших сайтах More sharing options...
murava Опубліковано: 23 лютого 2024 Поділитись Опубліковано: 23 лютого 2024 Пропоную подати на насос котла напругу в півтора раза більше і ретельно наполірувати труби від котла до гребінки + пропилососити котел Має допомогти. Ну не може не допомогти! 2 Посилання на коментар Поділитися на інших сайтах More sharing options...
Dendnepr Опубліковано: 23 лютого 2024 Поділитись Опубліковано: 23 лютого 2024 Температуру так неудобно регулировать - кранами. Часто второй этаж сам по себе холоднее первого (на первыом и кухня и топочная может быть, камин какой). Иногда бывает, что на первом этаже уже хватит топить, а на втором хочется еще. 2 1 Посилання на коментар Поділитися на інших сайтах More sharing options...
Polll Опубліковано: 23 лютого 2024 Автор Поділитись Опубліковано: 23 лютого 2024 1 час назад, murava сказал: Пропоную подати на насос котла напругу в півтора раза більше і ретельно наполірувати труби від котла до гребінки + пропилососити котел Має допомогти. Ну не може не допомогти! Сарказм - ознака пасивної агресії. Неприємна річ. Все буде добре). Не дратуйтесь) 1 Посилання на коментар Поділитися на інших сайтах More sharing options...
Polll Опубліковано: 23 лютого 2024 Автор Поділитись Опубліковано: 23 лютого 2024 (змінено) 2 часа назад, Dendnepr сказал: Температуру так неудобно регулировать - кранами. Часто второй этаж сам по себе холоднее первого (на первыом и кухня и топочная может быть, камин какой). Иногда бывает, что на первом этаже уже хватит топить, а на втором хочется еще. Може бути таке. На одному поверсі +- збалансовано, хоча деколи буває перекос по температурі, але не критично. А між поверхами перекос може бути ще більший. Між поверхами є утеплення 7см. Думаю, говорити потрібно не про два насоси на двох поверхах, а про термоголовки з сервоприводом, давачами і якось тим усім потрібно керувати. Щоб не розганятись на кожен контур, бо не потягну, то принаймні на поверх, щоб перекривати цілий колектор. Треба покурити це діло. Змінено 23 лютого 2024 користувачем Polll Посилання на коментар Поділитися на інших сайтах More sharing options...
Slash-UA Опубліковано: 27 серпня 2025 Поділитись Опубліковано: 27 серпня 2025 Цоколь+2 поверхи, на всіх поверхах своя Гребінка і контури до 70м. Між поверхами труба 25мм Сусід каже, навіщо на кожен контур насос окремий - став один) в потім такі теми читаю на форумі Насоси частотні реально прокачуютьдг малий об'єм при високому напорі. Для систем під один насос потрібно брати wilo maxo 30 чи щось подібно, а не оці всі дрібненькі yonos, stratos, atmos. Дрібні насоси для одного контура, імхо Посилання на коментар Поділитися на інших сайтах More sharing options...
Сергей 31 Опубліковано: 27 серпня 2025 Поділитись Опубліковано: 27 серпня 2025 Можно один насос на все этажи, так и насос на каждый коллектор. Все зависит от логики работы системы и ее управление. Для подбора насоса нужны разные циферки. Обычно все эти вопросы решаются ДО монтажа системы отопления. Посилання на коментар Поділитися на інших сайтах More sharing options...
murava Опубліковано: 28 серпня 2025 Поділитись Опубліковано: 28 серпня 2025 В 27.08.2025 в 08:24, Slash-UA сказал: Цоколь+2 поверхи, на всіх поверхах своя Гребінка і контури до 70м. Між поверхами труба 25мм Сусід каже, навіщо на кожен контур насос окремий - став один) в потім такі теми читаю на форумі Насоси частотні реально прокачуютьдг малий об'єм при високому напорі. Для систем під один насос потрібно брати wilo maxo 30 чи щось подібно, а не оці всі дрібненькі yonos, stratos, atmos. Дрібні насоси для одного контура, імхо А що заважає порахувати розхід і напірні величини для контура і прийняти рішення? 1 Посилання на коментар Поділитися на інших сайтах More sharing options...
Slash-UA Опубліковано: 29 серпня 2025 Поділитись Опубліковано: 29 серпня 2025 В 28.08.2025 в 13:39, murava сказал: А що заважає порахувати розхід і напірні величини для контура і прийняти рішення? Заважає недостатня кваліфікація, я все-таки не теплотехнік) Приблизно прикинув кількість теплоносія на 1квт при ∆t=5° і кількість всіх ✓90° і 45°. Подивився діаграми по насосам wilo на сайті виробника (там можна об'єм і прапор прописати і на графіку покаже умовну точку). І прийшов до висновку, або я неправильно рахую, або насоси типу 25/4 чи 25/6 слабкі для другого поверху в 70мкв якщо котельня в підвалі. + Якщо один насос, то він повинен мати дуже широкий діапазон модуляції потужності. Тепер по цифрам, щоб не голослівно По теплу 20квт ∆t=10 Q= 1.75 При ∆t=5, Q=3.5 m³/h Клапана термостатичні на 3 контура підлоги: підвал+2 поверхи. З урахуванням кранів, поворотів тощо. Який має бути напір, щоб другий поверх продавити? Я нарахував 5(5.4)м метрів. 1/3 об'єму сумарного (1 поверх) на такий напору може прокачати Stratos PICO 25/0,5-6, і то в режимі помпажа, тобто при напорі 5,4 він буде давити трохи більше, в якщо упреться по напорк, то об'єм не прокачає. І це на максимумі при умові ∆t 10°. A для 3.5м³ і 5.4м (максимальні по другому поверху) Stratos PICO 30/0,5-8 вже навіть не прокачає ( максимум 3м³ на 4м напору або 2.3 м³ на 5.4м). Тому і висновок, що один насос дуже не дешевий під ці параметри + від балансувати по поверхам і відповідний вузол змішування. Геморой, як на мене. Отже: 3 шт Stratos PICO 25/0,5-6 на кожен поверх в насосних групах НГ 46 termojet + колектор termojet. І то, є ризик, що не прокачає найвіддаленіший контур, тоді є в запасі Para MAXO 25-180-11-F02. Цікава думка спеціалістів, який один насос видасть 3.5м³ з напором 5-6м? Посилання на коментар Поділитися на інших сайтах More sharing options...
Рекомендовані повідомлення
Створіть акаунт або увійдіть у нього для коментування
Ви маєте бути користувачем, щоб залишити коментар
Створити акаунт
Зареєструйтеся для отримання акаунта. Це просто!
Зареєструвати акаунтУвійти
Вже зареєстровані? Увійдіть тут.
Увійти зараз