Vikctor Опубліковано: 3 грудня 2024 Поділитись Опубліковано: 3 грудня 2024 1 минуту назад, standov сказал: і? я не дуже розумію що саме тут не так ) так там 220 розетка на вихід, як в генератора. Не так тільки те, що виробник автівки не передбачив подібне застосування ВВБ і це сторонній прилад, який невідомо як може повпливати на електричне обладнання авто. Посилання на коментар Поділитися на інших сайтах More sharing options...
standov Опубліковано: 3 грудня 2024 Поділитись Опубліковано: 3 грудня 2024 (змінено) 9 минут назад, Vikctor сказал: Не так тільки те, що виробник автівки не передбачив подібне застосування ВВБ і це сторонній прилад, який невідомо як може повпливати на електричне обладнання авто. ну по перше наче з того почали, по друге я не знаю як воно комутується в конкретній реалізації, бо високовольтна батарея майже завжди відключена від машини, по трете як це відносить до того як називати цей інвертор? По четверте - а як може впливати на ДВЗ наприклад ГБО (достатньо херово), ми будемо не звертати уваги на факт того що сотні тисяч машин мають ГБО? Ще раз, я нікого ні за шо не агітую, я просто написав що дохера, як мінімум ліфів, перероблено під таку схему, а далі вже кожний сам собі вирішує і думає. Змінено 3 грудня 2024 користувачем standov Посилання на коментар Поділитися на інших сайтах More sharing options...
volomoto Опубліковано: 3 грудня 2024 Поділитись Опубліковано: 3 грудня 2024 (змінено) 19 хвилин тому, standov сказав: і? я не дуже розумію що саме тут не так ) так там 220 розетка на вихід, як в генератора. Рорзядник – це інвертор, який підключається до зарядного порта електромобіля, використовує обманку DC зарядки, щоб бмс замкнула реле і подала напругу батареї на порт. Змінено 3 грудня 2024 користувачем volomoto 4 Посилання на коментар Поділитися на інших сайтах More sharing options...
standov Опубліковано: 3 грудня 2024 Поділитись Опубліковано: 3 грудня 2024 1 минуту назад, volomoto сказал: Рорзядник – це інвертор, який підключається зарядного порта електромобіля, використовує обманку DC зарядки, щоб бмс замкнула реле і подала напругу батареї на порт. а ну це значить не він це натурально підключення до окремого ДС який роблять при перепакоці Посилання на коментар Поділитися на інших сайтах More sharing options...
Vikctor Опубліковано: 3 грудня 2024 Поділитись Опубліковано: 3 грудня 2024 3 минуты назад, standov сказал: ну по перше наче з того почали, по друге я не знаю як воно комутується в конкретній реалізації, бо високовольтна батарея майже завжди відключена від машини, по трете як це відносить до того як називати цей інвертор? По четверте - а як може впливати на ДВЗ наприклад ГБО (достатньо херово), ми будемо не звертати уваги на факт того що сотні тисяч машин мають ГБО? Ще раз, я нікого ні за шо не агітую, я просто написав що дохера, як мінімум ліфів, перероблено під аку схему, а далі вже кожний сам собі вирішує і думає. Стоп - про ГБО я вже не готовий дискутувати.) А загалом я теж накого ні на що не агітую. Я взагалі лишень написав, що те що ви чи інші володарі ліфів називають підходячим іннвертором, то володарі інших електричок без V2L називають розрядником. Різниця між приладами в тому, що у розрядника в корпусі є вбудовані розетки (європейського зразка або китайського) і вони рази в 2-3 дорожче. Посилання на коментар Поділитися на інших сайтах More sharing options...
standov Опубліковано: 3 грудня 2024 Поділитись Опубліковано: 3 грудня 2024 Только что, Vikctor сказал: то володарі інших електричок без V2L називають розрядником ну вже встановили що це не він ) тому і не дорожче мабуть Посилання на коментар Поділитися на інших сайтах More sharing options...
volomoto Опубліковано: 3 грудня 2024 Поділитись Опубліковано: 3 грудня 2024 5 хвилин тому, standov сказав: це натурально підключення до окремого ДС який роблять при перепакоці Що таке "окремий ДС"? Посилання на коментар Поділитися на інших сайтах More sharing options...
standov Опубліковано: 3 грудня 2024 Поділитись Опубліковано: 3 грудня 2024 Только что, volomoto сказал: Що таке "окремий ДС"? та я-ж написав вже, при перепаковці виводять під капот напряму від батареї і від цього порта потім живиться цей спецательний інвертор за 150 баксів. В цьому і проблема що треба вскривати батарею що у моєму випадку взагалі не варіант, тому роблять саме при перепаковці. Це все мова лише про ліфи (бо в мене ліф, тому цікавився) Посилання на коментар Поділитися на інших сайтах More sharing options...
volomoto Опубліковано: 3 грудня 2024 Поділитись Опубліковано: 3 грудня 2024 3 хвилини тому, standov сказав: та я-ж написав вже, при перепаковці виводять під капот напряму від батареї Тоді мова про окремий порт, а не якусь окрему ДС шину, яке створюється DC-DC перетворювачем. Шина та сама, тобто батарея, просто окремий порт, який таки йде в обхід всіх захистів. Посилання на коментар Поділитися на інших сайтах More sharing options...
standov Опубліковано: 3 грудня 2024 Поділитись Опубліковано: 3 грудня 2024 1 минуту назад, volomoto сказал: Тоді мова про окремий порт, а не якусь окрему ДС шину, яке створюється DC-DC перетворювачем. Шина та сама, тобто батарея, просто окремий порт, який таки йде в обхід всіх захистів. ДС порт, я так і написав Стосовно в обхід чого він іде я не можу стверджувати, бо не вивчав глибше. ПС про які ДС-ДС перетворення в даному випадку мова? Там жеж нема ніяких перетворень на скільки розумію, всі перетворення робить саме швидка зарядна станція а не машина, машина просто каже напругу і обмеження струму, можу помилятися але вважав завжди саме так. Посилання на коментар Поділитися на інших сайтах More sharing options...
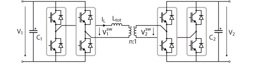
volomoto Опубліковано: 3 грудня 2024 Поділитись Опубліковано: 3 грудня 2024 2 хвилини тому, standov сказав: ДС порт, я так і написав Та ні, не було слова "порт" тут: 20 хвилин тому, standov сказав: а ну це значить не він це натурально підключення до окремого ДС який роблять при перепакоці тому я і перепитав 3 хвилини тому, standov сказав: ПС про які ДС-ДС перетворення в даному випадку мова? Мова про V2H та V2G, де між батарею та власне інвертором, який нарізає синус, стоїть ще додатковий перетворювач з гальванічною розв'язкою, типу такого: Тоді вже не треба розділюючого трансформатора ззовні. DC зарядка відбувається так як ви описали, але ми не про неї. 1 Посилання на коментар Поділитися на інших сайтах More sharing options...
standov Опубліковано: 3 грудня 2024 Поділитись Опубліковано: 3 грудня 2024 (змінено) 7 минут назад, volomoto сказал: Та ні, не було слова "порт" тут: та це вже-ж якесь чи не п'яте повідомлення про це, в першому я написав про напряму від батареї виводять, крім того "до окремого"(він, "порт" не вона "шина") 7 минут назад, volomoto сказал: DC зарядка відбувається так як ви описали, але ми не про неї. та я саме про те куди воно вмикається в машині, де нема "рідного" V2*, там за великим рахунком не потрібні ніякі захисти окрім перегріву та КЗ, бо це ж не заряд а розряд, причому ще і відносно невеликий, бо 2-3квт чи шось типу того. Я майже впевнений що як мінімум по КЗ захист залишається бо він в самій батареї дубльований, по перегріву - хз, це треба вивчати якщо колись до того дійде (сподіваюся що ні) Змінено 3 грудня 2024 користувачем standov Посилання на коментар Поділитися на інших сайтах More sharing options...
volomoto Опубліковано: 3 грудня 2024 Поділитись Опубліковано: 3 грудня 2024 1 хвилину тому, standov сказав: там за великим рахунком не потрібні ніякі захисти окрім перегріву та КЗ, бо це ж не заряд а розряд Якби ж то. Там є моніторинг опору ізоляції, моніторинг витоку струму через зарядні порти. Посилання на коментар Поділитися на інших сайтах More sharing options...
standov Опубліковано: 3 грудня 2024 Поділитись Опубліковано: 3 грудня 2024 Только что, volomoto сказал: Якби ж то. Там є моніторинг опору ізоляції, моніторинг витоку струму через зарядні порти. ну опір ізоляції нікуди не дівається, при включенні машини діагностика зробить, витік через *зарядні* порти так само. Питання глибокого разряду залишається мабуть, тобто натурально то банка яка в штатному варіанті і так електрично відключена від машини, що відбувається і как розрулюється варіант коли машина включиться то я хз ) я все-ж сподіваюся що це якийсь варіант врізання в залишки штатного v2l який там на папері передбачений Посилання на коментар Поділитися на інших сайтах More sharing options...
standov Опубліковано: 3 грудня 2024 Поділитись Опубліковано: 3 грудня 2024 тобто моя думка що схема коли декілька сонячних інверторів працює на один АКБ в хаті то варіант норми а машина то якась така сакральна штука яка має якісь інші принципи побудови ) Посилання на коментар Поділитися на інших сайтах More sharing options...
4587derek Опубліковано: 3 грудня 2024 Поділитись Опубліковано: 3 грудня 2024 Інвертори які висять на стіні, мають в кожному перетворювачі трансформатор, який гальванічної розв'язує кожен каскад того перетворювача. Тема почалася, з того що відключається машина, коли з неї заживлюють GEN вхід інвертора. Ми не знаємо яка схема інвертора, і чи є там окремий перетворювач, чи воно той ГЕН вхід комутує прямо на вихід, чи прямо на вхід . Тому оптимально або виділити якусь окрему двоароводну лінію, чи частину мережі, яка буде на момент резервування від автомобіля, гальванічної ізольована від заземлення. Або використати трансформатор 220/200 для гальванічної розв'язки. 1 Посилання на коментар Поділитися на інших сайтах More sharing options...
4587derek Опубліковано: 3 грудня 2024 Поділитись Опубліковано: 3 грудня 2024 Щось типу такого www.olx.ua/d/uk/obyavlenie/rozdlniy-transformator-IDVwdfB.html Посилання на коментар Поділитися на інших сайтах More sharing options...
4587derek Опубліковано: 3 грудня 2024 Поділитись Опубліковано: 3 грудня 2024 Або такий www.olx.ua/d/uk/obyavlenie/rozdlniy-transformator-IDTXjOt.html , це перше що знайшов Посилання на коментар Поділитися на інших сайтах More sharing options...
beavis Опубліковано: 3 грудня 2024 Автор Поділитись Опубліковано: 3 грудня 2024 (змінено) 4 години тому, 4587derek сказав: Щось типу такого www.olx.ua/d/uk/obyavlenie/rozdlniy-transformator-IDVwdfB.html Цей всього на 1000 VA 4 години тому, 4587derek сказав: Або такий www.olx.ua/d/uk/obyavlenie/rozdlniy-transformator-IDTXjOt.html , це перше що знайшов Ця ціну скласти не може, а на мою пропозицію впала на мороз. Знайшов ще один на 1.5 квт, і заодно спитав у Харьківських чуваків почом вони зроблять на чесних 2 квт, бо їхні 3.5 квт за 9+ тис то дофіга. На крайняк візьму той на 1,5 квт, шоб хоч шось було. Змінено 3 грудня 2024 користувачем beavis Посилання на коментар Поділитися на інших сайтах More sharing options...
beavis Опубліковано: 4 грудня 2024 Автор Поділитись Опубліковано: 4 грудня 2024 14 годин тому, beavis сказав: Знайшов ще один на 1.5 квт, і заодно спитав у Харьківських чуваків почом вони зроблять на чесних 2 квт, бо їхні 3.5 квт за 9+ тис то дофіга. На крайняк візьму той на 1,5 квт, шоб хоч шось було. Коротше Харків написав 8тис за 2вт... Замовив на олх на 1.5квт, теж тої самої харківської контори. Най буде хоч якийсь на крайній випадок. 1 Посилання на коментар Поділитися на інших сайтах More sharing options...
volomoto Опубліковано: 4 грудня 2024 Поділитись Опубліковано: 4 грудня 2024 28 хвилин тому, beavis сказав: Замовив на олх на 1.5квт, теж тої самої харківської контори. Най буде хоч якийсь на крайній випадок. Заодно і потестуєте меншим коштом чи це дійсно вирішує проблему. Бо я тут теоретизую і не можу бути 100% впевнений, що корінь проблеми саме там, тому не варто відразу сильно вкладатися в трансформатор. 2 Посилання на коментар Поділитися на інших сайтах More sharing options...
volomoto Опубліковано: 4 грудня 2024 Поділитись Опубліковано: 4 грудня 2024 20 годин тому, standov сказав: тобто моя думка що схема коли декілька сонячних інверторів працює на один АКБ в хаті то варіант норми а машина то якась така сакральна штука яка має якісь інші принципи побудови ) Вона не сакральна, а просто високовольтна, тому більше небезпечна. Якщо взяти типову акб в хаті, то навіть якщо один полюс заземлити і взятись за інший, то нічого не буде. З ВВ батареєю це вже не проканає, тому і є весь той захист, щоб батарея завжди була ізольованою. 20 годин тому, standov сказав: ну опір ізоляції нікуди не дівається, при включенні машини діагностика зробить, витік через *зарядні* порти так само. Питання глибокого разряду залишається мабуть, тобто натурально то банка яка в штатному варіанті і так електрично відключена від машини, що відбувається і как розрулюється варіант коли машина включиться то я хз ) я все-ж сподіваюся що це якийсь варіант врізання в залишки штатного v2l який там на папері передбачений Тут все залежить куди підключатись зі своїм інвертором. Типово реле, яке відключає батарею при якійсь аварії, є всередині самої батареї. Звідти типово виходять три кабелі: 1. Для швидкої DC зарядки. 2. До модуля AC зарядки. 3. До інвертора двигуна. Спочатку реле відключені, а бмс живиться від низьковольтної акб. Тоді бмс міряє витік на корпус і тим самим визначає, чи є порушення ізоляції між банками та корпусом машини. Потім бмс міряє опір ізоляції на кожному з кабелів і якщо все ок то замикає відповідні реле. Також є вимірювання дифструми на кожному кабелі, тому якщо при підключені до швидкої ДС зарядки є витік, то дифструм буде не нульовим і спрацює захист. Якщо щось підключити після тих реле (наприклад до штатного V2L роз'єма), то звичайно що всі захисти залишаться, але якщо підключились напряму до батареї в обхід захисних реле, то звичайно це дуже погано. 2 Посилання на коментар Поділитися на інших сайтах More sharing options...
standov Опубліковано: 4 грудня 2024 Поділитись Опубліковано: 4 грудня 2024 3 минуты назад, volomoto сказал: Якщо взяти типову акб в хаті, то навіть якщо один полюс заземлити і взятись за інший, то нічого не буде ну технічно 45-50в це вже буде, зрозуміло що це неспівставно з 300-400 але казати що "нічого не буде" це не корректно і братися точно не варто ) Але-ж є системи і високовольтні в хатах 16 минут назад, volomoto сказал: Тут все залежить куди підключатись зі своїм інвертором. 16 минут назад, volomoto сказал: Якщо щось підключити після тих реле (наприклад до штатного V2L роз'єма) ну от про те і мова, я не вивчав що воно як, мій внутрішній оптиміст хоче думати що там є якісь підготовки під v2l але звісно все може бути і не так. В будь-якому випадку мені то не світить, бо навіть монтажник відговорив від ідеї лізти в заводську батарею просто заради цього, хоче наче як його гроші. Штатну v2l я може би і подумав поставити, але її ніде окрім інструкції до машини ніхто мабуть і не бачив. 1 Посилання на коментар Поділитися на інших сайтах More sharing options...
volomoto Опубліковано: 4 грудня 2024 Поділитись Опубліковано: 4 грудня 2024 1 годину тому, standov сказав: Але-ж є системи і високовольтні в хатах Є такі по хатах і там точно такий самий захист, як і в машині, тому мозок бмс там коштує 800 баксів, якщо говорити про Деє, Дайнес чи Пілонтеч. 1 Посилання на коментар Поділитися на інших сайтах More sharing options...
standov Опубліковано: 4 грудня 2024 Поділитись Опубліковано: 4 грудня 2024 14 минут назад, volomoto сказал: Є такі по хатах і там точно такий самий захист, як і в машині, тому мозок бмс там коштує 800 баксів, якщо говорити про Деє, Дайнес чи Пілонтеч. це все зрозуміло. я про то що це така сама гражданська техніка а не шось таке чого варто не чіпати бо варто не чіпати ніколи. 1 Посилання на коментар Поділитися на інших сайтах More sharing options...
Рекомендовані повідомлення
Створіть акаунт або увійдіть у нього для коментування
Ви маєте бути користувачем, щоб залишити коментар
Створити акаунт
Зареєструйтеся для отримання акаунта. Це просто!
Зареєструвати акаунтУвійти
Вже зареєстровані? Увійдіть тут.
Увійти зараз