Сергей 31 Опубліковано: 12 листопада 2020 Автор Поділитись Опубліковано: 12 листопада 2020 Сегодня просто так наснимал. 4 Посилання на коментар Поділитися на інших сайтах More sharing options...
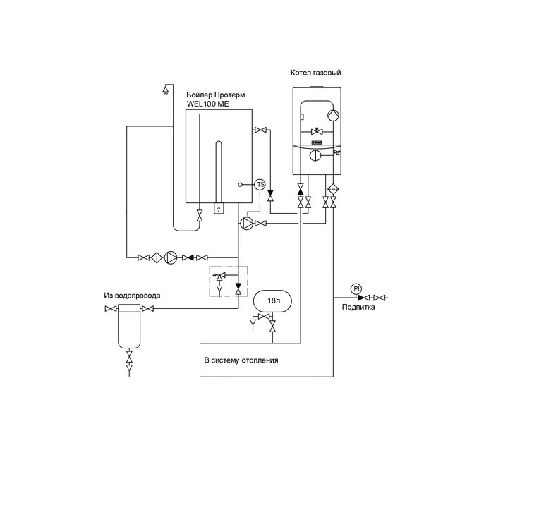
Сергей 31 Опубліковано: 17 листопада 2020 Автор Поділитись Опубліковано: 17 листопада 2020 Новый набор от Протерма. Пакет: двухконтурный котел, насосная группа, бойлер (не косвеник), бойлер без теплообменника одна дополнительная дырка сбоку и резьба под погружную гильзу. Работает с двухконтурником, по докам обещают 25л/мин. Посилання на коментар Поділитися на інших сайтах More sharing options...
naupv Опубліковано: 17 листопада 2020 Поділитись Опубліковано: 17 листопада 2020 Будешь собирать, там не предусмотрена работа по ГВС без этого кудесного бойлера. Не забудь предусмотреть байпас, отключающий бойлер. Посилання на коментар Поділитися на інших сайтах More sharing options...
Сергей 31 Опубліковано: 17 листопада 2020 Автор Поділитись Опубліковано: 17 листопада 2020 Не забудь предусмотреть байпас, отключающий бойлер. Не вижу смысла в байпасе. 1 Посилання на коментар Поділитися на інших сайтах More sharing options...
Fuzik Опубліковано: 18 листопада 2020 Поділитись Опубліковано: 18 листопада 2020 Новый набор от Протерма. Пакет: двухконтурный котел, насосная группа, бойлер (не косвеник), бойлер без теплообменника одна дополнительная дырка сбоку и резьба под погружную гильзу. Работает с двухконтурником, по докам обещают 25л/мин. Протерм читал тему " двухконтурник с бойлером" на этом форуме? И решили сделать готовый набор что бы мы не мучались Посилання на коментар Поділитися на інших сайтах More sharing options...
yoojin Опубліковано: 18 листопада 2020 Поділитись Опубліковано: 18 листопада 2020 Новый набор от Протерма. Пакет: двухконтурный котел, насосная группа, бойлер (не косвеник), бойлер без теплообменника одна дополнительная дырка сбоку и резьба под погружную гильзу. Работает с двухконтурником, по докам обещают 25л/мин. О, такой на 150 литров и у меня уже стоит на складе. Добавлено через 3 минуты Не вижу смысла в байпасе. Думаю, байпас здесь нужен. Если бойлер навернулся и надо получать ГВС только с помощью котла. P.S. Валерий Николаевич и такую мелочь рисует? 2 Посилання на коментар Поділитися на інших сайтах More sharing options...
Сергей 31 Опубліковано: 18 листопада 2020 Автор Поділитись Опубліковано: 18 листопада 2020 Думаю, байпас здесь нужен. Если бойлер навернулся и надо получать ГВС только с помощью котла. Стенка бака проржаевет? Это же просто пустая бочка, внутри пусто. Посилання на коментар Поділитися на інших сайтах More sharing options...
yoojin Опубліковано: 18 листопада 2020 Поділитись Опубліковано: 18 листопада 2020 Стенка бака проржаевет? Это же просто пустая бочка, внутри пусто. Да все что угодно. Два тройника с кранами по карману не ударят. Посилання на коментар Поділитися на інших сайтах More sharing options...
naupv Опубліковано: 18 листопада 2020 Поділитись Опубліковано: 18 листопада 2020 Да все что угодно. Два тройника с кранами по карману не ударят. Насос, например, загрузочный навернется, термостат бойлера и манда ГВС. Серега еще не вкурил. Будет собирать, сам "допетрает" по ходу. https://www.stroimdom.com.ua/forum/album.php?albumid=7909 1 Посилання на коментар Поділитися на інших сайтах More sharing options...
blacktigra Опубліковано: 18 листопада 2020 Поділитись Опубліковано: 18 листопада 2020 А сколько, если не секрет, такая трахомудия стоит со всеми насосами и шлангочками? Посилання на коментар Поділитися на інших сайтах More sharing options...
yoojin Опубліковано: 18 листопада 2020 Поділитись Опубліковано: 18 листопада 2020 А сколько, если не секрет, такая трахомудия стоит со всеми насосами и шлангочками? 150-ка с насосной группой 25 кгрн в розницу. 1 Посилання на коментар Поділитися на інших сайтах More sharing options...
siscom Опубліковано: 19 листопада 2020 Поділитись Опубліковано: 19 листопада 2020 Насос, например, загрузочный навернется, термостат бойлера и манда ГВС. Серега еще не вкурил. Будет собирать, сам "допетрает" по ходу. https://www.stroimdom.com.ua/forum/album.php?albumid=7909 Серега долго разжигает, но быстро вкуривает.))) Посилання на коментар Поділитися на інших сайтах More sharing options...
blacktigra Опубліковано: 19 листопада 2020 Поділитись Опубліковано: 19 листопада 2020 150-ка с насосной группой 25 кгрн в розницу. Получается, что с точки зрения здравого смысла толку от установки такой приблуды по сравнению с обычным электрическим бойлером ровно никакого. 1 Посилання на коментар Поділитися на інших сайтах More sharing options...
4587derek Опубліковано: 19 листопада 2020 Поділитись Опубліковано: 19 листопада 2020 ещё в болерах горенье, есть третье отверстие в макушке бака, там анод магниевый установлен. но приладив тройник, можно его использовать. 1 Посилання на коментар Поділитися на інших сайтах More sharing options...
Сергей 31 Опубліковано: 24 листопада 2020 Автор Поділитись Опубліковано: 24 листопада 2020 Сегодня котеленка пустилась. 5 Посилання на коментар Поділитися на інших сайтах More sharing options...
B.S.V. Опубліковано: 24 листопада 2020 Поділитись Опубліковано: 24 листопада 2020 Фильтр забыли, а так супер. Посилання на коментар Поділитися на інших сайтах More sharing options...
Сергей 31 Опубліковано: 24 листопада 2020 Автор Поділитись Опубліковано: 24 листопада 2020 Фильтр забыли, а так супер. Там гидрострелка от майбаса со шламотводчиками и.т.д. Гарантийка от Ромы, а он при гидрострелке на фильтрах не настаивает. Посилання на коментар Поділитися на інших сайтах More sharing options...
Игорь&Ира Опубліковано: 24 листопада 2020 Поділитись Опубліковано: 24 листопада 2020 Сегодня котеленка пустилась. Интересно, какой бюджет по оборудованию и материалам? Посилання на коментар Поділитися на інших сайтах More sharing options...
Сергей 31 Опубліковано: 24 листопада 2020 Автор Поділитись Опубліковано: 24 листопада 2020 Интересно, какой бюджет по оборудованию и материалам? По этой котельной котлы, бойлер, автоматику и майбас заказчил покупал самостоятельно. Я брал медь и мелочевку (бачки, нанос и.т.д.) 24 тыс грн. Если интересно то таких котельных хватает, могу глянуть. Посилання на коментар Поділитися на інших сайтах More sharing options...
FTR Опубліковано: 24 листопада 2020 Поділитись Опубліковано: 24 листопада 2020 Ищу монтажников на объект г.Львов. Монтаж материалами Рехау. Вода, канализация, тёплый пол. PS монтажников, а не продавцов. Посилання на коментар Поділитися на інших сайтах More sharing options...
Игорь&Ира Опубліковано: 24 листопада 2020 Поділитись Опубліковано: 24 листопада 2020 Если интересно то таких котельных хватает, могу глянуть. Да хотя бы приблизительно. Посилання на коментар Поділитися на інших сайтах More sharing options...
Сергей 31 Опубліковано: 26 листопада 2020 Автор Поділитись Опубліковано: 26 листопада 2020 Рабочие будни. 2 Посилання на коментар Поділитися на інших сайтах More sharing options...
siscom Опубліковано: 1 грудня 2020 Поділитись Опубліковано: 1 грудня 2020 Сегодня котеленка пустилась. Симпатично. А у нас вчера вот такое привидилось.))) Крутые ребята горные срантехники.))) p.s. если что, гребенка прямо с расходомерами и насосом это рад отопление.))) 1 Посилання на коментар Поділитися на інших сайтах More sharing options...
ZNAHAR Опубліковано: 4 грудня 2020 Поділитись Опубліковано: 4 грудня 2020 Серега B.S.V. мне пасочьки подогнал, спасибо. Котел мой. Может и такие пригодятся?https://www.stroimdom.com.ua/forum/attachment.php?attachmentid=707565&stc=1&d=1607121763 1 Посилання на коментар Поділитися на інших сайтах More sharing options...
Сергей 31 Опубліковано: 4 грудня 2020 Автор Поділитись Опубліковано: 4 грудня 2020 Может и такие пригодятся?https://www.stroimdom.com.ua/forum/attachment.php?attachmentid=707565&stc=1&d=1607121763 Не, не пригодится. Посилання на коментар Поділитися на інших сайтах More sharing options...
Рекомендовані повідомлення
Створіть акаунт або увійдіть у нього для коментування
Ви маєте бути користувачем, щоб залишити коментар
Створити акаунт
Зареєструйтеся для отримання акаунта. Це просто!
Зареєструвати акаунтУвійти
Вже зареєстровані? Увійдіть тут.
Увійти зараз