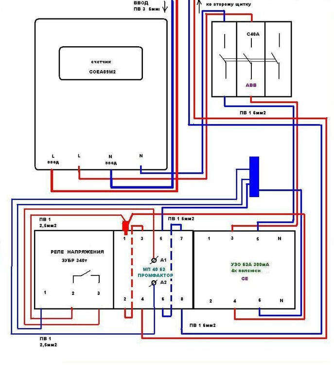
zmiey Опубліковано: 22 червня 2011 Автор Поділитись Опубліковано: 22 червня 2011 Пока ответвление и ввод не поменяете, не вздумайте ставить вводной автомат С40!Ну вот те на.......... А я сегодня уже собрал первый щиток вот так!!! И как теперь быть ????%) Посилання на коментар Поділитися на інших сайтах More sharing options...
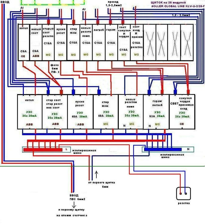
zmiey Опубліковано: 22 червня 2011 Автор Поділитись Опубліковано: 22 червня 2011 Второй щиток думаю так: Посилання на коментар Поділитися на інших сайтах More sharing options...
snickers Опубліковано: 22 червня 2011 Поділитись Опубліковано: 22 червня 2011 Двухполюсную шину поставили бы на УЗО, а на шины в щитке вывели нули после УЗО. Посилання на коментар Поділитися на інших сайтах More sharing options...
zmiey Опубліковано: 23 червня 2011 Автор Поділитись Опубліковано: 23 червня 2011 Не совсем понял?? Двухполюсную шину поставили бы на УЗО Двухполюсную шину ставлю на фазу и ноль на входе УЗО (у меня на рисунке, это снизу) а на шины в щитке вывели нули после УЗОЭто как ??? Нули объединять???? Посилання на коментар Поділитися на інших сайтах More sharing options...
zmiey Опубліковано: 23 червня 2011 Автор Поділитись Опубліковано: 23 червня 2011 Проверил первый щиток! Всё работает и Зубр (200-250В), и контактор, и УЗО, от кнопки Тест срабатывает!!!!! Начинаю второй щиток собирать. Посилання на коментар Поділитися на інших сайтах More sharing options...
sanykrimea Опубліковано: 23 червня 2011 Поділитись Опубліковано: 23 червня 2011 Проверил первый щиток! Всё работает и Зубр (200-250В), Поздравляю! А откуда пределы 200-250В Зубра взяли? 1 Посилання на коментар Поділитися на інших сайтах More sharing options...
zmiey Опубліковано: 23 червня 2011 Автор Поділитись Опубліковано: 23 червня 2011 Да пока просто так выставил, а как надо??? У меня сейчас 230В, ночью бывает до 240-250В доходит! Посилання на коментар Поділитися на інших сайтах More sharing options...
sanykrimea Опубліковано: 23 червня 2011 Поділитись Опубліковано: 23 червня 2011 Да пока просто так вставил, а как надо??? У меня сейчас 230В, ночью бывает до 240-250В доходит! Лихо. Под нагрузкой измеряли? Вообще-то максимально допустимое отклонение напряжения ± 10%, то бишь 198 - 242В, под него рассчитываются приборы на 220В. Посилання на коментар Поділитися на інших сайтах More sharing options...
zmiey Опубліковано: 23 червня 2011 Автор Поділитись Опубліковано: 23 червня 2011 Без нагрузки! Так что делать???? Посилання на коментар Поділитися на інших сайтах More sharing options...
sanykrimea Опубліковано: 23 червня 2011 Поділитись Опубліковано: 23 червня 2011 Без нагрузки! Так что делать???? На выводах лампочки измеряйте. Если выше 242 В - то подстраивайтесь под вернюю границу, но электроника на 220В может вылететь (хоть там и свой стабилизатор есть), на 230В должна выдержать 253В 1 Посилання на коментар Поділитися на інших сайтах More sharing options...
zmiey Опубліковано: 23 червня 2011 Автор Поділитись Опубліковано: 23 червня 2011 Не вздумайте делать отдельную фазную шину!Почему??? В комплекте щитка Мёллер идет изолированная шина, подпишу её что это фазная, легче будет отключить группу если что.... Пока ответвление и ввод не поменяете, не вздумайте ставить вводной автомат С40!Тоже не пойму, причем ввод к автомату??? Посилання на коментар Поділитися на інших сайтах More sharing options...
zmiey Опубліковано: 24 червня 2011 Автор Поділитись Опубліковано: 24 червня 2011 Возникла проблема, расстояние между торцами модулей 40мм, провод ПВ-1 6мм, так не выгну, что делать?? Посилання на коментар Поділитися на інших сайтах More sharing options...
sanykrimea Опубліковано: 24 червня 2011 Поділитись Опубліковано: 24 червня 2011 ПВ3 берите. Посилання на коментар Поділитися на інших сайтах More sharing options...
zmiey Опубліковано: 24 червня 2011 Автор Поділитись Опубліковано: 24 червня 2011 А может лучше ПВ4??? Посилання на коментар Поділитися на інших сайтах More sharing options...
zmiey Опубліковано: 25 червня 2011 Автор Поділитись Опубліковано: 25 червня 2011 ПВ4 -ЭТО ПОВЫШЕННОЙ ГИБКОСТИ ??? ИЛИ Я ОШИБАЮСЬ??? Поеду сейчас покупать, тоже ж 6 мм2 брать? Посилання на коментар Поділитися на інших сайтах More sharing options...
sanykrimea Опубліковано: 25 червня 2011 Поділитись Опубліковано: 25 червня 2011 ПВ4 -ЭТО ПОВЫШЕННОЙ ГИБКОСТИ ??? ИЛИ Я ОШИБАЮСЬ??? Повышенной - 4-5 класс жилы, в жиле больше проволок. Для щитка особой разницы нет, что ПВ3, что ПВ4. Поеду сейчас покупать, тоже ж 6 мм2 брать? Тоже. Посилання на коментар Поділитися на інших сайтах More sharing options...
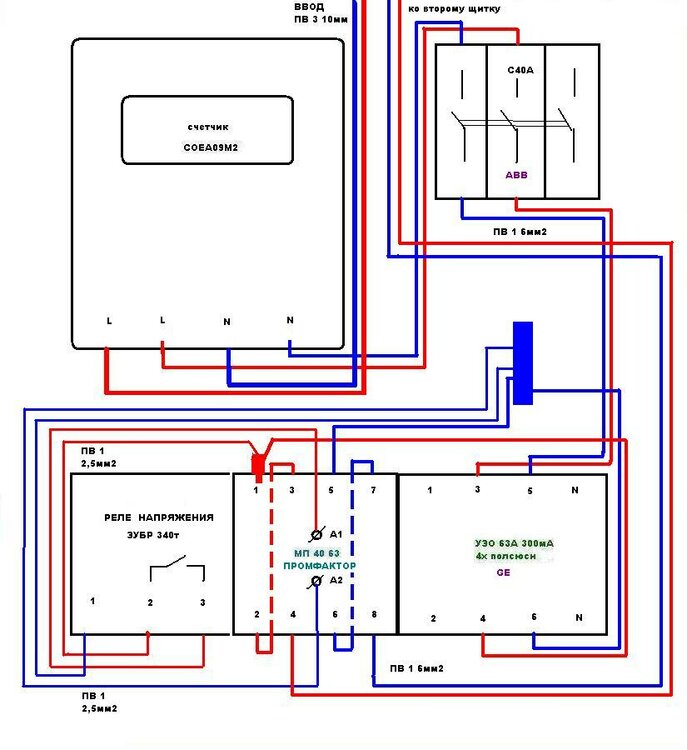
zmiey Опубліковано: 26 червня 2011 Автор Поділитись Опубліковано: 26 червня 2011 Собрал таки....... Добил таки их................., сегодня закончил сборку второго щитка! От первого варианта мало что осталось.... Подключил, всё работает пока...., хотя целый день дождь, думал УЗО начнут срабатывать, сыро, , а нет, все нормально хотя помучатся пришлось..... гладко было на бумаге..... .....Напряжение вот только в сети смущает..........сейчас.... 242В! Вот окончательные варианты щитков. Всем огромное спасибо за советы Теперь займемся вводом и заземлением... покой нам только снится Посилання на коментар Поділитися на інших сайтах More sharing options...
Nikalya Опубліковано: 26 червня 2011 Поділитись Опубліковано: 26 червня 2011 кстати, нашли УЗО тип А? Посилання на коментар Поділитися на інших сайтах More sharing options...
zmiey Опубліковано: 26 червня 2011 Автор Поділитись Опубліковано: 26 червня 2011 Нет, все тип АС. Посилання на коментар Поділитися на інших сайтах More sharing options...
zmiey Опубліковано: 28 червня 2011 Автор Поділитись Опубліковано: 28 червня 2011 Есть несколько таких реле (на фото чуть другое, у меня D6DQ ) посоветуйте куда и для чего их можно применить в частном доме, пока щитком занимаюсь........ ????? С первыми двумя режимами ясно, (Е) - задержка включения ® - задержка отключения а вот не совсем ясно что за режимы: (Wu) - ждущий мультивибратор (Bp) - генератор импульсов что с их помощью можно сделать?? спасибо!D6DQ.doc Посилання на коментар Поділитися на інших сайтах More sharing options...
engeneer Опубліковано: 28 червня 2011 Поділитись Опубліковано: 28 червня 2011 а вот не совсем ясно что за режимы: (Wu) - ждущий мультивибратор (Bp) - генератор импульсов Ждущий мультивибратор (одновибратор) формирует имульс заданной длительности. По сути, разновидность реле времени. Например, включаете свет звонковой кнопкой, а через минуту он автоматически отключается. Генератор импульсов можно применить, разве что, для переключения гирлянд или включения аварийной сирены и мигалки. 1 Посилання на коментар Поділитися на інших сайтах More sharing options...
zmiey Опубліковано: 28 червня 2011 Автор Поділитись Опубліковано: 28 червня 2011 Ну по моему для этого режим: ® - задержка отключения Посилання на коментар Поділитися на інших сайтах More sharing options...
engeneer Опубліковано: 28 червня 2011 Поділитись Опубліковано: 28 червня 2011 Ну по моему для этого режим: ® - задержка отключения Насколько понимаю, это то же самое, только в профиль ;) Посилання на коментар Поділитися на інших сайтах More sharing options...
zmiey Опубліковано: 28 червня 2011 Автор Поділитись Опубліковано: 28 червня 2011 Да нет, два одинаковых режима? Не может быть! Посилання на коментар Поділитися на інших сайтах More sharing options...
Privet Опубліковано: 28 червня 2011 Поділитись Опубліковано: 28 червня 2011 А щиток ввода - для монтажа на улице - ? Посилання на коментар Поділитися на інших сайтах More sharing options...
Рекомендовані повідомлення
Створіть акаунт або увійдіть у нього для коментування
Ви маєте бути користувачем, щоб залишити коментар
Створити акаунт
Зареєструйтеся для отримання акаунта. Це просто!
Зареєструвати акаунтУвійти
Вже зареєстровані? Увійдіть тут.
Увійти зараз