Larisa Опубліковано: 17 серпня 2011 Поділитись Опубліковано: 17 серпня 2011 Решаюсь и я рассказать о своей стройке! Не судите строго! Сначала как-то страшновато было начинать свою тему (уж больно много на форуме "советчиков" не слишком доброжилательных). Но, думаю, что хороших людей все-таки больше (правда пишут они меньше) . А теперь все чаще мне хочется с кем-то поделиться, а среди моих друзей застройщиков нет и они не понимают. Итак, вводные данные: Киевская область, Бориспольский р-н, с.Гора. Участок 10 сот. под строительство, прямоугольный и почти ровный, расположен в конце села, почти на выезде с сторону Процева, в районе новой застройки. 12 Посилання на коментар Поділитися на інших сайтах More sharing options...
Larisa Опубліковано: 17 серпня 2011 Автор Поділитись Опубліковано: 17 серпня 2011 (змінено) Начиналось с того, что я купила в 2004 г. квартиру в новостройке под Киевом (с.Чубинское). Как-то на нормальную квартиру в Киеве тогда денег не хватало, а слишком маленькие или старенькие квартиры меня не привлекали, вот и решилась немножко удалиться от черты города. Находимся мы от Киева не далеко (14 км от КПП), транспортное сообщение, благодаря близости аэропорта и единственной в стране скоростной трассе, хорошее. Правда, южный мост не всегда радует, но, идеальных направлений, наверное, не существует. Село у нас хорошее, маленькое и уютное, но, прожив так пару лет, я поняла, что имея минусы загородной жизни (удаленность инфраструктура, дороговизну такси, зависимость от машины, необходимость возить детей на учебу), я не имею всех плюсов, которые присущи жизни загородом. А некоторые плюсы я уже успела прочувствовать, и в город возвращаться уже не хотелось. Да, к тому же, мне было необходимо забирать к себе мою маму, а она у меня заядлая дачница и без земли никак. В общем, просумировав все плюсы и минусы (а также имеющуюся наличность), решено было приобретать землю! Змінено 17 серпня 2011 користувачем Larisa Посилання на коментар Поділитися на інших сайтах More sharing options...
Larisa Опубліковано: 17 серпня 2011 Автор Поділитись Опубліковано: 17 серпня 2011 Активный поиск земли я начала с конца 2007 года. Как вы помните, это как-раз был пик роста цен на землю. Но, ждать не хотелось, да и кризис уже маячил, поэтому были опасения - не превратятся ли в фантики мои денежные купюры. Весь 2008 год я колесила по полям. Каждый выходной - это уже как привычка. Мой ребенок уже не мог дождаться, когда же, наконец, мы уже что-то купим. Изначально участок искали в непосредственной близости от моего существующего жилья (о чем, пока, не на секунду не пожалела), в радиусе не более 10 км. Начали с просмотра дач в Чубинском. Есть там такой небольшой дачный массив. Но, как положено в этих случаях, дачники не могли себе цены сложить. Не смотря на то, многие дачи давно не обрабатываются, за свои 6соток хотели больше чем за 10 в черте Борисполя. В конце-концов, я обиделась и решила не связываться с дачными участками (цена за сотку не оправданно высокая, дороги узкие, мощности э/э слабые, инвестиционная ценность такой земли низкая). Участки под застройку в нашем селе были и остаются очень дорогими (на них даже не смотрели), поэтому, решено было расширить радиус поиска. Посилання на коментар Поділитися на інших сайтах More sharing options...
Larisa Опубліковано: 17 серпня 2011 Автор Поділитись Опубліковано: 17 серпня 2011 В процессе поиска, были изучены все окрестные села и г.Борисполь. Самым красивым местом, конечно, был Процев. И цены, вроде ничего, но у головы сильрады сильно высокие запросы (может оно так и нужно, но я боялась, что не потяну). Тут грустная часть истории о земле: В конечном итоге остановилась на Дударкове. Он был близок ко мне, цена ниже других, выглядит вполне симпатично, уровень грунтовых вод, правда, очень высок (мы его, когда не слишком морозной зимой, смотрели - санки ребенка не могли местами провезти из-за воды). Участок был выбран, и в конце 2008 года, заключен предварительный договор. Я была настолько уверена в своем выборе, что дала слишком большой задаток (не спрашивайте почему, иногда мы совершаем вопиющие глупости). Задаток, кстатти, я так и не вернула. Продавец свою часть обязательств выполнил полностью, наступала очередь выполнить свою часть обазательств. Но, тут грянул кризис! А вот тут более радужная часть истории: цены на землю упали на столько, что те участки, на которые я даже не смотрела из-за их дороговизны, стали мне совершенно доступны. Тем самым, Дударков стал мне не интересен, я теперь могла себе позволить что-то, по крайней мере, по ближе. И тут начался новый круг просмотров. Снова все окрестные села по новому кругу. И, наконец, я нашла то, что показалось мне идеальным! Это был участок в с.Гора. Угловой (т.е. в качестве бонуса могу сделать заезд с двух сторон и имею в пользовании пару соток общественной территории), ровный, с правильными пропорциями, с асфальтом возле участка, с возможностью (за соответствующую сумму) подключится к электричеству, а, главное, мне от квартиры к нему 30 мин. пешего хода и 15 мин. на велике. 30 марта 2009 года я стала землевладельцем! Посилання на коментар Поділитися на інших сайтах More sharing options...
Larisa Опубліковано: 17 серпня 2011 Автор Поділитись Опубліковано: 17 серпня 2011 Так мое поле выглядело на момент покупки. Сейчас его уже не узнать. Посилання на коментар Поділитися на інших сайтах More sharing options...
Larisa Опубліковано: 17 серпня 2011 Автор Поділитись Опубліковано: 17 серпня 2011 Очень часто на форуме возникают темы "можно ли построиться на зарплату". Я могу рассчитывать только на зарплату. Она у меня, правда сказать, чуточку повыше средней, но, только чуточку . Но, у меня никогда даже сомнений никогда не было, что все можно, если очень хочется. Во-первых, наши деды и родители (за редким исключением) так ведь и строили. Мои родители дачу построили имея не совсем высокие даже по советским меркам доходы, выплачивая при этом кооперативную квартиру. Во-вторых, я подсчитала заработанное за предыдущие годы, выраженное в материальных вещах (т.е. просуммировала приобретения), и решила, что если тенденция сохраниться, то у меня получится. В третьих, у меня есть где жить, за шиворот не капает, я никуда не спешу и готова к долгострою. Конечно, хочется все и сразу, и самое лучшее. Но, поступательный рост - тоже не самое худшее. Благо - форум в помощь! 4 Посилання на коментар Поділитися на інших сайтах More sharing options...
Larisa Опубліковано: 17 серпня 2011 Автор Поділитись Опубліковано: 17 серпня 2011 Приобретя землю весной 2009 года, почти на год она была оставлена в покое. Были другие заботы, да и лимит средств исчерпался. За это время были поданы документы на переоформление, к сожалению процесс так и не завершен пока, www.stroimdom.com.ua/forum/showthread.php?t=70546 И, вынесен участок в натуру. В начале 2010 года были куплены 10 кВт и подведено электричество Посилання на коментар Поділитися на інших сайтах More sharing options...
Larisa Опубліковано: 17 серпня 2011 Автор Поділитись Опубліковано: 17 серпня 2011 Весной 2010 года начались общеподготовительные работы. Очищен участок от мусора, перепахан, вкопаны "заградительные элементы" из колес, т.к. все машины соседних строек так и норовили сократить путь через мой участок. Посилання на коментар Поділитися на інших сайтах More sharing options...
Larisa Опубліковано: 17 серпня 2011 Автор Поділитись Опубліковано: 17 серпня 2011 Первое "здание" было приобретено в "Метро" за 400 грн. В него поместили садовый инструмент. Посилання на коментар Поділитися на інших сайтах More sharing options...
Larisa Опубліковано: 17 серпня 2011 Автор Поділитись Опубліковано: 17 серпня 2011 Стройку начали с забора. Понимая, что все это будет долгостроем, а моей маме уже не терпелось поковыряться в земле, да и надоел чужой мусор на участке - решили, что без забора приватности не добиться. Т.к. периметр участка был значительный (136 м), соседи в постройке забора участвовать отказались, тратиться на что-то капитальное и красивое на этом этапе не было смысла, а рабица не обеспечивала приватности, среди прочих альтернатив был выбран еврозабор. К нему приступили в апреле 2010 года. Установщики забора при нем же и жили, охраняли свои секции (это было их инициатива и добровольное решение). Посилання на коментар Поділитися на інших сайтах More sharing options...
Larisa Опубліковано: 17 серпня 2011 Автор Поділитись Опубліковано: 17 серпня 2011 Тяга к земле у моей мамы не истребимая. Бороться с этим не возможно, легче расслабиться. Вторым этапом была теплица. Заказывалась на металобазе, что на Саперно-слободской, обошлась в 10 тыс.грн. Качеством и сборкой вполне довольна. Все растения везли несколькими ходками, легковыми машинами аж из Днепропетровска (там у мамы была дача). Посилання на коментар Поділитися на інших сайтах More sharing options...
Larisa Опубліковано: 17 серпня 2011 Автор Поділитись Опубліковано: 17 серпня 2011 Участок был почти готов к приему гостей :D Посилання на коментар Поділитися на інших сайтах More sharing options...
Larisa Опубліковано: 17 серпня 2011 Автор Поділитись Опубліковано: 17 серпня 2011 В этом же месяце приступили к скважине. Вода в Горе начинается на уровне 10-12 м (на этом уровне колодцы). Большинсво скважин в нашем селе бурятся на 25 м. Этот слой считается "верховодкой" и на вкус, и цвет, вода вполне ничего. Но, к сожалению, уровень нитратов выше нормы раза в два. Следующий водоносный слой на 50 м. Нитратов там уже нет, но уровень железа зашкаливает. Да, и по внешнему виду, и запаху - вода вода гораздо хуже, чем на верховодке. Следущие слои уже на 100 м, и скважина на эту глубину, существенно дороже и сложнее. Было понятно, что без системы фильтрации не обойтись. Начитавшись на форуме, что железо все же легче убрать, чем нитраты было решено заглубляться на 55 м. Посилання на коментар Поділитися на інших сайтах More sharing options...
Larisa Опубліковано: 17 серпня 2011 Автор Поділитись Опубліковано: 17 серпня 2011 Скважину и забор делали одновременно. И то, и другое было обещано сделать за неделю (разные люди). Никогда не верьте таким срокам! При этом, причины задержки были разными. Ребята, что ставили забор, начали вполне бодро. Работали хорошо и аккуратно. Но! Плиты, которые привезли для установки были на 50% с трещинами. Соответственно были мною забракованы и увезены на другой объект. А мне пришлось ждать, пока были изготовлены новые. Благо - без попротивления, нервы тратить практически не пришлось. Скважину пробурили за 2 дня, тоже чисто и аккуратно. Бурильщики уехали, а на их место приехали те, кто должны были оборудовать приямок и установить оборудование. И тут началась эпопея, то не было нужного насоса (пришлось самой мне найти), то те кто рыли ямы и канавы для приямка не могли фокус навести после вчерашнего (пришлось выгнать), т.д. При чем, и первая бригада бурильщиков и следущая были от одной фирмы. А такая разница! На носу майские праздники, чуствую, что остануть без скважины! Пришлось вспомнить, что в прошлой жизни я была одним из руководителей на заводе, а рабочие понимали только специфический язык. Великая сила слова! Мою скважину доделали 30 апреля, рыл ямы лично зам.руководителя этой фирмочки, и это в день своего пятидесятилетия. Думаю - он запомнит меня на долго. 1 мая я была с водой. Ура! Бюджет: забор 20 600 грн. ворота с замком 5 600 грн. скважина с оборудованием 30 500 грн. 2 Посилання на коментар Поділитися на інших сайтах More sharing options...
Larisa Опубліковано: 17 серпня 2011 Автор Поділитись Опубліковано: 17 серпня 2011 С чуством выполненного долга и хорошо проделанной работы, с полным правом встретили 1 мая вот так! Ботанический сад г.Киева: Посилання на коментар Поділитися на інших сайтах More sharing options...
Larisa Опубліковано: 17 серпня 2011 Автор Поділитись Опубліковано: 17 серпня 2011 Прийдется прерваться, буду дописывать завтра 2 Посилання на коментар Поділитися на інших сайтах More sharing options...
Artyomovets Опубліковано: 17 серпня 2011 Поділитись Опубліковано: 17 серпня 2011 какой размер участка? и сколько по периметру? Посилання на коментар Поділитися на інших сайтах More sharing options...
Ray Опубліковано: 17 серпня 2011 Поділитись Опубліковано: 17 серпня 2011 какой размер участка? и сколько по периметру? жесть 10 соток, 136 м по периметру. читайте ТС. Larisa, давайте продолжение Посилання на коментар Поділитися на інших сайтах More sharing options...
Amazonka Опубліковано: 17 серпня 2011 Поділитись Опубліковано: 17 серпня 2011 Привет хозяйке усадьбы от хозяйки маетка;)! Лариса, с открытием дневника стройки! Отличное начало, ждем продолжения! 2 Посилання на коментар Поділитися на інших сайтах More sharing options...
Larisa Опубліковано: 18 серпня 2011 Автор Поділитись Опубліковано: 18 серпня 2011 какой размер участка? и сколько по периметру? Участок 26м+38м+27м+41м, т.е. 132 м периметр. В посте, ранее, получается немножко приврала. Сейчас посмотрела в документы, немножко меньше. Посилання на коментар Поділитися на інших сайтах More sharing options...
Larisa Опубліковано: 18 серпня 2011 Автор Поділитись Опубліковано: 18 серпня 2011 Конечно же с туалета. Не найдя готового по приемлемой цене, поприставав к форумчанам, решено было взяться за это сооружение собственными силами. Весь процесс описывала в этой ветке. www.stroimdom.com.ua/forum/showthread.php?t=36142 Если в кратце, то обошелся в 600 грн. и 2 дня работы. По итогу получили вот такого красавца. Посилання на коментар Поділитися на інших сайтах More sharing options...
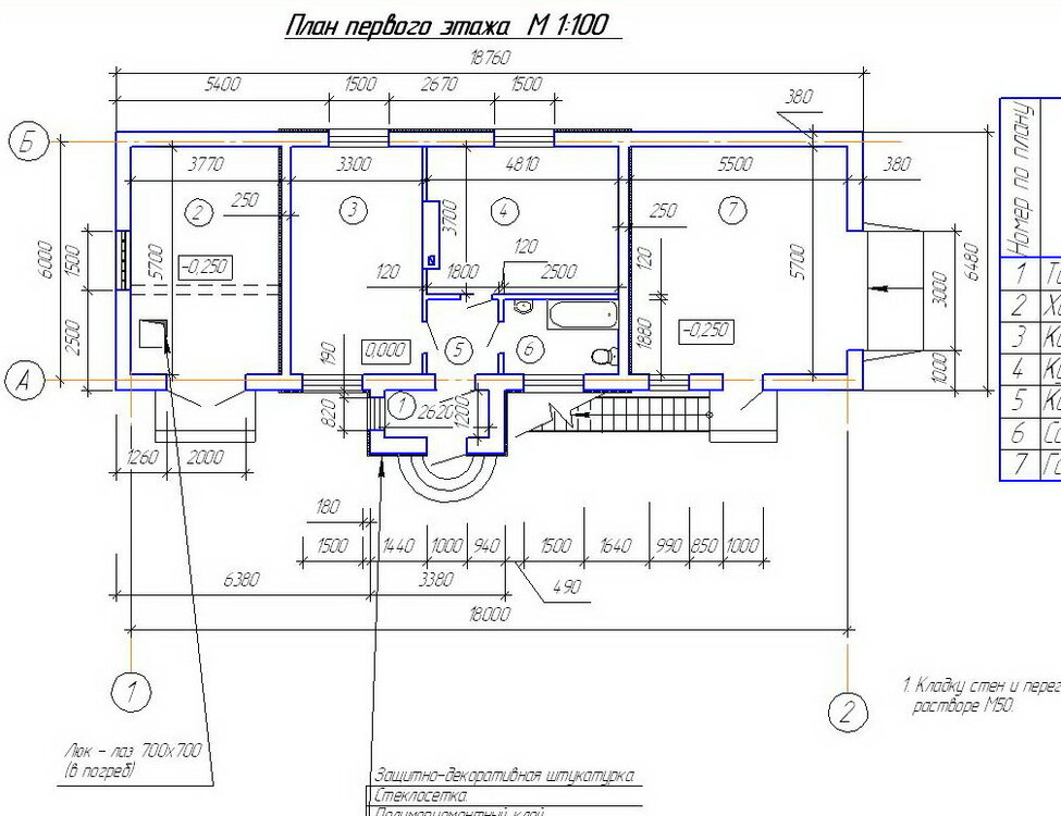
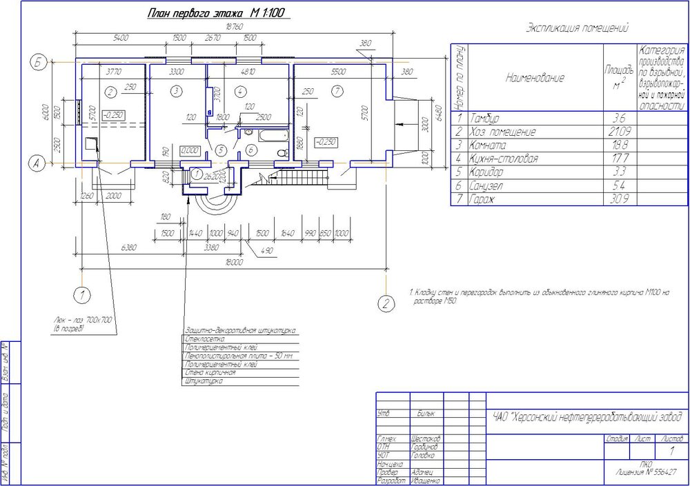
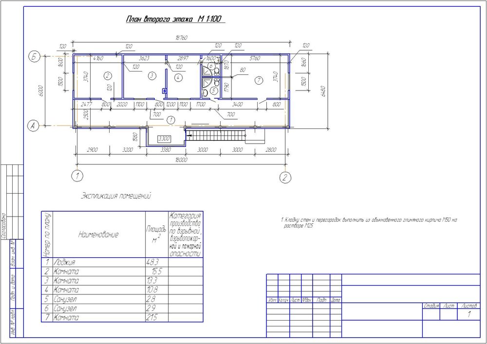
Larisa Опубліковано: 18 серпня 2011 Автор Поділитись Опубліковано: 18 серпня 2011 Обустроив участок, приступили к проектированию "сарайчика". Имея общие представления о желаемом, озаботилась выбором основного материала. О моих мучениях здесь www.stroimdom.com.ua/forum/showthread.php?t=41271 В итоге победили мои консервативные взгляды. А также то, что понимая изначально, что все это может стать "довгобудом", нужны были те технологии строительства, которые можно, максимально разбить на этапы, каждый из которых возможно остановить в любое время и на любое время. Кирпичные стены подходили, для этой цели, как нельзя лучше. Итак, с основным материалом стен определились. Приступаем к проектированию. Знакомый архитектор, за символическую плату, взялся воплощать в жизнь мои фантазии. Задумано было следующее: Так как, не известно, когда я буду готова приступить к основному дому, то Хозпостройка должна была, с одной стороны, обеспечивать функцию основного сооружения до появления дома, т.е. чтоб в ней можно было с комфортом остановиться на ночь, а моей маме, возможно и на весь садово-огородный сезон, с другой стороны, чтоб она была не лишней, после появления дома. Итак решено, что Хозпостройка должна иметь основной первый этаж, состоящий из: сарая/кладовой+жилого помещения по типу летней кухни+гараж. Имеем первый раздел плана. Посилання на коментар Поділитися на інших сайтах More sharing options...
Larisa Опубліковано: 18 серпня 2011 Автор Поділитись Опубліковано: 18 серпня 2011 Т.к. на 10 сотках особо не разгуляешся, и нужно было оставить место для основного дома, а также, мне хотелось оставить место перед гаражом для второй машины, для этого хозпостройку "засунули" вглубь участка. Оставили минимально допустимые растояния до границ участка. Получилось до границы одного соседа 1 м (пожарные разрывы соблюдены, т.к. его дом с другой стороны участка), до границы с другим соседом 2,5 м (у него там огород). На случай если мне захочется делать летние гостевые комнаты, спроектировали сразу и второй этаж. Посилання на коментар Поділитися на інших сайтах More sharing options...
Larisa Опубліковано: 18 серпня 2011 Автор Поділитись Опубліковано: 18 серпня 2011 Изначально хотела строиться законно, чтоб избежать проблем в будущем. Но, не тут то было. Даже морально согласившись с тем, что я должна за лицензирование готового проекта заплатить больше, чем за сам проект, это все равно оказалось не возможным. Хотя, конечно, бред - почему я должна каким-то конторкам присосавшимся к районым архитектурам за распечатку моего проекта (даже не перересовывание, т.к. предлагались готовые отформатированные файлы) платить по 25 грн. за кв.м моего проекта, только потому, что они приложат копию своей лицензии :-x. Ну, да ладно. Но, оказалось нельзя законно построить хозблок без проектирования основного дома. Не дают разрешения на хозпомещения!!! А если я не знаю еще какой я хочу дом? А если я вообще его не хочу? Зачем я сейчас буду платить деньги за проектирование дома, чтоб потом снова их платить, когда мое представление о доме созреет? Мне предлагалось, правда, обозначить мою хозпостройку как жилой дом, и так и получать разрешения. Но, что делать потом с основным домом? А тут еще начало меняться законодательство... Короче говоря, строю как 50% застройщиков - без разрешений. Посилання на коментар Поділитися на інших сайтах More sharing options...
Dex-paketa Опубліковано: 18 серпня 2011 Поділитись Опубліковано: 18 серпня 2011 Короче говоря, строю как 50% застройщиков - без разрешений. Скорее, как 90% 3 Посилання на коментар Поділитися на інших сайтах More sharing options...
Рекомендовані повідомлення
Створіть акаунт або увійдіть у нього для коментування
Ви маєте бути користувачем, щоб залишити коментар
Створити акаунт
Зареєструйтеся для отримання акаунта. Це просто!
Зареєструвати акаунтУвійти
Вже зареєстровані? Увійдіть тут.
Увійти зараз