belosnezka Опубліковано: 17 березня 2012 Поділитись Опубліковано: 17 березня 2012 Добрый вечер. У меня что-то случилось с котлом (Огонек 18-П). Снизу начала протекать жидкость. Очень похожа по запаху и виду на Фритерм, что залит в системе. Что это может быть? Откуда она? За час набежал литр... Дальше топку прекратила. Но на котле замерла температура 30. Хотя я уже и поддувайло почистила(( Также последние 2-3 дня наблюдалось очень быстрое нагревание котла. Штук 5-6 дровишек и уже 80 градусов... Посилання на коментар Поділитися на інших сайтах More sharing options...
Interso Опубліковано: 17 березня 2012 Поділитись Опубліковано: 17 березня 2012 Добрый вечер. У меня что-то случилось с котлом (Огонек 18-П). Снизу начала протекать жидкость. Очень похожа по запаху и виду на Фритерм, что залит в системе. Что это может быть? Откуда она? За час набежал литр... Дальше топку прекратила. Но на котле замерла температура 30. Хотя я уже и поддувайло почистила(( Также последние 2-3 дня наблюдалось очень быстрое нагревание котла. Штук 5-6 дровишек и уже 80 градусов... Посмотрите соединения где подключаются трубы может там есть течь,если нет и течёт из самого котла то наверное лопнул теплообменник котла,там сталь 3мм. Давление по паспорту у этого котла недолжно привышать 1,3бар, а от того что вытекла жидкость в системе могла образоваться воздушная пробка и у вас прекратилась циркуляция,от этого и быстро начала набиратся температура. 1 Посилання на коментар Поділитися на інших сайтах More sharing options...
belosnezka Опубліковано: 17 березня 2012 Поділитись Опубліковано: 17 березня 2012 Звонила сегодня на склад, где брала котел. Говорят: привозите, поменяем. 50% стоимости доставки компенсируем. Сами выезжать и забирать не хотят. Хотя они его не привозили и не устанавливали.. А дорогой этот теплообменник? Посилання на коментар Поділитися на інших сайтах More sharing options...
Interso Опубліковано: 17 березня 2012 Поділитись Опубліковано: 17 березня 2012 Звонила сегодня на склад, где брала котел. Говорят: привозите, поменяем. 50% стоимости доставки компенсируем. Сами выезжать и забирать не хотят. Хотя они его не привозили и не устанавливали.. А дорогой этот теплообменник? Там теплообменник это весь котёл! Меняйте и незадумывайтесь. 1 Посилання на коментар Поділитися на інших сайтах More sharing options...
slavikdr Опубліковано: 17 березня 2012 Поділитись Опубліковано: 17 березня 2012 Доброго времени суток. поломался у меня котел Elexia, выдает ошибку 50-70-80. Сначала включение горячей воды снимало ошибку, через недельку она снова появлялась. Потом все чаще, тепер уже горячая вода не помогает. Модель котла не знаю, выглядит так: Инструкции к котлу нет, помогите расшифровать ошибку. Посилання на коментар Поділитися на інших сайтах More sharing options...
fagot68 Опубліковано: 17 березня 2012 Поділитись Опубліковано: 17 березня 2012 Доброго времени суток. поломался у меня котел Elexia, выдает ошибку 50-70-80. Сначала включение горячей воды снимало ошибку, через недельку она снова появлялась. Потом все чаще, тепер уже горячая вода не помогает. Модель котла не знаю, выглядит так: Инструкции к котлу нет, помогите расшифровать ошибку. НТС отопления умирает. 1 Посилання на коментар Поділитися на інших сайтах More sharing options...
Vyacheslav Опубліковано: 17 березня 2012 Поділитись Опубліковано: 17 березня 2012 Проблемка нагрянула - остановился котел Viallant vu int 242/2- r3 давение в системе упало в 0. Течь из под двигателя достаточно сильная. Двигатель снял и включил котел - крыльчатка двигателя вращается. параллельно с проблемой с котлом снова умер (опять!!) блок питания умягчителя. Т.Е напряжение в сети было в пределах около 270В. Котел запитан через стабилизатор, Вопросы: 1. Проблема с мотором или забился теплообменник? 2. Нужно ли искать новый насос или проблема не в нем? Если проблема в насосе, то чем можно корректно его заменить. Маркировка насоса Wilo 4511547, vasl 15/6-2-he. Надо запустить котел как можно быстее. Т.е если завтра не решу проблему, буду обращаться к официалам Нужны советы - где проблема и как ее решить в короткие сроки. Семейство к моржеванию не готово Посилання на коментар Поділитися на інших сайтах More sharing options...
stasok Опубліковано: 17 березня 2012 Поділитись Опубліковано: 17 березня 2012 Здравствуйте!спасайте!!!Поставили котёл атон аогвмнд7е!сначала начал "паровать",а теперь на 4- ке пропускает угарный газ,а на 3-обычный!менять котёл???куда обратиться с починкой???? Посилання на коментар Поділитися на інших сайтах More sharing options...
slavikdr Опубліковано: 18 березня 2012 Поділитись Опубліковано: 18 березня 2012 НТС отопления умирает. Спасибо. Еще бы понятными словами И самое главное - как лечить? Посилання на коментар Поділитися на інших сайтах More sharing options...
belosnezka Опубліковано: 18 березня 2012 Поділитись Опубліковано: 18 березня 2012 Там теплообменник это весь котёл! Меняйте и незадумывайтесь. Спасибо вам, Интерсо. Буду менять. А от чего он мог лопнуть? Плохое качество или какие-то последствия эксплуатации? Интересуюсь, чтобы избежать этого в следующий раз. Это может быть как-то связано с сильными морозами? (В этот период - 1.5 месяца- котел не топился вообще и в помещении был большой минус)? После этого раза он 3-4 протопился и потек. Посилання на коментар Поділитися на інших сайтах More sharing options...
fagot68 Опубліковано: 18 березня 2012 Поділитись Опубліковано: 18 березня 2012 Спасибо. Еще бы понятными словами И самое главное - как лечить? Для спасибо кнопка есть справа,хотите поблагодарить кого-то,её нажимать надо. NTC- это термистор отопления.Лечится только заменой на новый. подробней про NTC: NTC THERMISTORS The NTC thermistors which are discussed herein are composed of metal oxides. The most commonly used oxides are those of manganese, nickel, cobalt, iron, copper and titanium. The fabrication of commercial NTC thermistors uses basic ceramics technology and continues today much as it has for decades. In the basic process, a mixture of two or more metal oxide powders are combined with suitable binders, are formed to a desired geometry, dried, and sintered at an elevated temperature. By varying the types of oxides used, their relative proportions, the sintering atmosphere, and the sintering temperature, a wide range of resistivities and temperature coefficient characteristics can be obtained. 1 Посилання на коментар Поділитися на інших сайтах More sharing options...
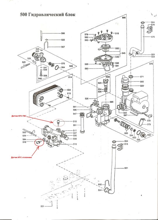
Interso Опубліковано: 18 березня 2012 Поділитись Опубліковано: 18 березня 2012 Спасибо вам, Интерсо. Буду менять. А от чего он мог лопнуть? Плохое качество или какие-то последствия эксплуатации? Интересуюсь, чтобы избежать этого в следующий раз. Это может быть как-то связано с сильными морозами? (В этот период - 1.5 месяца- котел не топился вообще и в помещении был большой минус)? После этого раза он 3-4 протопился и потек. Может и качество а может и последствия эксплуатации,когда будете менять то хоть неговорите что котёл в морозы нетопили. Добавлено через 4 минуты Спасибо. Еще бы понятными словами И самое главное - как лечить? Чтобы незамёрзнуть поменяйте местами датчик НТС ГВС на датчик НТС отопления,они взаимозаменяемы,ну а дальше купите новый,в Киеве сервисный центр находится на Васильковской 8 "Центринтерм". 1 Посилання на коментар Поділитися на інших сайтах More sharing options...
slavikdr Опубліковано: 18 березня 2012 Поділитись Опубліковано: 18 березня 2012 Для спасибо кнопка есть справа,хотите поблагодарить кого-то,её нажимать надо. NTC- это термистор отопления.Лечится только заменой на новый. подробней про NTC: Кнопку нажал А такой вопрос - может человек со специальным електротехническим образованием и умеющий в руках держать паяльник полечить котел без привлечения мастера? Мастера вызывать далеко, а раз далеко - наверно еще и дорого. Может есть где почитать модель термистора? Или хотя бы примерно как его в котле искать. Посилання на коментар Поділитися на інших сайтах More sharing options...
Interso Опубліковано: 18 березня 2012 Поділитись Опубліковано: 18 березня 2012 (змінено) Кнопку нажал А такой вопрос - может человек со специальным електротехническим образованием и умеющий в руках держать паяльник полечить котел без привлечения мастера? Мастера вызывать далеко, а раз далеко - наверно еще и дорого. Может есть где почитать модель термистора? Или хотя бы примерно как его в котле искать. Там просто так неполучится,так как сам датчик выполнен в хитрой форме небольшой заглушки с двумя контактами и фиксируется небольшой металической шпилькой. Змінено 18 березня 2012 користувачем Interso 1 Посилання на коментар Поділитися на інших сайтах More sharing options...
naupv Опубліковано: 18 березня 2012 Поділитись Опубліковано: 18 березня 2012 Скорее Вам сюда www.stroimdom.com.ua/forum/showthread.php?t=87721 Посилання на коментар Поділитися на інших сайтах More sharing options...
fagot68 Опубліковано: 18 березня 2012 Поділитись Опубліковано: 18 березня 2012 Кнопку нажал А такой вопрос - может человек со специальным електротехническим образованием и умеющий в руках держать паяльник полечить котел без привлечения мастера? Мастера вызывать далеко, а раз далеко - наверно еще и дорого. Может есть где почитать модель термистора? Или хотя бы примерно как его в котле искать. Датчик NTC : Характеристика: 2 Посилання на коментар Поділитися на інших сайтах More sharing options...
Vyacheslav Опубліковано: 18 березня 2012 Поділитись Опубліковано: 18 березня 2012 Скорее Вам сюда www.stroimdom.com.ua/forum/showthread.php?t=87721[/url] Спасибо. Вечером что-то не туда запостил. Администраторы, перенесите тему плз. Заодно отчитаюсь. Вскрытие насоса показало, что разрушен подшипник и по валу бодро уходит вода. Сюрпризом оказалось то, что насос уникальный и его просто так не купить. Редкие ссылки в интернете дают цену на него под 300 долл. Небольшой обзвон ремонтников показал, что "перепаковка" насоса не является большой проблемой. Т.е. оставляется часть корпуса оригинального насоса , а сам мотор ставится "общей доступности". В моем случае пришлось немного срезать бортик крыльчатки, чтобы не затирала. Насос уже установил, в доме тепло, дети помылись в теплой воде. ЗЫ. Отдельное спасибо Анатолию (www.elation.kiev.ua), который проникся проблемой и в воскресение перепаковал насос Посилання на коментар Поділитися на інших сайтах More sharing options...
BrotherSam Опубліковано: 19 березня 2012 Поділитись Опубліковано: 19 березня 2012 Это может быть как-то связано с сильными морозами? (В этот период - 1.5 месяца- котел не топился вообще и в помещении был большой минус)? После этого раза он 3-4 протопился и потек. Похожие ситуации обсуждали здесь www.stroimdom.com.ua/forum/showthread.php?t=88269&highlight=%F0%E0%F1%F2%F0%F3%E1 1 Посилання на коментар Поділитися на інших сайтах More sharing options...
ALEXAndr N. Опубліковано: 19 березня 2012 Поділитись Опубліковано: 19 березня 2012 Проблемка нагрянула - остановился котел Viallant vu int 242/2- r3 давение в системе упало в 0. Течь из под двигателя достаточно сильная. Двигатель снял и включил котел - крыльчатка двигателя вращается. Добрый день, если течь из внутренностей насоса то скорее всего придется менять, вокруг насоса много различных соединений из которых тоже возможна течь, посмотрите внимательно. Посилання на коментар Поділитися на інших сайтах More sharing options...
Гість sergei21 Опубліковано: 20 березня 2012 Поділитись Опубліковано: 20 березня 2012 Здравствуйте,помогите пожалуйста. Возникла проблема с котлом Baxi экофоур , поднимается давление в со,за день 2-3 раза сбрасываю. Точно не могу сказать, но по моему оно поднимается когда пользуюсь ГВС. До меня не доходит как такое возможно,может кто подскажет в чём проблема,зарание спасибо! Посилання на коментар Поділитися на інших сайтах More sharing options...
Interso Опубліковано: 20 березня 2012 Поділитись Опубліковано: 20 березня 2012 Здравствуйте,помогите пожалуйста. Возникла проблема с котлом Baxi экофоур , поднимается давление в со,за день 2-3 раза сбрасываю. Точно не могу сказать, но по моему оно поднимается когда пользуюсь ГВС. До меня не доходит как такое возможно,может кто подскажет в чём проблема,зарание спасибо! В первую очередь надо проверить кран подпитки котла. Посилання на коментар Поділитися на інших сайтах More sharing options...
budushi Опубліковано: 21 березня 2012 Поділитись Опубліковано: 21 березня 2012 Что-то не везет мне с отоплением и котлами... Где поремонтировать электрический котел Протерм? Сгорела плата. Официальный ремонт 1494грн + дорога 4грн за км. Может там кондерсатор за 50грн вылетел, не хочется плату менять. Посилання на коментар Поділитися на інших сайтах More sharing options...
Interso Опубліковано: 21 березня 2012 Поділитись Опубліковано: 21 березня 2012 Что-то не везет мне с отоплением и котлами... Где поремонтировать электрический котел Протерм? Сгорела плата. Официальный ремонт 1494грн + дорога 4грн за км. Может там кондерсатор за 50грн вылетел, не хочется плату менять. А какие симптомы,в чём именно проблема. Может фото платы выложете? Посилання на коментар Поділитися на інших сайтах More sharing options...
budushi Опубліковано: 21 березня 2012 Поділитись Опубліковано: 21 березня 2012 А какие симптомы,в чём именно проблема. Видимо был скачек напряжения по одной из фаз. Вылетел предохранитель, а за ним еще что-то. Предохранитель переставил, насос крутит, экранчик горит, тены (контаторы) не включаются. фото вечером. Посилання на коментар Поділитися на інших сайтах More sharing options...
Interso Опубліковано: 21 березня 2012 Поділитись Опубліковано: 21 березня 2012 Видимо был скачек напряжения по одной из фаз. Вылетел предохранитель, а за ним еще что-то. Предохранитель переставил, насос крутит, экранчик горит, тены (контаторы) не включаются. фото вечером. А на дисплее пишет код ошибки. Там на плате помоему два предохранителя. Посилання на коментар Поділитися на інших сайтах More sharing options...
Рекомендовані повідомлення
Створіть акаунт або увійдіть у нього для коментування
Ви маєте бути користувачем, щоб залишити коментар
Створити акаунт
Зареєструйтеся для отримання акаунта. Це просто!
Зареєструвати акаунтУвійти
Вже зареєстровані? Увійдіть тут.
Увійти зараз