siscom Опубліковано: 19 липня 2015 Поділитись Опубліковано: 19 липня 2015 Из всего прочитанного, это более похоже на правду. В коттеджах вода совсем другая по химии если сравнивать с городом. В городской воде присутствует некоторые соединения хлор и всякая гадость которая не дает ржавчине показывать себя. Посилання на коментар Поділитися на інших сайтах More sharing options...
bgt Опубліковано: 19 липня 2015 Поділитись Опубліковано: 19 липня 2015 Из всего прочитанного, это более похоже на правду. На липказ в 3м доме делали квартирку, там стояк ГВС был из черной трубы, наша квартира была последней на ветке. Еще в этом доме стояки воды проходили в квартирах, а не на лестничной клетке. Так вот. Каждое утро с трубы сливали 3-4 литра ржавой воды, а далее шла нормальная ... Как обстоят дела сейчас, не скажу, квартира продалась . . . Посилання на коментар Поділитися на інших сайтах More sharing options...
Interso Опубліковано: 20 липня 2015 Поділитись Опубліковано: 20 липня 2015 Я поддержу Андрея Муравского. Года 4ри назад, была подобная проблема. В место дорогих П/С (черные + хром) мы установили сделаные на заказ из нержавейки и проблема ушла. Кстати, в описании полотенчиков, которые мы демонтировали было четко указано, что они для установки на отопление а не рециркуляцию ГВС В многоэтажках огромный расход воды + ПС либо оцинковка либо нержавейка, но не черняга .. А в котеджах замкнутый цикл, и расход не особо большой, вот и появляется ржавчина . . . Спорить не буду так как у меня небыло такого в практике,всегда устанавливаю полотенчики с нержавейки. Посилання на коментар Поділитися на інших сайтах More sharing options...
AndyAntonov Опубліковано: 20 липня 2015 Поділитись Опубліковано: 20 липня 2015 Стоят и по сей день, и вода прозрачная. Кажинный раз, когда выключают воду, приходится разбирать смеситель — не только вода рыжая, но ещё и ржавой трухой забивается сам смеситель. Посилання на коментар Поділитися на інших сайтах More sharing options...
valeriy123 Опубліковано: 20 липня 2015 Поділитись Опубліковано: 20 липня 2015 Кажинный раз, когда выключают воду, приходится разбирать смеситель — не только вода рыжая, но ещё и ржавой трухой забивается сам смеситель. Нужен сброс воды, перед фильтрами. Посилання на коментар Поділитися на інших сайтах More sharing options...
AndyAntonov Опубліковано: 20 липня 2015 Поділитись Опубліковано: 20 липня 2015 Нужен сброс воды, перед фильтрами.Фильтров нет. Совсем. Посилання на коментар Поділитися на інших сайтах More sharing options...
murava Опубліковано: 20 липня 2015 Автор Поділитись Опубліковано: 20 липня 2015 Честно говоря с трудом верится что стальной радиатор на ГВС может такое сотворить... Клянусь Святым Английским Полипропилленом и Пророком его, Некитайским Паяльником, что может. Очень может. 3 Посилання на коментар Поділитися на інших сайтах More sharing options...
Interso Опубліковано: 20 липня 2015 Поділитись Опубліковано: 20 липня 2015 Клянусь Святым Английским Полипропилленом и Пророком его, Некитайским Паяльником, что может. Очень может. Клясться можешь чем угодно но по всей видимости водоподготовка не подходит под хим состав воды. Водичку нада проверить и настроить водоподготовку или подобрать соответствующую. Посилання на коментар Поділитися на інших сайтах More sharing options...
bgt Опубліковано: 20 липня 2015 Поділитись Опубліковано: 20 липня 2015 Клясться можешь чем угодно но по всей видимости водоподготовка не подходит под хим состав воды. Водичку нада проверить и настроить водоподготовку или подобрать соответствующую. Умягченная водичка - это химически активное вещество вот она и начинает окислять железо ... да и медные трубы тоже .... не раз замечал после смягчителя или микса набираешь ванную воды, а она как из океана ... Посилання на коментар Поділитися на інших сайтах More sharing options...
Interso Опубліковано: 20 липня 2015 Поділитись Опубліковано: 20 липня 2015 Умягченная водичка - это химически активное вещество вот она и начинает окислять железо ... да и медные трубы тоже .... не раз замечал после смягчителя или микса набираешь ванную воды, а она как из океана ... Да совершенно верно цвет как Blue Ocean,но не цвета детского поноса как у Муравы, но если такое имеет место значит водоподготовка либо не настроенна правильно либо вообще не та что надо. Посилання на коментар Поділитися на інших сайтах More sharing options...
bgt Опубліковано: 20 липня 2015 Поділитись Опубліковано: 20 липня 2015 Да совершенно верно цвет как Blue Ocean,но не цвета детского поноса как у Муравы, но если такое имеет место значит водоподготовка либо не настроенна правильно либо вообще не та что надо. На данном объекте медь уже окислилась, далее вода прозрачная. У Андрея на объекте хим активная вода + температура (ускоряет процессы) я такое тоже проходил ... Чего городить велосипед, если производитель П/С пишет что их можно ставить только на ОТОПЛЕНИЕ и не как на ГВС .... другое дело нержавейка .... Посилання на коментар Поділитися на інших сайтах More sharing options...
murava Опубліковано: 21 липня 2015 Автор Поділитись Опубліковано: 21 липня 2015 О дизайнерах говорят много и громко. Вообще - дизайнер - это уже звучит гордо и громко. Но есть отдельная порода - дЕзайнер ванных комнат. Они как правило "приписаны" либо к модным салонам керамики, либо к конторам, которые творят картинки фломастерами на компутерах. Эдакий раб на галерах, прикованный к пулемету. Все православные сантехники с ними сталкивались, они горячо нами любимы, лелеемы и обожаемы. Только наши дЕзайнеры ванных комнат могут запроектировать в ванную родную каноничЪную гидромассажную Jacuzzi за полмиллиона грн и владеют хтоническими силами убеждения заказчика в необходимости обладания этим произведением искусства. И в это время практически всегда напрочь забывают о необходимости запроектировать в этой же комнате душевую кабину, что приводит к неописуемому восторгу обладания вышеописанным агрегатом... Доколе?! 6 Посилання на коментар Поділитися на інших сайтах More sharing options...
blacktigra Опубліковано: 16 вересня 2015 Поділитись Опубліковано: 16 вересня 2015 Андрей, а в отдельно взятом доме есть скважина? Можете показать как выполнена обвзяка в приямке? Спасибо. Посилання на коментар Поділитися на інших сайтах More sharing options...
naupv Опубліковано: 16 вересня 2015 Поділитись Опубліковано: 16 вересня 2015 как выполнена обвзяка в приямке? таких фото куча в www.stroimdom.com.ua/forum/forumdisplay.php?f=45 Советую в приямке содержать только трубы, всю обвязку делать в сухом теплом проветриваемом помещении. Посилання на коментар Поділитися на інших сайтах More sharing options...
Сергей 31 Опубліковано: 16 вересня 2015 Поділитись Опубліковано: 16 вересня 2015 В приямок может и не поместится. Все зависит от поставленной задачи. 1 Посилання на коментар Поділитися на інших сайтах More sharing options...
murava Опубліковано: 17 вересня 2015 Автор Поділитись Опубліковано: 17 вересня 2015 Андрей, а в отдельно взятом доме есть скважина? Можете показать как выполнена обвзяка в приямке? Спасибо. Я редко фотографирую приямки, поскольку после меня там успевают похозяйничать и поливщики, и ландшафтники и прочая околосантехническая братия. Посилання на коментар Поділитися на інших сайтах More sharing options...
murava Опубліковано: 24 вересня 2015 Автор Поділитись Опубліковано: 24 вересня 2015 Встретился недавно весьма оригинальный смеситель. Говорят, даже рабочий. Посилання на коментар Поділитися на інших сайтах More sharing options...
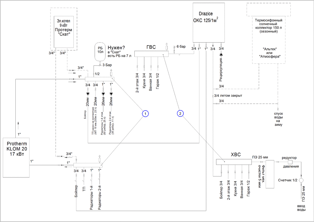
silver8848 Опубліковано: 28 вересня 2015 Поділитись Опубліковано: 28 вересня 2015 Андрей, добрый день! Хочу смонтировать обвязку котлов в отдельной котельной. Выставлю схему того как я это вижу. Покритикуйте схему и посоветуйте как лучше. Разводка отопления сделана МП, обвязку котлов хочу сделать медью. Будет газовый котел Протерм КЛОМ 20 (17 кВт) и эл. котел Протерм Скат 9 кВт, косвенник навесной Дражеце ОКС 125/1 Думал применить для коллекторов (1) и (2) "сопилку", но так как там выходы 1/2, то она не подходит. Хотелось бы как то удешевить коллекторы (1) и (2). Их стоимость меня повергает в грусть. Как я понимаю коллектор (1) для отопления должен быть типа СК-442.125 termojet.com.ua/kollektory-s-vyhodami-vniz. Коллектор (2) для ХВС и ГВС может быть типа www.svit-tepla.com.ua/kollektory/valtec/kollektor-s-naruzhnoy-rezboy-pod-fiting-evrokonus-valtec.html В "Скате" есть встроенный расширительный бак на 7 л, нужно ли мне дополнительно ставить второй? Дайте совет по схеме и оборудованию. Спасибо Посилання на коментар Поділитися на інших сайтах More sharing options...
blacktigra Опубліковано: 28 вересня 2015 Поділитись Опубліковано: 28 вересня 2015 Прошу прощения что без очереди. Объем расширительного бака определяется по расчету. На сайте Reflex есть программка, там несложно. Я бы гидрострелку добавил. Теплогенераторы с одной стороны, потребители с другой. Краник для полива еще можно добавить до фильтра на ХВС (и до счетчика, хе-хе). Обратные клапаны на обратке котлов не нужны, на подаче развернуть в другую сторону. Перед коллектором ГВС не помешает термостат. Кран для подпитки/слива СО еще нужен. 1 Посилання на коментар Поділитися на інших сайтах More sharing options...
silver8848 Опубліковано: 28 вересня 2015 Поділитись Опубліковано: 28 вересня 2015 Прошу прощения что без очереди. Объем расширительного бака определяется по расчету. На сайте Reflex есть программка, там несложно. Я бы гидрострелку добавил. Теплогенераторы с одной стороны, потребители с другой. Краник для полива еще можно добавить до фильтра на ХВС (и до счетчика, хе-хе). Обратные клапаны на обратке котлов не нужны, на подаче развернуть в другую сторону. Перед коллектором ГВС не помешает термостат. Кран для подпитки/слива СО еще нужен. Спасибо за оперативность. По РБ В радиаторах - 36 л, ТП - 23 л, в трубах к радиаторам - 21 л Теплообменник косвенника пускай 10 л. Итого 90 л. Сколько в двух котлах и трубах обвязки не знаю, пускай еще 20 л Всего 110л. Объем РБ берут 5-10% от объема теплоносителя, значит бак должен быть 5,5-11 л. Вроде и не нужен дополнительный РБ, но и не помешает. По гидрострелке Вы предлагаете отказаться от котлового коллектора, тройников, "сопилок" пр. и организовать все на гидрострелке? Объем воды не такой уж и большой есть ли такая необходимость? Возможно гидрострелка решила бы сразу все проблемы, я в первом варианте ее рисовал, но для удешевления хотел применить покупные балку или тройники какие-то. Можно сделать самодельную из 76 трубы. Вот, какую я нарисовал. На обратке забрал обратные клапаны, на подаче - развернул. Для чего и какой термостат на ГВС нужен? Кран для подпитки/слива СО добавил на обратке газового котла как основного котла. Осталось не ясно, что делать с коллекторами ГВС и ХВС, какие применить. Если взять с выходами на 1/2, а трубы уже есть МП 20мм, то выходы 1/2 будут считаться как местное заужение и это не повлияет на пропускную способность или все таки повлияет? Кран на полив до фильтра ХВС это вообще отдельная песня. Вода хоть и городская, но давление слабое, я сомневаюсь есть ли там 1,5 атм. За минуту набирается 20л воды (1,2 м.куб/ч). Для простого полива и обычного потребления этого хватит, а для обратного осмоса уже маловато, нужно 2-2,5 атм, а для полива с применением форсунок, ротаторов нужно минимум 3-3,5 атм и 3-4-5 м.куб/час. Ставить насосную станцию с накопительной емкостью (еврокуб на 1000л) например такую metabo-shop.com.ua/product_info.php/info/p2431_Metabo-HWW-4000-25-G.html, так там шум больше 80 дБ, оглохнуть можно, даже через 2 стены будет слышно. Посилання на коментар Поділитися на інших сайтах More sharing options...
blacktigra Опубліковано: 28 вересня 2015 Поділитись Опубліковано: 28 вересня 2015 Гидрострелка нужна, чтобы развязать гидравлически насос на генераторе тепла и насосы потребителях. Ситуации могут быть разные, например закрыты все термостаты на потребителях, или производительность насосов на потребителях выше чем производительность насоса в котле. Т.е. независимо от того, что будет происходить в контуре бойлера, ТП и радиаторов - расход через котел будет номинальным. Я видел гидрострелки с несколькими входами/выходами, но мне ближе вариант с гидрострелкой и двумя парами коллекторов по бокам. Термостат на ГВС нужен чтобы не обжечься случайно, если вода в бойлере нагреется до слишком высокой температуры. Добавлено через 1 минуту Осталось не ясно, что делать с коллекторами ГВС и ХВС, какие применить. Если взять с выходами на 1/2, а трубы уже есть МП 20мм, то выходы 1/2 будут считаться как местное заужение и это не повлияет на пропускную способность или все таки повлияет? Возьмите в руку МП трубу 20мм и кран на 1/2 дюйма. И сразу все поймете. 1 Посилання на коментар Поділитися на інших сайтах More sharing options...
blacktigra Опубліковано: 28 вересня 2015 Поділитись Опубліковано: 28 вересня 2015 Вот, какую я нарисовал. Насисы в другую сторону поверните. Я бы их на обратку поставил, там водичка попрохладнее. И бачок я бы снизу стрелки подсоединил, чтобы он воздуха не нахватал. Во вложении рекомендации по расчету гидрострелки, правда на английском.Application Guide.pdf 1 Посилання на коментар Поділитися на інших сайтах More sharing options...
silver8848 Опубліковано: 28 вересня 2015 Поділитись Опубліковано: 28 вересня 2015 Насисы в другую сторону поверните. Я бы их на обратку поставил, там водичка попрохладнее. И бачок я бы снизу стрелки подсоединил, чтобы он воздуха не нахватал. Во вложении рекомендации по расчету гидрострелки, правда на английском. В схеме с коллекторами (мой первый вариант схемы) насосы я вначале поставил на обратку, но после консультации с одним специалистом он мне сказал, что в такой схеме насосы ставят на подачу. Если бы у меня был только один потебитель, то тогда да, на обратку. В словах моего специалиста есть правда? По аналогии, в схеме с гидрострелкой, (мой второй вариант схемы) я насосы оставил на подаче. Значит перекину их на обратку. Расчет на гидрострелку я нашел на русском языке и согласно ему расчитал и сделал чертеж. Есть один вопрос-можно ли для уменьшения длины сделать так как в V.2, то есть патрубки для котлов на подачу не один над другим, а напротив, так же и патрубки для обратки. Добавлено через 5 минут Возьмите в руку МП трубу 20мм и кран на 1/2 дюйма. И сразу все поймете. Так оно все понятно, разница в сечении есть. Мне что делать? Я спрашиваю потому, что являюсь глубоко любителем в отопительном искусстве, и меня нужно ткнуть в конкртное правильное решение Посилання на коментар Поділитися на інших сайтах More sharing options...
blacktigra Опубліковано: 29 вересня 2015 Поділитись Опубліковано: 29 вересня 2015 В схеме с коллекторами (мой первый вариант схемы) насосы я вначале поставил на обратку, но после консультации с одним специалистом он мне сказал, что в такой схеме насосы ставят на подачу. Если бы у меня был только один потебитель, то тогда да, на обратку. Я имел ввиду крайнюю правую схему на чертеже с гидрострелками. Насосы качают в гидрострелку в месте подачи от котлов. Должны забирать. В словах моего специалиста есть правда? Я не знаю чем руководствуется ваш специалист, поэтому мне сложно что-то сказать. Насос создает циркуляцию теплоносителя в закрытой системе - с точки зрения потребителя все равно где будет стоять насос - на подаче или обратке. Для насоса разница может быть, т.к. если подача слишком горячая, то двигатель насоса не сможет охлаждаться. В принципе это было справедливо для СО с подачей под 90С, сейчас с появлением конденсационников и ТН в принципе можно этим пренебречь. Кстати, без насоса на гребенке смесительный узел на коллекторе ТП может не работать. Есть один вопрос-можно ли для уменьшения длины сделать так как в V.2, то есть патрубки для котлов на подачу не один над другим, а напротив, так же и патрубки для обратки. Если вы сами хотите делать ГС, так сделайте сами и коллекторы. ГС тогда крошечная получится. А чего гильза для термометра только одна на ГС? И фильтры желательно перед насосами ставить. Так оно все понятно, разница в сечении есть. Мне что делать? МП труба 20х2 имеет внутренний диаметр 16 мм. Кран 1/2 дюйма - 25,4/2=12,7 мм. Т.е. всего разница в диаметре всего 3 мм. Я считаю что этим можно пренебречь. БОльшая потеря напора будет на уголках и фитингах. меня нужно ткнуть в конкртное правильное решение Это решение только вам принимать. Или искать исполнителя который сделает вам проект, и смонтирует систему. Тогда все шишки его будут, но за ваши деньги. 1 Посилання на коментар Поділитися на інших сайтах More sharing options...
murava Опубліковано: 29 вересня 2015 Автор Поділитись Опубліковано: 29 вересня 2015 Андрей, добрый день! Хочу смонтировать обвязку котлов в отдельной котельной. Выставлю схему того как я это вижу. Покритикуйте схему и посоветуйте как лучше. Количество насосов можно сократить до двух: радиаторов и бойлера. Ветки радиаторов можно объединить на один насос. Если стоит цель управлять насосами, используйте двухходовый клапан, отсекая ненужное. Очень важно: внимательно проверить, не должна ли ветка на ТП быть напорная, это зависит от того, какая именно схема смесительного узла. 2 Посилання на коментар Поділитися на інших сайтах More sharing options...
Рекомендовані повідомлення
Створіть акаунт або увійдіть у нього для коментування
Ви маєте бути користувачем, щоб залишити коментар
Створити акаунт
Зареєструйтеся для отримання акаунта. Це просто!
Зареєструвати акаунтУвійти
Вже зареєстровані? Увійдіть тут.
Увійти зараз