Vladdi Опубліковано: 11 січня 2023 Поділитись Опубліковано: 11 січня 2023 То так, це простий пристрій, затримка ввімкнення то не його справа. Хоч, у випадку, якщо все одно іти та руцями гену смикати, то зачекати хвилинку і не вмикати автомат на самому генераторі не так вже й важко. Значення має не стільки повний прогрів, адже він залежить від зовнішньої температури, скільки потужність, яку ви підключаєте в момент перемикання. Якщо ввімкнення буде поступове, з малих навантажень, то для частково прогрітого двигуна небезпеки не буде. Щодо вимкнення, то у варіанті, якщо треба це піти та зробити вручну, то холостий хід з'являється автоматично Для більш просунутих схем, зрозуміло, варіанти можливі різні, але в цьому випадку можливі ситуації, коли взагалі немає потреби одразу заводити двигун, адже повністю автоматизована система, без врахування нюансів, може увечері зустріти власників у темряві, з порожнім баком та холодним будинком... 2 Посилання на коментар Поділитися на інших сайтах More sharing options...
Dendnepr Опубліковано: 11 січня 2023 Поділитись Опубліковано: 11 січня 2023 6 минут назад, Vladdi сказал: Значення має не стільки повний прогрів, адже він залежить від зовнішньої температури, скільки потужність, яку ви підключаєте в момент перемикання. Якщо ввімкнення буде поступове, з малих навантажень, то для частково прогрітого двигуна небезпеки не буде. согласен.Особенно в случае, если номинальная мощность генератора маленькая. Перед тем, как включить перекидной выключатель на генератор - нужно выключить избыточных потребителей (электрокотел, утюг, может бойлер или еще чего подобное). а уже потом подключать генератор 1 Посилання на коментар Поділитися на інших сайтах More sharing options...
volomoto Опубліковано: 11 січня 2023 Поділитись Опубліковано: 11 січня 2023 6 хвилин тому, Vladdi сказав: Хоч, у випадку, якщо все одно іти та руцями гену смикати, то зачекати хвилинку і не вмикати автомат на самому генераторі не так вже й важко. Та просто було бажання побавитись, бо я дуже люблю всяку релейну логіку, яка примітивна і надійна 9 хвилин тому, Vladdi сказав: Для більш просунутих схем, зрозуміло, варіанти можливі різні, але в цьому випадку можливі ситуації, коли взагалі немає потреби одразу заводити двигун, адже повністю автоматизована система, без врахування нюансів, може увечері зустріти власників у темряві, з порожнім баком та холодним будинком... Заводити явно зайве для будинку, а от глушити і просто, і зручно. Посилання на коментар Поділитися на інших сайтах More sharing options...
InSAn Опубліковано: 15 січня 2023 Поділитись Опубліковано: 15 січня 2023 В 11.01.2023 в 14:49, volomoto сказал: В мене такий стоїть і працює чудово. У Вас же начебто інвертор із окремим входом під генератор? Чи генератор підключений на вхід до гріда? Посилання на коментар Поділитися на інших сайтах More sharing options...
volomoto Опубліковано: 15 січня 2023 Поділитись Опубліковано: 15 січня 2023 3 хвилини тому, InSAn сказав: У Вас же начебто інвертор із окремим входом під генератор? Чи генератор підключений на вхід до гріда? Так, але інвертор в мене на одній фазі, а генератор включений через ATS, щоб закорочувати всі три фази і живитити відповідно весь будинок. Якось так: Прихований текст На схемі інвертора нема, але він просто є "навантаженням" на одній із фаз. Як дойдуть руки, то домалюю схему. 1 Посилання на коментар Поділитися на інших сайтах More sharing options...
Живопыра Опубліковано: 16 січня 2023 Поділитись Опубліковано: 16 січня 2023 В 23.10.2022 в 22:04, Dendnepr сказал: Но если на дом идёт отдельная ветка одной фазы, то вполне можно обойтись и двуполюсным перекидным выключателем только на дом Із наявності придбав Hager SFT225. І зараз питання чи не піде напруга від генератора через 0? Так як всі нулі Навить із іньших 2х фаз йдуть скризь одну гребінку? Посилання на коментар Поділитися на інших сайтах More sharing options...
volomoto Опубліковано: 16 січня 2023 Поділитись Опубліковано: 16 січня 2023 9 хвилин тому, Живопыра сказав: І зараз питання чи не піде напруга від генератора через 0? Так як всі нулі Навить із іньших 2х фаз йдуть скризь одну гребінку? А як саме ви зібрались з трьохфазній системі підключати генератор через двохполюсний 1-0-2? Намалюйте спочатку схеми, а тоді буде видно куди "піде" напруга. Посилання на коментар Поділитися на інших сайтах More sharing options...
Живопыра Опубліковано: 16 січня 2023 Поділитись Опубліковано: 16 січня 2023 1 час назад, volomoto сказал: А як саме ви зібрались з трьохфазній системі підключати генератор через двохполюсний 1-0-2? Намалюйте спочатку схеми, а тоді буде видно куди "піде" напруга. Та нема особо що малювать. Одну фазу я не використовую тому що напруга на ній меньш 200в, друга іде на літню кухню, а третя сама стабільна (червона) на будинок до якої буде приєднанюватись генератор. Є запасна біла жила на яку можу підключити заземлення. І питання чи можливо підключити всі нулі на одну гребінку? Посилання на коментар Поділитися на інших сайтах More sharing options...
Vladdi Опубліковано: 16 січня 2023 Поділитись Опубліковано: 16 січня 2023 При такій схемі живлення бажано убезпечити генератор від раптового відключення (обриву) нуля на лінії. Для схеми живлення будинку без генератора нулі зібрані на шині то правильно. Але, у випадку використання однофазного генератора в трифазній мережі доцільно перемикати на нього і фазний, і нульовий провід таким чином, щоб нуль генератора підключався до нуля вводу резервного живлення також через перемикач, і не був підключений до інших нульових проводників, які розходяться по будинку та в мережу. Тобто, в положенні живлення від мережі всі нулі зведені на шину, а в положенні живлення від генератора на ці лінії перемикаються як фазний ввід, так і нульовий провід лише для обраної частини внутрішньої мережі, яка має резервне живлення. Генератор, звісно, бажано заземлити. В такому режимі обмотки генератора будуть ніяк не зв'язані з зовнішньою мережею в будь-яких ситуаціях. Пристрої ПЗВ в будинку будуть працювати коректно. 1 Посилання на коментар Поділитися на інших сайтах More sharing options...
Живопыра Опубліковано: 16 січня 2023 Поділитись Опубліковано: 16 січня 2023 12 минут назад, Vladdi сказал: При такій схемі живлення бажано убезпечити генератор від раптового відключення (обриву) нуля на лінії. Для схеми живлення будинку без генератора нулі зібрані на шині то правильно. Але, у випадку використання однофазного генератора в трифазній мережі доцільно перемикати на нього і фазний, і нульовий провід таким чином, щоб нуль генератора підключався до нуля вводу резервного живлення також через перемикач, і не був підключений до інших нульових проводників, які розходяться по будинку та в мережу. Тобто, в положенні живлення від мережі всі нулі зведені на шину, а в положенні живлення від генератора на ці лінії перемикаються як фазний ввід, так і нульовий провід лише для обраної частини внутрішньої мережі, яка має резервне живлення. Генератор, звісно, бажано заземлити. В такому режимі обмотки генератора будуть ніяк не зв'язані з зовнішньою мережею в будь-яких ситуаціях. Пристрої ПЗВ в будинку будуть працювати коректно. Як що я вас правильно зрозумів то нуль після рубильника треба вивести окремо і ні в якому разі не підключати його до загальної мережі? Для заземлення генератора я маю ще один додатковий контур. Чи може зразу обьеднати одну жилу генератора з землею і таким чином отримати нуль на вході? Посилання на коментар Поділитися на інших сайтах More sharing options...
Vladdi Опубліковано: 16 січня 2023 Поділитись Опубліковано: 16 січня 2023 Не впевнений, що ми вірно розуміємо один одного. Я мав на увазі лише те, що у випадку, якщо існує трифазна мережа, в якій лише одна фаза використовується для резервного живлення, до доцільно та правильно перемикати на генератор не тільки фазний дріт, а разом із "своїм" нульовим. Таким чином, решта трифазної системи як працювала, так і буде працювати, із спільним нулем. А та, що перемикається, повинна переключитись обома дротами на генератор. Тобто бути повністю відокремленою від решти системи. Перемикання назад, на мережеве живлення, повинно відключити обидва дроти від генератора і з'єднати їх так, як вони зараз ввімкнені, нуль на шину нулів, а фаза на свій фазний провід вводу. Посилання на коментар Поділитися на інших сайтах More sharing options...
Vladdi Опубліковано: 16 січня 2023 Поділитись Опубліковано: 16 січня 2023 16 минут назад, Живопыра сказал: Чи може зразу обьеднати одну жилу генератора з землею Не треба. Для підключення заземлення є окремий гвинт/бовт. 19 минут назад, Живопыра сказал: Як що я вас правильно зрозумів то нуль після рубильника треба вивести окремо і ні в якому разі не підключати його до загальної мережі? Рубильник у Вас встановлюється в розрив між вводом та Вашею домовою мережею. Тому у випадку живлення від мережі схема звичайна - три окремі фази і зібрані на шині нулі. При перемиканні на генератор треба відокремити два дроти, фазний та нульовий, відключивши їх від зовнішнього вводу (фаза) та спільної шини (нуль) і переключити на генератор. Це і є схема підключення перемикача 1-0-2 1 Посилання на коментар Поділитися на інших сайтах More sharing options...
volomoto Опубліковано: 16 січня 2023 Поділитись Опубліковано: 16 січня 2023 (змінено) 3 години тому, Живопыра сказав: Та нема особо що малювать. Та як не хочете, то не малюйте, але із схемою на папері є більше шансів попередити потенційні проблеми, ніж коли ви все будете тестувати вже під напргугою. Мені напркиклад не зрозуміло куди йдуть сині дроти з нульової шини і я боюсь щось радити, щоб не вийшло так, що ви перекидним рубильником відмикаєте нуль від мережі, але дві фази залишаються. Змінено 16 січня 2023 користувачем volomoto 2 Посилання на коментар Поділитися на інших сайтах More sharing options...
Vladdi Опубліковано: 16 січня 2023 Поділитись Опубліковано: 16 січня 2023 То так. +100500. Схема є схема, а слів написати можна дві сторінки, і все одно зробити аби що. 1 Посилання на коментар Поділитися на інших сайтах More sharing options...
Firetuf Опубліковано: 16 січня 2023 Поділитись Опубліковано: 16 січня 2023 4 часа назад, Vladdi сказал: Але, у випадку використання однофазного генератора в трифазній мережі доцільно перемикати на нього і фазний, і нульовий провід таким чином, щоб нуль генератора підключався до нуля вводу резервного живлення також через перемикач, і не був підключений до інших нульових проводників, які розходяться по будинку та в мережу. Теж хочу розібратися. Я за відключення/підключення двух жил. Але якщо вже так сталося, що тільки фаза. - Які можуть бути проблеми, якщо у мене в щиті зкомутовано розщеплення PEN? Який може бути нуль в генератора, поки він не підключений до міського нуля, або PE? Які проблеми в безпеці, якщо потужні споживачі підключені через ПЗВ (зі своїм нулем) , а освітлення через загальну шину нуля? Посилання на коментар Поділитися на інших сайтах More sharing options...
Vladdi Опубліковано: 17 січня 2023 Поділитись Опубліковано: 17 січня 2023 14 часов назад, Firetuf сказал: - Які можуть бути проблеми, якщо у мене в щиті зкомутовано розщеплення PEN? Які там проблеми, адже TN-C-S в будинку відповідає нормам ПУЕ і очікувано має бути у споживача. Інша справа, що у різних генераторів, зокрема однофазних, можуть виявитись трохи різні схеми, бо зараз навезли шалену кількість різноманітного обладнання. У пакування часом вкладають буклети, які нічого спільного з конкретною залізякою не мають, добре, що хоч всі двигуни ззовні майже однакові, і знайти потрібний отвір щоб залити/злити мастило нескладно. З точки зору безпеки теж все не так погано, у кожного генератора має бути контакт (клема, бовт) заземлення, відносно якого доцільно виміряти напруги фазних роз'ємів (або контактів). Треба також виміряти ще й опір кола нуль-земля (не забуваємо про відповідні клеми розеток). Це однозначно вкаже на схемні особливості конкретної моделі (якщо таке виявиться) і забезпечить безпечне використання. 14 часов назад, Firetuf сказал: Який може бути нуль в генератора, поки він не підключений до міського нуля, або PE? Звісно, поняття "нуль - фаза" відноситься тільки до конкретного електричного кола, до якого під'єднаний споживач струму. Адже ми маємо генератор (із певною схемою ввімкнення обмоток та пристроями регулювання напруги та частоти), який (поки) ніяк не зв'язаний з іншими генераторами струму і їх схемами живлення споживачів. Оскільки наш прилад малопотужний у порівнянні з мережею і тому вразливий при проблемах у підключенні, то завдання правильного підключення у побуті - убезпечити його від будь-якої випадкової взаємодії з потужною зовнішньою мережею, залишивши лише живлення споживачів. При цьому ми розуміємо, що всі дроти/контакти/ділянки зовнішніх мереж, які мають потенціал землі, не несуть явної небезпеки для пристрою, а всі інші є небезпечними з точки зору можливого пошкодження або ураження струмом. Умисно не перелічуємо різновиди провідників, адже в даному випадку це поки не має значення. Знову вертаємось до безпеки використання. Пам'ятаємо, що потужності навіть маленького генератора цілком достатньо для серйозного ураження струмом, тому нехтувати безпекою не можна. Це відноситься до забезпечення обов'язкового заземлення приладу, а також правильній комутації мереж. На нашому боці тут вже заздалегідь правильно влаштована схема живлення споживачів, яку треба періодично переключати на живлення від іншого джерела струму. Зрозуміло, що у випадку, якщо ми одномоментно перемикаємо на резервний генератор всі дроти живлення побутових струмоприймачів ділянки мережі, яка резервується, це однозначно забезпечить роботу цієї ділянки так же, як і до перемикання, в тому числі і коректну роботу ПЗВ. Якщо можливості переключити всі лінії немає, і при ввімкненні резерву перемикається лише фазний провід, а нульовий лише приєднується до кола мережі, то в даному випадку також забезпечується нормальна робота резервного генератора, але повнота безпеки залежить від схеми мережі. Вище був приклад влаштування побутової мережі, в якій географічно рознесені однофазні споживачі живляться від трифазної мережі без класичного розщепленого PEN. А резервується лише одна фаза одного з об'єктів. В цьому випадку перемикання нульового дроту є доцільним. Проте зазначу, що в потужних промислових системах нульові шини не перемикаються пристроями АВР, вони спільні для всіх пристроїв, як генераторів, так і споживачів. 16 часов назад, Firetuf сказал: Які проблеми в безпеці, якщо потужні споживачі підключені через ПЗВ (зі своїм нулем) , а освітлення через загальну шину нуля? Щодо безпеки, то правильно побудована схема живлення вже є самодостатньою для її безпечної експлуатації в будь-яких режимах. Особливо у таких поважних учасників форуму Я вдячний Вам за цінні поради на форумі, деякі з них мені самому стали в нагоді. 2 Посилання на коментар Поділитися на інших сайтах More sharing options...
volomoto Опубліковано: 17 січня 2023 Поділитись Опубліковано: 17 січня 2023 16 годин тому, Firetuf сказав: - Які можуть бути проблеми, якщо у мене в щиті зкомутовано розщеплення PEN? Залежить як у вас реалізована мережа на районі. Якщо ЛЕП відповідає ПУЕ і у вас локальний контур заземлення менеш 4 оми і до нього приєднана нейтраль, то проблем ніяких. 16 годин тому, Firetuf сказав: Які проблеми в безпеці, якщо потужні споживачі підключені через ПЗВ (зі своїм нулем) , а освітлення через загальну шину нуля? Все те саме, як і з мережею, тому після генератор має бути такий же захист, як у випадку живлення від мережі. Я там вище кидав свою схему підключенн генератора без розриву нуля і вона працює: 1 Посилання на коментар Поділитися на інших сайтах More sharing options...
Vladdi Опубліковано: 17 січня 2023 Поділитись Опубліковано: 17 січня 2023 Навезли в магазини силу силенну різних генераторів, здається враження, що це має бути головний товар найближчих місяців. Що тільки там не написано. Але в око впала одна деталь, хочу щоб всі побачили, спеціально сфоткав. На цьому лайні виробі з металу та пластику щось написане з натяком на Німеччину. Але я впевнений, що красити заземлення не те що німецький, а хоч трохи при розумі виробник точно не буде. 2 1 Посилання на коментар Поділитися на інших сайтах More sharing options...
Firetuf Опубліковано: 17 січня 2023 Поділитись Опубліковано: 17 січня 2023 Дякую. Були сумніви, тепер їх менше). Ще питання. Підключення зарядної стації. Звісно, через 1-0-2, але без розриву нуля у однофазній квартирі. 1. Підключення живлення станції напряму від містоенерго. 2. Підключення живлення станції через розрив фази від містоенерго. Зрозуміли? Всі споживачі через 1-0-2, це само собою, а ось сама станція? При вимкненому перемикачі, станція в режимі зарядки без навантаження, при включенні електромережі - через 220 на вихід. Що правильніше? Посилання на коментар Поділитися на інших сайтах More sharing options...
Vladdi Опубліковано: 18 січня 2023 Поділитись Опубліковано: 18 січня 2023 18 часов назад, Firetuf сказал: Підключення зарядної стації. Звісно, через 1-0-2, але без розриву нуля у однофазній квартирі. В даному випадку ситуація потребує уваги в тому, що пристрій є одночасно і споживачем мережі (в режимі зарядки), і джерелом живлення для тієї ж мережі в режимі гарантованого живлення. Розбиратись в особливостях схемотехніки навряд чи доцільно, та й не треба. В однофазній системі нескладно створити схему, яка б унеможливлювала як коротке замикання "вихід-вхід" в режимі гарантованого живлення резервованої мережі, так і підключення міської мережі на виходи станції в режимі зарядки та очікування. Для цього достатньо забезпечити ввімкнення живлення заряду станції до перемикача 1-0-2, а вихід навантаження підключити тільки після перемикача. Це, можливо, буде потребувати невеликих зусиль тому, що треба створити окремий вихід (розетку?) негарантованого живлення, яка б була підключена до електромережі до перемикача. Я б, при наявності зайвої пари контактів, ще на всяк випадок відключав "нульовий" вихід станції від спільного нуля мережі в режимі зарядки/очікування. Це точно не зашкодить. 1 Посилання на коментар Поділитися на інших сайтах More sharing options...
Firetuf Опубліковано: 18 січня 2023 Поділитись Опубліковано: 18 січня 2023 19 минут назад, Vladdi сказал: В даному випадку ситуація потребує уваги в тому, що пристрій є одночасно і споживачем мережі (в режимі зарядки), і джерелом живлення для тієї ж мережі в режимі гарантованого живлення. Розбиратись в особливостях схемотехніки навряд чи доцільно, та й не треба. В однофазній системі нескладно створити схему, яка б унеможливлювала як коротке замикання "вихід-вхід" в режимі гарантованого живлення резервованої мережі, так і підключення міської мережі на виходи станції в режимі зарядки та очікування. Для цього достатньо забезпечити ввімкнення живлення заряду станції до перемикача 1-0-2, а вихід навантаження підключити тільки після перемикача. Це, можливо, буде потребувати невеликих зусиль тому, що треба створити окремий вихід (розетку?) негарантованого живлення, яка б була підключена до електромережі до перемикача. Я б, при наявності зайвої пари контактів, ще на всяк випадок відключав "нульовий" вихід станції від спільного нуля мережі в режимі зарядки/очікування. Це точно не зашкодить. Все вірно, я цілком згоден, так і планувалось, тим більше, що на щитку вже є подарунок з сєсєсєра, коли обов'язково ставилась невимикаєма розетка прямо від лічильника)))) Мене більш хвилює загальний нуль. Одне діло, коли у тебе на своєму щиті іде розщеплення PEN з гарантованим контуром заземленням, і друге діло тут, коли не знаєш, де той нуль за межами квартири і що з ним далі.... Ситуація. "Десь" відгорів нуль, маємо потенціал фази на нульовому проводі, але ж фазний станції розірваний перемикачем 1-0-2. Що станеться страшного для станції? Це по навантаженню, а по входу, маємо дві фази. Тут потрібен ЗУБР, нічого нового.... Правильно? 1 Посилання на коментар Поділитися на інших сайтах More sharing options...
Vladdi Опубліковано: 18 січня 2023 Поділитись Опубліковано: 18 січня 2023 Так, все вірно. Найстрашніша небезпека старих домових мереж - регулярні відгоряння нуля внутрішньобудинкових кабельних мереж. Така аварія була багато років у мене також, врятувало два фактори. Перший той, що десь "вдало" були ввімкнені потужні прилади, і "моя" напруга була низькою, навіть не стартували економні лампочки. Саме тому вчасно помітив неладне. А другий той, що досить рано встаю, і аварія тривала (напевно) ще недовго, адже не встигли повигоряти споживачі інших квартир, у кого була напруга висока. Тому розраховуємо на реле контролю напруги, яке має захистити недешеву станцію від аварії мережі. І це також ще один аргумент за те, що вільну пару контактів перемикача доцільно використати для відключення нуля від виходу в режимі очікування. До речі, зубра я не люблю, мені більш подобався адекс, його тут в сусідніх гілках багато тапками закидали за надмірну завантаженість "непотрібними" тупому споживачу функціями, які блокували пристрій і потребували ручного перезапуску, наприклад, різке зростання струму призводить до відключення мережі та блокування РКН ще до того, як спрацьовує автомат захисту, і це ставить людей в ступор, адже на щиті все нормально, а аварія є. Але це вже флуд, перепрошую. 2 Посилання на коментар Поділитися на інших сайтах More sharing options...
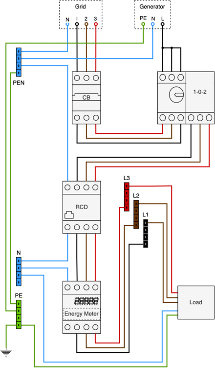
Живопыра Опубліковано: 20 січня 2023 Поділитись Опубліковано: 20 січня 2023 В 16.01.2023 в 16:41, volomoto сказал: Та як не хочете, то не малюйте, але із схемою на папері є більше шансів попередити потенційні проблеми, ніж коли ви все будете тестувати вже під напргугою. Мені напркиклад не зрозуміло куди йдуть сині дроти з нульової шини і я боюсь щось радити, щоб не вийшло так, що ви перекидним рубильником відмикаєте нуль від мережі, але дві фази залишаються. Намалював як ви казали. Питання в 0 , чи можно так зробити ? 1 Посилання на коментар Поділитися на інших сайтах More sharing options...
Живопыра Опубліковано: 20 січня 2023 Поділитись Опубліковано: 20 січня 2023 Чі можливо обьєднати 0 ? 1 Посилання на коментар Поділитися на інших сайтах More sharing options...
volomoto Опубліковано: 20 січня 2023 Поділитись Опубліковано: 20 січня 2023 10 хвилин тому, Живопыра сказав: Намалював як ви казали. Питання в 0 , чи можно так зробити ? В жодному випадку так не можна, бо при переключенні на генератор або в нейтральне положення у вас виходить обрив нуля з мережі 7 хвилин тому, Живопыра сказав: Чі можливо обьєднати 0 ? Так вже краще, але можна не об'єднувати нулі, а до споживачів на зеленій і жовтій фазах протягнути свої нулі. Тут головне, щоб незалежно від положення 1-0-2 навантаження жовтої і зеленої фази мало нуль. Посилання на коментар Поділитися на інших сайтах More sharing options...
Рекомендовані повідомлення
Створіть акаунт або увійдіть у нього для коментування
Ви маєте бути користувачем, щоб залишити коментар
Створити акаунт
Зареєструйтеся для отримання акаунта. Це просто!
Зареєструвати акаунтУвійти
Вже зареєстровані? Увійдіть тут.
Увійти зараз