Dalet Опубліковано: 11 серпня 2023 Поділитись Опубліковано: 11 серпня 2023 1 минуту назад, Vladdi сказал: інакше як? ніяк. 1 минуту назад, Vladdi сказал: В другому випадку спочатку вирішується питання влаштування нормального PEN коли бойлер чи пралку ставлять - питання PEN вирішується теж спочатку? Авжеж, Але ким? Пане. Ваша справа робити так як ви то бажаєте. Посилання на коментар Поділитися на інших сайтах More sharing options...
Dalet Опубліковано: 11 серпня 2023 Поділитись Опубліковано: 11 серпня 2023 3 минуты назад, Vladdi сказал: Ми про підключення резервного живлення споживачів від стороннього джерела (генератора) навіть візьмем генератор. Покажіть мені коло для струму при єдиному нулі, і розєднаних фазах. Цікаво побачити Посилання на коментар Поділитися на інших сайтах More sharing options...
Vladdi Опубліковано: 11 серпня 2023 Поділитись Опубліковано: 11 серпня 2023 А до чого тут бойлер? Для нього звичайний ПЗВ вже є захист навіть у самих скрутних обставинах. Пралки наші люди взагалі через раз заземлюють, хоч там теж ПЗВ проблему ураження вирішить... Посилання на коментар Поділитися на інших сайтах More sharing options...
Dalet Опубліковано: 11 серпня 2023 Поділитись Опубліковано: 11 серпня 2023 1 минуту назад, Vladdi сказал: А до чого тут бойлер? Для нього звичайний ПЗВ вже є захист навіть у самих скрутних обставинах. Пралки наші люди взагалі через раз заземлюють, хоч там теж ПЗВ проблему ураження вирішить... ок. не зважайте..... я пішов PEN шукать Посилання на коментар Поділитися на інших сайтах More sharing options...
Vladdi Опубліковано: 11 серпня 2023 Поділитись Опубліковано: 11 серпня 2023 7 минут назад, Dalet сказал: Покажіть мені коло для струму при єдиному нулі, і розєднаних фазах. Цікаво побачити Ну, ось подивимось на промисловий АВР. При роботі фазні провідники підключаються лише для одного з трьох джерел, двох трансформаторів та ДГУ. Знизу бачимо розділені шини PE та N, спільна PEN знаходиться трохи в іншому місці, в збірках на ТП та ввідних шафах. Про які струми на "роз'єднаних фазах" йдеться, не розумію. Посилання на коментар Поділитися на інших сайтах More sharing options...
Dalet Опубліковано: 11 серпня 2023 Поділитись Опубліковано: 11 серпня 2023 Только что, Vladdi сказал: Про які струми на "роз'єднаних фазах" йдеться, не розумію. бо ви питання не зрозуміли Посилання на коментар Поділитися на інших сайтах More sharing options...
Dalet Опубліковано: 11 серпня 2023 Поділитись Опубліковано: 11 серпня 2023 1 минуту назад, Vladdi сказал: Ну, ось подивимось на промисловий АВР. При роботі фазні провідники підключаються лише для одного з трьох джерел, двох трансформаторів та ДГУ. Знизу бачимо розділені шини PE та N, спільна PEN знаходиться трохи в іншому місці, в збірках на ТП та ввідних шафах. де я тут можу бачити комутацію нуля при переключені між джерелами? Посилання на коментар Поділитися на інших сайтах More sharing options...
Vladdi Опубліковано: 11 серпня 2023 Поділитись Опубліковано: 11 серпня 2023 (змінено) 7 минут назад, Dalet сказал: де я тут можу бачити комутацію нуля при переключені між джерелами? "Тут" не можна, бо це промислове рішення з правильно влаштованим вводом PE та N. А ось тут девайс для перемикання побутового споживача від зовнішніх джерел невідомої якості на резервний генератор Змінено 11 серпня 2023 користувачем Vladdi Посилання на коментар Поділитися на інших сайтах More sharing options...
volomoto Опубліковано: 11 серпня 2023 Поділитись Опубліковано: 11 серпня 2023 Десь я в якійсь книжці читав, що робота АВР із двома джерелами, в яких заземлені нейтралі, та відключення байпасу інвертора при переході в автономний режим — це трохи різні випадки. Але це не повинно зупиняти цю дискусію 1 1 Посилання на коментар Поділитися на інших сайтах More sharing options...
Dalet Опубліковано: 11 серпня 2023 Поділитись Опубліковано: 11 серпня 2023 (змінено) 3 минуты назад, Vladdi сказал: "Тут" не можна, бо це промислове рішення з правильно влаштованим вводом PE та N. що ви від мене хочете? я кажу не варто рвати нуль, ви кажете я не правий і приводите приклад де нуль не рветься бо то правильно виконаний щит. Що ви хочете від мене? Змінено 11 серпня 2023 користувачем Dalet 1 Посилання на коментар Поділитися на інших сайтах More sharing options...
Dalet Опубліковано: 11 серпня 2023 Поділитись Опубліковано: 11 серпня 2023 4 минуты назад, Vladdi сказал: А ось тут девайс для перемикання побутового споживача від зовнішніх джерел невідомої якості на резервний генератор амінь Посилання на коментар Поділитися на інших сайтах More sharing options...
Vladdi Опубліковано: 11 серпня 2023 Поділитись Опубліковано: 11 серпня 2023 Только что, Dalet сказал: Що ви хочете від мене? Да нічого я не хочу, не хвилюйтесь Ви так Зараз взагалі хвилюватись і так є багато від чого. Я просто хотів сказати, що навіть у випадку наявності інвертора, який має бути підключений до вхідної мережі невідомої якості, ніщо не заважає живити його від вхідної мережі, а виходи на навантаження комутувати механічно, окремим пристроєм. В цьому випадку спрацювання перемикача залежить тільки від стану двох вводів, а інвертор або підключений на навантаження, або живиться від вхідної мережі. І ніхто нікому не заважає. Посилання на коментар Поділитися на інших сайтах More sharing options...
Dalet Опубліковано: 11 серпня 2023 Поділитись Опубліковано: 11 серпня 2023 (змінено) 1 минуту назад, Vladdi сказал: Да нічого я не хочу, не хвилюйтесь Ви так Зараз взагалі хвилюватись і так є багато від чого. Я просто хотів сказати, що навіть у випадку наявності інвертора, який має бути підключений до вхідної мережі невідомої якості, ніщо не заважає живити його від вхідної мережі, а виходи на навантаження комутувати механічно, окремим пристроєм. В цьому випадку спрацювання перемикача залежить тільки від стану двох вводів, а інвертор або підключений на навантаження, або живиться від вхідної мережі. І ніхто нікому не заважає. Навдачу. Згоден. Можна. Хто казав що не можна. Змінено 11 серпня 2023 користувачем Dalet 1 Посилання на коментар Поділитися на інших сайтах More sharing options...
Dalet Опубліковано: 11 серпня 2023 Поділитись Опубліковано: 11 серпня 2023 2 минуты назад, Vladdi сказал: І ніхто нікому не заважає А як ні, комутується лиш фаза, то як заважатиме? Поясніть Посилання на коментар Поділитися на інших сайтах More sharing options...
standov Опубліковано: 11 серпня 2023 Поділитись Опубліковано: 11 серпня 2023 (змінено) 1 час назад, volomoto сказал: Десь я в якійсь книжці читав, що робота АВР із двома джерелами, в яких заземлені нейтралі, та відключення байпасу інвертора при переході в автономний режим — це трохи різні випадки. Але це не повинно зупиняти цю дискусію випадки трохи різні але заземлення нейтралі нікуди не дівається, як мінімум у випадку tnc-s|tn-s, тож та історія що у автономного режиму нейтраль виявиться раптово трохи заземленою - ну так вже вийшло Змінено 11 серпня 2023 користувачем standov Посилання на коментар Поділитися на інших сайтах More sharing options...
volomoto Опубліковано: 11 серпня 2023 Поділитись Опубліковано: 11 серпня 2023 2 хвилини тому, standov сказав: випадки трохи різні але заземлення нейтралі нікуди не дівається, як мінімум у випадку tnc-s|tn-s, тож та історія що у автономного режиму нейтраль виявиться раптово трохи заземленою - ну так вже вийшло Я не зовсім зрозумів що мається на увазі під "нікуди не дівається". Малось на увазі, що його в будь-якому випадку треба забезпечувати? Посилання на коментар Поділитися на інших сайтах More sharing options...
standov Опубліковано: 11 серпня 2023 Поділитись Опубліковано: 11 серпня 2023 (змінено) 19 минут назад, volomoto сказал: Я не зовсім зрозумів що мається на увазі під "нікуди не дівається". Малось на увазі, що його в будь-якому випадку треба забезпечувати? ні, малося на увазі що, якщо ми все ще обговорюємо перемичку між нейтралями (бо я вже не впевнений), то при її наявності - вихідна нейтраль інвертора стає заземленою (через заземлення нейтралі міста) в будь якому режимі його роботи Змінено 11 серпня 2023 користувачем standov Посилання на коментар Поділитися на інших сайтах More sharing options...
volomoto Опубліковано: 11 серпня 2023 Поділитись Опубліковано: 11 серпня 2023 8 хвилин тому, standov сказав: ні, малося на увазі що якщо ми все ще обговорюємо перемичку між нейтралями (бо я вже не впевнений) то при її наявності - вихідна нейтраль інвертора стає заземленою (через заземлення нейтралі міста) в будь якому режимі його роботи Ну так і я б не сказав що це погано, якщо це єдиний спосіб заземлити вихідну нейтраль. Посилання на коментар Поділитися на інших сайтах More sharing options...
standov Опубліковано: 11 серпня 2023 Поділитись Опубліковано: 11 серпня 2023 1 минуту назад, volomoto сказал: Ну так і я б не сказав що це погано, якщо це єдиний спосіб заземлити вихідну нейтраль. так я і не кажу шо це погано (в трифазке то взагалі майже єдиний варіант), я просто не дуже розумію ту істерику від потенціалу на нулі. Ну воно не єдиний, є ще варіанти як мінімум з контаткором і з трансформатором але то все "трошки" складніше, а оскільки у аксіом (читай оригіналів і клонів вольтроніка) як мінімум один з режимів штатно передбачає таку ситуацію (бо в режимі від гріда ноль транзитний жеж) то я не бачу причин того не робити в інших режимах ("виробник так чогось зробив" - не довод, бо як пояснили в профільній гілці, наприклад в австралії того не можна і залізка проектувалася на продаж на всі можливі ринки, і в більшості моделей їх є настройка в сеттінгах). А тут розверзлося ) PS. в ТТ я може так і не робив 1 Посилання на коментар Поділитися на інших сайтах More sharing options...
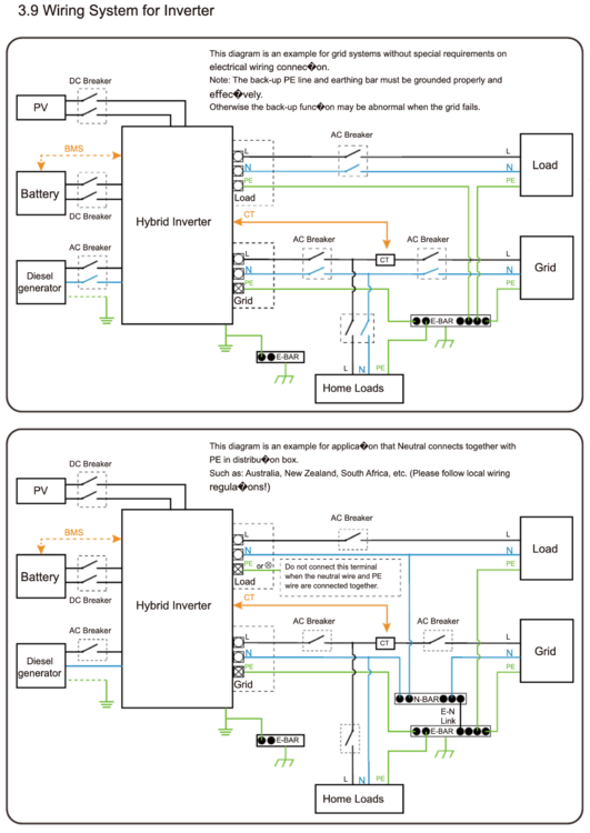
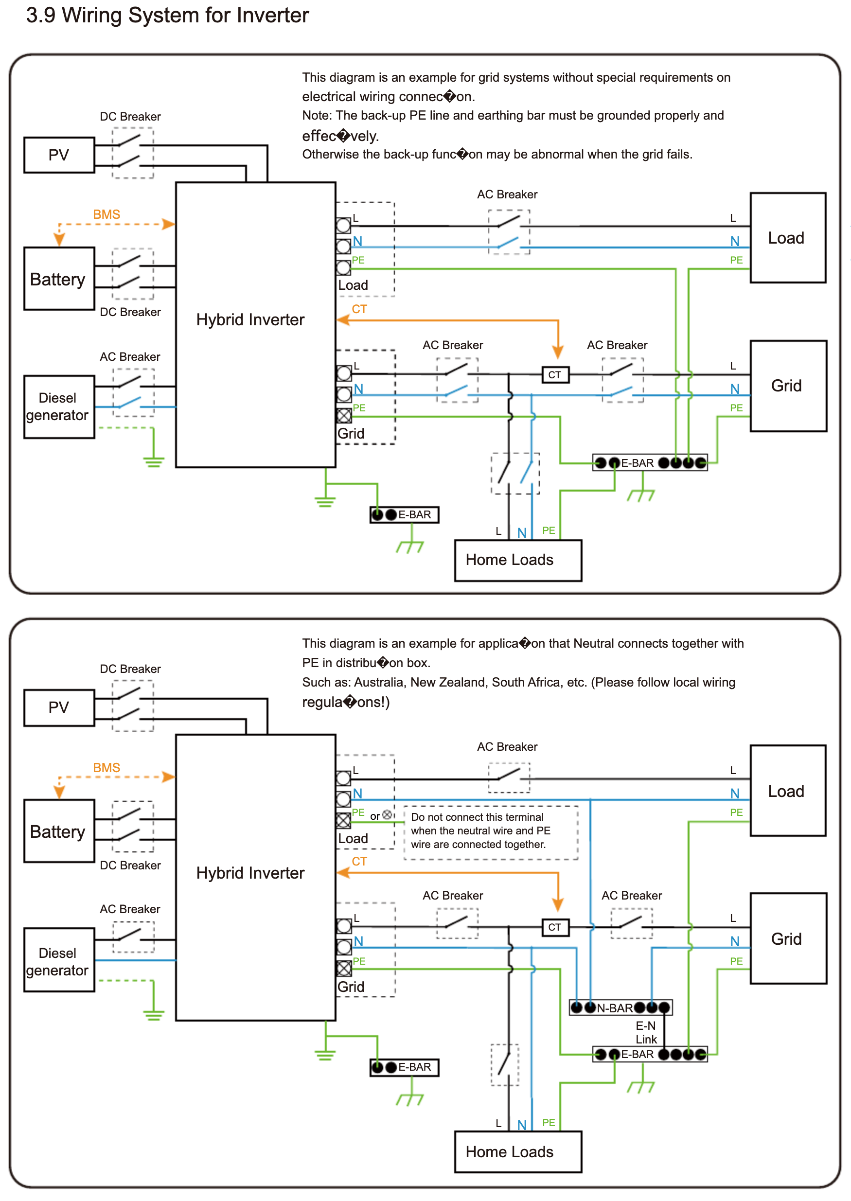
volomoto Опубліковано: 11 серпня 2023 Поділитись Опубліковано: 11 серпня 2023 11 хвилин тому, standov сказав: є ще варіанти як мінімум з контаткором і з трансформатором Та можна з контактором і без трансформатора. Наприклад інструкція до мого колишнього інвертора допускає підключення з перемичкою і без: Але, якщо перемички нема, то потрібно використовувати контактор: 1 Посилання на коментар Поділитися на інших сайтах More sharing options...
standov Опубліковано: 11 серпня 2023 Поділитись Опубліковано: 11 серпня 2023 Так, з контактором або трансформатором (це 2 варіанти, не один ). Але мені з контактором не дуже подобається тим що контактор все-ж має швидкодію не дуже, плюс усі ці переходні комутаційні процесси, плюс *мабуть* є ненульова ймовірність що котел встигне загубити іонізацію (а може і не). З трансформатором в мене на генераторі так зроблено, але там потужність меньше і воно не працює 24/7 Посилання на коментар Поділитися на інших сайтах More sharing options...
standov Опубліковано: 11 серпня 2023 Поділитись Опубліковано: 11 серпня 2023 1 час назад, volomoto сказал: Наприклад інструкція до мого колишнього інвертора інструкція здорової людини, вольтронік, нажаль, працює в тому ціновому сегменті де проблеми індейцев то проблеми індейцев Посилання на коментар Поділитися на інших сайтах More sharing options...
Рекомендовані повідомлення
Створіть акаунт або увійдіть у нього для коментування
Ви маєте бути користувачем, щоб залишити коментар
Створити акаунт
Зареєструйтеся для отримання акаунта. Це просто!
Зареєструвати акаунтУвійти
Вже зареєстровані? Увійдіть тут.
Увійти зараз