yuragon Опубліковано: 21 липня 2024 Поділитись Опубліковано: 21 липня 2024 Засада повна - в батареї що я купляв минулого року і цьогорічній різні гнізда для струму. Перше фото це нова (в неї з обох боків однакові гнізда), друге і третє фото це стара (там на різних боках різні). найгірше що не можу назад запхати плюс від інвертора в стару батарею бо в штекері перекосилася внутрішнє кільце (четверте фото). Посилання на коментар Поділитися на інших сайтах More sharing options...
beavis Опубліковано: 21 липня 2024 Поділитись Опубліковано: 21 липня 2024 (змінено) 13 хвилин тому, yuragon сказав: Засада повна - в батареї що я купляв минулого року і цьогорічній різні гнізда для струму. Перше фото це нова (в неї з обох боків однакові гнізда), друге і третє фото це стара (там на різних боках різні). найгірше що не можу назад запхати плюс від інвертора в стару батарею бо в штекері перекосилася внутрішнє кільце (четверте фото). Ну між собою їх не обов'язково з'єднувати, можете просто з обох акумів кабелі підключити до інвертора. А перекошене кільце пластикове ж? трохи піднажати?) П.С. Згадав (і знайшов), що у мене з цим акумом були запасні штекери в комплекті. Якщо вирішите підключати від акума до акума - можете обрізати кабель і зробити один кінець кабеля зі старими штекерами П.П.С. Глянув у себе - штекери з обох боків однакові, здається. Бо у мене кабелі (якщо дивитись на акум) підключені зліва. А справа такі ж як у Вас на першій фотці. Змінено 21 липня 2024 користувачем beavis Посилання на коментар Поділитися на інших сайтах More sharing options...
yuragon Опубліковано: 21 липня 2024 Поділитись Опубліковано: 21 липня 2024 8 минут назад, beavis сказал: А перекошене кільце пластикове ж? трохи піднажати?) пробував, піднажимав, не лізе ((( Зараз задача хоча б один акум підключити щоб хоча б стало як було. Вирішив під'єднати новий з його кабелями в інвертор (тим більше що навіть з вигляду вони в два рази товстіші ніж ті що мені "майстер" рік тому підключив. Але виявилося що моя маленька викрутка не дає ради відкрутити клєми в інверторі - поїхав в епіцентр по нову нормальну викрутку.... Посилання на коментар Поділитися на інших сайтах More sharing options...
beavis Опубліковано: 21 липня 2024 Поділитись Опубліковано: 21 липня 2024 (змінено) 2 хвилини тому, yuragon сказав: (тим більше що навіть з вигляду вони в два рази товстіші ніж ті що мені "майстер" рік тому підключив А новий акум випадково не RW-M6.1-B? Бо якщо так, то сапорт казав, що не можна з'єднувати стару версію з новою, бо різні діаметри кабелів. А треба під'єднувати обидва акума одразу до інвертора Змінено 21 липня 2024 користувачем beavis Посилання на коментар Поділитися на інших сайтах More sharing options...
yuragon Опубліковано: 21 липня 2024 Поділитись Опубліковано: 21 липня 2024 10 минут назад, beavis сказал: А новий акум випадково не RW-M6.1-B? Бо якщо так, то сапорт казав, що не можна з'єднувати стару версію з новою, бо різні діаметри кабелів. А треба під'єднувати обидва акума одразу до інвертора Ось тут купував www.motoblok.biz/ua/catalog/15092/akumulyatori-dlya-dbz/73588/akumulyatorna-batareya-deye-48v-120ah-rw-m61-lifepo4.html Зараз приїду додому подивлюся інструкцію. обидва акума одразу до інвертора це просто дроти в інверторі від обох акумів на ту саму клему прикрутити? А PCS порти там в інверторі має бути два? Посилання на коментар Поділитися на інших сайтах More sharing options...
beavis Опубліковано: 21 липня 2024 Поділитись Опубліковано: 21 липня 2024 Тільки що, yuragon сказав: обидва акума одразу до інвертора це просто дроти в інверторі від обох акумів на ту саму клему прикрутити? так Тільки що, yuragon сказав: А PCS порти там в інверторі має бути два? ні, дата кабелі з'єднуєте по інструкції від одного акума до наступного 1 Посилання на коментар Поділитися на інших сайтах More sharing options...
Oleksandr Protsev Опубліковано: 21 липня 2024 Поділитись Опубліковано: 21 липня 2024 4 часа назад, beavis сказал: Pylontech має такий сапорт, як Деї? Вам зможуть просто по проханню в вотсапі одразу оновити прошивку чи глянути в чому може бути проблема? Дякую, нарешті хоть якась інформація. Deye має support (і для куплених в Китає теж?) Якщо жахнути гівнометом в парочку спеціалістів, то можна отримати багато корисної інформації. В мене є електрик, який видав рекомендації, які співпали з пропозиціями, які мені робили декілька компаній (до скаженого росту ціни) . Я ніколи не виключаю, що якась фірма може давати більший відкат, але думаю про людей добре. На жаль, це все дуже далека від мене сфера, а часу зараз нема зовсім. Киньте в мене ще якоюсь батареєю, для Deye 12кW, 3 фази і я піду звідси драконити китайців. Завжди люблю щоб була альтернатива. Дякую. Посилання на коментар Поділитися на інших сайтах More sharing options...
МакДо Опубліковано: 21 липня 2024 Поділитись Опубліковано: 21 липня 2024 22 хвилини тому, Oleksandr Protsev сказав: в Китає теж? Яка різниця де придбаний айфон?) 23 хвилини тому, Oleksandr Protsev сказав: Киньте в мене ще якоюсь батареєю Sunket ESS 10Kwh LV 1 Посилання на коментар Поділитися на інших сайтах More sharing options...
volomoto Опубліковано: 21 липня 2024 Поділитись Опубліковано: 21 липня 2024 8 годин тому, sly сказав: Я правильно розумію, що це максимальний шум? Чи є ще якийсь режим з підвищеними обертами? Так, це найвищі обороти і максимальний шум. Ще такий момент, що в мене зелений тариф, тому інвертор завжди працює на великій потужності, від чого і велика кількість тепла, яку треба розсіяти. Це тепло потрохи прогріває гараж і зараз там десь +28, тому кулери вмикаються ще частіше. 2 Посилання на коментар Поділитися на інших сайтах More sharing options...
volomoto Опубліковано: 21 липня 2024 Поділитись Опубліковано: 21 липня 2024 8 годин тому, yuragon сказав: Є фото У вас інвертор не спілкується з бмс і спочатку треба це виправити, а потім вже додавати ще одну. 2 Посилання на коментар Поділитися на інших сайтах More sharing options...
yuragon Опубліковано: 21 липня 2024 Поділитись Опубліковано: 21 липня 2024 3 минуты назад, volomoto сказал: У вас інвертор не спілкується з бмс і спочатку треба це виправити, а потім вже додавати ще одну. думаю що це через те що я писав вище - "майстер" минулого року як встановлював то втикнув PCS в OUT... Посилання на коментар Поділитися на інших сайтах More sharing options...
yuragon Опубліковано: 21 липня 2024 Поділитись Опубліковано: 21 липня 2024 (змінено) 4 часа назад, yuragon сказал: обидва акума одразу до інвертора це просто дроти в інверторі від обох акумів на ту саму клему прикрутити? як бідному женитись то й ніч коротка.... не зміг закрутити один болтик з двома клемами, на плюсі вийшло схопити різьбу на грані і далі дотягнув, а на мінусі так і не схопив, треба трошки довший болтик шукати Змінено 21 липня 2024 користувачем yuragon Посилання на коментар Поділитися на інших сайтах More sharing options...
beavis Опубліковано: 21 липня 2024 Поділитись Опубліковано: 21 липня 2024 55 хвилин тому, yuragon сказав: як бідному женитись то й ніч коротка.... не зміг закрутити один болтик з двома клемами, на плюсі вийшло схопити різьбу на грані і далі дотягнув, а на мінусі так і не схопив, треба трошки довший болтик шукати в ідеалі розподільчу коробку з DC автоматом, в якій об'єднати два акуми і далі до інвертора вести просто два кабелі замість чотирьох. Але то може з часом, як у Вас буде натхнення. 1 Посилання на коментар Поділитися на інших сайтах More sharing options...
90BCO Опубліковано: 22 липня 2024 Поділитись Опубліковано: 22 липня 2024 23 часа назад, volomoto сказал: Записав відео з шумом 3ф деє 10 кВт. Спойлер Відео з коментарями, тому слухайте докінця, правда я забув сказати, що коли вимкнулись зовнішні вентилятори, то всеодно залишився працювати внутрішній, який дає низькочастотний гул. IMG_1598.mov 248 \u041c\u0411 · 11 загрузок У вихідний ходив до сусіда послухати Deye 12k 3Ф. Він мене запросив в той момент, коли сонце заряджає аккуми. Ну, що сказати - космос! Чи то я глухий, але кулерів майже не чутно, в тамбурі або в прихожці можна спокійно встановлювати. П.С.: корпус приємно теплий, десь до 35 градусів на дотик. 6 Посилання на коментар Поділитися на інших сайтах More sharing options...
DimaF Опубліковано: 22 липня 2024 Поділитись Опубліковано: 22 липня 2024 (змінено) 25 минут назад, 90BCO сказал: в тамбурі або в прихожці можна спокійно встановлювати. Ну скажем так с натяжкой от безисходности)) Греется он тоже хорошо (будет гараж теперь с подогревом)) Да и собственно вид у него совсем не домашний, максимум можно в топочную засунуть. Змінено 22 липня 2024 користувачем DimaF 2 1 Посилання на коментар Поділитися на інших сайтах More sharing options...
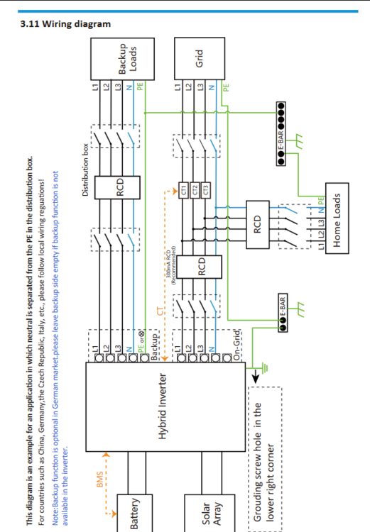
90BCO Опубліковано: 22 липня 2024 Поділитись Опубліковано: 22 липня 2024 1 час назад, 90BCO сказал: У вихідний ходив до сусіда послухати Deye 12k 3Ф.... Доречі, нейтралі у нього "обривають" всюди. Монтував на він, тож, монтажну схему я не побачив. Можливо, іншим разом попрошу зняти кришку з щитка: Посилання на коментар Поділитися на інших сайтах More sharing options...
beavis Опубліковано: 22 липня 2024 Поділитись Опубліковано: 22 липня 2024 9 хвилин тому, 90BCO сказав: Доречі, нейтралі у нього "обривають" всюди по схемі підключення у Deye так роблять, якщо нуль з заземленням не об'єднані 1 Посилання на коментар Поділитися на інших сайтах More sharing options...
Vikctor Опубліковано: 22 липня 2024 Поділитись Опубліковано: 22 липня 2024 2 часа назад, 90BCO сказал: Доречі, нейтралі у нього "обривають" всюди. Поясніть будь ласка що маєте на увазі. Посилання на коментар Поділитися на інших сайтах More sharing options...
beavis Опубліковано: 22 липня 2024 Поділитись Опубліковано: 22 липня 2024 3 хвилини тому, Vikctor сказав: Поясніть будь ласка що маєте на увазі. Рекомендуєте людині ставити розряд в 240А при рекомендованих 120А на два акума, а про нейтраль не розумієте?)) 1 Посилання на коментар Поділитися на інших сайтах More sharing options...
Vikctor Опубліковано: 22 липня 2024 Поділитись Опубліковано: 22 липня 2024 В 20.07.2024 в 07:13, МакДо сказал: ... Ви питали лише про доставку))). Ви навіть не уявляєте наскільки адекватна пані Анастасія на фоні інших. Чітко конкретно без зайвих рухів, та головне швидко. Не хотів би я мати таку дружину))) Якщо б ще працювала по вихідних як китаєць Алекс, то ціни б їй не було. Поки дочекався сьогодні її відповіді зв'язався ще з десятком перевізників. Схема зі всіма одна й та сама - (якщо звичайно взагалі беруть слухавку чи відповідають на запит, а не тупо ігнорять) як тільки чують деє одразу прайс 15-17 баксів за кг. В тому числі кораблем))) Напевно це зараз найбільш відомий нашим логістам китайський бренд. 1 1 Посилання на коментар Поділитися на інших сайтах More sharing options...
Vikctor Опубліковано: 22 липня 2024 Поділитись Опубліковано: 22 липня 2024 10 минут назад, beavis сказал: Рекомендуєте людині ставити розряд в 240А при рекомендованих 120А на два акума, а про нейтраль не розумієте?)) Я наче не до вас звертався. І загалом для ліферів це стандартна рекомендація - 0,5С на заряд та 1С на розряд. Уточню - стандартна за словами місцевих відео блогерів, яки збирають акб з комірок. Чому ваш виробник вирішив підстрахуватись я не в курсі. 1 Посилання на коментар Поділитися на інших сайтах More sharing options...
beavis Опубліковано: 22 липня 2024 Поділитись Опубліковано: 22 липня 2024 Тільки що, Vikctor сказав: Я наче не до вас звертався тоді пишіть автору в особисті, бо це форум. і за таку відповідь най вам інші пояснюють, якщо у них буде на те бажання. 1 хвилину тому, Vikctor сказав: Чому ваш виробник вирішив підстрахуватись я не в курсі. це не мій, це китайський. але мабудь виробник знає трохи більше про свої акуми і бмс, ніж загальноприйняте 1С. Посилання на коментар Поділитися на інших сайтах More sharing options...
Vikctor Опубліковано: 22 липня 2024 Поділитись Опубліковано: 22 липня 2024 Только что, beavis сказал: тоді пишіть автору в особисті, бо це форум. і за таку відповідь най вам інші пояснюють, якщо у них буде на те бажання. Давайте вирішим простіше - ви можете в подальшому не відповідати на будь-яке моє запитання з будь-якого приводу, коли я запитую будь-кого. Так буде простіше для всіх і перш за все для вас. Посилання на коментар Поділитися на інших сайтах More sharing options...
90BCO Опубліковано: 22 липня 2024 Поділитись Опубліковано: 22 липня 2024 31 минуту назад, Vikctor сказал: Поясніть будь ласка що маєте на увазі. 3 минуты назад, beavis сказал: тоді пишіть автору в особисті, бо це форум. і за таку відповідь най вам інші пояснюють, якщо у них буде на те бажання. Хлопці, не сваріться. От що я мав на увазі, чотирьохполюсні вимикачі (дякую @beavis ) : 2 Посилання на коментар Поділитися на інших сайтах More sharing options...
МакДо Опубліковано: 22 липня 2024 Поділитись Опубліковано: 22 липня 2024 35 хвилин тому, Vikctor сказав: Ви навіть не уявляєте наскільки адекватна пані Анастасія на фоні інших. Чітко конкретно без зайвих рухів, та головне швидко. Не хотів би я мати таку дружину))) Якщо б ще працювала по вихідних як китаєць Алекс, то ціни б їй не було. Поки дочекався сьогодні її відповіді зв'язався ще з десятком перевізників. Схема зі всіма одна й та сама - (якщо звичайно взагалі беруть слухавку чи відповідають на запит, а не тупо ігнорять) як тільки чують деє одразу прайс 15-17 баксів за кг. В тому числі кораблем))) Напевно це зараз найбільш відомий нашим логістам китайський бренд. Сьогодні уточнив, чи буде зменшена вартість доставки через зняття мита та пдв. Сказали - так, буде дешевше, чекають коли президент підпише документ. Сподіваюсь він зробить це за 70 днів. 🤣🤣🤣 Юху! 1 Посилання на коментар Поділитися на інших сайтах More sharing options...
Рекомендовані повідомлення
Створіть акаунт або увійдіть у нього для коментування
Ви маєте бути користувачем, щоб залишити коментар
Створити акаунт
Зареєструйтеся для отримання акаунта. Це просто!
Зареєструвати акаунтУвійти
Вже зареєстровані? Увійдіть тут.
Увійти зараз