vovarpd Опубліковано: 18 лютого 2012 Поділитись Опубліковано: 18 лютого 2012 Ще є питання по неперервному режимі і КПД котла. при вищій температурі, КПД котла краще (80/60 = 91% ), чим при такій низькій яку тримає "неперевний режим" (+40 було кілька днів назад, а зараз з потеплінням і після балансування ТП, котел став гріти ще менше, включається тепер при температурі менше 30, десь 26-27 на око. і до 40 не догріває. на декілька градусів впала температура носія). чи там невелика різниця в КПД ? ніде не можу найти дані залежності КПД від температури. тобто получається що при вкл-викл теоретично в мене мав би бути менший розхід газу чим зараз при неперервному режимі, так як зросте температура носія і КПД котла зросте ? які ж переваги неперевного ? чим він кращий від режиму вкл-викл ? стабільність температури в приміщенні краща і кращий комфорт ? як добитися щоби в неперевному режимі котел працював з оптимальним КПД ? як розмір радіаторів впливає на це ? Посилання на коментар Поділитися на інших сайтах More sharing options...
fagot68 Опубліковано: 18 лютого 2012 Поділитись Опубліковано: 18 лютого 2012 КПД вообще такая туманная величина...... Производитель даёт эту величину для идеальных условий,а реальную величину можно узнать только после измерений в каждом конкретном случае. для примера мой домашний котёл: левый-мин мощность,правай-макс(горелка ,правда ,наддувная) Посилання на коментар Поділитися на інших сайтах More sharing options...
Diver Опубліковано: 18 лютого 2012 Поділитись Опубліковано: 18 лютого 2012 для примера мой домашний котёл: левый-мин мощность,правай-макс опс... коты уже есть с принтерами ? Посилання на коментар Поділитися на інших сайтах More sharing options...
Сергей_84 Опубліковано: 19 лютого 2012 Поділитись Опубліковано: 19 лютого 2012 чи там невелика різниця в КПД ? ніде не можу найти дані залежності КПД від температури. ? 4-5 % при 30-40% от номинальной мощности....температура мало при делах Посилання на коментар Поділитися на інших сайтах More sharing options...
Сергей_84 Опубліковано: 19 лютого 2012 Поділитись Опубліковано: 19 лютого 2012 опс... коты уже есть с принтерами ? котлы нет, а газоанализаторы-да Посилання на коментар Поділитися на інших сайтах More sharing options...
AleksPoroshin68 Опубліковано: 1 березня 2012 Поділитись Опубліковано: 1 березня 2012 У меня двухконтурный котёл Vaillant TurboTEC Pro 24 кВт. Хочу поставить Auraton 2020. Как подсоединить подскажите. Посилання на коментар Поділитися на інших сайтах More sharing options...
Oleg_Nikopol Опубліковано: 1 березня 2012 Поділитись Опубліковано: 1 березня 2012 У меня двухконтурный котёл Vaillant TurboTEC Pro 24 кВт. Хочу поставить Auraton 2020. Как подсоединить подскажите. Насколько я понимаю, то просто вынимается соответствующая перемычка, а вместо нею вставляются два проводка от регулятора. Посилання на коментар Поділитися на інших сайтах More sharing options...
AleksPoroshin68 Опубліковано: 1 березня 2012 Поділитись Опубліковано: 1 березня 2012 У меня котёл Валиант. В руководстве по монтажу написано Комнатный термостат 230В (снять перемычку 3-4). Меня очень смущает надпись 230В. Там что присутствует напряжение 230В? Этот термостат, что тупо отрубает 220В от котла. Или он как-то по другому работает? Мне необходимо тянуть провода к этим контактам из соседней комнаты. Это не опасно? Какого они должны быть сечения и изоляции? Хотел узнать: смогу ли я пользоваться горячей водой, ведь котёл у меня двухконтурный. Вкачестве термостата хотел использовать AURATON 2020. Посилання на коментар Поділитися на інших сайтах More sharing options...
Interso Опубліковано: 1 березня 2012 Поділитись Опубліковано: 1 березня 2012 У меня котёл Валиант. В руководстве по монтажу написано Комнатный термостат 230В (снять перемычку 3-4). Меня очень смущает надпись 230В. Там что присутствует напряжение 230В? Этот термостат, что тупо отрубает 220В от котла. Или он как-то по другому работает? Мне необходимо тянуть провода к этим контактам из соседней комнаты. Это не опасно? Какого они должны быть сечения и изоляции? Хотел узнать: смогу ли я пользоваться горячей водой, ведь котёл у меня двухконтурный. Вкачестве термостата хотел использовать AURATON 2020. Небойтесь всё нормально, провод тянете 0,75. Нет он тупо 220v от котла не отключает. Горячей водой будете пользоватся когда захотите,термостат отключает только отопление. Посилання на коментар Поділитися на інших сайтах More sharing options...
kimo Опубліковано: 6 березня 2012 Поділитись Опубліковано: 6 березня 2012 У меня двухконтурный котёл Vaillant TurboTEC Pro 24 кВт. Хочу поставить Auraton 2020. Как подсоединить подскажите. Здесь подробно написано Программатор Auraton 2020. Инструкция на русском языке Посилання на коментар Поділитися на інших сайтах More sharing options...
anatoliys Опубліковано: 2 листопада 2012 Поділитись Опубліковано: 2 листопада 2012 Подскажите, куда подключить программатор. Перемычки тут нет нигде. Посилання на коментар Поділитися на інших сайтах More sharing options...
murava Опубліковано: 2 листопада 2012 Поділитись Опубліковано: 2 листопада 2012 Тут- никуда. Тут свой втыкается, вайлантовский. Посилання на коментар Поділитися на інших сайтах More sharing options...
anatoliys Опубліковано: 2 листопада 2012 Поділитись Опубліковано: 2 листопада 2012 Тут- никуда. Тут свой втыкается, вайлантовский. Ого. Круто однако. Там цена.... Посилання на коментар Поділитися на інших сайтах More sharing options...
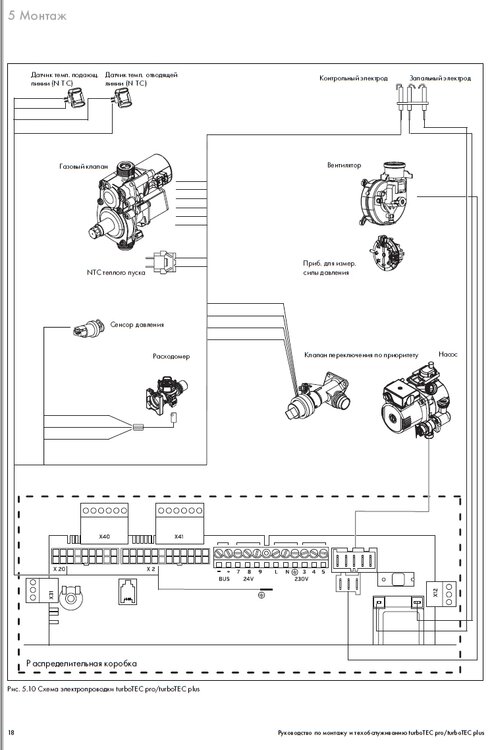
Теплотехник Опубліковано: 2 листопада 2012 Поділитись Опубліковано: 2 листопада 2012 (змінено) Подскажите, куда подключить программатор. Перемычки тут нет нигде. В инструкции на стр. 18 всё написано. Змінено 2 листопада 2012 користувачем Теплотехник Посилання на коментар Поділитися на інших сайтах More sharing options...
anatoliys Опубліковано: 2 листопада 2012 Поділитись Опубліковано: 2 листопада 2012 В инструкции на стр. 18 всё написано. Простому пользователю как то сложновато. Вы растолкуйте, пожалуйста. Куда подсоединять L-Line, а куда H-Heat ? Посилання на коментар Поділитися на інших сайтах More sharing options...
Теплотехник Опубліковано: 2 листопада 2012 Поділитись Опубліковано: 2 листопада 2012 (змінено) Простому пользователю как то сложновато. Вы растолкуйте, пожалуйста. Куда подсоединять L-Line, а куда H-Heat ? Что то у Вас не такая инструкция... Перемычка на клемах 3-4-5... Змінено 2 листопада 2012 користувачем Теплотехник Посилання на коментар Поділитися на інших сайтах More sharing options...
anatoliys Опубліковано: 2 листопада 2012 Поділитись Опубліковано: 2 листопада 2012 не такая инструкция... Перемычка на клемах 3-4-5... Инструкция с официального сайна vaillant. А какая перемычка? нигде не могу найти. Вы на моем приложенном фото ткните мне пальцем. Если можно, выложите фрагмент правильной инструкции Посилання на коментар Поділитися на інших сайтах More sharing options...
Сюзана Опубліковано: 2 листопада 2012 Поділитись Опубліковано: 2 листопада 2012 Чтобы добраться до перемычки нужно снять кожух котла, повернуть (опустить) вниз блок электроники (тот что у Вас на фото), и снять с него сзади крышку. 1 Посилання на коментар Поділитися на інших сайтах More sharing options...
anatoliys Опубліковано: 2 листопада 2012 Поділитись Опубліковано: 2 листопада 2012 (змінено) Чтобы добраться до перемычки нужно снять кожух котла, повернуть (опустить) вниз блок электроники (тот что у Вас на фото), и снять с него сзади крышку. Большое спасибо. Благодаря Вашей подсказке все получилось. Программатор подключен, все работает. Какую температуру лучше выставить на котле (сечас выставлена 55град)? Змінено 2 листопада 2012 користувачем anatoliys Посилання на коментар Поділитися на інших сайтах More sharing options...
vvasylenko Опубліковано: 7 листопада 2012 Поділитись Опубліковано: 7 листопада 2012 Регулятор, во всех случаях имеет смысл ставить или нет? И я не совсем понимаю механизм работы, регулятор просто не будет давать котлу включаться или каким другим методом регулирвоать температуру подачи? А по зонам как оно действует? Посилання на коментар Поділитися на інших сайтах More sharing options...
vovarpd Опубліковано: 7 листопада 2012 Поділитись Опубліковано: 7 листопада 2012 Регулятор, во всех случаях имеет смысл ставить или нет? И я не совсем понимаю механизм работы, регулятор просто не будет давать котлу включаться или каким другим методом регулирвоать температуру подачи? А по зонам как оно действует? дешеві програматори тільки включають відключають котел (постійно гріють до макс. температури яка виставлена крутілкою, потім відключаються.. і так далі. ). фірмові вайлантовські програматори мають 2 режима роботи. крім вкл-викл, є ще один режим. в ньому котел автоматично вибирає температуру подачі, незважаючи на положення крутілки на котлі (вона діє як обмежувач, тобто більше в будь якому випадку не нагріє) www.thermoplus.com.ua/reviews/9 Принцип работы комнатных регуляторов Vaillant состоит в регулировании газовой горелки от 40% до 100% вплоть до полного выключения котла. Преимущество непрерывного автоматического регулирования в том, что количество подаваемого тепла соответствует потребности в нем. 1 Посилання на коментар Поділитися на інших сайтах More sharing options...
vvasylenko Опубліковано: 7 листопада 2012 Поділитись Опубліковано: 7 листопада 2012 фірмові вайлантовські програматори мають 2 режима роботи. крім вкл-викл, є ще один режим. в ньому котел автоматично вибирає температуру подачі, незважаючи на положення крутілки на котлі (вона діє як обмежувач, тобто більше в будь якому випадку не нагріє) т.е. если на котле минимум можно выставить 45 то с помощью прогроматора можно сделать 30 и держать все время в доме 22 воздуха? Тогда осенью, весной не будет слишком жарко? Посилання на коментар Поділитися на інших сайтах More sharing options...
petryxa Опубліковано: 10 листопада 2012 Поділитись Опубліковано: 10 листопада 2012 підкажіть, які з тижневих програматорів можна поставити на котел Vailant VCW NL 242 E A25? Посилання на коментар Поділитися на інших сайтах More sharing options...
vovarpd Опубліковано: 10 листопада 2012 Поділитись Опубліковано: 10 листопада 2012 т.е. если на котле минимум можно выставить 45 то с помощью прогроматора можно сделать 30 и держать все время в доме 22 воздуха? Тогда осенью, весной не будет слишком жарко? всі програматори регулюють котел по датчику температури повітря в кімнаті! тому жарко небуде. просто роблять це різними способами.. одні включають-виключають котел і все (температуру теплоносія ви задаєте самостійно крутілкою на котлі).. короче як банальний тумблер. фірмові крім вкл-викл, можуть працювати по хитрішому алгоритму. регулюють температуру теплоносія самостійно а крутілкою ви тільки виставляєте допустимий максимум. наприклад. я десь в цій темі вже писав. на своєму вайлантовському програматорі я встановив той спецрежим, виставив крутілкою +60 на котлі. так от при морозах -20, і заданою температурою в приміщенні +18, котел більше +35-40 не нагрівав теплоносій. просто працював трошки довше. Посилання на коментар Поділитися на інших сайтах More sharing options...
vjachek Опубліковано: 12 листопада 2012 Поділитись Опубліковано: 12 листопада 2012 підкажіть, які з тижневих програматорів можна поставити на котел Vailant VCW NL 242 E A25? В мене підключений Euroster 2510, працює без проблем. Підключається на клеми, якщо не помиляюсь, 3 і 4 - там має бути перемичка. В принципі будь-який можна підключити, наприклад Auraton. 1 Посилання на коментар Поділитися на інших сайтах More sharing options...
Рекомендовані повідомлення
Створіть акаунт або увійдіть у нього для коментування
Ви маєте бути користувачем, щоб залишити коментар
Створити акаунт
Зареєструйтеся для отримання акаунта. Це просто!
Зареєструвати акаунтУвійти
Вже зареєстровані? Увійдіть тут.
Увійти зараз