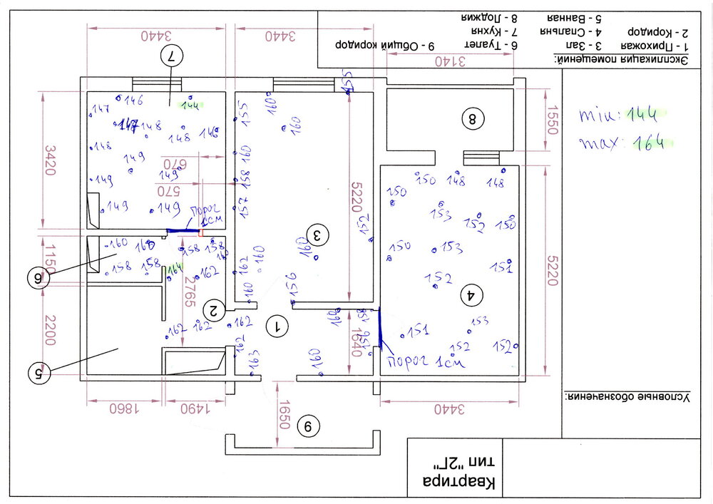
Nikalya Опубліковано: 7 квітня 2017 Поділитись Опубліковано: 7 квітня 2017 Добрый день уважаемые любители паркета) Замеряли уровень пола в новострое после строителей (фото пригалается). С учетом ступеней в 1см (подняты комната и кухня), перепад высот по всей квартире составляет около 2см. Подскажите, что делать со стяжкой, чтобы можно было приклеить к ней паркет? Посилання на коментар Поділитися на інших сайтах More sharing options...
4515222 Опубліковано: 8 квітня 2017 Поділитись Опубліковано: 8 квітня 2017 Добрый день уважаемые любители паркета) Замеряли уровень пола в новострое после строителей (фото пригалается). С учетом ступеней в 1см (подняты комната и кухня), перепад высот по всей квартире составляет около 2см. Подскажите, что делать со стяжкой, чтобы можно было приклеить к ней паркет? Вызвать паркетчика на объект и решить чем, как, сколько ровнять и укреплять. Что бы в случае чего знали какой советчик виноват.) Посилання на коментар Поділитися на інших сайтах More sharing options...
Академик Опубліковано: 10 квітня 2017 Поділитись Опубліковано: 10 квітня 2017 Добрый день уважаемые любители паркета) Замеряли уровень пола в новострое после строителей (фото пригалается). С учетом ступеней в 1см (подняты комната и кухня), перепад высот по всей квартире составляет около 2см. Подскажите, что делать со стяжкой, чтобы можно было приклеить к ней паркет? Возможность приклеивания паркета непосредственно к стяжке определяется не только показателями его ровности. Очень важны ещё несколько моментов: - влажность стяжки; - прочность стяжки; - тип, размер и узор паркета, который Вы хотите видеть на полу. Если Вы любезно соблаговолите уточнить эти моменты - тогда можно будет дать нормальный совет. Пока что однозначно можно ответить только то, что неровность в 20 мм придётся выравнивать (думаю, Вы и сами это понимаете). А вот как, чем и во что это выльется по финансам - можно будет подсчитать только после Ваших ответов. Если сами ответить затрудняетесь - воспользуйтесь советом от 4515222 - вызовите паркетчика. Посилання на коментар Поділитися на інших сайтах More sharing options...
Oxana75 Опубліковано: 10 квітня 2017 Поділитись Опубліковано: 10 квітня 2017 Подскажите пож каким цветным масло лучше покрыть паркет ясень (предположительно серый. Посилання на коментар Поділитися на інших сайтах More sharing options...
4515222 Опубліковано: 11 квітня 2017 Поділитись Опубліковано: 11 квітня 2017 Подскажите пож каким цветным масло лучше покрыть паркет ясень (предположительно серый. Любым паркетным маслом, Loba, Osmo, Pallman, Bona и другие. Выбирайте по цене и по цвету. Посилання на коментар Поділитися на інших сайтах More sharing options...
Берд Опубліковано: 11 квітня 2017 Поділитись Опубліковано: 11 квітня 2017 Подскажите, можно ли "плавающим способом" уложить многослойную паркетную доску, которая имеет соединение "шип-паз". Говорят, что ранее, до появления "замков" так стелился, в том числе, ламинат, клей наносился только в паз Посилання на коментар Поділитися на інших сайтах More sharing options...
Академик Опубліковано: 12 квітня 2017 Поділитись Опубліковано: 12 квітня 2017 Подскажите, можно ли "плавающим способом" уложить многослойную паркетную доску, которая имеет соединение "шип-паз". Говорят, что ранее, до появления "замков" так стелился, в том числе, ламинат, клей наносился только в паз Это правда, есть такая технология, причём описанная в действующих стандартах - укладка паркета с системой шип/паз плавающим способом. И клея любой уважающий себя производитель производит для склейки паркета таким способом. Но... там есть ряд ограничений по ровности, которая зависит от длины паркетной доски. Для доски длиной более 1,5 метра ровность нужна не хуже 1 мм/2 п.м. И ни каких мягких подложек под это дело не укладывается! В СНиПе советуют укладывать картон ДВП и т.д. Но, если у меня есть хоть один шанс - хочу отговорить Вас от этой затеи. Поверьте, это не надолго... Посилання на коментар Поділитися на інших сайтах More sharing options...
Stas Опубліковано: 13 квітня 2017 Поділитись Опубліковано: 13 квітня 2017 Друзья, есть вопрос по поводу шлифовки свежеуложенного паркета. Клал паркет сам, ясень, примерно 60м2. Перепады высот между плашками если встречаются то в пределах 1мм. Ну разве одно место где небольшой бугор и перепад 2мм. Есть в хозяйстве орбиталка(150мм) для углов. Хочу взять в аренду трио и шлифовать без предварительного прохода барабанной машиной. Причина в том что барабаном, я так понял, без опыта нарою ям, а спецы браться за одну только шлифовку барабаном не хотят. Поэтому, почитав интернет, у меня сложилось впечатление что можно шлифовать сразу трио, больше уйдет образива, но зато экономия на рабочих и минус риск от моих кривых рук. Прошу спецов прокомментировать насколько я прав или ошибаюсь. И по возможности сориентируйте по количеству наждачки, сколько и какого зерна покупать. Из производителей доступны bona и Klingspor. Паркет будет под масловоском, уже куплено borma 1030. Делаю для себя, к дворцовости не стремлюсь, идеальной стеклянной поверхностью добиваться не намерен. Посилання на коментар Поділитися на інших сайтах More sharing options...
4515222 Опубліковано: 14 квітня 2017 Поділитись Опубліковано: 14 квітня 2017 Друзья, есть вопрос по поводу шлифовки свежеуложенного паркета. Клал паркет сам, ясень, примерно 60м2. Перепады высот между плашками если встречаются то в пределах 1мм. Ну разве одно место где небольшой бугор и перепад 2мм. Есть в хозяйстве орбиталка(150мм) для углов. Хочу взять в аренду трио и шлифовать без предварительного прохода барабанной машиной. Причина в том что барабаном, я так понял, без опыта нарою ям, а спецы браться за одну только шлифовку барабаном не хотят. Поэтому, почитав интернет, у меня сложилось впечатление что можно шлифовать сразу трио, больше уйдет образива, но зато экономия на рабочих и минус риск от моих кривых рук. Прошу спецов прокомментировать насколько я прав или ошибаюсь. И по возможности сориентируйте по количеству наждачки, сколько и какого зерна покупать. Из производителей доступны bona и Klingspor. Паркет будет под масловоском, уже куплено borma 1030. Делаю для себя, к дворцовости не стремлюсь, идеальной стеклянной поверхностью добиваться не намерен. Можно сразу трио, орбиталкой по краям. Абразив нужно циркониевый брать. На аренду и абразив могу дать контакт, лишний абразив можно вернуть. В идеале нужно от P40 до Р150 по пару зарядов думаю хватит. Абразив стоит по 1евро примерно. Могу еще предложить от себя выровнять барабанной машиной по 45грн сделаем как для форума, вы купите мелких пару размеров абразивов и доведёте плоской. 1 Посилання на коментар Поділитися на інших сайтах More sharing options...
Stas Опубліковано: 14 квітня 2017 Поділитись Опубліковано: 14 квітня 2017 Огромное спасибо за быстрый ответ, а то я завис с этим вопросом Спасибо за предложение, ниже вашей цены не видел, но раз можно сразу трио, шлифовать буду сам. Осуществить проект полностью своими руками от начала и до конца - это большой соблазн, уже не упоминаю что денег просто нет. С благодарностью приму контакты по образиву и аренде, возможность вернуть лишнее вообще крайне удобный вариант. Я так понимаю расход 40-ки будет самый большой, а остальных от 60 до 150 можно брать по шесть штук? Посилання на коментар Поділитися на інших сайтах More sharing options...
4515222 Опубліковано: 14 квітня 2017 Поділитись Опубліковано: 14 квітня 2017 Огромное спасибо за быстрый ответ, а то я завис с этим вопросом Спасибо за предложение, ниже вашей цены не видел, но раз можно сразу трио, шлифовать буду сам. Осуществить проект полностью своими руками от начала и до конца - это большой соблазн, уже не упоминаю что денег просто нет. С благодарностью приму контакты по образиву и аренде, возможность вернуть лишнее вообще крайне удобный вариант. Я так понимаю расход 40-ки будет самый большой, а остальных от 60 до 150 можно брать по шесть штук? ответил в личку Посилання на коментар Поділитися на інших сайтах More sharing options...
AppleWhite Опубліковано: 14 квітня 2017 Поділитись Опубліковано: 14 квітня 2017 Подскажите пож каким цветным масло лучше покрыть паркет ясень (предположительно серый. У нас теж ясен, оливковий, зупинилася на олії Rubio Moтocoat, колір Natural. Паркет ще не клали, тому про кінцевий результат не можу сказати, але на зразку мені подобається - цей відтінок олії майже не змінює колір ясена. Але в Rubio є багато інших відтінків, треба брати плашку і їхати в магазин пробувати. Посилання на коментар Поділитися на інших сайтах More sharing options...
r2d2z2 Опубліковано: 14 квітня 2017 Поділитись Опубліковано: 14 квітня 2017 Поверьте, это не надолго... И что же случится за это "не надолго"? Посилання на коментар Поділитися на інших сайтах More sharing options...
Oxana75 Опубліковано: 14 квітня 2017 Поділитись Опубліковано: 14 квітня 2017 У нас теж ясен, оливковий, зупинилася на олії Rubio Moтocoat, колір Natural. Паркет ще не клали, тому про кінцевий результат не можу сказати, але на зразку мені подобається - цей відтінок олії майже не змінює колір ясена. Але в Rubio є багато інших відтінків, треба брати плашку і їхати в магазин пробувати. у нас ясень белый, и цвет нужно поменять под стиль (цвет) стен, что то типа серо-голубой или серо-сиреневый Посилання на коментар Поділитися на інших сайтах More sharing options...
4515222 Опубліковано: 15 квітня 2017 Поділитись Опубліковано: 15 квітня 2017 У нас теж ясен, оливковий, зупинилася на олії Rubio Moтocoat, колір Natural. Паркет ще не клали, тому про кінцевий результат не можу сказати, але на зразку мені подобається - цей відтінок олії майже не змінює колір ясена. Але в Rubio є багато інших відтінків, треба брати плашку і їхати в магазин пробувати. Намазать на планке не сложно, а вот сделать на большой площади без наплывов и пятен, это другой вопрос. И тут все материалы ведут себя по разному. И отличаются от образцов, по тому что метод нанесения разный. Посилання на коментар Поділитися на інших сайтах More sharing options...
AppleWhite Опубліковано: 2 червня 2017 Поділитись Опубліковано: 2 червня 2017 Просили мене показати, який вийшов ясен під Rubio Monocoat у відтінку Natural. Розміщу тут, може, ще комусь буде цікаво. Насправді на знімках відтінок передано не зовсім правильно (точніше, зовсім неправильно), але вже як є, так є. Насправді відтінок досить світлий, приблизно такий, як на першому знімку, але оскільки сам знімок розмитий (знімала на телефон), то додаю ще й інші, хоча там відтінок затемний. Якось так Ну, принаймні я результатом задоволена. 3 Посилання на коментар Поділитися на інших сайтах More sharing options...
МаТраС Опубліковано: 23 червня 2017 Поділитись Опубліковано: 23 червня 2017 Я не академик, но думаю он бы Вам посоветовал паркет. Лично я предпочел бы ламинат. Если купить качественный и хороший ламинат, то по ценовой политике вы выиграете, "Трястись" над ним не надо. При нормальной эксплуатации у вас не возникнет проблем с царапинами, вмятинами и т.д. Тем более более высокая износостойкость и экологичность. Но это всегда индивидуальный подход. Вы должны выбирать то, что вам по душе. Также можете рассмотреть вариант ламината Kronospan. Выбирать надо немецкое производство. Если заинтересует могу помочь с приобретением по ценам ниже магазинных. Скидка будет зависить от объема, кто укладывает я или другой укладчик. я как раз и рассматриваю ламинат kronospan , нашел в сети анжио - 206 грн квадрат. со скидкой 186 получается. пока плохого не читал онем. нашел такой вот- не реклама модеры)) buddvir.com.ua/ru/catalog/detail/laminat/kronospan_real_wood_32kl_8129_dub_verona_8mm/ Посилання на коментар Поділитися на інших сайтах More sharing options...
ngstil Опубліковано: 25 червня 2017 Поділитись Опубліковано: 25 червня 2017 Я предпочитаю советовать своим клиентам ламинат с фаской. У ламината без фаски есть много недостатков. Вы выбрали именно без фаски. Посмотрите серию вариостеп классик или вариостеп нерроу. Очень качественные и по нормальной цене. Если вы из киева, то мы можем встретиться в магазине и я бы вам там доступно объяснил почему ламинат с фаской лучше! В то же время если вы уже определились однозначно, могу пожелать Вам удачи и длительной эксплуатации Вашего напольного покрытия. Посилання на коментар Поділитися на інших сайтах More sharing options...
AleXkit Опубліковано: 27 червня 2017 Поділитись Опубліковано: 27 червня 2017 Хочу спросить, а паркетная доска любая шлифуется? со временем протерлась и впитала мрачный черный цвет?))) Посилання на коментар Поділитися на інших сайтах More sharing options...
cosie Опубліковано: 27 червня 2017 Поділитись Опубліковано: 27 червня 2017 а есть у кого-то опыт использования паркетных досок легарт? Посилання на коментар Поділитися на інших сайтах More sharing options...
Академик Опубліковано: 27 червня 2017 Поділитись Опубліковано: 27 червня 2017 Хочу спросить, а паркетная доска любая шлифуется? со временем протерлась и впитала мрачный черный цвет?))) Очень часто такие вещи можно исправить сперва отмыв въевшуюся грязь специальными моющими средствами для паркета, а после этого - покрыв доску сверху таким же покрытием, каким она и была покрыта. Ещё вариант. Если подобная проблема лишь на одной или нескольких досках - выделите их малярной лентой что б не задеть остальные и шлифаните локально только доски с потёртостями. После этого - нанесите на них покрытие. Т.к. каждая доска - индивидуальна, даже если получите несколько иной оттенок (остальные могли выцвести от времени) - получите внешний вид - типа так и было изначально. Такая технология локальной реставрации может применяться самостоятельно, сложной техники для неё не нужно - достаточно эксцентрика, и её можно применить на досках с очень тонким рабочим слоем (есть доски со слоем шпона по 0,8 мм). 1 Посилання на коментар Поділитися на інших сайтах More sharing options...
AleXkit Опубліковано: 29 червня 2017 Поділитись Опубліковано: 29 червня 2017 А каким лучше зерном шлифануть (болгарка)? и какой лак/масло посоветуете более износостойкое? Посилання на коментар Поділитися на інших сайтах More sharing options...
Академик Опубліковано: 29 червня 2017 Поділитись Опубліковано: 29 червня 2017 А каким лучше зерном шлифануть (болгарка)? и какой лак/масло посоветуете более износостойкое? У болгарки слишком высокие обороты для такой тонкой работы и вероятность наделать беды при малейшем перекосе - очень велика. По этому, если нет эксцентрика - можете спокойно шлифануть ручками, я так делаю со всеми образцами для клиентов, начните со шкурки 180 и шлифуйте строго по длине доски (не поперёк!)! Если слой покрытия окажется очень толстым - можете взять шкурку 120. В большинстве случаев, применяя шкурку с зерном 180 можно удалить дефекты не снимая слой покрытия полностью. Вам нужно локально добиться пропадания дефектов в местах где они есть, а всю остальную поверхность на конкретной доске - можно только заматовать. Это даст визуальную равномерность. Советовать какой либо бренд масел или лаков на этом форуме - дело не благодарное. Т.к. присутствующие здесь продавцы данного направления сразу же начинают меня обвинять в "продвижениях"..., "ничего не понимании"..., "руках из Ж...", и писать что никогда не слышали о проблемах со своими маслами. Я в подобной болтовне с продавцами участвовать не хочу. Единственное масло, которое я крайне не рекомендую - это бесцветные масла ОСМО, которые продаются в Украине. Буквально 3 часа назад позвонил клиент, которому маслом ОСМО 3032 нанесли защитный слой. Спустя 2 месяца клиент приехал и решил протереть хорошо отжатой тряпкой смоченной только водой свои полы, и обранужил что там где только что протирал - масло почернело. А комната где применялось б/ц масло Pallmann - каким было, таким и осталось. Это подаю просто как свежий факт, без дискуссии. 1 Посилання на коментар Поділитися на інших сайтах More sharing options...
AleXkit Опубліковано: 6 липня 2017 Поділитись Опубліковано: 6 липня 2017 Оказалось проблемой подобрать лак+тон)) Посилання на коментар Поділитися на інших сайтах More sharing options...
Академик Опубліковано: 6 липня 2017 Поділитись Опубліковано: 6 липня 2017 Оказалось проблемой подобрать лак+тон)) А Вы что хотели? Восстановить лак + тон всегда было большой проблемой, в отличии от тон + масло 1 Посилання на коментар Поділитися на інших сайтах More sharing options...
Рекомендовані повідомлення
Створіть акаунт або увійдіть у нього для коментування
Ви маєте бути користувачем, щоб залишити коментар
Створити акаунт
Зареєструйтеся для отримання акаунта. Це просто!
Зареєструвати акаунтУвійти
Вже зареєстровані? Увійдіть тут.
Увійти зараз