viktor-gon Опубліковано: 31 березня 2013 Поділитись Опубліковано: 31 березня 2013 Нарисуйте схему как вы будете подключать нормально-открытые головки и тогда поймёте что не так. Вот нарисовал - получилось действительно немного сложнее. Хотя, можно подобрать реле, которое заменит сразу 2 (т.е одно реле и на привод и на котел). Кстати есть термоэлектрические головки со встроенным внутри микровыключателем,вот один из них как для примера, этот пришлось розобрать и перепаять контакты микровыключателя. А для чего эти микровыключатели? Посилання на коментар Поділитися на інших сайтах More sharing options...
Interso Опубліковано: 31 березня 2013 Поділитись Опубліковано: 31 березня 2013 Вот нарисовал - получилось действительно немного сложнее. Хотя, можно подобрать реле, которое заменит сразу 2 (т.е одно реле и на привод и на котел). [ATTACH]263291[/ATTACH] Ну вот видите из за того что приводы НО вам пришлось задействовать на две реллюшки больше, хотя это можна решить большим числом груп переключения в реллюшке типа как на фото. И самое главное и безсмысленное что в период когда не надо отопление эти приводы под напряжением а это говорит что они будут цэлое лето под этим напряжением. А для чего эти микровыключатели? Попробую вам нарисовать зачем они нужны. Посилання на коментар Поділитися на інших сайтах More sharing options...
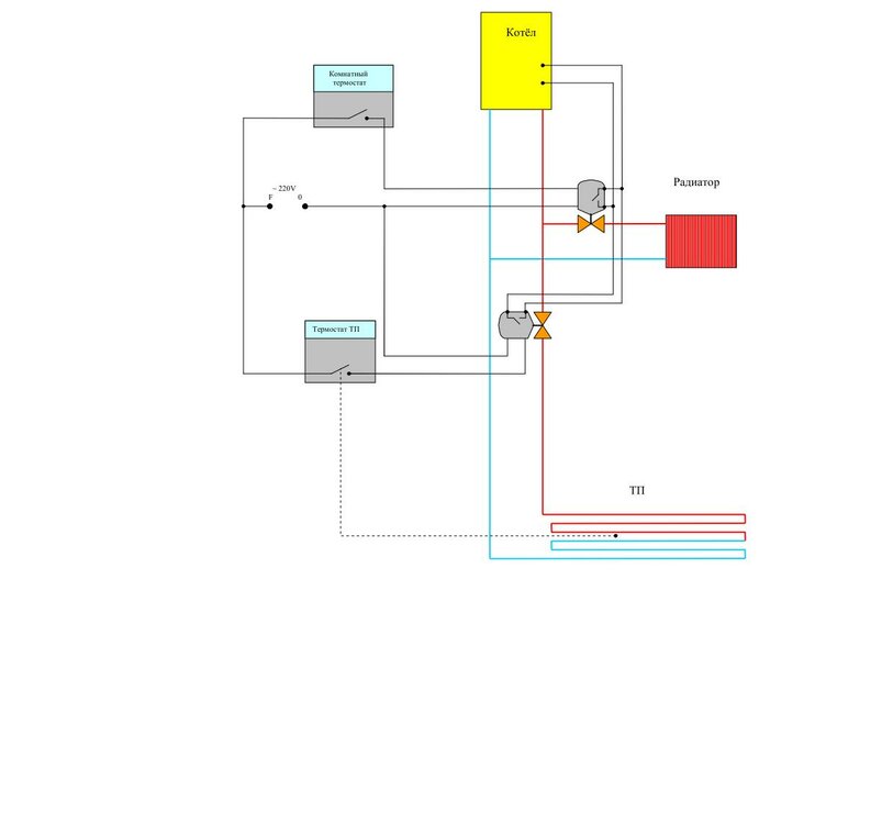
viktor-gon Опубліковано: 31 березня 2013 Поділитись Опубліковано: 31 березня 2013 Ну вот видите из за того что приводы НО вам пришлось задействовать на две реллюшки больше, хотя это можна решить большим числом груп переключения в реллюшке типа как на фото. Да, согласен, что одной релюшкой будет "красивее". И самое главное и безсмысленное что в период когда не надо отопление эти приводы под напряжением а это говорит что они будут цэлое лето под этим напряжением. Если их не выключать на лето, то намотают почти 200 кВт за 6 месяцев. Наверное все-таки убедили меня Попробую вам нарисовать зачем они нужны. Буду благодарен. Посилання на коментар Поділитися на інших сайтах More sharing options...
Interso Опубліковано: 31 березня 2013 Поділитись Опубліковано: 31 березня 2013 Да, согласен, что одной релюшкой будет "красивее". Если их не выключать на лето, то намотают почти 200 кВт за 6 месяцев. Наверное все-таки убедили меня Буду благодарен. Вот так будет выглядеть с микровыключателями в термоэлектрических или моторизированых приводах. 1 Посилання на коментар Поділитися на інших сайтах More sharing options...
south Опубліковано: 1 квітня 2013 Поділитись Опубліковано: 1 квітня 2013 На пример как? в таком варианте как у вас в схемах - также как и вы,наверное. разве что дополнил бы отключением насоса теплого пола при закрытии всех контуров,но думаю что это и вы делаете. Посилання на коментар Поділитися на інших сайтах More sharing options...
Interso Опубліковано: 1 квітня 2013 Поділитись Опубліковано: 1 квітня 2013 в таком варианте как у вас в схемах - также как и вы,наверное. разве что дополнил бы отключением насоса теплого пола при закрытии всех контуров,но думаю что это и вы делаете. Совершенно верно, эта схема как пример чтобы было понятно как это работает. Посилання на коментар Поділитися на інших сайтах More sharing options...
viktor-gon Опубліковано: 2 квітня 2013 Поділитись Опубліковано: 2 квітня 2013 Interso, может вы не встречали - вот недорогой контроллер, который вам может быть полезен voron.ua/catalog/015186 Работает как диф.контроллер и может работать в режиме таймера. 1 Посилання на коментар Поділитися на інших сайтах More sharing options...
Interso Опубліковано: 2 квітня 2013 Поділитись Опубліковано: 2 квітня 2013 Interso, может вы не встречали - вот недорогой контроллер, который вам может быть полезен voron.ua/catalog/015186 Работает как диф.контроллер и может работать в режиме таймера. Спасибо за инфу. может гдето и подойдёт,но плохо что нет корпуса. Я сейчас ставлю вот такую модель и им подобные на дин-рейку а корпус можна купить любой. 1 Посилання на коментар Поділитися на інших сайтах More sharing options...
sah79 Опубліковано: 3 квітня 2013 Поділитись Опубліковано: 3 квітня 2013 Спасибо за инфу І я поділюсь : www.ukrrele.com/thermo-regulator.htm .Брав не раз у них-якість за такі гроші нормальна.правда у них тільки однозонні. 1 Посилання на коментар Поділитися на інших сайтах More sharing options...
zuev Опубліковано: 3 квітня 2013 Поділитись Опубліковано: 3 квітня 2013 Да, по моему придется их менять на нормально закрытые. Когда получу термостаты и приводы, то проверю точно. Правда, можно дополнительно релюшкой все вылечить, но лучше без лишних реле. Хотя, у тех же terneo pro есть как вроде и NC (нормально закрытый?) и NO (нормально открытый?) выходы. А у этих ничего не написано... Нормально закрытые сервопривода обычно ставят на теплые полы, а нормально открытые - на радиаторы. Причина - логика работы этих устройств после отключения питания. Подумайте сами, в феншуйных сантехнических книжках об этом не напишут. Посилання на коментар Поділитися на інших сайтах More sharing options...
viktor-gon Опубліковано: 3 квітня 2013 Поділитись Опубліковано: 3 квітня 2013 Нормально закрытые сервопривода обычно ставят на теплые полы, а нормально открытые - на радиаторы. Причина - логика работы этих устройств после отключения питания. Подумайте сами, в феншуйных сантехнических книжках об этом не напишут. Не вижу особой разницы между логикой работы теплого пола и радиатора. При отключении питания - и ТП и радиатор должны по возможности греть. Посилання на коментар Поділитися на інших сайтах More sharing options...
viktor-gon Опубліковано: 8 листопада 2013 Поділитись Опубліковано: 8 листопада 2013 Немного подниму темку... Сегодня наконец-то запустил котел! Заложил кучу проводов под контроллеры, под датчики пола. Буду скоро все это воедино собирать. У меня вопрос по поводу отключения насоса теплого пола, когда "все" петли перекрываются. Надо ли это делать и есть ли в этом смысл? На примере 2-го этажа. У меня на 2-м этаже 9 петель теплого пола. На 7 из них поставлю сервоприводы. На 2 петли (санузел и гардероб) нет. Т.е они выполняют роль байпасов, к тому же, есть на коллекторе и штатный байпасс. Получается, что если закрываются все 7 петель на сервоприводах и я отключу насос, то гардероб и санузел тоже перестанут обогреваться. Или ничего страшного? P.S: Случай, когда на каждую петлю установлен сервопривод не рассматриваем, так как там ясно - все петли закрыты, насосу нечего "крутить". Посилання на коментар Поділитися на інших сайтах More sharing options...
murava Опубліковано: 8 листопада 2013 Поділитись Опубліковано: 8 листопада 2013 Лучше пусть греются. Если это необходимо. Посилання на коментар Поділитися на інших сайтах More sharing options...
viktor-gon Опубліковано: 8 листопада 2013 Поділитись Опубліковано: 8 листопада 2013 Лучше пусть греются. Если это необходимо. А с другой стороны - котел то я все равно собирался отключать. Если котел отключен, то насосу все равно крутить особо пользы нет. Если не отключать насос теплого пола, то работать он будет весь отопительный сезон без единого перерыва. а у меня их 3. 1 Посилання на коментар Поділитися на інших сайтах More sharing options...
sov1178 Опубліковано: 8 листопада 2013 Поділитись Опубліковано: 8 листопада 2013 А с другой стороны - котел то я все равно собирался отключать. Если котел отключен, то насосу все равно крутить особо пользы нет. Наверное можно сделать отключение с помощью термостата - остыла вода ниже определенного порога, когда ТП уже "не греет" - отключили насос. Посилання на коментар Поділитися на інших сайтах More sharing options...
viktor-gon Опубліковано: 18 вересня 2014 Поділитись Опубліковано: 18 вересня 2014 Терморегулятор В08РЕ в меню настроек Top теперь настройки ограничения нагрева пола от 30С - до 80С. Теперь все нормально, можно ставить не только под электро отопление, но и под водяной пол. Производитель внес изменения в настройки. Рекомендую, классный терморегулятор. Инструкция настройки В08РЕ в приложении. Да, да... Вы мне кстати звонили. И предлагали на обмен. Только у вас там стреляли во всю, и я так и не решился отправлять их обратно. Но могу все-равно сказать один минус. Режим ALL идеально не подходит для регулировки теплого пола. Представьте себе ситуацию, что теплый пол на кухне, а в кухне есть дровяной камин и духовка. И мы решили целый день топить камином. Воздух в помещении прогрелся из-за камина и терморегулятор отключил теплый пол. В течении дня теплый пол остывает и ходить по нему становится не комфортно, хотя воздух типа теплый от камина, но пол уже холодный! Поэтому, кроме TOP должен быть пункт LOP (нижний предел). И выставлять LOP где-то на 25С а TOP на 30С. И чтобы контроллер в режиме ALL работал по воздуху, но держал пол между LOP и TOP. А так, внешний датчик сейчас использую только для того, чтобы глянуть температуру в поле. Посилання на коментар Поділитися на інших сайтах More sharing options...
Dmode Опубліковано: 30 листопада 2014 Поділитись Опубліковано: 30 листопада 2014 У меня все отопление только ТП. Температура подачи эквитермально регулируется от датчика внешней температуры. В целом все работает отлично. Хочется большей кастомизации. Например хотелось бы получить возможность понижать температуру в определенном помещении, без необходимости ручной регулировки баланса на коллекторе. Поэтому планирую взять НО сервопривода, которые будут включаться, только если поступит команда от термостата, что в помещении требуется ограничить температуру. Посоветуйте какие стоит взять сервпорпиводы на коллектор ТП на 24В. Посилання на коментар Поділитися на інших сайтах More sharing options...
Ndrey Опубліковано: 30 листопада 2014 Поділитись Опубліковано: 30 листопада 2014 Терморегулятор В08РЕ в меню настроек Top теперь настройки ограничения нагрева пола от 30С - до 80С. Теперь все нормально, можно ставить не только под электро отопление, но и под водяной пол. Производитель внес изменения в настройки. Рекомендую, классный терморегулятор. Инструкция настройки В08РЕ в приложении. Скиньте, пожалуйста, инструкцию и предложение по цене на Ndrey@i.ua/ Спасибо. Добавлено через 2 минуты Немного подниму темку... Сегодня наконец-то запустил котел! Заложил кучу проводов под контроллеры, под датчики пола. Буду скоро все это воедино собирать. У меня вопрос по поводу отключения насоса теплого пола, когда "все" петли перекрываются. Надо ли это делать и есть ли в этом смысл? На примере 2-го этажа. У меня на 2-м этаже 9 петель теплого пола. На 7 из них поставлю сервоприводы. На 2 петли (санузел и гардероб) нет. Т.е они выполняют роль байпасов, к тому же, есть на коллекторе и штатный байпасс. Получается, что если закрываются все 7 петель на сервоприводах и я отключу насос, то гардероб и санузел тоже перестанут обогреваться. Или ничего страшного? P.S: Случай, когда на каждую петлю установлен сервопривод не рассматриваем, так как там ясно - все петли закрыты, насосу нечего "крутить". Где-то находил устройство, которое отключает насос, если все петли закрыты. Завтра поищу ссылку на рабочем компе, если не забуду. Посилання на коментар Поділитися на інших сайтах More sharing options...
sov1178 Опубліковано: 30 листопада 2014 Поділитись Опубліковано: 30 листопада 2014 Посоветуйте какие стоит взять сервпорпиводы на коллектор ТП на 24В. Наверное такие, которые к Вашему коллектору подойдут, они ведь разные бывают. ;) Посилання на коментар Поділитися на інших сайтах More sharing options...
Dmode Опубліковано: 30 листопада 2014 Поділитись Опубліковано: 30 листопада 2014 Наверное такие, которые к Вашему коллектору подойдут, они ведь разные бывают. A, ну теперь все ясно, пошел брать . Понятно что резьба должна подходить. Но меня интересует практический опыт, того кто уже их ставил или использует. Чтобы не встать на грабли. Например гугл первым находит такой сервопривод на 24В. Хрен его знает что за зверь, может на него (FIV) вобще не стоит обращать внимания. Поэтому обратился за советом знающих людей, может порекомендуют что предпочтительнее выбрать. Посилання на коментар Поділитися на інших сайтах More sharing options...
sov1178 Опубліковано: 30 листопада 2014 Поділитись Опубліковано: 30 листопада 2014 Понятно что резьба должна подходить. Когда я интересовался, мне говорили, что не только резьба - вроде есть варианты с разным ходом штока. В итоге взял все Данфосовское. Думаю лучше Вам спросить в теме про сантехнические вопросы, указав что за коллектор у Вас. 1 Посилання на коментар Поділитися на інших сайтах More sharing options...
yur43 Опубліковано: 1 грудня 2014 Поділитись Опубліковано: 1 грудня 2014 Практики, подскажите. Хочу переделать управление своими полами. Поставить в комнатах датчики, через центральный процессор коммутировать исполнительные устройства. Температурные режимы по индивидуальным для каждой зоны програмам. Интересует надёжность механики этих задвижек, клапанов, пропорциональных регуляторов. Бывают ли отказы? Пока вижу типы исполнительных: Электромагнитные клапана, электрозадвижки на основе шаровых кранов, электропривода для регуляторов под термоголовки. Как надёжно это все работает при интенсивном использовании? Что предпочтительнее для управления полами? Режим лучше импульсный или с длительными переключениями ? Тот же ВМ-8036 позволяет балансировать контура импульсным режимом, индивидуально просчитанным для каждого контура. То есть, балансировки другой, кроме электронной не нужно. Но исполнительное устройство будет щелкать, жужжать постоянно. Или есть другие варианты? Посилання на коментар Поділитися на інших сайтах More sharing options...
sov1178 Опубліковано: 1 грудня 2014 Поділитись Опубліковано: 1 грудня 2014 То есть, балансировки другой, кроме электронной не нужно. ИМХО, неправильно это - отбалансируйте как положено, чтобы получались нужные параметры системы отопления без приводов. Но исполнительное устройство будет щелкать, жужжать постоянно. А чему жужжать в термоприводе? Та парафин (или другое рабочее тело) нагревается и расширяясь давит на шток - и все. Посилання на коментар Поділитися на інших сайтах More sharing options...
yur43 Опубліковано: 1 грудня 2014 Поділитись Опубліковано: 1 грудня 2014 Нет, термоголовки у меня стоят сейчас. За восемь лет проблем не было, но.. при регулировании полов термоголовками или балансировка контуров уменьшением протока, возникает эффект - начало контура гарячее, конец холодный. А я хочу именно добиться равномерно низкой и постоянной температуры пирога. То есть, более цифровой режим регулирования: балансировка определяется скважностью включения исполнительного устройства , а теплопроизводительность регулируется временем работы данного контура. При такой работе, в контур впрыскивается нужное количество тепла по всей длине. Посилання на коментар Поділитися на інших сайтах More sharing options...
murava Опубліковано: 1 грудня 2014 Поділитись Опубліковано: 1 грудня 2014 Долго читал и так и не понял какова конечная цель городить такой сложный огород: скважность, импульсное регулирование, модуляция протоков. Это все при полах не имеет смысла- их инерционность и время отклика на действие до такой степени велико, что хватит простого релейного вкл/выкл проток по контурам. Посилання на коментар Поділитися на інших сайтах More sharing options...
Рекомендовані повідомлення
Створіть акаунт або увійдіть у нього для коментування
Ви маєте бути користувачем, щоб залишити коментар
Створити акаунт
Зареєструйтеся для отримання акаунта. Це просто!
Зареєструвати акаунтУвійти
Вже зареєстровані? Увійдіть тут.
Увійти зараз