AdessA7 Опубліковано: 1 жовтня 2015 Поділитись Опубліковано: 1 жовтня 2015 в смысле реклама ? Посилання на коментар Поділитися на інших сайтах More sharing options...
naupv Опубліковано: 1 жовтня 2015 Поділитись Опубліковано: 1 жовтня 2015 сколько стоит монтаж радиаторов отопления https://www.rabotniki.ua/ua/price/?spec=9&pid=46 Посилання на коментар Поділитися на інших сайтах More sharing options...
AdessA7 Опубліковано: 1 жовтня 2015 Поділитись Опубліковано: 1 жовтня 2015 Это все здорово, только мне предлагают по 26.18грн за одну секцию. На том сайте что Вы дали- средняя цена 255грн. Разница, как бы, не маленькая. Знакомый у них котел газовый заказывал- вроде норм все поставили. А тут че-то дешего вроде... Или я не правильно понимаю- секция радиатора- это 1 радиатор ? или нужно умножить на кол-во частей самого радиатора ? Посилання на коментар Поділитися на інших сайтах More sharing options...
naupv Опубліковано: 1 жовтня 2015 Поділитись Опубліковано: 1 жовтня 2015 Вы сантехник или застройщик? Посилання на коментар Поділитися на інших сайтах More sharing options...
Interso Опубліковано: 1 жовтня 2015 Поділитись Опубліковано: 1 жовтня 2015 Не сбивайте людей с толку. При работающем насосе на любом котле перетока через второй не будет. Если вы говорите о перетоке через неработающий котел от насосов на потребителях, значит они у вас неверно подобраны или не отрегулированы расходы. Как скажете пусть будет так Посилання на коментар Поділитися на інших сайтах More sharing options...
silver8848 Опубліковано: 1 жовтня 2015 Поділитись Опубліковано: 1 жовтня 2015 А такой вариант схемы (коллектор подачи)-датчик протока на косвенник + 3-х ходовой клапан. Или в таком случае нагрев бойлера будет возможен только при разборе воды потребителями. Если разбора не будет бойлер не нагревается? Посилання на коментар Поділитися на інших сайтах More sharing options...
naupv Опубліковано: 1 жовтня 2015 Поділитись Опубліковано: 1 жовтня 2015 А что, цены разные ? Правильный сантехник не будет делить монтаж на секции Подключение и навеска все равно производится одинаково, что стального, что алюминиевого. 3 Посилання на коментар Поділитися на інших сайтах More sharing options...
blacktigra Опубліковано: 1 жовтня 2015 Поділитись Опубліковано: 1 жовтня 2015 А такой вариант схемы (коллектор подачи)-датчик протока на косвенник + 3-х ходовой клапан. Или в таком случае нагрев бойлера будет возможен только при разборе воды потребителями. Если разбора не будет бойлер не нагревается? А что управляет клапаном? И для чего датчик протока? Посилання на коментар Поділитися на інших сайтах More sharing options...
silver8848 Опубліковано: 1 жовтня 2015 Поділитись Опубліковано: 1 жовтня 2015 А что управляет клапаном? И для чего датчик протока? Датчик будет переключать 3-х ходовой клапан и насос будет обеспечивать циркуляцию в бойлере. Типа как в двухконтурных котлах. Или я вообще не правильно понимаю логику. Но я хотел что бы все работало по принципу как в двухконтурных котлах-либо ГВС либо СО. Или не париться, поставить лишний насос и разделить СО и ГВС Сейчас нарисую Посилання на коментар Поділитися на інших сайтах More sharing options...
Korni Опубліковано: 1 жовтня 2015 Поділитись Опубліковано: 1 жовтня 2015 ...Посмотрел прайс ребят:... знакомые у них делали..... Вы думаете, что тут народ глупый, чтобы вестись на стандартную рекламу? 3 Посилання на коментар Поділитися на інших сайтах More sharing options...
silver8848 Опубліковано: 1 жовтня 2015 Поділитись Опубліковано: 1 жовтня 2015 Вот..................... Посилання на коментар Поділитися на інших сайтах More sharing options...
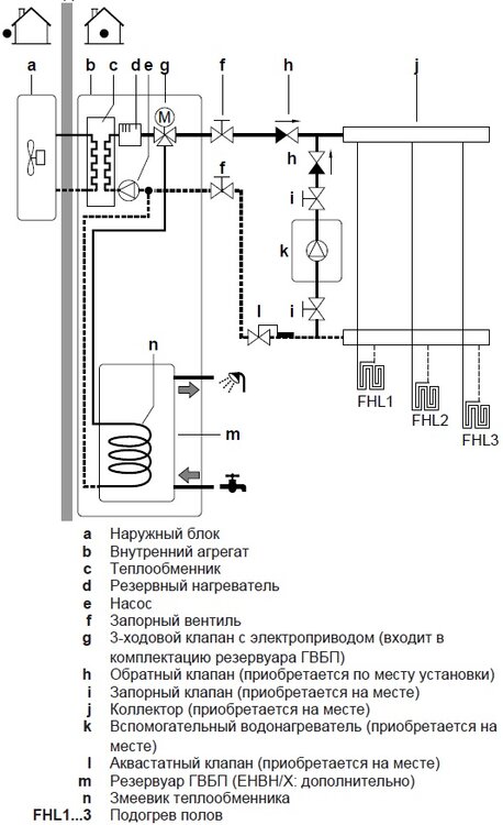
blacktigra Опубліковано: 1 жовтня 2015 Поділитись Опубліковано: 1 жовтня 2015 Датчик будет переключать 3-х ходовой клапан и насос будет обеспечивать циркуляцию в бойлере. Типа как в двухконтурных котлах. Или я вообще не правильно понимаю логику. Но я хотел что бы все работало по принципу как в двухконтурных котлах-либо ГВС либо СО. Или не париться, поставить лишний насос и разделить СО и ГВС Сейчас нарисую Датчик сам по себе ничего не переключает. Переключает привод установленный на клапане. Питание на привод подает контроллер котла/системы на основании показаний датчика и пользовательских настроек. Т.е. вам нужно определиться с тем, что будет управлять вашей системой и умеет ли оно управлять 3-х ходовым. Если "оно" управлять 3-х ходовым не умеет, то можно управлять 3-х ходовым по сигналу от термостата в баке ГВС (если его есть куда всунуть). Не путать с термометром. Но тогда у вас всегда будет приоритет у ГВС. Вот схема с 3-х ходовым. На позицию "l" внимания не обращайте. И 3-х ходовой я бы поставил ближе к гребенке. Потребители на гребенке показаны условно, на контуре ТП будет нужен смесительный узел. Вот..................... Можно и так. Но даже при выключенном насосе на бойлере будет какая-то циркуляция. Посилання на коментар Поділитися на інших сайтах More sharing options...
blacktigra Опубліковано: 1 жовтня 2015 Поділитись Опубліковано: 1 жовтня 2015 И еще важный момент. В приведенной мною схеме основной насос (позиция "е") имеет плавную регулировку производительности по датчику расхода. Поэтому в схеме нет перепускного вентиля. В системе с насосом постоянной производительности такой вентиль необходим, если на потребителях нет своих перепускных линий. 1 Посилання на коментар Поділитися на інших сайтах More sharing options...
Interso Опубліковано: 1 жовтня 2015 Поділитись Опубліковано: 1 жовтня 2015 А такой вариант схемы (коллектор подачи)-датчик протока на косвенник + 3-х ходовой клапан. Или в таком случае нагрев бойлера будет возможен только при разборе воды потребителями. Если разбора не будет бойлер не нагревается? Прежде чем рисовать схему изучите паспорта ваших котелков и потом возможно вырисуется схема. На Вашем месте я бы не выдумывал ни каких коллекторов и никаких ГС. Насосы типа ALPHA-2 хороший вариант,но цена ещё лучше 1 Посилання на коментар Поділитися на інших сайтах More sharing options...
silver8848 Опубліковано: 1 жовтня 2015 Поділитись Опубліковано: 1 жовтня 2015 Прежде чем рисовать схему изучите паспорта ваших котелков и потом возможно вырисуется схема. На Вашем месте я бы не выдумывал ни каких коллекторов и никаких ГС. Насосы типа ALPHA-2 хороший вариант,но цена ещё лучше Дааа, два насоса по 200 у.е Но схемка мне нравиться. В ней можно применить обычные насосы Wilo (по 40 евро)? (ссылка устарела) Трехходовой клапан такой, 1600 грн (ссылка устарела) А какой диф.клапан? Нашел только разности давления (ссылка устарела) Для чего он, какова его функция? Вашу схемку обязательно обсужу с мастером. Обязательно два датчика наружной температуры? Одним никак не обойтись? Добавлено через 2 минуты И еще важный момент. В приведенной мною схеме основной насос (позиция "е") имеет плавную регулировку производительности по датчику расхода. Поэтому в схеме нет перепускного вентиля. В системе с насосом постоянной производительности такой вентиль необходим, если на потребителях нет своих перепускных линий. Сегодня вечером разговаривал с мастером, он накидал схемку близкую к тем которые здесь обсуждались. Завтра оформлю в выложу для обсуждения. Посилання на коментар Поділитися на інших сайтах More sharing options...
Interso Опубліковано: 2 жовтня 2015 Поділитись Опубліковано: 2 жовтня 2015 А какой диф.клапан? Нашел только разности давления (ссылка устарела) Для чего он, какова его функция? Да этот клапан как раз можно и применить,такие же клапана идут в сборе с коллектором ТП Джакомини,если не будет по зонного управления то его можете от туда убрать и установить как указано на схеме. Функция диф.клапана перепускать через себя избыточное циркуляционное давление. Обязательно два датчика наружной температуры? Одним никак не обойтись? Просто это как вариант,оба котла имеют возможность подключения датчика наружной температуры,ну а вы как хотите,можете их вообще не ставить. Добавлено через 8 минут Трехходовой клапан такой, 1600 грн (ссылка устарела) Похожий,для котлов СКАТ они идут комплектом с тройником на обратную линию и датчиком NTC бойлера,с фишками для подключения на плату. 1 Посилання на коментар Поділитися на інших сайтах More sharing options...
silver8848 Опубліковано: 2 жовтня 2015 Поділитись Опубліковано: 2 жовтня 2015 Gросто это как вариант,оба котла имеют возможность подключения датчика наружной температуры,ну а вы как хотите,можете их вообще не ставить. Датчик как раз хочу. Можно поставить один и подключить на два котла-просто кинуть доп. провод между клеммами на платах котлов? Добавлено через 10 минут Похожий,для котлов СКАТ они идут комплектом с тройником на обратную линию и датчиком NTC бойлера,с фишками для подключения на плату. А у таких клапанов есть подключение 1" или 3/4? Посилання на коментар Поділитися на інших сайтах More sharing options...
silver8848 Опубліковано: 2 жовтня 2015 Поділитись Опубліковано: 2 жовтня 2015 Итак, есть два варианта СО Вариант 1. Предложенный мастером у меня на объекте. Вариант 2. Предложенный Interso. (Надеюсь я правильно нарисовал то что было предложено) Цен не знаю, но если сравнивать одну схему против другой, то: В.1 это дополнительный насос + ГС против В.2 это 3-х ходовой клапан+ диф. клапан. Возможно цены будут примерно равны? По функционированию, надежности, простоте монтажа какому варианту отдать предпочтение? Посоветуйте какой недельный программатор выбрать (проводной, заложен провод 2*1,5) Auroton 2030 Computherm Q7 Salus 091 FL Посилання на коментар Поділитися на інших сайтах More sharing options...
murava Опубліковано: 2 жовтня 2015 Автор Поділитись Опубліковано: 2 жовтня 2015 Делайте по схеме Интерсо - будет проще и правильней. 1 Посилання на коментар Поділитися на інших сайтах More sharing options...
silver8848 Опубліковано: 2 жовтня 2015 Поділитись Опубліковано: 2 жовтня 2015 А у таких 3-х ходов. клапанов есть подключение 1"? Мне там нужно будет. По программаторам что посоветуете? Добавлено через 1 минуту Делайте по схеме Интерсо - будет проще и правильней. Я все правильно там нарисовал? Может чего-то не хватает? Посилання на коментар Поділитися на інших сайтах More sharing options...
StNick Опубліковано: 2 жовтня 2015 Поділитись Опубліковано: 2 жовтня 2015 Делайте по схеме Интерсо - будет проще и правильней. Все таки первая схема как то противоречит оф. гарантии СКАТа? На гарантию примут? Посилання на коментар Поділитися на інших сайтах More sharing options...
silver8848 Опубліковано: 2 жовтня 2015 Поділитись Опубліковано: 2 жовтня 2015 Все таки первая схема как то противоречит оф. гарантии СКАТа? На гарантию примут? А что не так? Посилання на коментар Поділитися на інших сайтах More sharing options...
StNick Опубліковано: 2 жовтня 2015 Поділитись Опубліковано: 2 жовтня 2015 А что не так? В соседней веточке обсуждалось А отдельный насос для бойлера можно поставить? и им управлять? Можно. Много чего можно. Но это все не штатное решение для этого котла. Тоесть оно делается на свой страх, риск и без официальной гарантии. Посилання на коментар Поділитися на інших сайтах More sharing options...
blacktigra Опубліковано: 2 жовтня 2015 Поділитись Опубліковано: 2 жовтня 2015 silver8848, а почему не хотите обычный накопительный бойлер поставить? 3-х ходовые: ESBE Belimo Посилання на коментар Поділитися на інших сайтах More sharing options...
silver8848 Опубліковано: 2 жовтня 2015 Поділитись Опубліковано: 2 жовтня 2015 silver8848, а почему не хотите обычный накопительный бойлер поставить? 3-х ходовые: ESBE Belimo Потому что косвенник уже куплен. И газовый котел тоже. Электрически только собираюсь, может на след. неделе буду брать (пока предложили за 490 евро (Скат 9 кВт)). Посилання на коментар Поділитися на інших сайтах More sharing options...
Рекомендовані повідомлення
Створіть акаунт або увійдіть у нього для коментування
Ви маєте бути користувачем, щоб залишити коментар
Створити акаунт
Зареєструйтеся для отримання акаунта. Це просто!
Зареєструвати акаунтУвійти
Вже зареєстровані? Увійдіть тут.
Увійти зараз