HumanKM Опубліковано: 29 травня 2017 Поділитись Опубліковано: 29 травня 2017 Як правильно облаштовувати монолітний пояс під пустотні панелі перекриття? Технічка аерок пише що лише в місті опирання панелей. Тобто якщо будинок (умовно) квадрат, то пояс лише на двох стінах, а не на 4-х. Дивлюся як люди роблять - хто по периметру, хто тіки під панелі... Я хочу залити стіни на яких буде опирання панелей, а стіни що паралельні панелям зробити без поясу, але там буде зуб 5 см в рівні з панелями, в ньому дві нитки арматури ну і бетон - це буде обвязочний пояс навколо панелей. Мій варіант вірний? Посилання на коментар Поділитися на інших сайтах More sharing options...
Высотник Опубліковано: 29 травня 2017 Поділитись Опубліковано: 29 травня 2017 Хотите спать спокойно - армопояс должен быть замкнутым. Плюс нагрузка от плит распределится на все четыре стены. Посилання на коментар Поділитися на інших сайтах More sharing options...
trianom Опубліковано: 1 червня 2017 Поділитись Опубліковано: 1 червня 2017 Если делаете для себя, то конечно нужно делать замкнутый монолитный пояс, т.к. в противном случае (для незамкнутого пояса) последствия могут проявить себя через довольно продолжительный промежуток времени (скажем через 10-15 лет и естественно в самый неподходящий момент). Для удешевления строительства, думаю можно смело заменить стальную арматуру в поясу на композитную. Посилання на коментар Поділитися на інших сайтах More sharing options...
Технология Строительства Опубліковано: 1 червня 2017 Поділитись Опубліковано: 1 червня 2017 Мій варіант вірний? Cделайте замкнутый полноценный монолитный пояс! Посилання на коментар Поділитися на інших сайтах More sharing options...
wertexan Опубліковано: 2 червня 2017 Поділитись Опубліковано: 2 червня 2017 В принципе по не опорным стенам как бы можно и не делать. Но крайне желательно завязывать арматуру по непрерывному контуру. Это резко уменьшит риск проблем. Короче я бы делал по периметру. Но допускаю армошов в уровне шва под панелями с заходом арматуры армошва под панели на монолитный пояс не менее 2-х длин анкеровки для данного диаметра арматуры. Так вы по периметру более-менее завяжете. Посилання на коментар Поділитися на інших сайтах More sharing options...
HumanKM Опубліковано: 2 червня 2017 Автор Поділитись Опубліковано: 2 червня 2017 спочатку думав робити тільки на опорні стіни пояс потім класти панелі, анкерувати їх і відповідно робити пояс по периметру панелей 5х22см з двома нитками арматури Ще є час вирішувати Зараз починаю схилятися до думки зробити по периметру пояс а контур навколо панелей не заливати. Доречі яке армування порадите на пояс? Планую 4 нитки, з діаметром ніяк не визначусь. Посилання на коментар Поділитися на інших сайтах More sharing options...
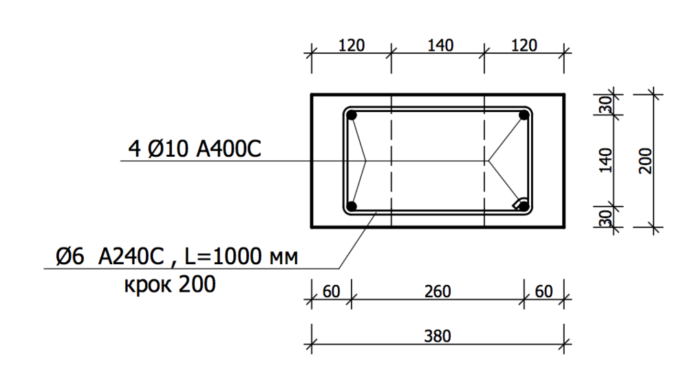
Dimonys Опубліковано: 5 червня 2017 Поділитись Опубліковано: 5 червня 2017 Доречі яке армування порадите на пояс? Планую 4 нитки, з діаметром ніяк не визначусь. Как вариант. Посилання на коментар Поділитися на інших сайтах More sharing options...
wertexan Опубліковано: 5 червня 2017 Поділитись Опубліковано: 5 червня 2017 Как вариант. Поперечка густо. Так часто надо только над проемами. А так вполне вариант. Не зная плана я бы предложил добавить ещё 1 арматурину посередине внизу. Посилання на коментар Поділитися на інших сайтах More sharing options...
InSAn Опубліковано: 5 червня 2017 Поділитись Опубліковано: 5 червня 2017 В принципе по не опорным стенам как бы можно и не делать. Поперечка густо. Так часто надо только над проемами. wertexa, вот зачем давать советы в областях, в которых не разбираетесь? Пояс - потому и называется поясом, что он непрерывный. Вы же не хотите, чтобы стены в стороны разошлись? Добавлено через 4 минуты Технічка аерок пише що лише в місті опирання панелей. Технічка пише, що панелі опирати на ГБ не можна - повинна бути бетонна основа. Тобто, технічка пише не про пояс. Посилання на коментар Поділитися на інших сайтах More sharing options...
HumanKM Опубліковано: 5 червня 2017 Автор Поділитись Опубліковано: 5 червня 2017 може я десь невірне слово вжив..., спробуємо ще раз з перемичками над вікнами все мені зрозуміло і з армуванням і з усім іншим питання стоїть лише про пояс залитий в У-блоки під панелі розріз пояса буде 170мм Х 170мм, Буде робитися від зовнішньої стіни пів 375-го блока, тобто 185мм+40-50мм пінопласту+170мм бетонний пояс+100мм гб армувати його планую в 4 нитки, питання з діаметром, 8-10-12мм??? Ще чи може мені хтось пояснити наскільки важливо арматуру звязувати 6мм проволокою? Якщо я просто налью 2-3см бетону та покладу пару ниток, потім бетону майже до верху, ще дві нитки ну і знов 2-3 см бетону повінця. Посилання на коментар Поділитися на інших сайтах More sharing options...
InSAn Опубліковано: 5 червня 2017 Поділитись Опубліковано: 5 червня 2017 Ще чи може мені хтось пояснити наскільки важливо арматуру звязувати ... Дуже важливо. По діаметру - зверніться до проектанта. Тоді в будинку будете спокійно жити, а не хвилюватися при любому подиху вітра. Якщо без проекту - тоді максимальний діаметр. Вирішуйте самі на чому хочете зекономити - на арматурі чи на проекті. Посилання на коментар Поділитися на інших сайтах More sharing options...
HumanKM Опубліковано: 5 червня 2017 Автор Поділитись Опубліковано: 5 червня 2017 Дуже важливо. По діаметру - зверніться до проектанта. Тоді в будинку будете спокійно жити, а не хвилюватися при любому подиху вітра. Якщо без проекту - тоді максимальний діаметр. Вирішуйте самі на чому хочете зекономити - на арматурі чи на проекті. на арматурі я особливо не економлю, можите глянути в моїй темі просто якщо я вірно розумію призначення армопояса, то це для рівноміроного розподілення навантаження, а тут діаметр менш важливий ніж при виконанні перемички Читав мануали усілякі, взагалі більшість 8 мм вписують в армопояс от і цікавлюся... Добавлено через 22 минуты Дуже важливо. а можна конкретніше от їй богу нерозумію в чому важливість арматура працює на розрив та стиснення як впливає 6мм проволка на роботу арматури в перемичкі Посилання на коментар Поділитися на інших сайтах More sharing options...
jenkins Опубліковано: 5 червня 2017 Поділитись Опубліковано: 5 червня 2017 а можна конкретніше от їй богу нерозумію в чому важливість арматура працює на розрив та стиснення як впливає 6мм проволка на роботу арматури в перемичкі Для того, щоб зрозуміти навіщо арматура в будь якій бетонній конструкції, уявіть, якщо її там немає, і ми навантажуємо конструкцію до руйнування. Армопояс. На нього діє, переважно, вертикальне навантаження, тобто все те що зверху хоче "розчавити" армопояс. Уявіть, що ця сила дуже велика, а армопояс зроблений з матеріала на зразок хліба, мочалки. Коли на хліб натиснути зверху- він розплющиться по бокам, стане бочковидної форми. Щоб цього не сталося, потрібна арматура поперек армопояса -ті самі рамочки. Щодо розтягуючого авантаження на аропояс - тут потрбна повздовжна арматура, яка там і є. Але, саме вертикальне навантаження тут ключове -тому і рамочки -маст хев. У перемичці трошкі інакше. Те ж саме -уявляємо що нема ніякої арматури. Даємо навантаження - нижня частина розтягується, верхня стискається. Тому Нам в першу чергу потрібна нижня арматура, верхня - опціонально. Для чого рамочки? Окрім того ж ефекту бочковидності, тут є єффект "розшарувння" верхної частини горизонтальної від нижньої, оскільки видовження нижньої більше ніж довжина верхньої частини (мається на увазі при навантаженні). Якщо ж вертикальними перетинками з'єднати вехню частину з нижньою - перемичка зможе витримати більше навантаження, оскільки цей єффект розшарування буде знівельований. Ну зрозуміло, що якщо ставити верхню арматуру, то ці вертикальні перетинки логічно і просто зробити рамочками. Ці рамочки, насправді, дуже важливі, оскільки суттєво збільшують максимальне навантаження на бетонні конструкції, але це - розразункова величина, тому краще звертатися до конструктора з тикими питаннями. Найкраще зрозуміти все це можна по відео лабораторних випробувань бетонних конструкцій. 2 Посилання на коментар Поділитися на інших сайтах More sharing options...
Сергей НСТ Опубліковано: 5 червня 2017 Поділитись Опубліковано: 5 червня 2017 Коли на хліб натиснути зверху- він розплющиться по бокам, стане бочковидної форми. Щоб цього не сталося, потрібна арматура поперек армопояса -ті самі рамочки. Щодо розтягуючого авантаження на аропояс - тут потрбна повздовжна арматура, яка там і є. Але, саме вертикальне навантаження тут ключове -тому і рамочки -маст хев. Немного не так ;) Бетон не пластичный материал и схема с булкой хлеба для него несправедлива. На сжатие бетон работает замечательно и без арматуры, конечно же в пределах своей прочности и до этих пределов он не примет бочковидную/эллиптическую форму в поперечном сечении. Армопояс лежащий на стене это ж/б плита на сплошном упругом основании, т.е. работает только на сжатие под нагрузкой от перекрытия. Продольная рабочая арматура в нем работает на растяжение от усилий стремящихся развалить стены наружу или внутрь здания. А эти рамочки, которые называются хомуты, принимаются в нем конструктивно и служат для удержания продольной рабочей арматуры в проектном положении во время бетонирования. А вот армопояс над проемом, это жестко защемленная с двух сторон балка, и в ней эти хомуты принимаются по расчету, т.к. они принимают на себя наклонные напряжения в балке 5 Посилання на коментар Поділитися на інших сайтах More sharing options...
jenkins Опубліковано: 5 червня 2017 Поділитись Опубліковано: 5 червня 2017 Немного не так ;) Бетон не пластичный материал и схема с булкой хлеба для него несправедлива. Конечно не пластичный, зато на таком примере можно понять как будет "пытаться" изменится бетон под возздействием различных сил. Где что пытается растягиваться - туда арматуру. Разумеется что бетон давно сломается тогда когда упругое тело еще будет изменять свою форму. Ну по крайней мере мне так проще понять где и почему нужна или не нужна арматура. Спасибо за уточнение! В любом случае, сказанное мною - на правах диванного эксперда 1 Посилання на коментар Поділитися на інших сайтах More sharing options...
porterlv Опубліковано: 5 червня 2017 Поділитись Опубліковано: 5 червня 2017 В опорі матеріалів є багато нюансів... Те що роками вивчають у вишах важко уявити стискаючи батон Подібний приклад дуже поверхневий... Інколи краще дати грошей конструктору за розрахунок. jenkins, Сергей НСТ, монолітна плита залягає на зовнішні несучі на 1/2ширини стіни, зверху 2 поверх, товщина стіни та сама. Який тип защемлення? А якщо опирання моноліту по периметру а робоча арматура лише в одному напрямку? Як воно себе вестиме? А балкон, як частину моноліту перекриття? А підпірна стіна, з 2 - 3 типами навантажень розпреділеними і не дуже? Сопромат то складна наука... Посилання на коментар Поділитися на інших сайтах More sharing options...
Сергей НСТ Опубліковано: 5 червня 2017 Поділитись Опубліковано: 5 червня 2017 Это балки перекрытия одной из моих построек. Архоновский проект с армированием перекрытия в одну сетку. Обратите внимание на хомуты из 8-ки, вот где была жесть... А вообще армопояс желательно делать не только по внешнему периметру здания, но и связывать его по внутренним несущим стенам. Тогда уменьшаются пролеты воспринимающие горизонтальные усилия раздавливающие стены и соответственно усилия на пролет при том же армировании. Посилання на коментар Поділитися на інших сайтах More sharing options...
jenkins Опубліковано: 5 червня 2017 Поділитись Опубліковано: 5 червня 2017 В опорі матеріалів є багато нюансів... Те що роками вивчають у вишах важко уявити стискаючи батон Подібний приклад дуже поверхневий... Інколи краще дати грошей конструктору за розрахунок. Не інколи, а завжди. Я за те, щоб кожне технічне рішення робив професіонал свого діла. jenkins, Сергей НСТ, монолітна плита залягає на зовнішні несучі на 1/2ширини стіни, зверху 2 поверх, товщина стіни та сама. Який тип защемлення? шарнір А якщо опирання моноліту по периметру а робоча арматура лише в одному напрямку? Як воно себе вестиме? А балкон, як частину моноліту перекриття? А підпірна стіна, з 2 - 3 типами навантажень розпреділеними і не дуже? Сопромат то складна наука... Посилання на коментар Поділитися на інших сайтах More sharing options...
Сергей НСТ Опубліковано: 5 червня 2017 Поділитись Опубліковано: 5 червня 2017 Який тип защемлення? Никакой :D Это балка на двух опорах, т.к. в типовых сериях глубина опирания панелей перекрытия меньше их высоты, защемлять жостко их запрещено. А якщо опирання моноліту по периметру а робоча арматура лише в одному напрямку? Як воно себе вестиме? Нонсенс :D А балкон, як частину моноліту перекриття? Консоль А підпірна стіна, з 2 - 3 типами навантажень розпреділеними і не дуже? Основной расчет на опрокидывание Сопромат то складна наука... СтройМех куда забористее :D таки шо, Вы, хотели сказать? 1 Посилання на коментар Поділитися на інших сайтах More sharing options...
porterlv Опубліковано: 5 червня 2017 Поділитись Опубліковано: 5 червня 2017 шарнір Чому ж тобі балка над вікном, з заляганням як у моноліту (20 - 25 см) буде жорско защемленою? Вибір типу защемлення залежить від відношення залягання до прольоту? Сергей НСТ, розбирюсь, вникаю у суть свіжих тріщин Я не про панелі а про моноліт ;) Залягання в стіну 20 см, висота моноліту 16 см. Посилання на коментар Поділитися на інших сайтах More sharing options...
Сергей НСТ Опубліковано: 5 червня 2017 Поділитись Опубліковано: 5 червня 2017 Чому ж тобі балка над вікном, з заляганням як у моноліту (20 - 25 см) буде жорско защемленою? Т.к. глубина опирания больше высоты балки, а вообще речь о сплошном армопоясе :D Добавлено через 16 минут Сергей НСТ, розбирюсь, вникаю у суть свіжих тріщин Я не про панелі а про моноліт ;) Залягання в стіну 20 см, висота моноліту 16 см. Вообще это плита с жестким защемлением по контуру. Но так же нужно понимать что находится над плитой, насколько тяжела вышестоящая конструкция и действительно ли она не дает плите работать на стене как на шарнире... Это так, мои личные умозаключения, а точно сможет ответить конструктор. Какие трещины и в каком месте плиты, опишите подробнее... Посилання на коментар Поділитися на інших сайтах More sharing options...
porterlv Опубліковано: 5 червня 2017 Поділитись Опубліковано: 5 червня 2017 Сергей НСТ, тріщина в газоблоці Д300 паралельно моноліту +- 20 см горизонтально над ним з внутрішньої сторони (в будинку), не доходить до кутів з обох боків по 1,5 - 2 м. Зверху поверх + фаєрмур. Проявилось через 2 роки, після заливки стяжки з ТП і заповнення системи. Під монолітом тріщин немає. Армування монолінту одношарове, нижнє. Тріщина з боку залягання робочої (більший діаметр) арматури. Думаю, плита переконала стіну, що вона таки шарнірно защемлена 1 Посилання на коментар Поділитися на інших сайтах More sharing options...
Сергей НСТ Опубліковано: 5 червня 2017 Поділитись Опубліковано: 5 червня 2017 Думаю, плита переконала стіну, що вона таки шарнірно защемлена Это самый вероятный ответ ;) 1 Посилання на коментар Поділитися на інших сайтах More sharing options...
wertexan Опубліковано: 6 червня 2017 Поділитись Опубліковано: 6 червня 2017 wertexa, вот зачем давать советы в областях, в которых не разбираетесь? Разбираюсь. ПЦБ. Вы невнимательны просто. Например я в следующем же предложении указывал на непрерывный контур. А по арматуре могу обосновать. Пояс по ГБ суть балка на основании с ограниченными характеристиками. Если посчитать на местные нагрузки, то ГБ даже Б2 (и ниже) держит неожиданно немало — площади просто прилично. Поэтому на продавливание при опирании МП на стены обычно ничего не нужно. Разве что вверху хорошо нагруженная стойка, а был у меня такой случай. Потому там поперечная арматура почти всегда — з.с. держать и шаг у неё соответственно. Вот в пролете надо считать. ЧСХ в ДБН по Б и З/Б в отличие от СНиП на поперечку специальных условий не дает. Всё как всегда в стиле "робіть добре", что немного бесит. Я просто не всегда имею время расписывать как и почему. просто якщо я вірно розумію призначення армопояса, то це для рівноміроного розподілення навантаження, а тут діаметр менш важливий ніж при виконанні перемички Не тільки. Не менш важливе призначення армопояса — тримати у купі всю будівлю. Тому я лишаюсь послідовним прихильником цілісного армопоясу хоча б по периметру + заход на капіталки. А краще повнісстю. І для того, щоб щось тримати потрібна площа. І не А240С а А400С. Тобто не катанка. 1 Посилання на коментар Поділитися на інших сайтах More sharing options...
HumanKM Опубліковано: 6 червня 2017 Автор Поділитись Опубліковано: 6 червня 2017 Не тільки. Не менш важливе призначення армопояса — тримати у купі всю будівлю. Тому я лишаюсь послідовним прихильником цілісного армопоясу хоча б по периметру + заход на капіталки. А краще повнісстю. І для того, щоб щось тримати потрібна площа. І не А240С а А400С. Тобто не катанка. Ні про яке а240с і мова не йде, тіки а400с? Якщо 4 нитки, то брати 8мм, 10 чи 12 (про найміть конструктора не кажіть, краще варіант з запасом типу 12 мм). Ну і залишається питання чи можна просто укладувати арматуру в товщу бетону чи обов"язково крутити рамки з 6мм проволки? Добавлено через 5 минут хочу доречі всім подякувати надзвичайно цікаві хоч і дещо суперечливі відповіді саме за такі моменти я люблю цей форум приємно отримувати знання в доступній формі Посилання на коментар Поділитися на інших сайтах More sharing options...
Рекомендовані повідомлення
Створіть акаунт або увійдіть у нього для коментування
Ви маєте бути користувачем, щоб залишити коментар
Створити акаунт
Зареєструйтеся для отримання акаунта. Це просто!
Зареєструвати акаунтУвійти
Вже зареєстровані? Увійдіть тут.
Увійти зараз