InSAn Опубліковано: 9 червня 2019 Поділитись Опубліковано: 9 червня 2019 Навеяно темой, в которой я стропилку для террасы "придумывал". В один прекрасный момент я вспомнил, что где-то встречал двутавровые деревянные балки: Немного погуглил... Оказывается, их давно используют даже здесь, на форуме. Вот, например, faraon - сообщение от 2010 года. В общем, заинтересовали меня эти деревянные двутавры. Вот только нигде не смог найти расчета нагрузки. Может, есть кто из спецов, кто поможет? Второй вопрос, который меня заинтересовал - это не покупка готовых изделий, а склеить самому - ведь ничего сложного в этом нет: порезать на полоски ручной циркуляркой лист ОСБ (фанеры), фрезером выбрать паз в бруске 50*50 и склеить это все под прессом. Для надежности - дополнить соединение гвоздями. Стоимость метра такой готовой балки - 160-180 грн/м. Самостоятельная же сборка обойдется ощутимо (в три-четыре раза) дешевле. [spoiler=расчет DIY] Для расчета стоимости беру цены ЭЦ. Брус 50*50 - 14 грн/м. Для 1 м балки нужно таких два = 28 грн. Плита OSB-3 12х1250х2500 - 318 грн. Для 1 м балки нужна полоска высотой 125мм = 13 грн. Клей, гвозди = около 10 грн. Итого 1 м балки высотой 145 мм = 51 грн В общем, у кого какие мысли по этому поводу? Посилання на коментар Поділитися на інших сайтах More sharing options...
InSAn Опубліковано: 9 червня 2019 Автор Поділитись Опубліковано: 9 червня 2019 Нашел калькулятор расчета прогиба такой балки. www.project-house.by/i-joist-calc Посилання на коментар Поділитися на інших сайтах More sharing options...
Drosselbeere Опубліковано: 9 червня 2019 Поділитись Опубліковано: 9 червня 2019 Нашел калькулятор расчета прогиба такой балки. www.project-house.by/i-joist-calc стесняюсь спросить, а обрезная доска на стропила не подходит. любите создавать себе трудности, а потом их преодолевать Посилання на коментар Поділитися на інших сайтах More sharing options...
InSAn Опубліковано: 9 червня 2019 Автор Поділитись Опубліковано: 9 червня 2019 Произвел расчет стропилки. При снеговой нагрузке 200 кг/м2 прогиб на 4,5 метрах составит 3см. Это много или нет? Посилання на коментар Поділитися на інших сайтах More sharing options...
InSAn Опубліковано: 9 червня 2019 Автор Поділитись Опубліковано: 9 червня 2019 стесняюсь спросить, а обрезная доска на стропила не подходит. Подходит. Давайте сравним стоимость. одной стропилины. любите создавать себе трудности, а потом их преодолевать Я от природы любопытен Посилання на коментар Поділитися на інших сайтах More sharing options...
#roofinspector Опубліковано: 9 червня 2019 Поділитись Опубліковано: 9 червня 2019 Паз там V-образный. Соответственно, фрезеровать нужно не только брусок но и края ОСП Ну и клей там нужен не от балды а констурукционный 2 Посилання на коментар Поділитися на інших сайтах More sharing options...
InSAn Опубліковано: 9 червня 2019 Автор Поділитись Опубліковано: 9 червня 2019 Паз там V-образный. Соответственно, фрезеровать нужно не только брусок но и края ОСПА на что это влияет? Ну и клей там нужен не от балды а констурукционныйТ.е. ПВА Д3 не пойдет? Посилання на коментар Поділитися на інших сайтах More sharing options...
Drosselbeere Опубліковано: 9 червня 2019 Поділитись Опубліковано: 9 червня 2019 Произвел расчет стропилки. При снеговой нагрузке 200 кг/м2 прогиб на 4,5 метрах составит 3см. Это много или нет? это прогиб 1/150 что для навеса более чем вменяемый Подходит. Давайте сравним стоимость. одной стропилины. а что и с чем сравнивать будем? 1 Посилання на коментар Поділитися на інших сайтах More sharing options...
windyhead Опубліковано: 9 червня 2019 Поділитись Опубліковано: 9 червня 2019 Нашел калькулятор расчета прогиба такой балки. www.project-house.by/i-joist-calc замахаетесь двутавры клеить. возьмите три доски строганые посчитайте в этом калькуляторе и клейте на здоровье, шурупами дотянете. только не на пва :жах: 1 Посилання на коментар Поділитися на інших сайтах More sharing options...
InSAn Опубліковано: 9 червня 2019 Автор Поділитись Опубліковано: 9 червня 2019 только не на пва :жах: Kleiberit 501 (влагостойкий полиуретановый клей D4) - пойдет? Добавлено через 1 минуту замахаетесь двутавры клеить.Почему? Струбцины имеются... возьмите три доски строганые посчитайте в этом калькуляторе и клейте на здоровье, шурупами дотянете. Уже была такая мысль. Вот только такое там не посчитать Добавлено через 1 минуту а что и с чем сравнивать будем? Хороший вопрос. Наверное, точность и простоту монтажа двутавра с обычной доской Посилання на коментар Поділитися на інших сайтах More sharing options...
windyhead Опубліковано: 9 червня 2019 Поділитись Опубліковано: 9 червня 2019 Почему? Струбцины имеются... Уже была такая мысль. Вот только такое там не посчитать www.project-house.by/beam-deflection на коробчатую балку помоему но если пан мае час та натхнення полиуретан норм 1 Посилання на коментар Поділитися на інших сайтах More sharing options...
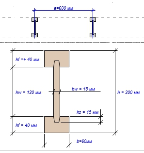
Сергей НСТ Опубліковано: 9 червня 2019 Поділитись Опубліковано: 9 червня 2019 ... В один прекрасный момент я вспомнил, что где-то встречал двутавровые деревянные балки: Мне кажется или на фото полки балки выполнены из фанеры? Посилання на коментар Поділитися на інших сайтах More sharing options...
InSAn Опубліковано: 9 червня 2019 Автор Поділитись Опубліковано: 9 червня 2019 www.project-house.by/beam-deflection О! Пропустил как-то... Посчитал. С той же формой, что выше (общими размерами) прогиб немножко больше - 45мм - 1/97 длины. Интересно, что между доской и ОСБ одинаковой длины разницы практически нет - прогиб изменяется всего лишь на 1 мм Добавлено через 47 секунд Мне кажется или на фото полки балки выполнены из фанеры? Может быть... Картинка первая попавшаяся из интернетов Посилання на коментар Поділитися на інших сайтах More sharing options...
#roofinspector Опубліковано: 9 червня 2019 Поділитись Опубліковано: 9 червня 2019 Мне кажется или на фото полки балки выполнены из фанеры? Это LVL-брус. С фанерой имеет много общего т.к. так же склеивается из некого подобия шпона На самом деле не обязательная штука, можно и просто из бруса но... Брус должен быть не простым с рынка, а срощенным. С вырезанными сучками. Дело в том, что задача этих брусков, в том числе, оказывать сопротивление разрыву. А сучки всё испортят. Поэтому в смету необходимо внести корректировку по стоимости сырья. Срощенный брусок без сучков значительно дороже 2 Посилання на коментар Поділитися на інших сайтах More sharing options...
InSAn Опубліковано: 9 червня 2019 Автор Поділитись Опубліковано: 9 червня 2019 Дело в том, что задача этих брусков, в том числе, оказывать сопротивление разрыву. А сучки всё испортят. Поэтому в смету необходимо внести корректировку по стоимости сырья. Срощенный брусок без сучков значительно дороже Действительно. Спасибо. Посилання на коментар Поділитися на інших сайтах More sharing options...
#roofinspector Опубліковано: 9 червня 2019 Поділитись Опубліковано: 9 червня 2019 А на что это влияет? Ну на что-то да влияет, если все так делают. Ну как минимум, площадь поверхности больше. Так же на боковых частях паза клей работает не строго на срез (если делать прямоугольный паз) а ещё и на отрыв. Видимо на отрыв клей более силён чем на срез Добавлено через 3 минуты Т.е. ПВА Д3 не пойдет? НАЗНАЧЕНИЕ Клей для столярных изделий Д3 применяется для склеивания деталей внутренних и внешних элементов, подвергающихся частому, но кратковременному воздействию воды, допускается использование на элементах, подвергающихся появления точки росы (конденсата), устойчив воздействию высоким уровнем влажности. Не рекомендуется в использовании для внешних элементов или конструкций в районах с большими перепадами температур. Добавлено через 3 минуты Kleiberit 501 (влагостойкий полиуретановый клей D4) - пойдет? Мне такой продавали как наидоступнейший конструкционный клей но с некоторым сомнением в голосе и без особого энтузиазма 1 Посилання на коментар Поділитися на інших сайтах More sharing options...
bambino Опубліковано: 9 червня 2019 Поділитись Опубліковано: 9 червня 2019 встречалось про использование однонаправленной фанеры на таких былках. она покрепше на растяжение, соответственно достаточно меньшего сечения. завод по ее выпуску в рашке есть, даже созванивался с ними когда-то. но теперь это неактуально. Посилання на коментар Поділитися на інших сайтах More sharing options...
shneider_vova Опубліковано: 10 червня 2019 Поділитись Опубліковано: 10 червня 2019 Думаю, технически сложное изделие может быть выгоднее кустарного - только при массовом заводском производстве. При нынешних ценах на дерево - неактуально. Расчет lvl балок должен быть в еврокоде, наверняка там страниц 5 коэффициентов, никто просто так вникать не будет. Если нет нетиповых задач- типа деревянного перекрытия полетом метров 9, то нечего туда лезть. Для перекрытия, кстати, прогиб 1/150- это очень большой. Посилання на коментар Поділитися на інших сайтах More sharing options...
Heed Опубліковано: 7 липня 2019 Поділитись Опубліковано: 7 липня 2019 Kleiberit 501 (влагостойкий полиуретановый клей D4) - пойдет? На банке клея мелкими буковками написано,-вызывает раковые заболевания. Хороший клей, пусть им тёща балки клеет. Посилання на коментар Поділитися на інших сайтах More sharing options...
InSAn Опубліковано: 13 липня 2019 Автор Поділитись Опубліковано: 13 липня 2019 На банке клея мелкими буковками написано,-вызывает раковые заболевания. Хороший клей, пусть им тёща балки клеет. Я так понимаю, что Вы и с тарелок фарфоровых не едите? Т.к. то количество свинца, которое используется в глазури - не сравнится ни с какими "мелкими буковками". Посилання на коментар Поділитися на інших сайтах More sharing options...
mastervovik Опубліковано: 13 липня 2019 Поділитись Опубліковано: 13 липня 2019 В общем, у кого какие мысли по этому поводу? Балки крепкие, но дорогие. Имеют смысл только в облегченных перекрытиях, где критичны нагрузки от него. 1 Посилання на коментар Поділитися на інших сайтах More sharing options...
Рекомендовані повідомлення
Створіть акаунт або увійдіть у нього для коментування
Ви маєте бути користувачем, щоб залишити коментар
Створити акаунт
Зареєструйтеся для отримання акаунта. Це просто!
Зареєструвати акаунтУвійти
Вже зареєстровані? Увійдіть тут.
Увійти зараз