sam1971 Опубліковано: 2 лютого 2022 Поділитись Опубліковано: 2 лютого 2022 Имеется кухня до потолка, 2 яруса сверху, глубина одинаковая. Нужно ли крепить каждый ярус отдельно или можно нижний закрепить, а верхний на него поставить? Вроде крепеж по паспорту до 90 кг, вряд ли даже в 2-х ящичках будет больше. Установщик говорит, что так и нужно, развейте мои сомнения, пока он еще с деньгами не ушел, и вопрос не снялся сам собой Посилання на коментар Поділитися на інших сайтах More sharing options...
US7IGN Опубліковано: 2 лютого 2022 Поділитись Опубліковано: 2 лютого 2022 а если за дверцу сильно на себя потянуть? я бы все закрепил... Посилання на коментар Поділитися на інших сайтах More sharing options...
RomaSh Опубліковано: 2 лютого 2022 Поділитись Опубліковано: 2 лютого 2022 На него поставить и саморезами соединить. Посилання на коментар Поділитися на інших сайтах More sharing options...
sam1971 Опубліковано: 3 лютого 2022 Автор Поділитись Опубліковано: 3 лютого 2022 Верхние дверцы на микролифтах, т.е. потянуть не особо и получится. Посилання на коментар Поділитися на інших сайтах More sharing options...
Borisg Опубліковано: 3 лютого 2022 Поділитись Опубліковано: 3 лютого 2022 Верхний "этаж" можно(желательно) после установки закрепить к стене уголками,кабинетными или другими с металлической несущей частью. Посилання на коментар Поділитися на інших сайтах More sharing options...
sam1971 Опубліковано: 3 лютого 2022 Автор Поділитись Опубліковано: 3 лютого 2022 А в чем проблема повесить на такие же регулируемые навесы? До потолка еще 10 см. Это просто нежелание, полное отсутствие смысла или технические трудности? Посилання на коментар Поділитися на інших сайтах More sharing options...
Andy 76 Опубліковано: 3 лютого 2022 Поділитись Опубліковано: 3 лютого 2022 Нет там никаких технических трудностей. По хорошему каждый шкаф на своих навесах. 2 Посилання на коментар Поділитися на інших сайтах More sharing options...
Oleg 88 Опубліковано: 15 липня 2025 Поділитись Опубліковано: 15 липня 2025 А може хтось з добродіїв підказати яка висота від чистової підлоги точок кріплення кухонних шаф на стіні. Зараз потрібно ставити перестінок з газоблоку, то хотів в точці підвісу залити бетонну балочку. Щоб потім не перейматись всякими хімічними анкерами і тп. Посилання на коментар Поділитися на інших сайтах More sharing options...
denis-k Опубліковано: 15 липня 2025 Поділитись Опубліковано: 15 липня 2025 3 часа назад, Oleg 88 сказал: кухонних шаф на стіні они могут быть разные по высоте, и от этого точка крепления разная 2 Посилання на коментар Поділитися на інших сайтах More sharing options...
TaurosRMK Опубліковано: 15 липня 2025 Поділитись Опубліковано: 15 липня 2025 (змінено) 9 годин тому, Oleg 88 сказав: кріплення кухонних шаф на стіні Рахуєте висоту нижніх модулів (850-900 мм), плюс 550-600 мм фартух (чи як його там називають) і дальше висота верхніх, а вони здаєтсья стандартно 700 мм і вище, якщо індивідуальний проект. Тому все залежить від висоти самих навісних шаф. Змінено 15 липня 2025 користувачем TaurosRMK 1 Посилання на коментар Поділитися на інших сайтах More sharing options...
Oleg 88 Опубліковано: 15 липня 2025 Поділитись Опубліковано: 15 липня 2025 5 часов назад, denis-k сказал: они могут быть разные по высоте Так, ергономіка та антропометрія продиктують. Дякую. Посилання на коментар Поділитися на інших сайтах More sharing options...
nata1 Опубліковано: 16 липня 2025 Поділитись Опубліковано: 16 липня 2025 15.07.2025 в 13:20, Oleg 88 сказав: А може хтось з добродіїв підказати яка висота від чистової підлоги точок кріплення кухонних шаф на стіні. Пора***те самі. Наприклад: ніжки 100 мм, нижні модулі 720 мм, стільниця 38 мм, кухонний фартух 600 мм, верхні модулі 1000 мм. Тоді отвори під кріплення підвісної шини треба робити на висоті 2392 мм від підлоги (100+720+38+600+1000-66=2392 мм). 66 мм - це відстань від верху шафки до середини отвору на шині (для навісів Camar 806). Якщо кухня під стелю – від стелі до центру шини 66 мм. 1 Посилання на коментар Поділитися на інших сайтах More sharing options...
Borisg Опубліковано: 19 липня 2025 Поділитись Опубліковано: 19 липня 2025 Дуже точний розрахунок. Але як на мене це зайве , якщо перестінок матиме хоч 100 мм. , є чудові дюбелі для газоблоку TPFC 8x51 , які міцно тримаються і не потребують додаткових засобів кріплення 1 Посилання на коментар Поділитися на інших сайтах More sharing options...
BugS Опубліковано: 19 липня 2025 Поділитись Опубліковано: 19 липня 2025 2 години тому, Borisg сказав: Дуже точний розрахунок. Але як на мене це зайве , якщо перестінок матиме хоч 100 мм. , є чудові дюбелі для газоблоку TPFC 8x51 , які міцно тримаються і не потребують додаткових засобів кріплення TPFC для газоблоку я би розглядав в останню чергу. Основні дюбелі для газоблоку, це build.rozetka.com.ua/ua/372442593/p372442593/?gad_source=1&gad_campaignid=21020380028&gbraid=0AAAAADQ2juDqVaFlXBKcLlvjKcV8LjAHb&gclid=Cj0KCQjwhO3DBhDkARIsANxrhToYuMX-ghz79yZpdrq-DNfy9uNk0DPcevyLZaZXdjoU_SXs6agFfHsaAme-EALw_wcB build.rozetka.com.ua/ua/399782364/p399782364/?gad_source=1&gad_campaignid=21020380028&gbraid=0AAAAADQ2juDqVaFlXBKcLlvjKcV8LjAHb&gclid=Cj0KCQjwhO3DBhDkARIsANxrhTpC5CLqS1eYFJkVksQo6INekOGjBm4sN11RQ1EYCYqVRzUlN6zqfC0aAkCSEALw_wcB build.rozetka.com.ua/ua/362271753/p362271753/?gad_source=1&gad_campaignid=20087118239&gbraid=0AAAAADlXhI6B8-5V2Z4rb-cgN3m-Mhj-Q&gclid=Cj0KCQjwhO3DBhDkARIsANxrhTqraPBQ1T5S5AjLDgKg_cv8jOfD7Be9lw7ECXLw3e4F2bDSaNPlU8QaAnSLEALw_wcB 1 Посилання на коментар Поділитися на інших сайтах More sharing options...
Borisg Опубліковано: 25 липня 2025 Поділитись Опубліковано: 25 липня 2025 У підсумку можна сказати, що є чимало надійного кріплення для газобетону, тож можна не перейматися закладними елементами у газобетон, звісно якщо все у рамках більш-менш стандартних конструкцій і не буде якихось надмірних точкових навантажень. 1 Посилання на коментар Поділитися на інших сайтах More sharing options...
ShpakUA Опубліковано: 27 липня 2025 Поділитись Опубліковано: 27 липня 2025 epicentrk.ua/ua/shop/mplc-dubel-fischer-8h65-universal-nij-duopower-nejlon-203049-1ee953d3-39e9-66a2-a425-4b379798f3bc.html найкращий дюбель, який коли-небудь використовував для газобетону 2 Посилання на коментар Поділитися на інших сайтах More sharing options...
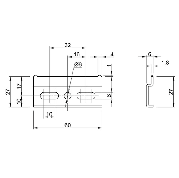
TaurosRMK Опубліковано: 1 серпня 2025 Поділитись Опубліковано: 1 серпня 2025 Використовував в себе для кухні підвіси Camar з такою планкою. Будинок старий цегляний, відстань між отворами на планці 32 мм, в деяких місцях один дюбель попадав в цеглу, інший в шов, а шов поганий і дюбель не тримав нічого. Приходилося щось видумовувати. Тому як така планка буде триматися в піноблоці, при такій відстані між дюбелями, треба добре подумати. Є ще інший тип, там кріпиться на 4 дюбелі, але все рівно відстані між отворами 4-5 см, що зовсім небагато. Тобто на площу 5х5 см буде 4 отвори. Здається у цього ж виробника є монтажна шина, яку можна закріпити на всю ширину кухні на потрібну кількість дюбелів. В теорії така шина має триматися краще ніж одна планка закріплена в одній області. 1 Посилання на коментар Поділитися на інших сайтах More sharing options...
Borisg Опубліковано: 2 серпня 2025 Поділитись Опубліковано: 2 серпня 2025 Ці планки для одиночних навісок, коли треба одну шафку , або дві навісити, квадратна для антиз'ємних підвісів. Є у Камар нормальна шина 2 метри довжиною, з нормальною товщиною металу. Артикул 873.AC.Z1.20.00.IP , до речі для кухонних шафок я досить давно перейшов підвіси моделі 801 , хто збирається робити високі шафи варто на них звернути увагу. 2 1 Посилання на коментар Поділитися на інших сайтах More sharing options...
TaurosRMK Опубліковано: 2 серпня 2025 Поділитись Опубліковано: 2 серпня 2025 6 годин тому, Borisg сказав: Ці планки для одиночних навісок, коли треба одну шафку , або дві навісити Серйозно? А те що вони по розміру якраз на товщину стінок двох шафок плюс підвіси, то просто по приколу? Тобто дві сусідні шафки вішаютсья на одну планку. А дальшу знову дві сусідні і тд. На 5 шафок потрібно лише 6 планок. Шина тоже має своє призначення. Плюсом є те, що більше точок кріплення і її простіше виставити в один рівень. З окремими планками треба точно і акуратно робити отвори під дюбелі. Ну на шині ще можна міняти шафки місцями, якщо колись захочеться 😁 1 Посилання на коментар Поділитися на інших сайтах More sharing options...
Borisg Опубліковано: 4 серпня 2025 Поділитись Опубліковано: 4 серпня 2025 Згоден. Я невірно написав, треба було написати "ці планки скоріше для одиночних навісок" . Тому що прямої вказівки на це у каталогах виробника немає. Але ця планка подається як один з варіантів для використання з підвісами і на мою особисту думку не варто використовуввати її при навішуванні шафок у кількості більше ніж один або два, тому що в такому випадку дуже мало точок кріплення до стіни. 1 Посилання на коментар Поділитися на інших сайтах More sharing options...
TaurosRMK Опубліковано: 7 серпня 2025 Поділитись Опубліковано: 7 серпня 2025 (змінено) 04.08.2025 в 12:48, Borisg сказав: тому що в такому випадку дуже мало точок кріплення до стіни. Ну не знаю... років 6 уже висять верхні шафки кухні на підвісах Camar 801. На кожну шафку по 2 планки, ширина шафок 450-600 мм, висота 900 мм. Загальна довжина десь 4,5 м. Тобто на одну шафку 4 дюбелі, по 2 на планку. Не знаю, може я щось не вірно зробив, але поки все ок, тримає нормально. Але це в цеглі, тому і писав вище що в газоблоці це може не спрацювати, тому там краще буде шина. Змінено 7 серпня 2025 користувачем TaurosRMK 1 Посилання на коментар Поділитися на інших сайтах More sharing options...
Borisg Опубліковано: 8 серпня 2025 Поділитись Опубліковано: 8 серпня 2025 Ну я ж не можу дозволити собі експерименти на замовниках ) 1 Посилання на коментар Поділитися на інших сайтах More sharing options...
Рекомендовані повідомлення
Створіть акаунт або увійдіть у нього для коментування
Ви маєте бути користувачем, щоб залишити коментар
Створити акаунт
Зареєструйтеся для отримання акаунта. Це просто!
Зареєструвати акаунтУвійти
Вже зареєстровані? Увійдіть тут.
Увійти зараз