Korni Опубліковано: 12 грудня 2010 Автор Поділитись Опубліковано: 12 грудня 2010 ..... а вот в фазе работы через ТА насос котла должен работать ОБЯЗАТЕЛЬНО, а для этого котел должен быть включенным и не выходить в блокировку по отсутствию газа У вас последовательный контур гидрострелки, ТА и КК и кто-то должен через этот контур гнать теплоноситель и никто кроме насоса котла этого не сделает в вашей схеме, а не дай бог он остановится, вода в КК остынет и он захочет ее нагреть, а так как газа нет, то заблокируется и отопление будет парализовано...... Котёл Logamax Будеруса будет постоянно включенным. Насос этого котла будет использоваться именно так, как вы описали. И в блокировку по отсутствию газа насос не выйдет. .....В вашей схеме вам в первую очередь нужно разобраться с логикой работы котла причем не спихивайте на сервисников, а то потом окажется что они не могут воплотить ваши идеи в жизнь и прийдется переделывать.......... ПС Странно почему больше никто ничего не говорит.....ну же теплотехники поможем форумчанину Вы не думайте, что я камикадзе.... Спасибо за помощь Автоматика имеет функцию "распознавание тепла извне", т.е. все будет работать корректно, автоматика не будет ставится в тупик,- откуда тепло при выключенной горелке. А при недостатке температуры, мягко включится газкотел (помним, что горелка модулированная) и подымет температуру до необходимой (например в ТА Т=45гр, но нужно подогреть ГВС). Рекомендация по этой схеме поддержана производителем и сервисом. Да и, в конце концов, помощью конкретного специалиста. Посилання на коментар Поділитися на інших сайтах More sharing options...
Korni Опубліковано: 12 грудня 2010 Автор Поділитись Опубліковано: 12 грудня 2010 Саша она не является рекомендуемой никапельки........ Схема для настенника с ГС. У меня только был вопрос по месту подключения ГС. Посилання на коментар Поділитися на інших сайтах More sharing options...
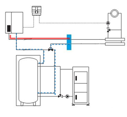
Korni Опубліковано: 12 грудня 2010 Автор Поділитись Опубліковано: 12 грудня 2010 Борьба за насосы Это тоже упрощённая схема Будерус: Посилання на коментар Поділитися на інших сайтах More sharing options...
Сергей_84 Опубліковано: 12 грудня 2010 Поділитись Опубліковано: 12 грудня 2010 У меня только был вопрос по месту подключения ГС. все правильно..имеено к этому вопросу я и отнесся насторожено....схемы от производителя были правильные пока вы не переставили ГС..в этот момент все в корне поменялось..и начались ньюансы особенно учитывая отсутствие газа.... ПС Если вы согласовали момент работы насоса котла непрерывно в не зависимости от подачи газа со спецами по Будерусу, то ваша схема чудно будет работать, хотя повторюсь она совсем нестандартна и не такая как у производителя, хотя очень похожа 1 Посилання на коментар Поділитися на інших сайтах More sharing options...
Korni Опубліковано: 12 грудня 2010 Автор Поділитись Опубліковано: 12 грудня 2010 .......схемы от производителя были правильные пока вы не переставили ГС..в этот момент все в корне поменялось..... Пока не понял требования производителей по наличию ГС для конденсационных котлов, тоже думал, что схема в "корне" отличается. :D ....она совсем нестандартна и не такая как у производителя, хотя очень похожа Собственно, скажу честно, интересная задача.... о запуске отчитаюсь. Посилання на коментар Поділитися на інших сайтах More sharing options...
Сергей_84 Опубліковано: 12 грудня 2010 Поділитись Опубліковано: 12 грудня 2010 смотрю Интерсо тоже был в недоумении по той же причине , что и я.... Теперь я осведомлен о функции : тепло из вне в будерусовской автоматике..мудрая вещь ну что ж, когда реализуете, отпишитесь как оно шуршит и греет.... Посилання на коментар Поділитися на інших сайтах More sharing options...
Сергей_84 Опубліковано: 12 грудня 2010 Поділитись Опубліковано: 12 грудня 2010 Пока не понял требования производителей по наличию ГС для конденсационных котлов, тоже думал, что схема в "корне" отличается. :D Собственно, скажу честно, интересная задача.... о запуске отчитаюсь. на самом деле ГС-это не только требование производителей для КК котлов....в первую очередь это требование для котлов со встроенным насосом и с разветвленной структурой системы, также для чугунных котлов для поддержания постоянного расхода в котловом контуре и вобще для всех котлов если вторичные кольца системы имеют слишком отличающиеся расходы теплоносителей, тогда ГС нивелирует влияние одного насоса на другой.... Посилання на коментар Поділитися на інших сайтах More sharing options...
Korni Опубліковано: 12 грудня 2010 Автор Поділитись Опубліковано: 12 грудня 2010 .....это не только ........ .....А ещё два-три килограмма мяса (с) :D Посилання на коментар Поділитися на інших сайтах More sharing options...
Котельщик Опубліковано: 16 грудня 2010 Поділитись Опубліковано: 16 грудня 2010 +1 к сомнениям Сергей_84. Теперь получается все упирается в мозги настенника, так как ему прийдется выполнять роль сетевого насоса, и пердически источника тепла. По схеме будеруса каждый источник тепла отделен ГС. 1-я на КК, 2 2-я это ТА твердотопливного котла. При чем забор тепла из ТА решена через обратку системы отопления (циркуляция тоже за счет постоянно работающего насоса отопления, который и выполняет роль сетевого). Подавая горячую обратку я так понимаю они реализовывали функцию "тепло со стороны" Автоматчики поправьте если ошибся. ИМХО. С учетом того, что газ будет через год-два решение не нравится, получается КК будет убиваться просто так. Но есть и хороший момент, надо будет всего лишь перенести подключение ГС до трехходовика 1 Посилання на коментар Поділитися на інших сайтах More sharing options...
Korni Опубліковано: 16 грудня 2010 Автор Поділитись Опубліковано: 16 грудня 2010 .....Подавая горячую обратку я так понимаю они реализовывали функцию "тепло со стороны".... Именно. В Logamax эта функция называется "распознавания тепла извне". .....ИМХО. С учетом того, что газ будет через год-два решение не нравится, получается КК будет убиваться просто так.... Моё имхо такое же. И заказчик проинформирован. Я вообще был против установки ТТ+ТА - лучше эти деньги на подключение газа потратить. Но я этот "медный" дом второй год делаю - в печени уже сидит. ........надо будет всего лишь перенести подключение ГС до трехходовика ГС уже подключен Подключение ГС определяется топологией проекта - группы смешения, коллектор и Электро котёл - в доме. ТТ+ТА+КК - в отдельно стоящем помещении котельной за 20м. В этом котле насос котлового контура встроенный, с регулированием оборотов от "мозгов". Скорость протока котел подбирает сам, а линия 40 метров для данного насоса (грюндфос 25-80)- пыль. ...... На самом деле там где-то 20 метров. А вот смесительным группам (и насосам на них) вытягивать 20 метров, а потом отправлять на этажи ещё (уже) далековато, мне кажется... Потому и склоняюсь к установке ГС в коллекторной.... Обоснование необходимости ГС для КК уже очень хорошо втемяшена в мою голову... и принцип понятен. Отдельное спасибо за это romi9999 - он мужественно терпел мои вопросы. Также спасибо Interso за рисование. Я теперь эти схемы (ТА в обратку котла) в любом виде могу распознать - в принципе, они лежат в основе (ссылка устарела). Саня (аса Теплотехник) недавно такое реализовал. Эту зиму (до включения газа), котёл будет работать по такой схеме. Сервопривод клапана вообще отключу пока Хочу до НГ собрать ТТ+ТА+КК .... пока ещё подиум не сделан в котельной. Буфер 1000л взял Cordivari, котёл Sime Solida8 Вчера запустил электрокотёл (18кВт) на ТП - в доме стало теплей. Посилання на коментар Поділитися на інших сайтах More sharing options...
Котельщик Опубліковано: 16 грудня 2010 Поділитись Опубліковано: 16 грудня 2010 Моё имхо такое же. И заказчик проинформирован Аминь. Тока обидно что заказчики, в случае траблов, забывают что их информировали. Я теперь эти схемы (ТА в обратку котла) в любом виде могу распознать - в принципе, они лежат в основе (ссылка устарела). Саня (аса Теплотехник) недавно такое реализовал. Там нюанс есть при использование твердотопливного котла + гелиосистема и будерус в своих схемах прямо про него предупреждает. ТТ нагревает буферную емкость и гелиосистеме уже некуда сбрасывать тепло на нужды отопления. Я пока не думал как это дешево обойти, но в память такой момент запал 1 Посилання на коментар Поділитися на інших сайтах More sharing options...
Korni Опубліковано: 16 грудня 2010 Автор Поділитись Опубліковано: 16 грудня 2010 .....Я пока не думал как это дешево обойти, но в память такой момент запал Может быть, было бы интересно обсудить. Посилання на коментар Поділитися на інших сайтах More sharing options...
Котельщик Опубліковано: 16 грудня 2010 Поділитись Опубліковано: 16 грудня 2010 Может быть, было бы интересно обсудить. да запросто но есть у меня таки подозрение что у буржуев твердотопливник как и солнце эсть вспомогательная система, на случай войны и отсутствия газа. Не зря у них все котельные оборудованы двухтопливными горелками на газ/соляра Посилання на коментар Поділитися на інших сайтах More sharing options...
Interso Опубліковано: 17 грудня 2010 Поділитись Опубліковано: 17 грудня 2010 смотрю Интерсо тоже был в недоумении по той же причине , что и я.... Теперь я осведомлен о функции : тепло из вне в будерусовской автоматике..мудрая вещь ну что ж, когда реализуете, отпишитесь как оно шуршит и греет.... Да я об этом писал в посте 35 и пока небудет выяснена логика работы конденсационного котла при разных режимах блокировки, то это может быть самое слабое место в этой схеме. Может быть есть смысл установить резервный насос. Посилання на коментар Поділитися на інших сайтах More sharing options...
Korni Опубліковано: 17 грудня 2010 Автор Поділитись Опубліковано: 17 грудня 2010 .....логика работы конденсационного котла при разных режимах блокировки.... Схема одобрена поставщиком котла. Кроме того, она была и испытана раньше. В "аварию" котёл не выходит. Посилання на коментар Поділитися на інших сайтах More sharing options...
Interso Опубліковано: 17 грудня 2010 Поділитись Опубліковано: 17 грудня 2010 Схема одобрена поставщиком котла. Кроме того, она была и испытана раньше. В "аварию" котёл не выходит. Я имею ввиду искуственно создать аварийную ситуацию и посмотреть отключается ли насос или продолжает работать при той или иной блокировке. К примеру прекратилась подача газа,перегрев теплообменника,отключилась турбина или сработал термостат исходящих газов. Посилання на коментар Поділитися на інших сайтах More sharing options...
Korni Опубліковано: 17 грудня 2010 Автор Поділитись Опубліковано: 17 грудня 2010 Я имею ввиду искуственно создать аварийную ситуацию ..... Ну, пуско-наладка кагбы подразумевает прогонку..... Меня больше ТТ в этом плане беспокоит.... Посилання на коментар Поділитися на інших сайтах More sharing options...
romi9999 Опубліковано: 17 грудня 2010 Поділитись Опубліковано: 17 грудня 2010 К примеру прекратилась подача газа,перегрев теплообменника,отключилась турбина или сработал термостат исходящих газов. "...Простуда, гемарой, чиряк на ср@цi, Запльована пiдлога, лiкарi, Вiд шприця гематома i - могила!..." Бессмертные слова... Посилання на коментар Поділитися на інших сайтах More sharing options...
murava Опубліковано: 17 грудня 2010 Поділитись Опубліковано: 17 грудня 2010 ... Бессмертные слова... "Я віднині наказую декретом справедливим: ..... Засунуть в жопу лома з нєржавєйкі!" Посилання на коментар Поділитися на інших сайтах More sharing options...
kiriljan Опубліковано: 17 грудня 2010 Поділитись Опубліковано: 17 грудня 2010 так купатись,чи нi? Посилання на коментар Поділитися на інших сайтах More sharing options...
Interso Опубліковано: 17 грудня 2010 Поділитись Опубліковано: 17 грудня 2010 Схема одобрена поставщиком котла. Кроме того, она была и испытана раньше. В "аварию" котёл не выходит. Тогда попробую поставить вопрос по другому. Заказчик вбабахал кучу бабок на эту схему (пост86) и по каким либо причинам газовый котёл выходит из строя и тогда дорогостоящий ТТ с ТА непоможет. Чтобы такой банальный случай непроизошол с такой высоко технологичной системой должен быть элементарный резервный насос, а вот ТТ с ТА если его сделать в гравитационном исполнении то это как раз самое надёжное звено. Если несекрет кто поставщик котла? Посилання на коментар Поділитися на інших сайтах More sharing options...
romi9999 Опубліковано: 17 грудня 2010 Поділитись Опубліковано: 17 грудня 2010 Тогда попробую поставить вопрос по другому. Заказчик вбабахал кучу бабок на эту схему (пост86) и по каким либо причинам газовый котёл выходит из строя и тогда дорогостоящий ТТ с ТА непоможет. Чтобы такой банальный случай непроизошол с такой высоко технологичной системой должен быть элементарный резервный насос, а вот ТТ с ТА если его сделать в гравитационном исполнении то это как раз самое надёжное звено. Если несекрет кто поставщик котла? А если выйдет из строя насос радиаторного контура, или загрузки бойлера? Или датчик привода, или сам привод, а может пропадет электричество, дрова не привезут? Мы ж не на Марс ракету отправляем, где то нужно остановиться. Посилання на коментар Поділитися на інших сайтах More sharing options...
Interso Опубліковано: 17 грудня 2010 Поділитись Опубліковано: 17 грудня 2010 А если выйдет из строя насос радиаторного контура, или загрузки бойлера? Или датчик привода, или сам привод, а может пропадет электричество, дрова не привезут? Мы ж не на Марс ракету отправляем, где то нужно остановиться. А вы себья поставте на место заказчика который вложил кучу денег в эту систему и при элементарной поломке вся его система становится кучей ненужного металолома. Или вы считаете если в четырёхмоторном самолете если выходит из строя один мотор и за ним все остальные отказывают то это нормально? Посилання на коментар Поділитися на інших сайтах More sharing options...
Interso Опубліковано: 17 грудня 2010 Поділитись Опубліковано: 17 грудня 2010 А если выйдет из строя насос радиаторного контура, или загрузки бойлера? Или датчик привода, или сам привод, а может пропадет электричество, дрова не привезут? Мы ж не на Марс ракету отправляем, где то нужно остановиться. Это несовсем удачный пример он нетянет на остановку всей системы отопления. Посилання на коментар Поділитися на інших сайтах More sharing options...
Korni Опубліковано: 17 грудня 2010 Автор Поділитись Опубліковано: 17 грудня 2010 ..... должен быть элементарный резервный насос.... Я насос найду в течении 2часов. ..... а вот ТТ с ТА если его сделать в гравитационном исполнении ..... На всё систему отопления устанавливается стабилизатор+ИБП. ..... Если несекрет кто поставщик котла? Котёл Logamax от Будерус. Это несовсем удачный пример он нетянет на остановку всей системы отопления. Заказчик ознакомлен с требованиями к теплообеспечению зданий 1-й категории Посилання на коментар Поділитися на інших сайтах More sharing options...
Рекомендовані повідомлення
Створіть акаунт або увійдіть у нього для коментування
Ви маєте бути користувачем, щоб залишити коментар
Створити акаунт
Зареєструйтеся для отримання акаунта. Це просто!
Зареєструвати акаунтУвійти
Вже зареєстровані? Увійдіть тут.
Увійти зараз