Алекс Опубліковано: 12 січня 2010 Поділитись Опубліковано: 12 січня 2010 (змінено) Со звонком-это Вы ловко придумали...Буду внедрять...У меня свободный контакт на третьей фазе при схеме 2-от туда и приделаю. Гм...Что-то не получается-наверное все-таки выключатель придется ставить-а то звонок будет всегда звонить.А гену все таки лучше на N или РЕ? Я к РЕ больше склоняюсь... Змінено 12 січня 2010 користувачем Алекс Посилання на коментар Поділитися на інших сайтах More sharing options...
Greyglass Опубліковано: 12 січня 2010 Поділитись Опубліковано: 12 січня 2010 Давайте-ка начнем с самого начала, а то, похоже, однозначного мнения на счет земли нет. Итак, в дом заходит питающий кабель. Предположим трехфазный. Таким образом имеем четыре провода: три фазы и ноль, он же нейтраль. Возле дома выполняется контур заземления. В вводном щитке делаем повторное заземление нейтрали и получаем таким образом глухо заземленную нейтраль. Далее, разводку в доме выполняем по пятипроводной схеме: три фазы, нейтраль (N) и "земля" (РЕ). Во всех остальных распределительных щитках или во всех подключениях нейтраль и землю не путаем и на одну клемму не сажаем. Поэтому в распредщитках шина нейтрали корпуса не касается и крепится на изоляторах. Физический смысл: по заземляющему проводнику ток не течет (за исключением повреждения изоляции, но это уже аварийный случай). Если бы земля обладала нулевым сопротивлением растеканию - это был бы идеальный случай, но реально сопротивление есть и оно зависит как от состава почвы, так и от его влажности. Поэтому выполняется повторное заземление, чтобы при пробое изоляции возникал ток, достаточный для срабатывания защитных устройств. Теперь берем генератор. Неважно, какой одно- или трехфазный. В однофазном разницы нет, кто будет фазой, а кто нейтралью, потому что физически это одна изолированная от "земли" обмотка генератора. Так вот, одну клемму называем нейтралью и поступаем с ней также, как и с входящей нейтралью, т. е. заземляем. Таким образом, получаем источник электроэнергии с глухо заземленной нейтралью. Суть в том что вы же не заземляете проводник генератора напрямую. Вы его соединяете с PE дома которая в щитке соединена с нейтралью да и еще при этом не рубите входящую нейтраль как тут советуют. В итоге по на нейтрали некислое напряжение появляется а нейтраль то у всех общая и у всех в щитке соединена с землей. В итоге у всех щиток окажется под напряжением! Поправьте если не прав. Я же предложил простой эксперимент, вы заземлили генератор? - отлично, теперь возьмитесь руками за PE (за электрощиток) - если не долбанет - значит все в порядке, значит и других "случайно" не долбанет. Посилання на коментар Поділитися на інших сайтах More sharing options...
Алекс Опубліковано: 12 січня 2010 Поділитись Опубліковано: 12 січня 2010 Я же предложил простой эксперимент, вы заземлили генератор? - отлично, теперь возьмитесь руками за PE (за электрощиток) - если не долбанет - значит все в порядке, значит и других "случайно" не долбанет. Димон,я чет очкую (с) Может тещу пригласить-типа придержите дверцу,пока я за шмыргалку буду дергать?:D Или там тестером померять-относительно стержня,забитого в землю-контур заземления от ящика с автоматами-где и гена подключен-метров за 15 расположен...? Посилання на коментар Поділитися на інших сайтах More sharing options...
Greyglass Опубліковано: 12 січня 2010 Поділитись Опубліковано: 12 січня 2010 Или там тестером померять-относительно стержня,забитого в землю-контур заземления от ящика с автоматами-где и гена подключен-метров за 15 расположен...? Можно и тестером померять. один щуп в руку второй - на щиток. Так и не долбанет и покажет разность потенциалов между вашим телом и щитком. Только режим измерения обязательно в напряжение выставить. Посилання на коментар Поділитися на інших сайтах More sharing options...
Konstruktor Опубліковано: 12 січня 2010 Поділитись Опубліковано: 12 січня 2010 (змінено) Я бы на другое внимание обратил ПУЭ 1.7.116. Не допускается использовать в качестве естественных заземлителей трубопроводы горючих жидкостей, горючих или взрывоопасных газов и смесей. Да и схемку сделал бы на сеть свои клеммы, на генератор свои и не соединять нули. Возьмите 4-х полюсный переключатель на 2 положения Змінено 12 січня 2010 користувачем Konstruktor Посилання на коментар Поділитися на інших сайтах More sharing options...
Алекс Опубліковано: 12 січня 2010 Поділитись Опубліковано: 12 січня 2010 Я бы на другое внимание обратил ПУЭ 1.7.116. Не допускается использовать в качестве естественных заземлителей трубопроводы горючих жидкостей, горючих или взрывоопасных газов и смесей. Да и схемку сделал бы на сеть свои клеммы, на генератор свои и не соединять нули. и чуть ниже-там-же ...это не относится к системе уравнивания потенциалов (как-то так-именно о ней идет речь) Вот у меня примерно так получается-только заземление не на фундамент дома,а на контур из уголков...И молниезащиты нету контура...Кстати-у меня от ГРЩ два провода идут на РЕ 6 мм2 и 2,5 мм2-какой из них сделать от главной заземляющей шины,а какой от шины РЕ? Про клеммы-не понял...Разъясните.Вам какая больше нравится схема-с обрывоим нуля или где все 3 фазы рвуться?И почему? Посилання на коментар Поділитися на інших сайтах More sharing options...
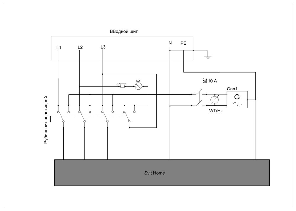
Konstruktor Опубліковано: 12 січня 2010 Поділитись Опубліковано: 12 січня 2010 Я бы так сделал При появлении напряжения в сети у Вас получается одна фаза остается не отключенной, да и согласовывать включение генератора с сетью нужно.Drawing1.pdf 1 Посилання на коментар Поділитися на інших сайтах More sharing options...
kamioy Опубліковано: 12 січня 2010 Поділитись Опубліковано: 12 січня 2010 To Алекс Если честно, то не совсем понял идеологию схемы. А самое главное, не понял, почему вы боитесь объединить нейтрали сети и генератора. Ведь они будут обе заземлены и, соответственно, эквипотенциальны. И еще. Как я понял, вы планируете эксплуатировать генератор в таком режиме, когда у него будут нагружены только две фазы. Какой у вас генератор, производитель, мощность? А вы знаете, что трехфазные генераторы допускают неравномерность нагрузки в пределах 20%? Нарушение этого требования чревато выходом из строя так называемого AVR (автоматического регулятора напряжения) Посилання на коментар Поділитися на інших сайтах More sharing options...
Алекс Опубліковано: 12 січня 2010 Поділитись Опубліковано: 12 січня 2010 Генератор однофазный-но нужно,чтобы он питал потребителей на 2 фазах-как я уже говорил,насос-на второй фазе.Поэтому переключателем подсоединяются потребители 2х фаз на одну-пожет я что-то не так нарисовал-поправте...Я не боюсь заземлять на ноль-я просто спрашиваю,на что лучше-на N или РЕ-хотя в глубине души подозреваю,что все равно-на вводном щитке они же соеденены... Посилання на коментар Поділитися на інших сайтах More sharing options...
Алекс Опубліковано: 12 січня 2010 Поділитись Опубліковано: 12 січня 2010 Я бы так сделал При появлении напряжения в сети у Вас получается одна фаза остается не отключенной, да и согласовывать включение генератора с сетью нужно. Я так понял-вы за разрыв нуля с ТП-но проблема в том,что,как я писал выше на страницу,газовый котел без заземления одного вывода генератора работать отказывается...Когда я посадил его на РЕ (отключив в вводном ящике N от РЕ )-все заработало...На N вывод генератора не подключал-решил разобраться до конца... Посилання на коментар Поділитися на інших сайтах More sharing options...
kamioy Опубліковано: 12 січня 2010 Поділитись Опубліковано: 12 січня 2010 Генератор однофазный-но нужно,чтобы он питал потребителей на 2 фазах-как я уже говорил,насос-на второй фазе.Поэтому переключателем подсоединяются потребители 2х фаз на одну-пожет я что-то не так нарисовал-поправте...Я не боюсь заземлять на ноль-я просто спрашиваю,на что лучше-на N или РЕ-хотя в глубине души подозреваю,что все равно-на вводном щитке они же соеденены... Точно-точно, я подзабыл (про однофазный). Про терминологию. N - нейтраль, нулевой провод, рабочий ноль. Средняя точка трех обмоток трансформатора в ТП, соединенных "звездой". Между этим проводником и любой из фаз присутствует напряжение 220 В. PE - protection earth, защитной заземление. Выглядит как ряд длинных штырей, забитых глубоко в землю и соединенных между собой. Так что если вы хотите что-нибудь заземлить, то соединяйте это с PE - не ошибетесь Еще раз вопрос: зачем рвать нейтраль? Какая цель преследуется? Еще вопрос. Как я понял, есть у вас идея идея использовать одну фазу от сети (при условии, что она есть), а две других брать от генератора (вернее, генераторную расщеплять на две). Сауна при этом будет запитываться? Сауна, как я понял, трехфазная. А как подключены ТЭНы, звездой или треугольником? Просто я с саунами не сталкивался Посилання на коментар Поділитися на інших сайтах More sharing options...
Greyglass Опубліковано: 13 січня 2010 Поділитись Опубліковано: 13 січня 2010 Еще раз вопрос: зачем рвать нейтраль? Какая цель преследуется? Не подавать на общую нейтраль напряжение. Посилання на коментар Поділитися на інших сайтах More sharing options...
Алекс Опубліковано: 13 січня 2010 Поділитись Опубліковано: 13 січня 2010 Так что если вы хотите что-нибудь заземлить, то соединяйте это с PE - не ошибетесь Еще раз вопрос: зачем рвать нейтраль? Какая цель преследуется? Еще вопрос. Как я понял, есть у вас идея идея использовать одну фазу от сети (при условии, что она есть), а две других брать от генератора (вернее, генераторную расщеплять на две). Сауна при этом будет запитываться? Сауна, как я понял, трехфазная. А как подключены ТЭНы, звездой или треугольником? Просто я с саунами не сталкивался Еще раз уточню про нейтраль (N) -она соеденена в вводном щитке с РЕ (вернее PEN разделен на РЕ и N -схема TN-C-S).Один вывод генератора (не корпус) нужно соединять с N или РЕ (мне кажется-без разницы-или я ошибаюсь? т.к. между ними есть контакт в вводном ящике)-иначе газовый котел от гены не работает... Разумеется сауна от генератора работать не будет-я не настолько люблю чистоту:D,чтобы при аварии на ТП мыться..Разумеется,все потребители при аварии включаться не будут-кондеры,электрочайники,стиралка и т.д-только котел,лампочки и насос.Речь всего лишь о том,что насос из-за постоянного мигания света при включении у меня на фазе В-на схеме 2 видно третья фаза С обрывается при РВР в никуда (вернее,я переделал ее на звонок-как советовал Мазурито). Просто влом делать отдельные ветки-генератор\ТП-и я запитал ВСЕХ потребителей от двух фаз на однофазного гену,но включаться будут только критичные... А каменка сделана тупо- 6 ТЭНов ,по 2 на фазу...Там в инструкции ставится 3 автомата по 10 А на каждую фазу-вот и всех делов Посилання на коментар Поділитися на інших сайтах More sharing options...
Konstruktor Опубліковано: 13 січня 2010 Поділитись Опубліковано: 13 січня 2010 Вот здесь подобная тема обговаривается, почитайте, может интересно будет eom.com.ua/index.php/topic,4020.15.html Посилання на коментар Поділитися на інших сайтах More sharing options...
mazurito Опубліковано: 13 січня 2010 Поділитись Опубліковано: 13 січня 2010 Ув. Алекс! Я в шоке! 99% советчиков (теоретиков) наверно не имеют ни генератора не энергозависимого котла! А пришли просто так по.з..ть! Пускай каждый советчик - теоретик раскажет и покажет как ЛИЧНО У НЕГО подключен гена, чтоб котел работал! Я уверен что 99,9% просто подключают гену кабелем с двумя вилками! (в домовую розетку)! После последних отключений генераторы из магазинов практически выгребли, и как Вы думаете их подключают? А у ВАс абсолютно нормальная схема (если будете рвать все 3ф.) Какие основные требования к подключению: 1. Нормальное повторное заземление. 2. Исключение подачи встречки в ВЛ. Все. Если сами сомневаетесь и боитесь - пройдитесь по соседям, друзякам, по телефону позвоните в фирмы торгующими и подключающими гены (хорошая "Мадек") - я уверен, никто в ПРАКТИЧЕСКОЙ консультации не откажет и ВЫ убедитесь у всех включено ОДИНАКОВО! Не парьтесь, и удачи и тепла в доме! 1 Посилання на коментар Поділитися на інших сайтах More sharing options...
Greyglass Опубліковано: 13 січня 2010 Поділитись Опубліковано: 13 січня 2010 Пускай каждый советчик - теоретик раскажет и покажет как ЛИЧНО У НЕГО подключен гена, чтоб котел работал! Я уверен что 99,9% просто подключают гену кабелем с двумя вилками! (в домовую розетку)! Гену подключаю в щитке через автоматы предварительно рубанув все фазы и ноль на входе. Причем доп рубильник не надо, на входе стоит УЗО которое рубит и фазы и ноль. Ни один проводник гены НЕ заземлен. Котел работает нормально как и все остальное. Выпендривается только комповый UPS. Какие основные требования к подключению: 1. Нормальное повторное заземление. 2. Исключение подачи встречки в ВЛ. Все. Совершенно верно. Из за пункта 2 рвать входящую нейтраль ОБЯЗАТЕЛЬНО. По поводу заземления одного из проводников гены - я бы действовал согласно инструкции на гену. В моей написано категорически нельзя заземлять. Посилання на коментар Поділитися на інших сайтах More sharing options...
mazurito Опубліковано: 13 січня 2010 Поділитись Опубліковано: 13 січня 2010 Гену подключаю в щитке через автоматы предварительно рубанув все фазы и ноль на входе. Причем доп рубильник не надо, на входе стоит УЗО которое рубит и фазы и ноль. Ни один проводник гены НЕ заземлен. Котел работает нормально как и все остальное. Ключевое слово ПРЕДВАРИТЕЛЬНО, т.е. совершив или не дай бог, не совершив, ПРЕДВАРИТЕЛЬНЫЕ манипуляции. А требуется ИСКЛЮЧИТЬ ВОЗМОЖНОСТЬ!!!!. А если забудете, жена, теща, сосед, маразм тоже еще не кто не отменял (не примите на свой счет - это шутка с долей правды) А перекидной рубильник на 100% отрубает и исключает! При 3х фазном Вводе и наличии однофазных потребителей категорически против каких либо комутаций ноля. Имел возможность наблюдать печальные картины: Время замыканий контактов комутаторов (автоматов), кроме спец рубильников и пускателей, не может быть одинаковым! А где гарантия что нулевые контакты замкнутся первыми или не подгорят? Ток то тама поболее чем в фазных. При подключеной однофазной нагрузке на разных фазах последствия нуна описывать? С котлом Вам повезло. Прилагаю схему как включено у меня (и не только у меня). У обслуживающих нашу ТП РЕСовцев никаких вопросов не возникло (да и не могло возникнуть). 1 Посилання на коментар Поділитися на інших сайтах More sharing options...
Greyglass Опубліковано: 13 січня 2010 Поділитись Опубліковано: 13 січня 2010 При 3х фазном Вводе и наличии однофазных потребителей категорически против каких либо комутаций ноля. У вас УЗО есть? Любое УЗО - это комутация нуля. Ибо оно его рвет при срабатывании. По вашей схеме получается что вы не рвете вообще входящий ноль? А как же недопущение встречной напруги? Посилання на коментар Поділитися на інших сайтах More sharing options...
Hans Опубліковано: 13 січня 2010 Поділитись Опубліковано: 13 січня 2010 ...Прилагаю схему... очень правильная схема. Посилання на коментар Поділитися на інших сайтах More sharing options...
mazurito Опубліковано: 13 січня 2010 Поділитись Опубліковано: 13 січня 2010 А собственно, какая встречная напруга при повторном заземлении? Напруга может быть относительно другого полюса (упрощенно) А здесь относительно чего? УЗО конечно стоят НО НА ОДНОФАЗНУЮ НАГРУЗКУ ДВУХПОЛЮСНЫЕ, А НА ТРЕХФАЗНУЮ четырехполюсные специально для энтого и предназначеные! Посилання на коментар Поділитися на інших сайтах More sharing options...
snickers Опубліковано: 13 січня 2010 Поділитись Опубліковано: 13 січня 2010 У вас УЗО есть? Любое УЗО - это комутация нуля. Ибо оно его рвет при срабатывании. По вашей схеме получается что вы не рвете вообще входящий ноль? А как же недопущение встречной напруги? На АЭС нули всех турбогенераторов в одну точку рельсой сварены и ничего никуда "встречно" не течет. Ток по двум проводам течет, пока вторым цепь не замкнете, ничего "встречно" течь не будет. Все же источники у нас с глухозаземленной нейтралью. Посилання на коментар Поділитися на інших сайтах More sharing options...
Greyglass Опубліковано: 13 січня 2010 Поділитись Опубліковано: 13 січня 2010 Ток по двум проводам течет По одному который включен между точками с разными потенциалами, и течет он только по причине стремления эти потенциалы уравнять. У меня разность потенциалов между землей и любым выводом генератора - 110В. При этом гена стоит на резиновых колесах и с землей никак не соединен. Как думаете, если я возьмусь за голый проводник меня долбанет током? Посилання на коментар Поділитися на інших сайтах More sharing options...
mazurito Опубліковано: 13 січня 2010 Поділитись Опубліковано: 13 січня 2010 Подправил пост №157 Посилання на коментар Поділитися на інших сайтах More sharing options...
Hans Опубліковано: 13 січня 2010 Поділитись Опубліковано: 13 січня 2010 По одному. быстренько в школу.... Посилання на коментар Поділитися на інших сайтах More sharing options...
snickers Опубліковано: 13 січня 2010 Поділитись Опубліковано: 13 січня 2010 По одному. Ну пускай по одному, если Вам так удобнее. Но чтобы он потек по этому проводнику, между его концами должна быть разность потенциалов. А он у нас с обоих сторон к нулю подключен и заземлен. Откуда взяться разности потенциалов??? Посилання на коментар Поділитися на інших сайтах More sharing options...
Рекомендовані повідомлення
Створіть акаунт або увійдіть у нього для коментування
Ви маєте бути користувачем, щоб залишити коментар
Створити акаунт
Зареєструйтеся для отримання акаунта. Це просто!
Зареєструвати акаунтУвійти
Вже зареєстровані? Увійдіть тут.
Увійти зараз