xPavelx Опубліковано: 27 липня 2017 Автор Поділитись Опубліковано: 27 липня 2017 Наверное это высота входного отверстия присоединительных труб от котла к дымоходу. Это нормально. А как его по другому смонтировать? Либо подвесить в воздухе, либо выполнить в толстой несущей стене на метр-полтора выше пола. По нормальному нужно вести от пола. Там у Вас ниже устья (вышеописанный вход для подсоединения котла) в дымоходе ещё разместятся прочистное отверстие и кондесатоприёмник. Погодите, погодите. Эти 2 фразу противоречат друг друг. Или мы подразумеваем разные вещи под словом дымоход. Дымоход от пола - я имел ввиду что нужно ли начинать кирпичную кладку дымохода от пола ? Если я сделаю 2680 как по проекту то получается как на картинке ниже. Как мне кажется это не совсем правильно. Можно бы начать кладку отверстия под дымоход ниже, например на высоте 1.5 метра или метр Посилання на коментар Поділитися на інших сайтах More sharing options...
Vikctor Опубліковано: 27 липня 2017 Поділитись Опубліковано: 27 липня 2017 Дымоход от пола - я имел ввиду что нужно ли начинать кирпичную кладку дымохода от пола ? Я же уже написал - каким образом по другому Вы собираетесь подвесить дымоход в воздухе? Картинка вполне правильная. Можно бы начать кладку отверстия под дымоход ниже, например на высоте 1.5 метра или метр Можно. Если дымоход интегрирован в несущую стену. Но как при этом сделать прочистное отверстие и конденсатоприёмник? Посилання на коментар Поділитися на інших сайтах More sharing options...
xPavelx Опубліковано: 27 липня 2017 Автор Поділитись Опубліковано: 27 липня 2017 Я же уже написал - каким образом по другому Вы собираетесь подвесить дымоход в воздухе? Картинка вполне правильная. Можно. Если дымоход интегрирован в несущую стену. Но как при этом сделать прочистное отверстие и конденсатоприёмник? Вот я думал что как то так Посилання на коментар Поділитися на інших сайтах More sharing options...
-electron- Опубліковано: 27 липня 2017 Поділитись Опубліковано: 27 липня 2017 А трубу потом под углом заводить в канал ? Так в каналі ставиться трійник 45 градусів. Знизу лійка збоку котел вверх димар. Під лійкою залиште канал щоб можна було її зняти для чистки димаря. Добавлено через 4 минуты Вот я думал что как то так Як за котел залізти для чистки? Якщо захочете інший котел який вищий то що робити розбирати кладку? Чому Ви боїтесь трубу всередині пустити? Посилання на коментар Поділитися на інших сайтах More sharing options...
jenkins Опубліковано: 27 липня 2017 Поділитись Опубліковано: 27 липня 2017 Размещать дымоход в наружной стене - глупость. 1 Посилання на коментар Поділитися на інших сайтах More sharing options...
-electron- Опубліковано: 27 липня 2017 Поділитись Опубліковано: 27 липня 2017 Размещать дымоход в наружной стене - глупость. Угу промерзне і так далі. Я зараз гуляю містом. Можу пройшовши не більше 100 метрів по любій з вулиць зробити фото десятка димів в зовнішніх стінах. Стоять вже понад 100 років. І це без утеплення.якщо ще й утеплити то в чому проблема окрім фобій? Посилання на коментар Поділитися на інших сайтах More sharing options...
xPavelx Опубліковано: 27 липня 2017 Автор Поділитись Опубліковано: 27 липня 2017 Так в каналі ставиться трійник 45 градусів. Знизу лійка збоку котел вверх димар. Під лійкою залиште канал щоб можна було її зняти для чистки димаря. Як за котел залізти для чистки? Якщо захочете інший котел який вищий то що робити розбирати кладку? Чому Ви боїтесь трубу всередині пустити? Не знаю как ответить на ваши вопросы, потому как никогда в жизни котла не видел вблизи. И тем более не обслуживал. Пойду завтра в магазин котлов смотреть как они устроены. Но раз все уверяют что высота отверстия в стене по дымоход 2.86м нормальная - то тогда так и буду делать. Размещать дымоход в наружной стене - глупость. Труба проходит в внутри дома, не по наружной стене. Не хотелось всю планировку вырисовывать в paint'e. Посилання на коментар Поділитися на інших сайтах More sharing options...
-electron- Опубліковано: 27 липня 2017 Поділитись Опубліковано: 27 липня 2017 Не знаю как ответить на ваши вопросы, потому как никогда в жизни котла не видел вблизи. И тем более не обслуживал. Пойду завтра в магазин котлов смотреть как они устроены. Но раз все уверяют что высота отверстия в стене по дымоход 2.86м нормальная - то тогда так и буду делать. От тут показано як пустити трубу. Єдине що ревізія не внизу стіни, а одразу під коліном. Знімаєтся лійка, підставляється ємність і можна почистити трубу, все що зчистили падає в ємність. Я спробував в паінті показати розріз стіни. Зберегти Зберегти 1 Посилання на коментар Поділитися на інших сайтах More sharing options...
xPavelx Опубліковано: 31 липня 2017 Автор Поділитись Опубліковано: 31 липня 2017 Да уж.. Выбирал выбирал я фбс блоки, искал самые лучшие и в итоге купил говнище какое то. Сегодня вызывал человека из строительной лаборатории, где меряют прочность бетона и т.п. Мерял он неразрушающим методом, каким то пистолетиком. Говорит погрешность 10%. Намерял он прочность блоков аш м50-м75 (по госту должно быть м100), армошов м100 (тот самый странного цвета из глиняного песка). Снести бы все это нафиг, но внешние стены уже практически закончены. Конструктор говорит, что прочности блоков хватит. Наверное буду продолжать строится как есть. Обидно что брал не дешевые блоки, в конторе которая делает качественный бетон и думал что раз делают хороший бетон, то наверное сделают и хорошие блоки. И все это под руководством прораба, которого я возил смотреть на эти блоки прежде чем купить. А еще обиднее что есть заводы которые делают качественные жби, но на момент выбора фбс блоков они почему то мне не попались. 1 Посилання на коментар Поділитися на інших сайтах More sharing options...
марк-антоний Опубліковано: 31 липня 2017 Поділитись Опубліковано: 31 липня 2017 Да уж.. Выбирал выбирал я фбс блоки, искал самые лучшие и в итоге купил говнище какое то. Сегодня вызывал человека из строительной лаборатории, где меряют прочность бетона и т.п. Мерял он неразрушающим методом, каким то пистолетиком. Говорит погрешность 10%. Намерял он прочность блоков аш м50-м75 (по госту должно быть м100), армошов м100 (тот самый странного цвета из глиняного песка). Снести бы все это нафиг, но внешние стены уже практически закончены. Конструктор говорит, что прочности блоков хватит. Наверное буду продолжать строится как есть. Обидно что брал не дешевые блоки, в конторе которая делает качественный бетон и думал что раз делают хороший бетон, то наверное сделают и хорошие блоки. И все это под руководством прораба, которого я возил смотреть на эти блоки прежде чем купить. А еще обиднее что есть заводы которые делают качественные жби, но на момент выбора фбс блоков они почему то мне не попались. Не парьтесь! Все будет хорошо! 4 Посилання на коментар Поділитися на інших сайтах More sharing options...
mastervovik Опубліковано: 31 липня 2017 Поділитись Опубліковано: 31 липня 2017 Да уж.. Выбирал выбирал я фбс блоки, искал самые лучшие и в итоге купил говнище какое то. Сегодня вызывал человека из строительной лаборатории, где меряют прочность бетона и т.п. Мерял он неразрушающим методом, каким то пистолетиком. Говорит погрешность 10%. Намерял он прочность блоков аш м50-м75 (по госту должно быть м100), армошов м100 (тот самый странного цвета из глиняного песка). Снести бы все это нафиг, но внешние стены уже практически закончены. Конструктор говорит, что прочности блоков хватит. Наверное буду продолжать строится как есть. Обидно что брал не дешевые блоки, в конторе которая делает качественный бетон и думал что раз делают хороший бетон, то наверное сделают и хорошие блоки. И все это под руководством прораба, которого я возил смотреть на эти блоки прежде чем купить. А еще обиднее что есть заводы которые делают качественные жби, но на момент выбора фбс блоков они почему то мне не попались. Блоки на самом деле это не самое важное (в них даже арматуры нет), а важно что под ними и над ними! 3 Посилання на коментар Поділитися на інших сайтах More sharing options...
digor_ua Опубліковано: 31 липня 2017 Поділитись Опубліковано: 31 липня 2017 Да уж.. Выбирал выбирал я фбс блоки, искал самые лучшие и в итоге купил говнище какое то. Сегодня вызывал человека из строительной лаборатории, где меряют прочность бетона и т.п. Мерял он неразрушающим методом, каким то пистолетиком. Говорит погрешность 10%. Намерял он прочность блоков аш м50-м75 (по госту должно быть м100), армошов м100 (тот самый странного цвета из глиняного песка). Снести бы все это нафиг, но внешние стены уже практически закончены. Конструктор говорит, что прочности блоков хватит. Наверное буду продолжать строится как есть. Обидно что брал не дешевые блоки, в конторе которая делает качественный бетон и думал что раз делают хороший бетон, то наверное сделают и хорошие блоки. И все это под руководством прораба, которого я возил смотреть на эти блоки прежде чем купить. А еще обиднее что есть заводы которые делают качественные жби, но на момент выбора фбс блоков они почему то мне не попались. эта... в моем скромном понимании строительных технологий ФБСки это просто стеновой материал. который без сякого-такого фундамента под ними и без армпояса над ними нифига держать не будут. Вы бы еще прочность газоблока померяли, там вобще цифра заманичвая получится Кароче, все нормально, не переживайте Добавлено через 41 секунду Блоки на самом деле это не самое важное (в них даже арматуры нет), а важно что под ними и над ними! во, даже професионалы-самостройщики подтверждают мои скромные догадки 4 Посилання на коментар Поділитися на інших сайтах More sharing options...
Tamburello Опубліковано: 31 липня 2017 Поділитись Опубліковано: 31 липня 2017 Да уж.. Выбирал выбирал я фбс блоки, искал самые лучшие и в итоге купил говнище какое то. Сегодня вызывал человека из строительной лаборатории, где меряют прочность бетона и т.п. Мерял он неразрушающим методом, каким то пистолетиком. Говорит погрешность 10%. Намерял он прочность блоков аш м50-м75 (по госту должно быть м100), армошов м100 (тот самый странного цвета из глиняного песка). Снести бы все это нафиг, но внешние стены уже практически закончены. Конструктор говорит, что прочности блоков хватит. Наверное буду продолжать строится как есть. Обидно что брал не дешевые блоки, в конторе которая делает качественный бетон и думал что раз делают хороший бетон, то наверное сделают и хорошие блоки. И все это под руководством прораба, которого я возил смотреть на эти блоки прежде чем купить. А еще обиднее что есть заводы которые делают качественные жби, но на момент выбора фбс блоков они почему то мне не попались. ФБС это по госту бетон Б7,5 вот где-то это вам и намеряли, я так понимаю. 2 Посилання на коментар Поділитися на інших сайтах More sharing options...
xPavelx Опубліковано: 31 липня 2017 Автор Поділитись Опубліковано: 31 липня 2017 Не парьтесь! Все будет хорошо! Блоки на самом деле это не самое важное (в них даже арматуры нет), а важно что под ними и над ними! эта... в моем скромном понимании строительных технологий ФБСки это просто стеновой материал. который без сякого-такого фундамента под ними и без армпояса над ними нифига держать не будут. Вы бы еще прочность газоблока померяли, там вобще цифра заманичвая получится Кароче, все нормально, не переживайте Не ожидал я услышать слова поддержки. Спасибо ФБС это по госту бетон Б7,5 вот где-то это вам и намеряли, я так понимаю. Б7.5 = м100. У меня же намеряли м50-м75, т.е. это Б3.5-Б5 В справочниках пишут что несущая способность м50 = ~50кг\см2 Т.е. получается что 1м2 может выдержать 500 тонн ? У меня ~120 м.п фундамента, ширина 30см. Т.е. общая площадь 36 метров. Получается что несущая способность 18 000 тонн (При том что дом будет весить 300-400 тонн) Как то слишком много, можно было б все малоэтажные дома строить на м50 и не заморачиваться. Есть еще понижающие коэффициенты ? где ошибка в моих вычислениях ? Посилання на коментар Поділитися на інших сайтах More sharing options...
mastervovik Опубліковано: 31 липня 2017 Поділитись Опубліковано: 31 липня 2017 Есть еще понижающие коэффициенты ? Много зависит от качества укладки, равномерности заполнения шва и т.д. По сути несущей способности на сжатия вам действительно должно хватить с головой, но весь цимес в том, что в строительстве есть не только сжимающие нагрузки;) И надо обеспечить работу фбс-ок только на сжатие, вот тут и важны "остальные мелочи" 1 Посилання на коментар Поділитися на інших сайтах More sharing options...
Tamburello Опубліковано: 31 липня 2017 Поділитись Опубліковано: 31 липня 2017 где ошибка в моих вычислениях ? ошибка в том мнении, что дом держит фундамент. но это же не так. Посилання на коментар Поділитися на інших сайтах More sharing options...
xPavelx Опубліковано: 29 серпня 2017 Автор Поділитись Опубліковано: 29 серпня 2017 Давно не писал. На несколько недель нужно было уехать в командировку и стройка жила своей жизнью. Закончили наружные стены и на 90% готовы внутренние несущие. Одну стену делал под расшивку. Думал может вскрыть ее лаком и оставить как есть. Правда получилось не совсем то, что хотелось. Швы местами толстоватые и кирпичи лежат торцом через ряд(как по мне не очень смотрится) Ну посмотрим, если не понравится, то заштукатурю. Параллельно с кладкой стен потихоньку вязали и укладывали верхний армопояс. 4 Посилання на коментар Поділитися на інших сайтах More sharing options...
digor_ua Опубліковано: 30 серпня 2017 Поділитись Опубліковано: 30 серпня 2017 а почему в армпоясе с внутренней стороны не сотый газоблок, а опалубка ОСБ плитой? как пом не, то сотку газоблока проще же прилепить, да и потеплее же будет Посилання на коментар Поділитися на інших сайтах More sharing options...
xPavelx Опубліковано: 30 серпня 2017 Автор Поділитись Опубліковано: 30 серпня 2017 а почему в армпоясе с внутренней стороны не сотый газоблок, а опалубка ОСБ плитой? как пом не, то сотку газоблока проще же прилепить, да и потеплее же будет Тогда слишком узкий армопояс получится Посилання на коментар Поділитися на інших сайтах More sharing options...
xPavelx Опубліковано: 4 вересня 2017 Автор Поділитись Опубліковано: 4 вересня 2017 Сегодня залили верхний армопояс. На мои лабиринты ушло 7.5 кубов бетона и часов 6 времени. Дней через 7 думаю укладывать плиты. До укладки плит хочу сделать фундаменты под перегородки, чтобы залить их с крана в день монтажа плит. 2 Посилання на коментар Поділитися на інших сайтах More sharing options...
lala-fa Опубліковано: 5 вересня 2017 Поділитись Опубліковано: 5 вересня 2017 Сегодня залили верхний армопояс. На мои лабиринты ушло 7.5 кубов бетона и часов 6 времени. Дней через 7 думаю укладывать плиты. До укладки плит хочу сделать фундаменты под перегородки, чтобы залить их с крана в день монтажа плит. О, бетоникс Имхо лучший выбор в Харькове, хоть и дороже остальных Посилання на коментар Поділитися на інших сайтах More sharing options...
korsar_ Опубліковано: 5 вересня 2017 Поділитись Опубліковано: 5 вересня 2017 О, бетоникс Имхо лучший выбор в Харькове, хоть и дороже остальных Чисто из интереса почему бетоникс лучший выбор? Посилання на коментар Поділитися на інших сайтах More sharing options...
lala-fa Опубліковано: 5 вересня 2017 Поділитись Опубліковано: 5 вересня 2017 Чисто из интереса почему бетоникс лучший выбор? Сразу скажу, что я не делал лабораторных анализов бетона, поэтому объективно о качестве сказать не могу, но со слов моего бригадира - бетон был хороший. А так - позвонил, высказал свои пожелания и дату, приехала заказанная машина (с удлиненным лотком), выгрузила, после выгрузки заплатили деньги и машина уехала. Быстро и без суеты. Фундамент мне заливал момот - так им и предоплату скинуть, и миксер один на полтора часа опоздал, не могут гарантировать, что машина будет с удлиненным лотком. Ну а другими не пользовался. С другими не работал, но и отзывы о них не очень. 2 Посилання на коментар Поділитися на інших сайтах More sharing options...
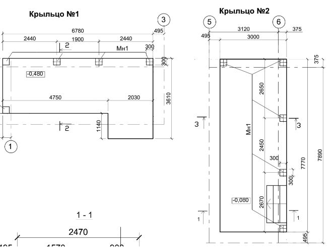
xPavelx Опубліковано: 12 вересня 2017 Автор Поділитись Опубліковано: 12 вересня 2017 Подходит время монтировать крышу. Но сначала нужно сделать стойки, на которые будет опираться крыша над терассой. По проекту это металлические квадратные трубы(Мн1 на чертеже), которые бетонируются в плиту терассы. Проектировал еще первый архитектор и сделаны они были с рассчетом что будет ложиться плитка. Сейчас ситуация изменилась: во-первых думаю делать пол из терассной доски. Во-вторых особо нет времени заниматься заливкой террас, т.к уже нужно заниматься крышей и нужны опорные столбы. Вот как это выглядит по проекту Нужно ли под терасную доску тоже заливать бетон как по проекту ? Не проще ли сделать на сваях или бетонных столбиках ? Если не заливать терассы сейчас, то какое основание нужно под стойки ? Посилання на коментар Поділитися на інших сайтах More sharing options...
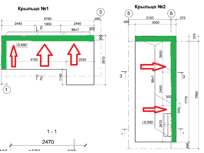
xPavelx Опубліковано: 14 вересня 2017 Автор Поділитись Опубліковано: 14 вересня 2017 Думал,думал как установить опоры под терассы, общался с кровельщиками и своими каменщиками.... В общем мысль такая - утрамбовать сантиметров 30 песка и залить ленту под опорные столбы терассы шириной 40 см и глубиной 80 см (отмечено зеленым на рисунке). Снизу положить арматуру по аналогии как делал для подошвы фундамента. После столбов хочу все таки сделать минимальную заливку пола террасы под уклоном, чтоб вода если и попадала под лаги, то стекала вниз, а не скапливалась под терассой (уклон показан красными стрелками). Какой минимальный слой плиты можно сделать ?? Или может есть другие варианты, кроме бетона ? Посилання на коментар Поділитися на інших сайтах More sharing options...
Рекомендовані повідомлення
Створіть акаунт або увійдіть у нього для коментування
Ви маєте бути користувачем, щоб залишити коментар
Створити акаунт
Зареєструйтеся для отримання акаунта. Це просто!
Зареєструвати акаунтУвійти
Вже зареєстровані? Увійдіть тут.
Увійти зараз