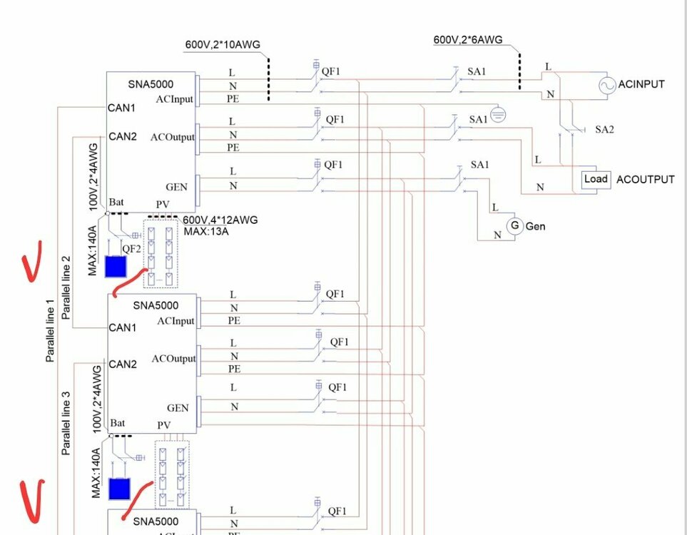
Вата Шоу Опубліковано: 6 жовтня 2024 Поділитись Опубліковано: 6 жовтня 2024 28 хвилин тому, yur43 сказав: Вам треба перевірити звязок між елементами паралельної системи, отой CAN. І батарея має бути об'єднана і на одній шині і керувати головним інвертором. Зв'язок є. При зміні налаштувань на одному інверторі змінюються і на другому. Але ж виробник передбачив варіант коли в кожного інвертора своя окрема батарея (схема) Посилання на коментар Поділитися на інших сайтах More sharing options...
yur43 Опубліковано: 6 жовтня 2024 Автор Поділитись Опубліковано: 6 жовтня 2024 4 хвилини тому, Вата Шоу сказав: Зв'язок є. При зміні налаштувань на одному інверторі змінюються і на другому. Але ж виробник передбачив варіант коли в кожного інвертора своя окрема батарея (схема) Не впевнений що всі ситуації передбачені. Система на те і система, що головний керує підлеглими. Бо один захоче тягнути навантаження, а другий тим часом надумає підзарядитись, як в людей майже.. Посилання на коментар Поділитися на інших сайтах More sharing options...
Вата Шоу Опубліковано: 6 жовтня 2024 Поділитись Опубліковано: 6 жовтня 2024 1 хвилину тому, yur43 сказав: Не впевнений що всі ситуації передбачені. Система на те і система, що головний керує підлеглими. Бо один захоче тягнути навантаження, а другий тим часом надумає підзарядитись, як в людей майже.. Коли є мережа вони добре працюють. Один заряджає батарею свою і віддає свою частину струму на навантаження. Інший бере з сонячних панелей і теж живить навантаження. Або разом заряджають свої батареї. Залежить від налаштувань і напруги на батареях. Проблема з'являється тільки коли пропадає живлення з мережі. До речі на новому інверторі при відєднаному навантажені з'являється 31 вольт на виході ups(фото) Посилання на коментар Поділитися на інших сайтах More sharing options...
Dalet Опубліковано: 6 жовтня 2024 Поділитись Опубліковано: 6 жовтня 2024 4 часа назад, Вата Шоу сказал: Вітання всім. Потрібна допомога. Добавив до свого старого ще інвертор паралельно. У кожного своя батарея. Новий покишо без панелей. Мережа присутнія. Все прекрасно з'єдналися в паралель, разом живлять навантаження, підключав близько 8 кВт. Все було добре поки не пропала мережа. Після цього інвертори почали клацати. Як з'ясувалося після вимкення мережі на вході зявляється напруга яку інвертор сприймає як відновлення живлення і намагається перемкнутися. На скільки я зрозумів цю напругу генерує новий інвертор. Це брак чи щось не так з налаштуваннями? П.С. генерація в мережу вимкнена на обох Звяжіться з сервісом. Там є момент. Може бути проблема з інвертором. По опису саме так і вигляда Посилання на коментар Поділитися на інших сайтах More sharing options...
Вата Шоу Опубліковано: 6 жовтня 2024 Поділитись Опубліковано: 6 жовтня 2024 7 годин тому, Dalet сказав: Звяжіться з сервісом. Там є момент. Може бути проблема з інвертором. По опису саме так і вигляда На китайський сервіс? Посилання на коментар Поділитися на інших сайтах More sharing options...
msgarry Опубліковано: 6 жовтня 2024 Поділитись Опубліковано: 6 жовтня 2024 А чому б і ні. Хай висилають інший. 😀 1 Посилання на коментар Поділитися на інших сайтах More sharing options...
Вата Шоу Опубліковано: 6 жовтня 2024 Поділитись Опубліковано: 6 жовтня 2024 Перевіряв опір між входами/виходами на фазі і нулі на обох інверторах. На старому нейтралі з'єднані між собою, а на новому інверторі з'єднані фази. Звідси запитання чи міг китаєць який збирав просто переплутати провода при під'єднання клем? Посилання на коментар Поділитися на інших сайтах More sharing options...
Evroklidon Опубліковано: 7 жовтня 2024 Поділитись Опубліковано: 7 жовтня 2024 20.09.2024 в 23:03, Evroklidon сказав: Друзі, допоможіть будь ласка з порадою. Купив на свою голову до інвертора LuxPower SNA5000 "породистий" акумулятор Deye SE-G5.1 Pro-B. На практиці, навідміну від будь яких нормальних акумів це непорозуміння не хоче працювати через CAN з інверторами інших брендів. По замовчуванню на інверторі стоїть протокол pylontech. Інвертор лише бачить що BMS не дозволяє зарядку. Батарея червона. Але на самій батарейці індикатор помилки не загорається їй норм. Не знайшов тут відповіді, але може комусь також буде корисно. Я зміг подружити LuxPower SNA5000 з акумулятором Deye SE-G5.1 Pro-B. 1. Через застосунок LuxPower оновити прошивку інвертора до останньої версії. 2. Оновити прошивку самої батареї через флешку (Можливо цього вже буде достатньо. Якщо ж інвертор все ще видає помилку BMS (04), продовжуємо далі). 3. Підключити ноутбук з застосунком LVESS до батареї за допомогою CAN адаптеру по типу CANalyst-II (в порт In) та увімкнути BMS батареї. 4. В LVESS пункті [MANUFACTURE] зчитати всі показники, почергово натиснувши [Read] навпроти кожного. В Підпункті [PCS Type] обрати PYLON та натиснути [Set]. Праворуч має з’явитись повідомлення “PASS”. Після цього перезавантажуємо батарею. 5. Через екранне меню інвертора в пункті 3 обираємо тип акумулятора [Li-ion] та [Battery brand] – [2]. Перезавантажуємось. Готово ) 12 Посилання на коментар Поділитися на інших сайтах More sharing options...
Dalet Опубліковано: 7 жовтня 2024 Поділитись Опубліковано: 7 жовтня 2024 18 часов назад, Вата Шоу сказал: На китайський сервіс? чому? в Укр э сервіси, хоча би продавець Ваш. Посилання на коментар Поділитися на інших сайтах More sharing options...
Dalet Опубліковано: 7 жовтня 2024 Поділитись Опубліковано: 7 жовтня 2024 16 часов назад, Вата Шоу сказал: Звідси запитання чи міг китаєць який збирав просто переплутати провода при під'єднання клем? таке часто зустрічається в Дейе, а от в Люксах такого не попадалося. З іншого боку, в Люксах попадався вигорівшим накоротко сімістор, і тоді вхід і вихід фази коротке 1 Посилання на коментар Поділитися на інших сайтах More sharing options...
Вата Шоу Опубліковано: 7 жовтня 2024 Поділитись Опубліковано: 7 жовтня 2024 15 хвилин тому, Dalet сказав: таке часто зустрічається в Дейе, а от в Люксах такого не попадалося. З іншого боку, в Люксах попадався вигорівшим накоротко сімістор, і тоді вхід і вихід фази коротке начебто під'єднано правильно. Посилання на коментар Поділитися на інших сайтах More sharing options...
yur43 Опубліковано: 8 жовтня 2024 Автор Поділитись Опубліковано: 8 жовтня 2024 (змінено) Змінив конфігурацію ФЕМ. Було - один стринг 496в ХХ в паралель на два МРРТ, 5400w. Стало - два стринга по 300в ХХ на окремі МРРТ, 6400w. Зразу помітніший нагрів МРРТ (temp_PV останній день), що підтверджує досить високі втрати на МРРТ. Поля абсолютно однакові. Змінено 8 жовтня 2024 користувачем yur43 2 Посилання на коментар Поділитися на інших сайтах More sharing options...
Dima4s Опубліковано: 9 жовтня 2024 Поділитись Опубліковано: 9 жовтня 2024 22 часа назад, yur43 сказал: Змінив конфігурацію ФЕМ. можливо є скріни з додатку чи браузера старі. цікаво було б зараз побачити старий скрін і новий при схожому сонці. ПОрахувати чи змінились втрати і на скільки. Посилання на коментар Поділитися на інших сайтах More sharing options...
yur43 Опубліковано: 9 жовтня 2024 Автор Поділитись Опубліковано: 9 жовтня 2024 (змінено) 1 годину тому, Dima4s сказав: можливо є скріни з додатку чи браузера старі. цікаво було б зараз побачити старий скрін і новий при схожому сонці. ПОрахувати чи змінились втрати і на скільки. втрати = нагрів, дивіться останні два дні - піднялася температура МРРТ. Оптимальним варіантом є одне поле з ХХ під 480в і максимальним струмом ФЕМ. Десь я бачив повнорозмірні ФЕМ на 14,7А і ХХ до 40в. Змінено 9 жовтня 2024 користувачем yur43 1 Посилання на коментар Поділитися на інших сайтах More sharing options...
volomoto Опубліковано: 9 жовтня 2024 Поділитись Опубліковано: 9 жовтня 2024 3 години тому, yur43 сказав: піднялася температура МРРТ. Втрати збільшились, але по температурі важко судити, бо вона швидше покашує неефективність системи охолодження. Додаткових 50Вт, які треба розсіяти на тих мікроскопічних радіаторах, відчутно піднімуть температуру, але це менше 1% втрат. 1 Посилання на коментар Поділитися на інших сайтах More sharing options...
Dima4s Опубліковано: 9 жовтня 2024 Поділитись Опубліковано: 9 жовтня 2024 46 минут назад, volomoto сказал: Втрати збільшились, але по температурі важко судити, бо вона швидше покашує неефективність системи охолодження. Додаткових 50Вт, які треба розсіяти на тих мікроскопічних радіаторах, відчутно піднімуть температуру, але це менше 1% втрат. так воно всюди так.. тут 50вт, там 50вт.. а в висновку за день інвертор зжирає на всі перетворення і на себе до 3кВт. а ті -50вт роблять з 3квт вже 2.5квт... Тому і питав в скрінах. щоб глянути в цифрах. 2 Посилання на коментар Поділитися на інших сайтах More sharing options...
yur43 Опубліковано: 9 жовтня 2024 Автор Поділитись Опубліковано: 9 жовтня 2024 1 година тому, volomoto сказав: Втрати збільшились, але по температурі важко судити, бо вона швидше покашує неефективність системи охолодження. Додаткових 50Вт, які треба розсіяти на тих мікроскопічних радіаторах, відчутно піднімуть температуру, але це менше 1% втрат. Радіатори ще так-сяк, там дроселі нагріваються до +70С. Хоча казав хтось, в них робоча температура до 200С. Коротше, гріється, гудить не голосно, в піку бачив 6кВт від ФЕМ в цій конфігурації. Маю додати батарейку, тоді цей лишній кіловат буде заряджати її вдень. Зливатися то буде коригуванням СТ, Люкс може в межах 200w продавати батарейку, це літом. А зимою батарейка буде компенсувати денне споживання за рахунок сонця і нічного тарифу. Головне не вимкнути зовсім споживання від мережі, бо знайомому виплатили по ЗТ якісь копійки через відсутність споживання. Посилання на коментар Поділитися на інших сайтах More sharing options...
volomoto Опубліковано: 9 жовтня 2024 Поділитись Опубліковано: 9 жовтня 2024 39 хвилин тому, yur43 сказав: Радіатори ще так-сяк, там дроселі нагріваються до +70С. Хоча казав хтось, в них робоча температура до 200С. Та якраз радіатори більш критичні, ніж дроселі бо дроселям 100 градусів не проблема, а якщо радіатор такої температури, то транзисторам вже дуже важко. Посилання на коментар Поділитися на інших сайтах More sharing options...
yur43 Опубліковано: 9 жовтня 2024 Автор Поділитись Опубліковано: 9 жовтня 2024 12 хвилин тому, volomoto сказав: Та якраз радіатори більш критичні, ніж дроселі бо дроселям 100 градусів не проблема, а якщо радіатор такої температури, то транзисторам вже дуже важко. так скидав - температура в межах 50-55С. Але раніше, коли був один стринг на 500в паралельно на два МРРТ, було 40-45С. Посилання на коментар Поділитися на інших сайтах More sharing options...
blacktigra Опубліковано: 9 жовтня 2024 Поділитись Опубліковано: 9 жовтня 2024 (змінено) В 08.10.2024 в 11:19, yur43 сказал: Змінив конфігурацію ФЕМ. А чому вирішили це зробити? Ви вже раніше здається переходили від двох стрінгів до одного, а тепер вирішили повернутися назад? Змінено 9 жовтня 2024 користувачем blacktigra Посилання на коментар Поділитися на інших сайтах More sharing options...
yur43 Опубліковано: 9 жовтня 2024 Автор Поділитись Опубліковано: 9 жовтня 2024 (змінено) 13 хвилин тому, blacktigra сказав: А чому вирішили це зробити? Ви вже раніше здається переходили від двох стрінгів до одного, а тепер вірішили повернутися назад? Виявив на даху вільне місце для двох панелей, зима попереду, можливо важка. Вперся в обмеження одним стрингом по напрузі ХХ, перепідключив на два стринга по 300в ХХ. Зараз спостерігаю вже другий день сонця. Змінено 9 жовтня 2024 користувачем yur43 2 1 Посилання на коментар Поділитися на інших сайтах More sharing options...
Tratatara Опубліковано: 11 жовтня 2024 Поділитись Опубліковано: 11 жовтня 2024 Користувачі інвертора питання вам. Умовна ситуація влітку інвертор 5кв, панелі дають 6-7кв енергії, зелений тариф 5кв, споживання будинку 1кв. Буде 4кв в мережу, 1кв на будинок? Чи 5кв в мережу, 1кв на будинок? Получається потужність інвертора 5кв це на все, чи якось розподіляється по різним напрямам? Посилання на коментар Поділитися на інших сайтах More sharing options...
Dmode Опубліковано: 11 жовтня 2024 Поділитись Опубліковано: 11 жовтня 2024 59 хвилин тому, Tratatara сказав: Буде 4кв в мережу, 1кв на будинок? Так Посилання на коментар Поділитися на інших сайтах More sharing options...
Вата Шоу Опубліковано: 12 жовтня 2024 Поділитись Опубліковано: 12 жовтня 2024 06.10.2024 в 09:03, Вата Шоу сказав: Вітання всім. Потрібна допомога. Добавив до свого старого ще інвертор паралельно. У кожного своя батарея. Новий покишо без панелей. Мережа присутнія. ...... Це брак чи щось не так з налаштуваннями? П.С. генерація в мережу вимкнена на обох В продовження теми. Проблема вирішилася. Повернув інвертор 2023 р.в. назад до магазину. Купив б/в інвертор 2022 р.в.. І тепер все працює в паралелі і не клацає. Можливі причини: 1. Бракований інвертор 2023 р.в.. 2. Інвертори різних років випуску/ різних партій не сумісні для паралельної роботи. Цей варіант підтверджує один з американських користувачів "Same problem I’m having with a 2021 and 2023 unit n I haven’t gotten much help" 4 Посилання на коментар Поділитися на інших сайтах More sharing options...
Dalet Опубліковано: 12 жовтня 2024 Поділитись Опубліковано: 12 жовтня 2024 8 часов назад, Вата Шоу сказал: 1. Бракований інвертор 2023 р.в.. Або хтось його спалив 2 Посилання на коментар Поділитися на інших сайтах More sharing options...
Рекомендовані повідомлення
Створіть акаунт або увійдіть у нього для коментування
Ви маєте бути користувачем, щоб залишити коментар
Створити акаунт
Зареєструйтеся для отримання акаунта. Це просто!
Зареєструвати акаунтУвійти
Вже зареєстровані? Увійдіть тут.
Увійти зараз