troll_9000 Опубліковано: 27 січня 2017 Поділитись Опубліковано: 27 січня 2017 Я не стал их покупать, опасаясь что не найду монтажного инструмента. Рехау 1:1 Посилання на коментар Поділитися на інших сайтах More sharing options...
Музей Опубліковано: 29 січня 2017 Поділитись Опубліковано: 29 січня 2017 Не знаю в которой ветке спросить... Нашла в Вашем альбоме вот такую фотку. Это обогрев растений? Посилання на коментар Поділитися на інших сайтах More sharing options...
Татьяна5 Опубліковано: 29 січня 2017 Поділитись Опубліковано: 29 січня 2017 Не знаю в которой ветке спросить... Нашла в Вашем альбоме вот такую фотку. Это обогрев растений? бггг, больше похоже, что были остатки труб, они отлично подходят на парничек Посилання на коментар Поділитися на інших сайтах More sharing options...
InSAn Опубліковано: 29 січня 2017 Поділитись Опубліковано: 29 січня 2017 бггг, больше похоже, что были остатки труб, они отлично подходят на парничек Ага. Но в данном случае это подставки для плетения растений - чтобы огурцы, посаженные в приствольных кругах, на деревья не вились. Посилання на коментар Поділитися на інших сайтах More sharing options...
red baron Опубліковано: 29 січня 2017 Поділитись Опубліковано: 29 січня 2017 Не знаю в которой ветке спросить... Нашла в Вашем альбоме вот такую фотку. Это обогрев растений? это не трубы, а спец проводник электромагнитной катушки сделанные по нанотехнологии. Они создают специально рассчитанные электромагнитные поля. В следствии чего огурцы растут только до размера корнишона. Главное не забывать поливать и вовремя снимать урожай... 2 Посилання на коментар Поділитися на інших сайтах More sharing options...
timoc Опубліковано: 2 лютого 2017 Поділитись Опубліковано: 2 лютого 2017 Добрый день. Я не могу толком понять как правильно в моем случае подключить газовый котел до системы отопления твердотопливным котлом, когда газовый котел находится на кухне, а ТТК в подвальном помещении то есть в котельной .как их связать вместе? Хотелось, что бы газ котел включался самостоятельно ,когда температура теплоносителя станет ниже там 50-60 С. Посилання на коментар Поділитися на інших сайтах More sharing options...
naupv Опубліковано: 2 лютого 2017 Поділитись Опубліковано: 2 лютого 2017 Добрый день. Я не могу толком понять как правильно в моем случае подключить газовый котел до системы отопления твердотопливным котлом, когда газовый котел находится на кухне, а ТТК в подвальном помещении то есть в котельной .как их связать вместе? Хотелось, что бы газ котел включался самостоятельно ,когда температура теплоносителя станет ниже там 50-60 С. Последовательно. Посилання на коментар Поділитися на інших сайтах More sharing options...
HumanKM Опубліковано: 2 лютого 2017 Поділитись Опубліковано: 2 лютого 2017 або паралельно Посилання на коментар Поділитися на інших сайтах More sharing options...
timoc Опубліковано: 2 лютого 2017 Поділитись Опубліковано: 2 лютого 2017 Я так понимаю если паралейно , то трубы нужно вести от газ котла в котельную до твердотопленника и подключать после тепло аккумулятора , то есть пока КТТ греется и греет воду в емкости до 60С работает газ котел ? Посилання на коментар Поділитися на інших сайтах More sharing options...
red baron Опубліковано: 2 лютого 2017 Поділитись Опубліковано: 2 лютого 2017 Я так понимаю если паралейно , то трубы нужно вести от газ котла в котельную до твердотопленника и подключать после тепло аккумулятора , то есть пока КТТ греется и греет воду в емкости до 60С работает газ котел ? а что за котел? Посилання на коментар Поділитися на інших сайтах More sharing options...
timoc Опубліковано: 2 лютого 2017 Поділитись Опубліковано: 2 лютого 2017 думаю Kalvis-30kBt Посилання на коментар Поділитися на інших сайтах More sharing options...
murava Опубліковано: 2 лютого 2017 Автор Поділитись Опубліковано: 2 лютого 2017 думаю Kalvis-30kBt Ставите свой калвис работать на небольшой буфер, гуглите в тырнетах "буферно-байпасная схема подключения тт котла"- и вяжете, вяжете, вяжете Посилання на коментар Поділитися на інших сайтах More sharing options...
timoc Опубліковано: 3 лютого 2017 Поділитись Опубліковано: 3 лютого 2017 Спасибо Андрей, да я буду копаться в инете, но времени как-то то маловато, поджимает, поэтому я хотел бы тебя попросить если можешь более детально, конкретно на моем примере меня проконсультировать . Схему выкладываю. Посилання на коментар Поділитися на інших сайтах More sharing options...
murava Опубліковано: 3 лютого 2017 Автор Поділитись Опубліковано: 3 лютого 2017 Спасибо Андрей, да я буду копаться в инете, но времени как-то то маловато, поджимает, поэтому я хотел бы тебя попросить если можешь более детально, конкретно на моем примере меня проконсультировать . Схему выкладываю. Проконсультировать могу, но позже, покамест есть чем физически заняться, писать пространных постов не могу. Можно скайпом-аськами. Какой там газовый котел будет? Посилання на коментар Поділитися на інших сайтах More sharing options...
timoc Опубліковано: 3 лютого 2017 Поділитись Опубліковано: 3 лютого 2017 Спасибо, газ котел я покупал давненько еще до, а времена меняются Vaillant turbo plus двух контурный на 28 кВТ. Посилання на коментар Поділитися на інших сайтах More sharing options...
timoc Опубліковано: 5 лютого 2017 Поділитись Опубліковано: 5 лютого 2017 Да, кажи контур горячей воды возможно будет отключить на Vaillande и пользоваться бойлером косвенного нагрева с электротеном? Посилання на коментар Поділитися на інших сайтах More sharing options...
murava Опубліковано: 6 лютого 2017 Автор Поділитись Опубліковано: 6 лютого 2017 Спасибо Андрей, да я буду копаться в инете, но времени как-то то маловато, поджимает, поэтому я хотел бы тебя попросить если можешь более детально, конкретно на моем примере меня проконсультировать . Схему выкладываю. Не люблю без детального изучения вопроса и наличия железа давать нагора сразу рыбу, потому дам удочку. Остальное сможете изучить и применить для своего дома сами, опираясь на наличие конкретного железа. Буферно-байпасные и буферно-альтеранитивные схемы работы ТТ котлов связке с газовыми изложены неплохо на примере будеруса здесь, начиная с 13й страницы. Формально возможные схемы с привязкой к напольному или навесному котлу нарисованы здесь и какое-то рациональное зерно из этого можно извлечь и применить. В вашем случае я вижу буферно-альтернативку, при которой есть газовый котел и ТТ+буфер. Можно топить ТТ котел, греть буфер, а уже сам буфер можно включать в цепь газового котла по сигналу любого управляющего термостата с двумя датчиками, размещенными на обратке систмы и в контрольной точке буфера, сравнивая их температуры и, когда температура в буфере больше или равна температуре обратки из системы дома, организовывать включение буфера в цепь для разгрузки. 2 Посилання на коментар Поділитися на інших сайтах More sharing options...
timoc Опубліковано: 7 лютого 2017 Поділитись Опубліковано: 7 лютого 2017 Спасибо Андрей , буду пробовать разобраться в этом гидравлическом деле. Посилання на коментар Поділитися на інших сайтах More sharing options...
timoc Опубліковано: 8 лютого 2017 Поділитись Опубліковано: 8 лютого 2017 Посмотрите, какие замечания ? Посилання на коментар Поділитися на інших сайтах More sharing options...
murava Опубліковано: 8 лютого 2017 Автор Поділитись Опубліковано: 8 лютого 2017 Посмотрите, какие замечания ? Не обижайтесь, но шесть насосов в такой простенькой схеме - это идиотизм. И это еще не считая внутрикотлового в газкотле и рециркуляционного для бака гвс. Все в лучших традициях российских теплотехников, где количество насосов в котельной - индикатор сложности задумки и крутости обладателя. Исходя из вышенарисованного, написанного мной выше по ссылкам Вы не прочли, а если и прочли, то не поняли. В ближайшее время я попробую нарисовать гидравлику этой схемы. Посилання на коментар Поділитися на інших сайтах More sharing options...
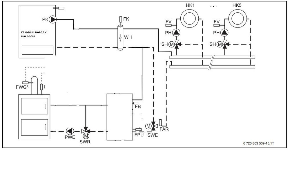
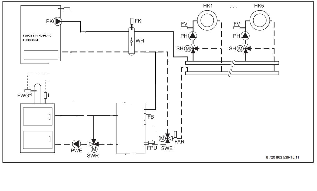
murava Опубліковано: 9 лютого 2017 Автор Поділитись Опубліковано: 9 лютого 2017 Здесь выкладываю упрощенную вариацию будерусовских схем, они рабочие и опробованы в практическом применении без использования сложной автоматизации родными будерусовскими модулями. Схемы нарисованы концептуально гидравлически и по арматуре подключения и защиты, разумеется, требуют весомого допила, потому просто так брать и клеить танчики нужно с умом. 1. Если у Вас есть газовый котел в котором нет насоса (простой чугунник) или Вы умеете считать гидравлическое согласование насосов по расходу - вяжите эту схему: 2. Если у Вас есть газкотел аля навесник и прочая ересь с насосом, но Вам лень морочить себя тонкими расчетами - ставьте гидрострелку (в схеме не показано бойлер, но эту часть квеста можете и сами дорисовать) ==================================== Как это работает и прочее " шо делать" (смотрим вторую схему, по первой логика такая же): Топите свой ТТ котел как хотите, более того - этот ТТ котел может быть любой, в логике схем нам нужен только буфер. Пока Вы топите котел и греете буфер, в теории темп в буфере планомерно растет. По идее нам необходимо прибор, способный измерить температуру в точке FB и FAR. Если FB > FAR на какую-то наперед заданную величину, необходимо переключить трехходовый клапан SWE таким образм, чтобы поток теплоносителя пошел через буфер, войдя через низ и выйдя через верх оного и разгрузил наш буфер. При FB < FAR происходит обратное переключение клапана SWE - и буфер отключается от системы: его можно нагревать ТТ котлом дальше. Этот процесс может (и должен) повторяться циклически по мере нагрева буфера. Газовый котел в это время по логике словит высокую температуру теплоносителя и мирно отключится, включившись потом в работу автоматически и сам по мере остывания теплоносителя. Для больших гиков от электроники его работу можно принудительно блокировать в момент переключения клапана, но муторно колхозить схемы. ЧЕМ это реализуется: Я советую и пользую двухканальный ОВЕН 2ТРМ1 и два датчика температуры. Регулятор очень гибкий в настройках температур, гистерезиса, времени и условий. У себя во избежание избыточной цикличности я делаю превышение FB > FAR на 5 грд, гистерезис 1, минимальное время в открытом состоянии (тоесть минимальное время разгрузки буфера) = 10...15 минут, минимальное время между разгрузками - 15 минут. Газовый котел никогда принудительно не блокирую. 10 Посилання на коментар Поділитися на інших сайтах More sharing options...
timoc Опубліковано: 9 лютого 2017 Поділитись Опубліковано: 9 лютого 2017 Благодарю Андрей ! Так я просмотрел буду разбираться, но сейчас могу сказать, что схема действительно толковая ничего лишнего ,а главное проверенная, рабочая. Принцип работы я так понимаю как ты пишешь у тебя что FB>FAR на 5 град с гистерезисом 1 то есть я так понимаю когда t в точке FB например будет задано 65 град ,а в точке FAR 60 град обротки, то при достижении 67 град клапан начнет открываться и буферная емкость разгружается до t 59 град .Потом клапан начинает закрываться, тогда теплоноситель от гидрораспред идет на газ котел включается горелка, работает газ котел пока в буфере ТТ не нагонит воду до 67 град и так по кругу. Посилання на коментар Поділитися на інших сайтах More sharing options...
murava Опубліковано: 10 лютого 2017 Автор Поділитись Опубліковано: 10 лютого 2017 Благодарю Андрей ! Так я просмотрел буду разбираться, но сейчас могу сказать, что схема действительно толковая ничего лишнего ,а главное проверенная, рабочая. Принцип работы я так понимаю как ты пишешь у тебя что FB>FAR на 5 град с гистерезисом 1 то есть я так понимаю когда t в точке FB например будет задано 65 град ,а в точке FAR 60 град обротки, то при достижении 67 град клапан начнет открываться и буферная емкость разгружается до t 59 град .Потом клапан начинает закрываться, тогда теплоноситель от гидрораспред идет на газ котел включается горелка, работает газ котел пока в буфере ТТ не нагонит воду до 67 град и так по кругу. Привязка логики идет не к конкретным температурам, а именно к дельте. Когда буфер нагреется хотя бы на 5 градусов - он может начать разгружаться. Но это не факт то, что он остынет только на 5 градусов - он может остыть и на больше, если в этот момент у Вас вдруг открылось пара-тройка батарей и потребление увеличилось: это будет продолжаться до тех пор, пока соблюдается дельта с учетом гистерезиса, но не менее определенно заданного временного интервала разгрузки (дабы избежать тактования). Что касается газового котла, то он будет жить своей жизнью, не факт что именно так, как Вы описали. Посилання на коментар Поділитися на інших сайтах More sharing options...
timoc Опубліковано: 10 лютого 2017 Поділитись Опубліковано: 10 лютого 2017 Я газовый котел еще толком не смотрел, но там сто пудов что есть насос и я так думаю, что он будет постоянно работать. Вы пишете что у меня на схеме шесть насосов многовато, возможно но и схема большая: 1-й эт(11кВт)- ТП+батареи; 2-эт(7кВт)- батареи; полуподвал(7кВт)-котельная плюс частичное отопление- две батареи я думаю достаточно, что бы в подвале в самое холодное время -20 С град, температура была t >_5 град. природа греет. Гидравлику я когда то считал почти готовая, осталось до делать вернее себя заставить поморочиться. Если ли Вы не против я вам скину расчеты по позже для согласования насосов . Посилання на коментар Поділитися на інших сайтах More sharing options...
murava Опубліковано: 10 лютого 2017 Автор Поділитись Опубліковано: 10 лютого 2017 Более трех насосов - это уже роскошь Нагрузки у Вас, откровенно говоря, смешные. Посилання на коментар Поділитися на інших сайтах More sharing options...
Рекомендовані повідомлення
Створіть акаунт або увійдіть у нього для коментування
Ви маєте бути користувачем, щоб залишити коментар
Створити акаунт
Зареєструйтеся для отримання акаунта. Це просто!
Зареєструвати акаунтУвійти
Вже зареєстровані? Увійдіть тут.
Увійти зараз