razzil Опубліковано: 30 травня 2020 Автор Поділитись Опубліковано: 30 травня 2020 Первые 200мм минваты уложено. Парок унс37 вроде хорош, но спресован в пакетах и до конца листы не выпрямляются. Чтоб компенсировать получающиеся волны, купил крошку минваты местного производства, будет подсыпаться в ямки. 5 Посилання на коментар Поділитися на інших сайтах More sharing options...
razzil Опубліковано: 4 червня 2020 Автор Поділитись Опубліковано: 4 червня 2020 Второй слой пошёл. В центральной части планирую дощатый настил, который будет уложено на доску 200х25 поставленную на ребро и закрепленную уголками к балкам перекрытия. С учётом утепления 400мм, на чердаке можно будет стоять в полный рост. Эксплуатируемый чердак уж очень хотелось. 9 Посилання на коментар Поділитися на інших сайтах More sharing options...
standov Опубліковано: 4 червня 2020 Поділитись Опубліковано: 4 червня 2020 А как планируете эксплуатировать центральную часть? Пс. Вполне достаточно длинным саморезом наискось доску крепить, с учётом того что сверху настил, уголки то долго и они замечательно гнутся потом Посилання на коментар Поділитися на інших сайтах More sharing options...
Dendnepr Опубліковано: 4 червня 2020 Поділитись Опубліковано: 4 червня 2020 Да! Эксплуатируемый чердак это один из "фетишей". Тоже запланировал высокий. Посилання на коментар Поділитися на інших сайтах More sharing options...
razzil Опубліковано: 4 червня 2020 Автор Поділитись Опубліковано: 4 червня 2020 А как планируете эксплуатировать центральную часть? Ну вот например имею привычку хранить картонные коробки от разных покупок, бытовой техники. Сейчас уже половина подвала в гараже ими завалена, на чердаке думаю им отлично будет. Остатки стройматериалов всяких, продавать их рано, бо когда-то будет еще хозблок строиться. Елка искусственная трехметровая неплохо там приживется, хоть и хотим большую живую во дворе. 2 Посилання на коментар Поділитися на інших сайтах More sharing options...
standov Опубліковано: 4 червня 2020 Поділитись Опубліковано: 4 червня 2020 Ну вот например имею привычку хранить картонные коробки от разных покупок, бытовой техники. Сейчас уже половина подвала в гараже ими завалена, на чердаке думаю им отлично будет. Остатки стройматериалов всяких, продавать их рано, бо когда-то будет еще хозблок строиться. Елка искусственная трехметровая неплохо там приживется, хоть и хотим большую живую во дворе. аа ну я к тому что это не совсем эксплуатируемая ) температура там далека от комфортной, а как склад то конечно, святое дело Посилання на коментар Поділитися на інших сайтах More sharing options...
Dendnepr Опубліковано: 4 червня 2020 Поділитись Опубліковано: 4 червня 2020 Склад- складу рознь В родителей чердак метра полтора. Это капец как неудобно 2 Посилання на коментар Поділитися на інших сайтах More sharing options...
Татьяна5 Опубліковано: 4 червня 2020 Поділитись Опубліковано: 4 червня 2020 Парок унс37 вроде хорош, но спресован в пакетах и до конца листы не выпрямляются. такое бывает на вате, которая лежит на складе годик, на дату производства гляньте, аж интересно Добавлено через 1 минуту Ну вот например имею привычку хранить картонные коробки от разных покупок, бытовой техники мыши будут просто счастливы 5 Посилання на коментар Поділитися на інших сайтах More sharing options...
Vikctor Опубліковано: 4 червня 2020 Поділитись Опубліковано: 4 червня 2020 ... мыши будут просто счастливы Если мыши имеются, то заботливый домовладелец обязан сделать их счастливыми. У меня допустим коробок и прочих вкусняшек на чердаке масса, а вот мышей нет... 2 Посилання на коментар Поділитися на інших сайтах More sharing options...
razzil Опубліковано: 12 червня 2020 Автор Поділитись Опубліковано: 12 червня 2020 Утеплился. Финишный фасад решил отложить на следующий сезон. Сейчас просто кварцевая грунтовка. А с полом на чердаке спешить пока не буду, хочу зимой обследовать все тепловизором и устранить проблемные места, если будут. Утепление похоже на такую себе горку в строительстве дома, теперь не страшно войти в зиму, и будем катится с горки вниз, к внутренней отделке. 17 Посилання на коментар Поділитися на інших сайтах More sharing options...
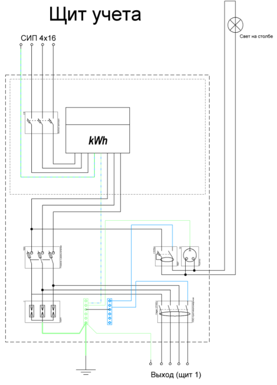
razzil Опубліковано: 18 червня 2020 Автор Поділитись Опубліковано: 18 червня 2020 Взял себе домашнюю работу, собираю щиты. Времени получается выделять по часу - полтора, после того как детей уложим, да и то не каждый день. Но и спешить особо некуда. Всего щитов в доме шесть. Вводный на 24 модуля, два основных по 72, два мультимедийных для роутеров, централей, и прочих свичей, и один чисто под управление вентиляцией на 36 модулей. 9 1 Посилання на коментар Поділитися на інших сайтах More sharing options...
standov Опубліковано: 18 червня 2020 Поділитись Опубліковано: 18 червня 2020 Думал у меня щитов много ))) Узип как по мне как-то очень в вольной трактовке установлен 1 Посилання на коментар Поділитися на інших сайтах More sharing options...
razzil Опубліковано: 19 червня 2020 Автор Поділитись Опубліковано: 19 червня 2020 Узип как по мне как-то очень в вольной трактовке установлен А можно подробнее? Посилання на коментар Поділитися на інших сайтах More sharing options...
standov Опубліковано: 19 червня 2020 Поділитись Опубліковано: 19 червня 2020 А можно подробнее? Подробнее я не на столько специалист шоб вот прямо советовать кому-то и с-но брать ответственность ), но есть талмуды по правильной установке и расчету,там все не просто. Из того что на первый взгляд бросается (повторюсь я по узипам начитанный дилетант) 1. Должен быть первым 2. Линии приходящие и отходящие должны быть максимально разнесены, сам узип желательно тоже дистанциировать 3. Защитных плавких не видно 4. Для tncs вроде трехполюсные только 1 Посилання на коментар Поділитися на інших сайтах More sharing options...
shneider_vova Опубліковано: 19 червня 2020 Поділитись Опубліковано: 19 червня 2020 1) нет 3) только при токе больше 120 а, кажется 4) у ТС кажется система заземления ТТ 1 Посилання на коментар Поділитися на інших сайтах More sharing options...
standov Опубліковано: 19 червня 2020 Поділитись Опубліковано: 19 червня 2020 1) нет 3) только при токе больше 120 а, кажется 4) у ТС кажется система заземления ТТ про категорическое "нет" очень сомневаюсь) больше 120а там надо 2 плавких в каждую фазу по памяти ) про ТТ вероятно, не вникал. Но в целом то конечно у меня знания достаточно не полные в этой области Посилання на коментар Поділитися на інших сайтах More sharing options...
razzil Опубліковано: 19 червня 2020 Автор Поділитись Опубліковано: 19 червня 2020 Я тоже руководствовался информацией в широком доступе да и просто логикой. Система заземления таки ТТ. На счет очередности УЗИПа, то согласитесь, что при параллельном подключении это все очень условно. А последовательно он идет сразу за рубильником. По поводу защиты линии при закорачивании варистора на землю, то тут отработать должен автомат на вводе. Посилання на коментар Поділитися на інших сайтах More sharing options...
standov Опубліковано: 19 червня 2020 Поділитись Опубліковано: 19 червня 2020 Я тоже руководствовался информацией в широком доступе да и просто логикой. ну я про это и говорю, если продумывали то вопросов нет ) Про автомат там то нюанс в неотключаемом токе, при разряде есть вероятность что он больше ничего не сможет отработать, и по логике эта вероятность тем больше чем меньше маркировка автомата по неотключаемому, если не плавкие то может автомат хоть 6к+ У меня вот такое рукожопство вышло в ящике на столбе 1 Посилання на коментар Поділитися на інших сайтах More sharing options...
StNick Опубліковано: 19 червня 2020 Поділитись Опубліковано: 19 червня 2020 У меня вот такое рукожопство вышло в ящике на столбе standov, А какая модель УЗИП на вашей картинке? И что за штука (артикул) вверху? Не поделитесь схемой подключение єтого всего? Посилання на коментар Поділитися на інших сайтах More sharing options...
standov Опубліковано: 19 червня 2020 Поділитись Опубліковано: 19 червня 2020 standov, А какая модель УЗИП на вашей картинке? И что за штука (артикул) вверху? Не поделитесь схемой подключение єтого всего? долго думал, советовался с жабой, представлял что у меня может быть по молниям )) остановился на 2 классе «Easy9» EZ9 3 полюса, 45кА/20кА/1,3кВ [19463]. Теоретически 3го класса будет внутри пары розеток на местах, но это пока не точно ) Штука это коробка/разъединитель под плавкие педохранители "габарит 00, 3 полюса, 160А e.fuse.VR.160" предохранители поставил 125 амперные (по каким-то таблицам выбирал, уже не помню логику) 1 1 Посилання на коментар Поділитися на інших сайтах More sharing options...
StNick Опубліковано: 19 червня 2020 Поділитись Опубліковано: 19 червня 2020 @standov, получается єто отедльная коробочка от самого счетчика? Я слішал если УЗИП рванет все разнесет в месте где он стоит. Посилання на коментар Поділитися на інших сайтах More sharing options...
standov Опубліковано: 19 червня 2020 Поділитись Опубліковано: 19 червня 2020 @standov, получается єто отедльная коробочка от самого счетчика? Я слішал если УЗИП рванет все разнесет в месте где он стоит. да єто отдельный бокс, ip65 закрывается на два замка, в него входит 4 провода после счетчика и выходит в ПЭ трубе ввод в дом. Про прямо разнесет я не уверен но то что все будет черное и местами побитое думаю реалистично, но пусть так чем пострадает чо-то в доме. Ну и 2 класс это больше на наведенные помехи от грозы рядом, как сильно более вероятное событие Посилання на коментар Поділитися на інших сайтах More sharing options...
razzil Опубліковано: 24 червня 2020 Автор Поділитись Опубліковано: 24 червня 2020 Понемногу дом становится похож на жилое помещение. А еще сгорела болгарка 125мм. С начала стройки подсел на инструмент ДнипроМ. Инвертор, шурик, болгарка, паркетка, много чего накупил. На шуруповерте по гарантии чинили зарядное. И вот после года использования отказала болгарка. А она достаточно приятная 1400Вт, регулировка и поддержание оборотов, малый вес. 18го числа сдал в новый магазин, который открылся на районе. Никаких документов, чеков не понадобилось, лишь бы была куплена у официалов. 22го пришла смс о том, что можно забрать новую болгарку взамен сгоревшей. Такая вот НЕреклама)) 14 Посилання на коментар Поділитися на інших сайтах More sharing options...
Dendnepr Опубліковано: 24 червня 2020 Поділитись Опубліковано: 24 червня 2020 Плюсую за днепрМ. Зашёл купить уровень, увидел, что у них мастерская в магазине. Спросил - с на лобзике ролик можно поменять прямо сейчас? (Стёрлась канавка, на две половинки распалась) Ответили - заносите! Сходил с машину, принес. Сняли с витрины такой же лобзик, скрутили с него нужную деталь и поставили на мой. С собой не было ни чека, ни гарантийки. Ещё и на лобзике серийный номер не виден был. И вообще, я был уверен, что износ ролика это совсем не гарантийный случай По номера телефона нашли все мои покупки. :shock: 3 Посилання на коментар Поділитися на інших сайтах More sharing options...
Сарочка Опубліковано: 24 червня 2020 Поділитись Опубліковано: 24 червня 2020 Смотрю на их сварочные аппараты, часто бывают акции и тогда стоят они совсем ерунду. Может кто юзает, Днипро-М ? Есть смысл покупать их? Или как стоят, так и работают? Посилання на коментар Поділитися на інших сайтах More sharing options...
Рекомендовані повідомлення
Створіть акаунт або увійдіть у нього для коментування
Ви маєте бути користувачем, щоб залишити коментар
Створити акаунт
Зареєструйтеся для отримання акаунта. Це просто!
Зареєструвати акаунтУвійти
Вже зареєстровані? Увійдіть тут.
Увійти зараз