InSAn Опубліковано: 22 липня 2022 Автор Поділитись Опубліковано: 22 липня 2022 🔎 Ми ретельно перевіряємо та тестуємо кожен компонент наших пристроїв. 🎥 На відео - частина робочого процесу по тестуванню мікропроцесорної плати. Спойлер VID_20220722_130936~2.mp4 1 Посилання на коментар Поділитися на інших сайтах More sharing options...
InSAn Опубліковано: 25 липня 2022 Автор Поділитись Опубліковано: 25 липня 2022 В прошивці ION CS-8 знайшли декілька незначних недоліків. Тому всім бажаючим міняємо пристрій (пересилка за наш рахунок). Із останніх змін/фіксів: Виправлена помилка запису стану виходів за допомогою функцій WRITE_COIL та WRITE_MULTIPLE_COILS (не впливає на ті пристрої, які працють без домашнього серверу). Присутня у виробах до версії 1.50. Виправлена помилка, яка не дозволяла в деяких випадках з першого разу увімкнути вихід, що був вимкнений функцією обмеження замкнутого стану. Не впливає на пристрої, які не використовують часові налаштування обмеження роботи виходів. Присутня у виробах до версії 1.51. Виправлено встановлення початкових станів виходів при першому вмиканні пристрою для інверсних станів при синхронних входах (вимикачі з фіксацією положення). Не впливає ні на що - просто підвищує зручність керування для тих, у кого вимикачі не дзвінкового типа, а із фіксацією положення. Присутня у виробах до до версії 1.52. І, напевно, основне - завдяки зміні параметрів ШИМ-управління реле позбулися писку, який міг виникати в деяких пристроях. Версію можна перевірити за допомогою функції 0X11 (REPORT_SLAVE_ID) або за допомогою програми qModMaster: Опис програми та приклади використання - в PDF-файлі за посиланням - smart-ion.com/content/files/docs/qModMaster___ua.pdf Посилання на коментар Поділитися на інших сайтах More sharing options...
InSAn Опубліковано: 28 липня 2022 Автор Поділитись Опубліковано: 28 липня 2022 Вийшов огляд нашого Центрального вимикача незалежним експертом: www.kirich.blog/obzory/obzory-bytovoy-elektroniki/1108-vosmikanalnyy-modul-vvoda-vyvoda-dlya-sistem-domashney-i-promyshlennoy-avtomatizacii-cs-8.html Не без критики... Але це значить, що є ще над чим працювати 😉 Висновок із огляду (кому не хочеться читати багато тексту та дивитись багато зображень): 3 Посилання на коментар Поділитися на інших сайтах More sharing options...
InSAn Опубліковано: 16 серпня 2022 Автор Поділитись Опубліковано: 16 серпня 2022 Ще один короткий огляд blog.uaid.net.ua/ios-cs-8-smartlight/ Посилання на коментар Поділитися на інших сайтах More sharing options...
InSAn Опубліковано: 24 серпня 2022 Автор Поділитись Опубліковано: 24 серпня 2022 🇺🇦 Незалежність - це не "випадковість", а результат зусиль багатьох поколінь, який увінчався ухваленням Верховною Радою у 1991 році Акта проголошення Незалежності України. Цього року свято особливе, як ніколи - адже Україна протистоїть повномасштабному вторгненню росії. Але ми пройдемо ці випробування та відстоїмо свою Незалежність - імперія зла буде переможена! 💙 Все буде Україна! 💛 Слава Героям! Посилання на коментар Поділитися на інших сайтах More sharing options...
standov Опубліковано: 27 серпня 2022 Поділитись Опубліковано: 27 серпня 2022 Підкажіть чи входи/виходи розв'язані від живлення гальванічно? Умовно кажучи чи доступні наступні сценарії 1) живлення реле від одного узо, виходи комутують від іншого 2) частина виходів одне узо, частина - друге 1 Посилання на коментар Поділитися на інших сайтах More sharing options...
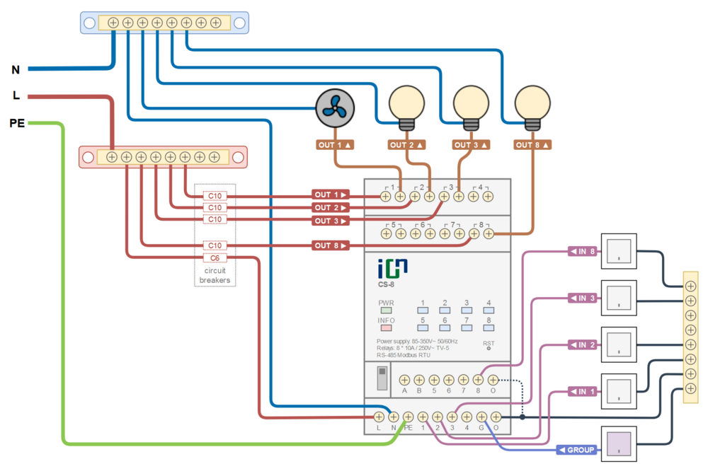
InSAn Опубліковано: 27 серпня 2022 Автор Поділитись Опубліковано: 27 серпня 2022 26 минут назад, standov сказал: Підкажіть чи входи/виходи розв'язані від живлення гальванічно? Так. Входи - 24В від вбудованого БЖ з гальванічною ізоляцією. Кожен вихід - окреме реле зі своїм "входом-виходом". 26 минут назад, standov сказал: 1) живлення реле від одного узо, виходи комутують від іншого Так. Живлення - окремо, кожен вихід - окремо. 26 минут назад, standov сказал: 2) частина виходів одне узо, частина - друге Так. Одночасно вісім виходів можуть управляти (наприклад): 1. Фаза А 2. Фаза В 3. Фаза С 4. DC 24В 5. DC 12В 6. AC 48В 7. DC 5В 8. AC 12В Це теоретично А практично різні фази на один модуль навішувати не рекомендуємо. Саме фази, а не різні відгалуження від однієї фази чи різні типи живлення (AC/DC). І це стосується не лише нашого пристрою, а взагалі - щоб при монтажі випадково не отримати міжфазного замикання, так як відстань між клемами - 5 мм, і можна випадково "задіти" сусідню клему (звісно, що при монтажі пристрій необхідно відімкнути від мережі, але... береженого Бог береже). Більш детальна схема підключення: На схемі від однієї фази на кожен вихід та окремо на живлення - свій автоматичний вимикач. 1 Посилання на коментар Поділитися на інших сайтах More sharing options...
InSAn Опубліковано: 29 серпня 2022 Автор Поділитись Опубліковано: 29 серпня 2022 Керування світлом, не встаючи з ліжка Один із можливих сценаріїв. Подовжене натискання на звичайний вимикач запустить сценарій не лише вимикання світла у всій спальні, а й за бажанням – увімкне підсвітку на заданий час. При цьому звичайне натискання на вимикач активує лише необхідне освітлення. Посилання на коментар Поділитися на інших сайтах More sharing options...
InSAn Опубліковано: 5 вересня 2022 Автор Поділитись Опубліковано: 5 вересня 2022 🔬 Тестування компонентів пристроїв проводиться на запрограмованих спеціальних стендах, які у порівнянні із ручним тестуванням дозволяють уникнути пропуску всіх необхідних операцій. 💎 У разі успішного проходження тесту (що буває в 96-98% випадках) клеїться спеціальна голографічна відмітка і компоненти направляються на кінцевий монтаж. 🎁 По закінченню монтажа готовий пристрій ще раз тестується на іншому спеціальному стенді та упаковується. ✅ Така багаторівнева перевірка зводить відсоток браку практично до нуля. 2 Посилання на коментар Поділитися на інших сайтах More sharing options...
InSAn Опубліковано: 6 вересня 2022 Автор Поділитись Опубліковано: 6 вересня 2022 🎁 Подарунки? ✅Так! 🎉 Наклейки-стікери 🤘 2 Посилання на коментар Поділитися на інших сайтах More sharing options...
InSAn Опубліковано: 12 вересня 2022 Автор Поділитись Опубліковано: 12 вересня 2022 Є питання? Телефонуйте 📞 +380 93 101-5-101 Посилання на коментар Поділитися на інших сайтах More sharing options...
InSAn Опубліковано: 21 вересня 2022 Автор Поділитись Опубліковано: 21 вересня 2022 Запрошуємо 20-22 вересня відвідати наш стенд в рамках експозиції Хабу "Велике відновлення", яке відбувається в КиївЕкспоПлазі. Вас чекає живе спілкування, інтерактивний демостенд, приємні подарунки. 1 Посилання на коментар Поділитися на інших сайтах More sharing options...
InSAn Опубліковано: 27 вересня 2022 Автор Поділитись Опубліковано: 27 вересня 2022 1 Посилання на коментар Поділитися на інших сайтах More sharing options...
k-master Опубліковано: 27 вересня 2022 Поділитись Опубліковано: 27 вересня 2022 29.08.2022 в 14:13, InSAn сказав: Керування світлом, не встаючи з ліжка Один із можливих сценаріїв. Подовжене натискання на звичайний вимикач запустить сценарій не лише вимикання світла у всій спальні, а й за бажанням – увімкне підсвітку на заданий час. При цьому звичайне натискання на вимикач активує лише необхідне освітлення. У цьому відео є один недолік - практично немає таких вимикачів у вільному доступі. Іноді лінійка пристроїв може мати кнопку для дзвінка, іноді ні, але 2-х кнопок наприклад я взагалі не бачив. 1 Посилання на коментар Поділитися на інших сайтах More sharing options...
leo_ua Опубліковано: 28 вересня 2022 Поділитись Опубліковано: 28 вересня 2022 15 часов назад, k-master сказал: У цьому відео є один недолік - практично немає таких вимикачів у вільному доступі. Іноді лінійка пристроїв може мати кнопку для дзвінка, іноді ні, але 2-х кнопок наприклад я взагалі не бачив. чому ж, у Legrand, для прикладу, точно є подвійні кнопки, можна навіть "батарею" з 5 зробити в деяких лінійках 1 Посилання на коментар Поділитися на інших сайтах More sharing options...
InSAn Опубліковано: 28 вересня 2022 Автор Поділитись Опубліковано: 28 вересня 2022 15 часов назад, k-master сказал: У цьому відео є один недолік - практично немає таких вимикачів у вільному доступі. Жаль, що я цього не знав і встановив у себе Шнайдер 😉 Посилання на коментар Поділитися на інших сайтах More sharing options...
Invest-finans Опубліковано: 28 вересня 2022 Поділитись Опубліковано: 28 вересня 2022 15 часов назад, k-master сказал: У цьому відео є один недолік - практично немає таких вимикачів у вільному доступі. Іноді лінійка пристроїв може мати кнопку для дзвінка, іноді ні, але 2-х кнопок наприклад я взагалі не бачив. dp.prom.ua/ua/p1537752557-pruzhiny-dlya-transformatsii.html?utm_source=google_pmax&utm_medium=cpc&utm_content=pmax&utm_campaign=Pmax_cpa_war_materialy_dlya_remonta&gclid=CjwKCAjw4c-ZBhAEEiwAZ105RevI8Zhxtu12ppsSI79RXCxxUBoS1bOrh5q_jEfUYRaSzWBoRA4gvhoCoq0QAvD_BwE Любой выключатель переделывается. Не благодарите. 1 Посилання на коментар Поділитися на інших сайтах More sharing options...
InSAn Опубліковано: 28 вересня 2022 Автор Поділитись Опубліковано: 28 вересня 2022 16 часов назад, k-master сказал: Іноді лінійка пристроїв може мати кнопку для дзвінка, іноді ні, але 2-х кнопок наприклад я взагалі не бачив. Перше посилання, яке попалось на очі: electrica-shop.com.ua/p5136-viklyuchatel_knopochniy_1-kl_1-modul_unica_beliy_mgu3-106-18 PS: Пристрій має налаштування - можна використовувати як кнопкові вимикачі, так і із фіксацією положення. Правда, в останньому випадку трохи функціонал зменшується - наприклад, не має можливості детектувати коротке/подовжене натискання. Посилання на коментар Поділитися на інших сайтах More sharing options...
k-master Опубліковано: 28 вересня 2022 Поділитись Опубліковано: 28 вересня 2022 1 година тому, Invest-finans сказав: dp.prom.ua/ua/p1537752557-pruzhiny-dlya-transformatsii.html?utm_source=google_pmax&utm_medium=cpc&utm_content=pmax&utm_campaign=Pmax_cpa_war_materialy_dlya_remonta&gclid=CjwKCAjw4c-ZBhAEEiwAZ105RevI8Zhxtu12ppsSI79RXCxxUBoS1bOrh5q_jEfUYRaSzWBoRA4gvhoCoq0QAvD_BwE Любой выключатель переделывается. Не благодарите. Я намагався, може пружини були не такі, але враження від них були не дуже. І за посиланням комплект для шнайдера, а я намагався переробити не шнайдер. Просто вимикач котрий нормально працює коштує до 100 грн зараз, платити у 1.5-2 рази більше за шнайдер мені не подобається. Мені простіше тиркати зайвий раз вимикачем. Посилання на коментар Поділитися на інших сайтах More sharing options...
Invest-finans Опубліковано: 28 вересня 2022 Поділитись Опубліковано: 28 вересня 2022 1 час назад, k-master сказал: Просто вимикач котрий нормально працює коштує до 100 грн зараз, платити у 1.5-2 рази більше за шнайдер мені не подобається. Переделывается практически ЛЮБОЙ выключатель, вплоть до самого дешевого, черного, совкового. Но пружинку надо подобрать достаточную по длинне и жесткости. Шнайдеровские пружинки вставляются и в белорусские выключатели. Они стандартные. 1 час назад, k-master сказал: Мені простіше тиркати зайвий раз вимикачем. В принципе с этого и нужно было начать, а то выключатели не такие. Посилання на коментар Поділитися на інших сайтах More sharing options...
InSAn Опубліковано: 10 жовтня 2022 Автор Поділитись Опубліковано: 10 жовтня 2022 Питання та відповіді Посилання на коментар Поділитися на інших сайтах More sharing options...
ganss Опубліковано: 11 жовтня 2022 Поділитись Опубліковано: 11 жовтня 2022 (змінено) Ну как то-так Змінено 11 жовтня 2022 користувачем ganss 1 1 Посилання на коментар Поділитися на інших сайтах More sharing options...
ganss Опубліковано: 12 жовтня 2022 Поділитись Опубліковано: 12 жовтня 2022 Переделка выключателя. Покажу живой пример как я переделал выключатель. Выбор мой упал на Panasonic Arkedia Slim , в этом модельном ряду присутствует звонковый выключатель( одно и двух кнопочный ), только вот цена ... Взял я обычный, при разборке кнопок было обнаружено что производитель предусмотрел место под пружинки. Далее - базар, мастерские и вот подобрал свой размер пружинок, надо что бы они были жесткие. немного укоротил пружинки. И все работает. 1 Посилання на коментар Поділитися на інших сайтах More sharing options...
ganss Опубліковано: 12 жовтня 2022 Поділитись Опубліковано: 12 жовтня 2022 Кстати " Центральний вимикач CS-8 " помогает сократить количество выключателей. Что бы не делать пианино на стене, количество выключателей сокращает в двое. 1 Посилання на коментар Поділитися на інших сайтах More sharing options...
InSAn Опубліковано: 12 жовтня 2022 Автор Поділитись Опубліковано: 12 жовтня 2022 Дякую за відгук! Посилання на коментар Поділитися на інших сайтах More sharing options...
Рекомендовані повідомлення
Створіть акаунт або увійдіть у нього для коментування
Ви маєте бути користувачем, щоб залишити коментар
Створити акаунт
Зареєструйтеся для отримання акаунта. Це просто!
Зареєструвати акаунтУвійти
Вже зареєстровані? Увійдіть тут.
Увійти зараз