kkluchikk Опубліковано: 5 січня 2018 Поділитись Опубліковано: 5 січня 2018 Да, этим программатором можно только включить или выключить по температуре + в нужное нужное время. У меня по другому, другие приблуды (отдельно теромореле + отдельно реле времени) и вмешательство в схему котла. Причем котла "безмозглого" - Титан Понятно. Вчера после 11 котел начал нагревать помещение до 20 град. Всю СО (без полов) с 25 град до установленных на котле 65 град он нагрел за час, затем отключил тэны. Заново тэны по 1 начали подключаться при температуре 55 град, но подключилось только 2 тэна и этого хватило за 5 мин догреть до 65 и дальше по кругу, пока в помещении не стало 20 град, потом котел работал уже по температуре программатора. Получается, что 120 квадратов при 3град на улице котел держал на 2 тэнах по 3кВт, что, как по мне, не плохо. В принципе, когда будут изолированы холодные помещения и дом наберет температуру, думаю, что период остывания будет намного дольше и только тогда можно будет играться с программами. 1 Посилання на коментар Поділитися на інших сайтах More sharing options...
Olegx86 Опубліковано: 7 січня 2018 Поділитись Опубліковано: 7 січня 2018 А я настроил следующим образом: Сразу оговорюсь- у нас тариф эл.отопление + зонный счетчик. Ночью с 23 и до 2 ночи (3 часа) грею котлом СО до 23 градусов окружающей среды водой в 40 градусов. Но по факту, так как дом 204 м2, везде теплые поты + радиаторы - он не успевает прогреться до 23 градусов при воде в 40. Но меня это не парит)) С 2 ночи и до 4х - выставлено 19 градусов на термостате - по факту в доме в это ремя коло 21,7-22 градусов, т.е я 2 часа экономлю ЭЭ. С 4х ночи до 7ми утра(3 часа) опять грею СО выставлением температуры на термостате 23 градуса. В 7 утра в доме где-то 22,3-22,4. Короче дом очень медленно греется. С 7ми утра и до 17 00 у меня выставленно на термостате 19 градусов, но дом за это время не успевает так остыть - где-то 20,8 к 17:00. Т.е. я опять таки экономлю ЭЭ так как котел не запускается. С 17-00 и до 20- 00 опять запускаю котел выставлением температуры на термостате 23 градуса. К концу этого периода мы приходим домой, а там уже тепленько. С 20 00 опять экономия ЭЭ до 23 00 выставлением 19 градусов на термостате. Пока на улице относительно тепло - этого хватает. 2 Посилання на коментар Поділитися на інших сайтах More sharing options...
Oleg9293 Опубліковано: 7 січня 2018 Поділитись Опубліковано: 7 січня 2018 Понятно. Вчера после 11 котел начал нагревать помещение до 20 град. Всю СО (без полов) с 25 град до установленных на котле 65 град он нагрел за час, затем отключил тэны. Заново тэны по 1 начали подключаться при температуре 55 град, но подключилось только 2 тэна и этого хватило за 5 мин догреть до 65 и дальше по кругу, пока в помещении не стало 20 град, потом котел работал уже по температуре программатора. Получается, что 120 квадратов при 3град на улице котел держал на 2 тэнах по 3кВт, что, как по мне, не плохо. В принципе, когда будут изолированы холодные помещения и дом наберет температуру, думаю, что период остывания будет намного дольше и только тогда можно будет играться с программами. Было б классно,если б ещё кто носом тыкнул в такие термостаты,которые ступенчато отключают эл.тены.У меня не много забрасывает ТА и хотелось бы,что б отключались эл.тены до одного.При нынешних теплых погодах,я запускал на поддержку всего один тен 5кВт и его тоже хватало даже разгонять ТА и это при включал отопление во всём доме под 300кв/м отапливаемой площади.На улице было 0°+4°. Добавлено через 6 минут А я настроил следующим образом: Сразу оговорюсь- у нас тариф эл.отопление + зонный счетчик. Ночью с 23 и до 2 ночи (3 часа) грею котлом СО до 23 градусов окружающей среды водой в 40 градусов. Но по факту, так как дом 204 м2, везде теплые поты + радиаторы - он не успевает прогреться до 23 градусов при воде в 40. Но меня это не парит)) С 2 ночи и до 4х - выставлено 19 градусов на термостате - по факту в доме в это ремя коло 21,7-22 градусов, т.е я 2 часа экономлю ЭЭ. С 4х ночи до 7ми утра(3 часа) опять грею СО выставлением температуры на термостате 23 градуса. В 7 утра в доме где-то 22,3-22,4. Короче дом очень медленно греется. С 7ми утра и до 17 00 у меня выставленно на термостате 19 градусов, но дом за это время не успевает так остыть - где-то 20,8 к 17:00. Т.е. я опять таки экономлю ЭЭ так как котел не запускается. С 17-00 и до 20- 00 опять запускаю котел выставлением температуры на термостате 23 градуса. К концу этого периода мы приходим домой, а там уже тепленько. С 20 00 опять экономия ЭЭ до 23 00 выставлением 19 градусов на термостате. Пока на улице относительно тепло - этого хватает. Я ночью примерно так же нагреваю ТА.До 3:00 он греется до 60°,а после 3:00 и до 7:00 разгоняю до 70°-75°.Но на радиаторы подаю всегда стабильную t°.Вот не знаю,многие пишут,что т.пол используют как теплоаккумулятор,но из своего опыта про инерционность,помоему лучше поддреживать t° в нём постоянно,чем каждый раз разгонять его.И с теплоаккумулятором его нет смысла сравнивать.ТА лиш улучшит работу т.пола. Добавлено через 11 минут У меня если б не запуски всей отапливаемой площади на выходные и отапливать только 150кв/м,то ТА на куб хватает с головой и мало того,в 23:00 верх ТА ещё остаётся горячий,а дом всё ещё нагретый.После влючения эл.тенов им остаётся нагреть ТА и поддерживать ночью,заданную t° в доме.Расход эл.энерги за ночь 70-80кВт максимум.Но когда на выхи запускается остальная площадь,то ТА уже не хватает до 23:00,т.к много тепла уходит на разгон.К 17:00 ТА остывает до 30° и отключается.За 5-ть часов дом остывает примерно на 0.5° и этих потерянных 0.5° хватает, что б ночью начался перерасход за 100кВт.Потом опять когда отключается остальная отапливаемая жил площадь,то три дня уходит,что б догреть эти 150кВм,что б опять хватало ТА до 23:00.Вот такая примерно картинка. 2 Посилання на коментар Поділитися на інших сайтах More sharing options...
Скромный прораб Опубліковано: 7 січня 2018 Поділитись Опубліковано: 7 січня 2018 (змінено) Было б классно,если б ещё кто носом тыкнул в такие термостаты,которые ступенчато отключают эл.тены. Если Вы имеете ввиду ступенчатое отключение/включение в заданное время, то так, насколько я знаю на сегодняшний день, без вмешательства в схему котла, сделать невозможно. Ни у одного котла нет такой функции, даже у самого дорогого и умного. Змінено 7 січня 2018 користувачем Скромный прораб 1 Посилання на коментар Поділитися на інших сайтах More sharing options...
Oleg9293 Опубліковано: 7 січня 2018 Поділитись Опубліковано: 7 січня 2018 Если Вы имеете ввиду ступенчатое отключение/включение в заданное время, то так, насколько я знаю на сегодняшний день, без вмешательства в схему котла, сделать невозможно. Ни у одного котла нет такой функции, даже самого дорогого и умного. У меня эл.тены в ТА и блок управления собран на модулях.Можно вмешиваться сколько хочешь).Мне не по времени надо отключение эл.тенов,а по приближении к заданной t°.Ведь в эл.котлах такая мулька есть.Вот мой блок управления и эл.тенами и релюхи на насосы тт котла и остальных насосов.Во втором ряду с лева Рубеж.Он как раз и сдедит что б тены включались когда t° воды упадёт на 5°,от заданной.Но хотелось бы,что б они отключались по одному по мере прогрева ближе к низу ТА.Допустим низ ТА догрелся до 60° и отрубился один тен.Догрелся до 65°,отключился ещё один эл.тен.Догрело до 70°,вырубились все и так же на оборот.Я могу отллючать эл.тены по ступеням,но в ручную(. Посилання на коментар Поділитися на інших сайтах More sharing options...
Oleg9293 Опубліковано: 7 січня 2018 Поділитись Опубліковано: 7 січня 2018 Вот этот весь пакетник Посилання на коментар Поділитися на інших сайтах More sharing options...
4587derek Опубліковано: 7 січня 2018 Поділитись Опубліковано: 7 січня 2018 Ни у одного котла нет такой функции, даже у самого дорогого и умного.ещё лет 15 назад, видел такое в каком то полу брендовом котле. Включение каждого блок-ТЭНа, с задержкой по времени. Это можно собрать даже на простых таймерах на дин рейку. или типа на семисторной основе,плавно опускать ихнюю мощность. нет смысла, ибо выделение теплоты квадратично связано с током. Поэтому в котлах с ТЭНами только ступенчатая регулировка. Можно поставить симисторное твёрдотельное реле, но оно дорго. При трёх фазных ТЭНах, тостаточно разрывать два проводника из трёх. По крайней мере у меня так реализовно, стоит двух полюсное реле на 30А, и простенький терморегулятор. Питание терморегулятора тоже 3*380/ 12 посоянки (три маленьких измерителльных трансформатора 380\6 вольт). 1 Посилання на коментар Поділитися на інших сайтах More sharing options...
Скромный прораб Опубліковано: 7 січня 2018 Поділитись Опубліковано: 7 січня 2018 У меня эл.тены в ТА и блок управления собран на модулях.Можно вмешиваться сколько хочешь).Мне не по времени надо отключение эл.тенов,а по приближении к заданной t°.Ведь в эл.котлах такая мулька есть.Вот мой блок управления и эл.тенами и релюхи на насосы тт котла и остальных насосов.Во втором ряду с лева Рубеж.Он как раз и сдедит что б тены включались когда t° воды упадёт на 5°,от заданной.Но хотелось бы,что б они отключались по одному по мере прогрева ближе к низу ТА.Допустим низ ТА догрелся до 60° и отрубился один тен.Догрелся до 65°,отключился ещё один эл.тен.Догрело до 70°,вырубились все и так же на оборот.Я могу отллючать эл.тены по ступеням,но в ручную(. Что первое приходит в голову - в теплоаккумуляторе цифровой датчик температуры DS18B20, на выходе из ТА разветвление кабеля на три линии каждая на отдельное термореле (работающее c DS18B20) со своим ТЭНом. Выставляете необходимую Вам температуру включени/отклчения отдельно каждого ТЭНа. Пользуетесь))) Возможно, что то не понял, было раньше, но возник вопрос - зачем? Добавлено через 6 минут ещё лет 15 назад, видел такое в каком то полу брендовом котле. Включение каждого блок-ТЭНа, с задержкой по времени. Это можно собрать даже на простых таймерах на дин рейку. На сколько я помню, задержка времени это не много другое. В каком? В каком (как) котле можно реализовать функцию включения, например, 1/3 мощности днем (7-00 - 23-00) и 3/3 ночью (23-00 - 7-00) без вмешательства в схему котла? Руками не считается 3 Посилання на коментар Поділитися на інших сайтах More sharing options...
4587derek Опубліковано: 7 січня 2018 Поділитись Опубліковано: 7 січня 2018 я не вникал в электрокотлы, коорые продаются. Так как сам могу собрать любой электрокотёл. Управление также. Ступенчатая мощность хорошо. У самого собрано на одинарных ЭНах с нержавейки по 1 квт каждый. Так проще включать ту мощность, которая нужна. Но вся нагрузка только трёхфазная. Даже часть ответственных потребителей запитана через трансформаторы 380\220. Также сам собрал уже два инверторных тепловых насоса. Посему заморачиватся с наноавтоматизацыей ТЭНов не вижу смысла. 2 Посилання на коментар Поділитися на інших сайтах More sharing options...
988888 Опубліковано: 7 січня 2018 Поділитись Опубліковано: 7 січня 2018 (змінено) ...В каком (как) котле можно реализовать функцию включения, например, 1/3 мощности днем... Так в котлах-же (заводских) есть погодозависимые датчики. Разве не они мощностями играются? А так, да... как писал Скромный прораб: на каждый тэн - своё тэрмореле/програматор. Змінено 7 січня 2018 користувачем 988888 1 Посилання на коментар Поділитися на інших сайтах More sharing options...
Скромный прораб Опубліковано: 7 січня 2018 Поділитись Опубліковано: 7 січня 2018 Так в котлах-же (заводских) есть погодозависимые датчики. Разве не они мощностями играются? Играются, но не со временем. А при наличии двухзонного тарифа функция очень даже необходимая, позволяющая неплохо экономить + комфорт 1 Посилання на коментар Поділитися на інших сайтах More sharing options...
Oleg9293 Опубліковано: 7 січня 2018 Поділитись Опубліковано: 7 січня 2018 Что первое приходит в голову - в теплоаккумуляторе цифровой датчик температуры DS18B20, на выходе из ТА разветвление кабеля на три линии каждая на отдельное термореле (работающее c DS18B20) со своим ТЭНом. Выставляете необходимую Вам температуру включени/отклчения отдельно каждого ТЭНа. Пользуетесь))) Возможно, что то не понял, было раньше, но возник вопрос - зачем? Добавлено через 6 минут На сколько я помню, задержка времени это не много другое. В каком? В каком (как) котле можно реализовать функцию включения, например, 1/3 мощности днем (7-00 - 23-00) и 3/3 ночью (23-00 - 7-00) без вмешательства в схему котла? Руками не считается О!Спасибо большое!Так и сделаю и у меня это возможно.У меня блок эл.тенов вкручен чуть выше середины ТА для быстрого нагрева и 23:20 я уже подаю на радиаторы нагретый теплоноситель.Но у меня ещё организован перемес воды в ТА от верха к низу,что б этим эл.теном нагревать весь ТА с верху до низу.Так вот т.к. термодачик от релюхи которая вкл/выкл эл.тены установлен естественно в самом низу ТА и из-за расположения блка эл.тенов,чуток забрасывает верх ТА от заданной t° на 10°-14°.Перемес не успевает выровнять низ и верх по температуре.Теперь сделаю,как ток до середины быстро нагреется,то будет отключаться один эл.тен и ТА дальше будет нагоеваться от двух тенов и не будет забросов.Ещё раз спасибо за идею,а то я в этой электрике не очень Посилання на коментар Поділитися на інших сайтах More sharing options...
4587derek Опубліковано: 7 січня 2018 Поділитись Опубліковано: 7 січня 2018 то будет отключаться один эл.тена какая мощность одного Тэна, будет перекос, напряжения если ноль подключён к средней точке тенов (если звездой соеденены) , можно отключать одну фазу, но при этом не должен быть подключён ноль к тенам. Мощность снизится на половину - если тены звездой, и на 1\3 если тены соеденены треугольником. 1 Посилання на коментар Поділитися на інших сайтах More sharing options...
sov1178 Опубліковано: 7 січня 2018 Поділитись Опубліковано: 7 січня 2018 а какая мощность одного Тэна, будет перекос. При традиционно используемых мощностях в индивидуальном отоплении и нормальной сети нереально перекос фаз сделать одним ТЭНом. Традиционно в котле ТЭНы соединяются звездой, соединение ТЭНов подключается к нулю, каждый ТЭН рассчитан на 220В. Такое подключение также более предпочтительно ввиду бОльшей надежности (при пропадании одной или даже двух фаз система останется работоспособной, естественно со сниженной мощностью). 3 Посилання на коментар Поділитися на інших сайтах More sharing options...
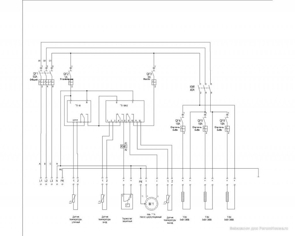
Oleg9293 Опубліковано: 7 січня 2018 Поділитись Опубліковано: 7 січня 2018 а какая мощность одного Тэна, будет перекос, напряжения если ноль подключён к средней точке тенов (если звездой соеденены) , можно отключать одну фазу, но при этом не должен быть подключён ноль к тенам. Мощность снизится на половину - если тены звездой, и на 1\3 если тены соеденены треугольником. Нет,перекосов нет.Отключаю тены поочередно и любой из них.У меня они на 380 и подключенны треугольником три тена по 5кВт.Вот схема подключения.Много споров было по ней,но потом мастер который нарисовал эту схему объяснил,что при подсоединении треугольником можно без проблем отключать тены по одному. 1 Посилання на коментар Поділитися на інших сайтах More sharing options...
Oleg9293 Опубліковано: 7 січня 2018 Поділитись Опубліковано: 7 січня 2018 Ток у меня перед вводным автоматом на этой схеме,ещё и УЗО установлен.Да,от эл.счётчика на вводе в дом,сразу идёт отдельный провод на эл.котёл,что б было меньше помех на основной пакетник в доме.Когда запускаю эл.тены,в доме даже не чего не маргнёт.Проверяли земля хорошая! Посилання на коментар Поділитися на інших сайтах More sharing options...
Oleg9293 Опубліковано: 7 січня 2018 Поділитись Опубліковано: 7 січня 2018 Вот ещё скидывали стандартную схему подключения треугольником с переключением эл.тенов по отдельности.standart_380_380-1.pdf Посилання на коментар Поділитися на інших сайтах More sharing options...
Olegx86 Опубліковано: 7 січня 2018 Поділитись Опубліковано: 7 січня 2018 Вот ещё скидывали стандартную схему подключения треугольником с переключением эл.тенов по отдельности. Знакомая схемка от эл. котлов ТЕНКО ) 1 Посилання на коментар Поділитися на інших сайтах More sharing options...
Oleg9293 Опубліковано: 8 січня 2018 Поділитись Опубліковано: 8 січня 2018 На соседнем форуме скинули,там где были вопросы о по очерёдном отключении эл.тенов при подключении треугольником.Там мне мою схему намалювали и мой электрик тоже бился головой о стену и кричал так низя и что он электрик высшей категории.Потом он долго не мог понять как правильно подключить УЗО,т.к. его постоянно выбивало.Пришлось опять на форум обращаться.Потом не могли из-за термореле запустить всю схему.Он её прозвонил и сказал,что всё окей!Когда он уехал я настроил програмируемую релюху,включил, и тут К/З со вспышкой).Я ему перезвонил спросить,что за фигня?Он сказал,что у меня всё дешевка Китайская и эл.тен тоже,так что он не причём.В итоге пришлось разбираться самому и оказывается он не закрутил провод на автомате(и не только там),и тот провод коротнуло и автомат вышел со строя,т.к. после устранения проблем,он начал дребезжать и перегреваться(пришлось менять автомат и часть оплавленных проводов).Вот как нам всё даётся и везёт с мастерами.Кстате,по знакомству Посилання на коментар Поділитися на інших сайтах More sharing options...
trik Опубліковано: 8 січня 2018 Поділитись Опубліковано: 8 січня 2018 ...Потом он долго не мог понять как правильно подключить УЗО,... Где вы их таких электриков высшей категории находите? По знакомству... Посилання на коментар Поділитися на інших сайтах More sharing options...
Oleg9293 Опубліковано: 8 січня 2018 Поділитись Опубліковано: 8 січня 2018 Где вы их таких электриков высшей категории находите? По знакомству... Коллеги по работе посоветывали одного из ихнего батько).Тот сказал,что в самых модных домах электрку делает,а УЗО в схеме-это головня и выкинуть его нафиг надо! Так как от него одни проблемы.Это я при подключении понял,почему у него с ним проблемы.Там чел уже в приклонном возрасте и фиг что докажешь!Прав в любой ситуации.Искал реально других,но как на зло все были заняты и на долго,т.к. начался сезон работ.Я просто даже не знал,что у электриков по осени начинается сезон. Посилання на коментар Поділитися на інших сайтах More sharing options...
Рома :) Опубліковано: 8 січня 2018 Поділитись Опубліковано: 8 січня 2018 Коллеги по работе посоветывали одного из ихнего батько).Тот сказал,что в самых модных домах электрку делает,а УЗО в схеме-это головня и выкинуть его нафиг надо! Так как от него одни проблемы.Это я при подключении понял,почему у него с ним проблемы.Там чел уже в приклонном возрасте и фиг что докажешь!Прав в любой ситуации.Искал реально других,но как на зло все были заняты и на долго,т.к. начался сезон работ.Я просто даже не знал,что у электриков по осени начинается сезон. Мне всю электрику делал человек с город.дп.юа, там очень много хороших отзывов, ну и я остался очень доволен. 1 Посилання на коментар Поділитися на інших сайтах More sharing options...
JohnnyD Опубліковано: 9 січня 2018 Поділитись Опубліковано: 9 січня 2018 Точно 0.5-0.7 °С за добу??? Это сегодня. Среднесуточная -1/-2 °С. До 23.00 конечно время есть. Но есть нюанс. Приехали с Китая гигрометры-термометры. В спальнях с радиаторами температура на 1.5 °С меньше, чем в комнатах с теплыми полами. Но не из-за того, что там потери больше, а из-за регулирования температуры подачи по кривой. Т.е. в этих комнатах до 15 не нагревается, да и аккумулятора там нет. Стоит так же отметить, что и межкомнатных дверей нет нигде. В котельной температура почти такая же, как и в комнатах с ТП, влажность 70%. В котельной 2 открытых вытяжных канала 160 мм. Поставил 3 гигрометра на окна: 2 - там где радиаторы, 1 - где теплый пол. Сегодня влажность первых двух (радиаторы)- 95-98%, 1(теплый пол) - 80%. На выходных влажность везде была в районе 80%, в котельной 70%. На выходных проверял температуру пирометром, днем при выключенном отоплении по программатору. На котле показывает - 14 °С, на гребенке где-то так же или чуть ниже. Пол - 15, потолок - 15, кирпичная стена - 15, стена газоблок внутренняя - 14.3, террасное окно в центральной части - 13 стекло, 12 профиль. Газоблок внешняя не помню, но чуть ниже 14, кажись ~13.8 °С. Хотя в то же время по спальням вижу и плюс. В этих комнатах и предполагал держать температуру чуть ниже. Но после дверей, внутрянки, заселения будем экспериментировать. 7 Посилання на коментар Поділитися на інших сайтах More sharing options...
StNick Опубліковано: 10 січня 2018 Поділитись Опубліковано: 10 січня 2018 Приехали с Китая гигрометры-термометры. /QUOTE] ссылкой поделитесь? Посилання на коментар Поділитися на інших сайтах More sharing options...
JohnnyD Опубліковано: 10 січня 2018 Поділитись Опубліковано: 10 січня 2018 Приехали с Китая гигрометры-термометры. /QUOTE] ссылкой поделитесь? ru.aliexpress.com/item/White-Mini-LCD-Digital-Thermometer-Hygrometer-Temperature-Indoor-Convenient-Temperature-Sensor-Humidity-Meter-Gauge-Instruments/32824032284.html Ехали долго, 2 месяца аж. Из 10-ти 2 оказались бракованными. Продавец согласился поменять. 6 Посилання на коментар Поділитися на інших сайтах More sharing options...
Рекомендовані повідомлення
Створіть акаунт або увійдіть у нього для коментування
Ви маєте бути користувачем, щоб залишити коментар
Створити акаунт
Зареєструйтеся для отримання акаунта. Це просто!
Зареєструвати акаунтУвійти
Вже зареєстровані? Увійдіть тут.
Увійти зараз